Podświetlenie lampek podsufitki
- Przemek
- Fachman
- Posty: 3506
- Rejestracja: 30 sty 2017, o 21:02
- Reputacja: 20
- Imię: Przemysław
- Samochód: cruze 1.8
- Silnik: 1.8 , 141 KM
- LPG: BRC
- Inny samochód: Opel Astra H 1.9 CDTI
- Lokalizacja: Nowy Sącz
- Kontakt:
Re: Podświetlenie lampek podsufitki
Ja chce lamki klamek zrobić razem z wygłuszeniem , ale musze dozbierać ( w pierwszej kolejności idzie obszycie kierownicy i gałki zmiany biegów ) .Mówisz nóg kierowcy ( jak w Volvo ? ) i pasażerów, czy podwozia samochodu ?
- Owadus55
- Profesjonalista
- Posty: 712
- Rejestracja: 22 wrz 2016, o 11:52
- Reputacja: 1
- Imię: Dawid
- Samochód: Cruze HB 2014 1.8
- Silnik:
- Lokalizacja: Rzeszów
- Kontakt:
Re: Podświetlenie lampek podsufitki
Chodzi mi o lampke koloru białego pod drzwiami, która oświetla podłoże po otwarciu 

-
- Fachman
- Posty: 5139
- Rejestracja: 13 lis 2016, o 20:57
- Reputacja: 45
- Imię: Mariusz
- Samochód: Orlando 1.8 LPG LT+
- Silnik: 1.8 2HO, 141KM Pb
- LPG: BRC SQ24 Genius 1500
- Lokalizacja: Opole
- Kontakt:
Re: Podświetlenie lampek podsufitki
Jak łączyłeś obie lampki? Masz jakiś schemat.?mariuszg008 pisze:Eleganckomała rzecz a jak cieszy
ja w końcu trochę zmodyfikowałem sterowanie moich lampek bo najpierw miałem zrobione jak u Ciebie a teraz mam obie z tym szerokim przyciskiem i lampkami do czytania. Nie wiem jak inni robili ale u mnie teraz przednia lampka może działać razem z tą na środku dachu bądź też można ją osobno załączyć lub całkiem wyłączyć niezależnie od tej środkowej.
Wysłane z mojego E5603 przy użyciu Tapatalka
- mariuszg008
- Specjalista
- Posty: 434
- Rejestracja: 2 gru 2014, o 18:38
- Reputacja: 7
- Imię: Mariusz
- Samochód: Cruze
- Silnik: 2.0 ON 163KM
- Inny samochód: Astra J 1.4T 140KM
- Lokalizacja: Starachowice Sandomierz
- Kontakt:
Re: Podświetlenie lampek podsufitki
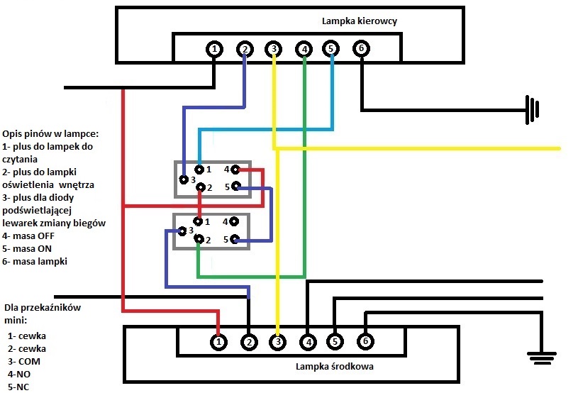
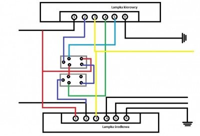
Mam taki schemat w paincie zrobiony jak wszystko połączyłem.
Czarne linie to przewody fabrycznej instalacji. Do sterowania środkowej żarówki lampki kierowcy użyłem dwóch przekaźników, gdyż z szerokiego przycisku mam jedynie masę ON, masę OFF i brak sygnału dla położenia neutralnego. Oba przekaźniki mają wykorzystane styki NC.Cruze LS+ model 2012 1.6 124KM GUF od 09.03.2012 do 31.12.2023
Cruze LS model 2011 2.0 163KM GAR od 20.01.2019
Astra J model 2010 1.4T 140KM Z50B od 08.04.2021
Cruze LS model 2011 2.0 163KM GAR od 20.01.2019
Astra J model 2010 1.4T 140KM Z50B od 08.04.2021
- mariuszg008
- Specjalista
- Posty: 434
- Rejestracja: 2 gru 2014, o 18:38
- Reputacja: 7
- Imię: Mariusz
- Samochód: Cruze
- Silnik: 2.0 ON 163KM
- Inny samochód: Astra J 1.4T 140KM
- Lokalizacja: Starachowice Sandomierz
- Kontakt:
Re: Podświetlenie lampek podsufitki
C77 Posiadam taki plastik do podświetlenia zapalniczki, koszt 15 zł + montaż diody 
ale jest jeden minus ponieważ średnica zewnętrzna jest ciut mniejsza niż otwór w tunelu. Sam wkład zapalniczki pasuje. Zrobiłem jedną na próbę używając starego tunelu i kleju na gorąco i jakoś to idzie dopasować ale nie jest to banalny montaż. Cena jednak jest zdecydowanie bardziej do przyjęcia. Postaram się to zmontować do zlotu 
Cruze LS+ model 2012 1.6 124KM GUF od 09.03.2012 do 31.12.2023
Cruze LS model 2011 2.0 163KM GAR od 20.01.2019
Astra J model 2010 1.4T 140KM Z50B od 08.04.2021
Cruze LS model 2011 2.0 163KM GAR od 20.01.2019
Astra J model 2010 1.4T 140KM Z50B od 08.04.2021
-
- Fachman
- Posty: 5139
- Rejestracja: 13 lis 2016, o 20:57
- Reputacja: 45
- Imię: Mariusz
- Samochód: Orlando 1.8 LPG LT+
- Silnik: 1.8 2HO, 141KM Pb
- LPG: BRC SQ24 Genius 1500
- Lokalizacja: Opole
- Kontakt:
Re: Podświetlenie lampek podsufitki
A czy możesz zaznaczyć środkową nogę przekaźnika na schemacie? Tą która jest przełączania. Bo cewkę już chyba znalazłem.mariuszg008 pisze:Mam taki schemat w paincie zrobiony jak wszystko połączyłem.Czarne linie to przewody fabrycznej instalacji. Do sterowania środkowej żarówki lampki kierowcy użyłem dwóch przekaźników, gdyż z szerokiego przycisku mam jedynie masę ON, masę OFF i brak sygnału dla położenia neutralnego. Oba przekaźniki mają wykorzystane styki NC.
Wysłane z mojego E5603 przy użyciu Tapatalka
- mariuszg008
- Specjalista
- Posty: 434
- Rejestracja: 2 gru 2014, o 18:38
- Reputacja: 7
- Imię: Mariusz
- Samochód: Cruze
- Silnik: 2.0 ON 163KM
- Inny samochód: Astra J 1.4T 140KM
- Lokalizacja: Starachowice Sandomierz
- Kontakt:
Re: Podświetlenie lampek podsufitki
Dodałem trochę opisów pinów:
Cruze LS+ model 2012 1.6 124KM GUF od 09.03.2012 do 31.12.2023
Cruze LS model 2011 2.0 163KM GAR od 20.01.2019
Astra J model 2010 1.4T 140KM Z50B od 08.04.2021
Cruze LS model 2011 2.0 163KM GAR od 20.01.2019
Astra J model 2010 1.4T 140KM Z50B od 08.04.2021
- C77
- Fachman
- Posty: 2337
- Rejestracja: 29 mar 2015, o 00:20
- Reputacja: 12
- Imię: Nieomylna Legenda
- Samochód: 1st. Cruze on Drive2
- Silnik: 18XER
- Lokalizacja: Piękne Miasto
- Kontakt:
Re: Podświetlenie lampek podsufitki
Od czego jest to podświetlenie zapalniczki?mariuszg008 pisze: ↑16 maja 2018, o 18:38C77 Posiadam taki plastik do podświetlenia zapalniczki, koszt 15 zł + montaż diody 20180516_182848.jpg
ale jest jeden minus ponieważ średnica zewnętrzna jest ciut mniejsza niż otwór w tunelu. Sam wkład zapalniczki pasuje. Zrobiłem jedną na próbę używając starego tunelu i kleju na gorąco i jakoś to idzie dopasować ale nie jest to banalny montaż. Cena jednak jest zdecydowanie bardziej do przyjęcia. Postaram się to zmontować do zlotu![]()
Pogłoski o mojej śmierci były mocno przesadzone
Niezmordowany Ex-dowódca Org Division Zasłużony dla Forum ORG

Ja na Drive2
Niezmordowany Ex-dowódca Org Division Zasłużony dla Forum ORG

Ja na Drive2
- mariuszg008
- Specjalista
- Posty: 434
- Rejestracja: 2 gru 2014, o 18:38
- Reputacja: 7
- Imię: Mariusz
- Samochód: Cruze
- Silnik: 2.0 ON 163KM
- Inny samochód: Astra J 1.4T 140KM
- Lokalizacja: Starachowice Sandomierz
- Kontakt:
Re: Podświetlenie lampek podsufitki
To jest zwykła uniwersalna zapalniczka. Kupiłem ją w sklepie motoryzacyjnym.
Cruze LS+ model 2012 1.6 124KM GUF od 09.03.2012 do 31.12.2023
Cruze LS model 2011 2.0 163KM GAR od 20.01.2019
Astra J model 2010 1.4T 140KM Z50B od 08.04.2021
Cruze LS model 2011 2.0 163KM GAR od 20.01.2019
Astra J model 2010 1.4T 140KM Z50B od 08.04.2021
- Owadus55
- Profesjonalista
- Posty: 712
- Rejestracja: 22 wrz 2016, o 11:52
- Reputacja: 1
- Imię: Dawid
- Samochód: Cruze HB 2014 1.8
- Silnik:
- Lokalizacja: Rzeszów
- Kontakt:
Re: Podświetlenie lampek podsufitki
Po 6 latach bezawaryjnego działania - demontowałem dzisiaj lampke tylnią w celu podklejenia podsufitki i idiota dotknąłem metalowym kluczem miedzianych przewodników w lampce. Po chwili zobaczyłem że nie działa mi podświetlenie lampki przód i tył (4 diody) + podświetlenie przycisków zamykania otwierania drzwi + 2x podświetlenie zapalniczek przód tył + podświetlenie przełącznika świateł + przełacznik trakcji...jestem załamany.
Funkcjonalność każdego z tych urządzeń pozostaje sprawna - lecz podświetlenie jest martwe. Rozumiem że spaliłem wszystkie te diody?
Funkcjonalność każdego z tych urządzeń pozostaje sprawna - lecz podświetlenie jest martwe. Rozumiem że spaliłem wszystkie te diody?
- bubu1769
- Administrator
- Posty: 6870
- Rejestracja: 5 wrz 2018, o 16:40
- Reputacja: 457
- Imię: Bartłomiej
- Samochód: Aveo T250
- Silnik: 1.4 101KM
- Inny samochód: Orlando 1.4T, Meriva A 1.8
- Lokalizacja: Kalisz
- Kontakt:
Re: Podświetlenie lampek podsufitki
Bardziej podejrzewam że spaliłeś bezpiecznik bądź wyjście ze sterownika.
- Owadus55
- Profesjonalista
- Posty: 712
- Rejestracja: 22 wrz 2016, o 11:52
- Reputacja: 1
- Imię: Dawid
- Samochód: Cruze HB 2014 1.8
- Silnik:
- Lokalizacja: Rzeszów
- Kontakt:
Re: Podświetlenie lampek podsufitki
Nie ma szans że to rozczytam chyba że z pomocą. Wybacz bubu czasami ciężko mi pomóc wiem. Wydaje mi sie że podswietlenie padło w przełacznikavh z ktorych bralem zasilanie do podswietlania drzwi/podsufitki/zapalniczek. Jednak przelacznik otwierania zamylania drzwi nie jestem pewien tylko tego.
- bubu1769
- Administrator
- Posty: 6870
- Rejestracja: 5 wrz 2018, o 16:40
- Reputacja: 457
- Imię: Bartłomiej
- Samochód: Aveo T250
- Silnik: 1.4 101KM
- Inny samochód: Orlando 1.4T, Meriva A 1.8
- Lokalizacja: Kalisz
- Kontakt:
- Owadus55
- Profesjonalista
- Posty: 712
- Rejestracja: 22 wrz 2016, o 11:52
- Reputacja: 1
- Imię: Dawid
- Samochód: Cruze HB 2014 1.8
- Silnik:
- Lokalizacja: Rzeszów
- Kontakt:
Re: Podświetlenie lampek podsufitki
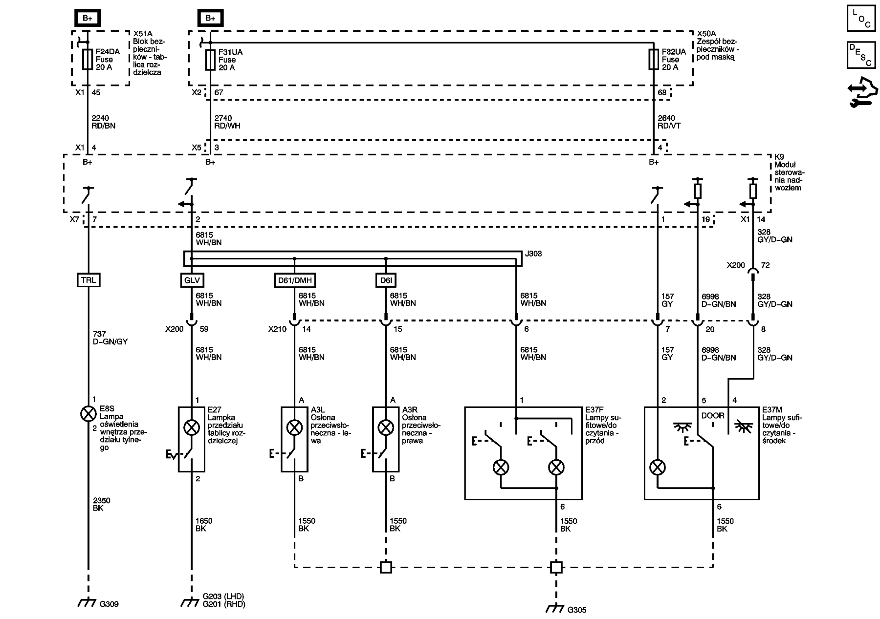
Masz na myśli F3DA? Bo F32DA na schemacie nie widze? Ten F24DA to ten z numerkiem 24 pod maską?
Dodano po 1 minucie 8 sekundach:
Jeśli tak to jest cały.
Dodano po 42 sekundach:
Nie widze z gory przerwanego obwodu
Dodano po 1 minucie 8 sekundach:
Jeśli tak to jest cały.
Dodano po 42 sekundach:
Nie widze z gory przerwanego obwodu
- bubu1769
- Administrator
- Posty: 6870
- Rejestracja: 5 wrz 2018, o 16:40
- Reputacja: 457
- Imię: Bartłomiej
- Samochód: Aveo T250
- Silnik: 1.4 101KM
- Inny samochód: Orlando 1.4T, Meriva A 1.8
- Lokalizacja: Kalisz
- Kontakt:
Re: Podświetlenie lampek podsufitki
F23DA
Źle napisałem.
Nie pod maską tylko w kabinie, dlatego ci podlinkowałem rozpiskę.
W bezpiecznikach nie zawsze widać przerwę, trzeba je sprawdzić próbnikiem lub miernikiem.
Źle napisałem.
Nie pod maską tylko w kabinie, dlatego ci podlinkowałem rozpiskę.
W bezpiecznikach nie zawsze widać przerwę, trzeba je sprawdzić próbnikiem lub miernikiem.
- Owadus55
- Profesjonalista
- Posty: 712
- Rejestracja: 22 wrz 2016, o 11:52
- Reputacja: 1
- Imię: Dawid
- Samochód: Cruze HB 2014 1.8
- Silnik:
- Lokalizacja: Rzeszów
- Kontakt:
Re: Podświetlenie lampek podsufitki
Rozumiem masz racje rzeczywiśćie - lece sprawdzić.
Dodano po 6 minutach 55 sekundach:
Chodzi o te 2 zolte pod numerkami 23 i 24?
Dodano po 6 minutach 49 sekundach:
Tak widze po rozpisce ze chodzi o nie - nie widze zeby byly przerwane - podskocze pod stacje i kupie nowe - mozna wstawic jakies lekko inne np 15A lub 25A jesli na stacji nie bedzie 20?
Dodano po 6 minutach 55 sekundach:
Chodzi o te 2 zolte pod numerkami 23 i 24?
Dodano po 6 minutach 49 sekundach:
Tak widze po rozpisce ze chodzi o nie - nie widze zeby byly przerwane - podskocze pod stacje i kupie nowe - mozna wstawic jakies lekko inne np 15A lub 25A jesli na stacji nie bedzie 20?
- bubu1769
- Administrator
- Posty: 6870
- Rejestracja: 5 wrz 2018, o 16:40
- Reputacja: 457
- Imię: Bartłomiej
- Samochód: Aveo T250
- Silnik: 1.4 101KM
- Inny samochód: Orlando 1.4T, Meriva A 1.8
- Lokalizacja: Kalisz
- Kontakt:
Re: Podświetlenie lampek podsufitki
Do testów tak.
- Owadus55
- Profesjonalista
- Posty: 712
- Rejestracja: 22 wrz 2016, o 11:52
- Reputacja: 1
- Imię: Dawid
- Samochód: Cruze HB 2014 1.8
- Silnik:
- Lokalizacja: Rzeszów
- Kontakt:
Re: Podświetlenie lampek podsufitki
Wstawiłem 2x 20A - rezultat bez zmian. Wydaje mi się że ważną informacją jest to - że co jakiś czas jeśli włączymy auto na trybie podświetlenia lub przełączymy przełącznikiem na ten tryb - co jakiś czas dosłownie mignie nam podświetlenie na ułamek sekundy w każdej chyba części która uległa awarii. To ważna informacja według mnie - bo chyba oznacza że dopływ prądu jest - tylko spalone diody? W takim wypadku dlaczego na chwile potrafią się włączyć?
- bubu1769
- Administrator
- Posty: 6870
- Rejestracja: 5 wrz 2018, o 16:40
- Reputacja: 457
- Imię: Bartłomiej
- Samochód: Aveo T250
- Silnik: 1.4 101KM
- Inny samochód: Orlando 1.4T, Meriva A 1.8
- Lokalizacja: Kalisz
- Kontakt:
Re: Podświetlenie lampek podsufitki
Pytania czy wszystkie elementy mrugają jednocześnie czy każdy ze swoją częstotliwością.
Jeśli to pierwsze to masz ubite wyjście ze sterownika jak to drugie to padły podświetlenia.
Można by też podać osobne napięcie na wejście zasilania podświetlenia każdego elementu i zobaczyć czy wtedy zadziała.
Jeśli to pierwsze to masz ubite wyjście ze sterownika jak to drugie to padły podświetlenia.
Można by też podać osobne napięcie na wejście zasilania podświetlenia każdego elementu i zobaczyć czy wtedy zadziała.
- Owadus55
- Profesjonalista
- Posty: 712
- Rejestracja: 22 wrz 2016, o 11:52
- Reputacja: 1
- Imię: Dawid
- Samochód: Cruze HB 2014 1.8
- Silnik:
- Lokalizacja: Rzeszów
- Kontakt:
Re: Podświetlenie lampek podsufitki
Mam wrażenie że wszystkie jednocześnie - ale jeszcze to sprawdze w wolnej chwili - będe patrzył i nastawie filmowanie przy włączaniu podświetlenia na reszte przycisków i się okaże. Czym jest ubite wyjście ze sterownika? Łatwe do naprawy?
Dodano po 19 minutach 47 sekundach:
Żadne już bezpieczniki nie wchodzą w gre?
Dodano po 19 minutach 47 sekundach:
Żadne już bezpieczniki nie wchodzą w gre?
- bubu1769
- Administrator
- Posty: 6870
- Rejestracja: 5 wrz 2018, o 16:40
- Reputacja: 457
- Imię: Bartłomiej
- Samochód: Aveo T250
- Silnik: 1.4 101KM
- Inny samochód: Orlando 1.4T, Meriva A 1.8
- Lokalizacja: Kalisz
- Kontakt:
Re: Podświetlenie lampek podsufitki
Poszukaj tematów o naprawie BCM.
viewtopic.php?t=9442
viewtopic.php?t=9442
- Owadus55
- Profesjonalista
- Posty: 712
- Rejestracja: 22 wrz 2016, o 11:52
- Reputacja: 1
- Imię: Dawid
- Samochód: Cruze HB 2014 1.8
- Silnik:
- Lokalizacja: Rzeszów
- Kontakt:
Re: Podświetlenie lampek podsufitki
Wlasnie zauwazylem ze padlo tez pofswietlenie przyciskow na kierownicy...wlasnie sprawdzilem miganie - MIGAJĄ TYLKO RAZ WSZYSTKIE JEDNOCZEŚNIE przy przeleczeniu pokretla swiatel - trwa to ulamek sekundy. Wiec rozumiem ze ten sterownik?
- bubu1769
- Administrator
- Posty: 6870
- Rejestracja: 5 wrz 2018, o 16:40
- Reputacja: 457
- Imię: Bartłomiej
- Samochód: Aveo T250
- Silnik: 1.4 101KM
- Inny samochód: Orlando 1.4T, Meriva A 1.8
- Lokalizacja: Kalisz
- Kontakt:
Re: Podświetlenie lampek podsufitki
Niestety.
- Owadus55
- Profesjonalista
- Posty: 712
- Rejestracja: 22 wrz 2016, o 11:52
- Reputacja: 1
- Imię: Dawid
- Samochód: Cruze HB 2014 1.8
- Silnik:
- Lokalizacja: Rzeszów
- Kontakt:
Re: Podświetlenie lampek podsufitki
W takim wypadku nawet jeśli wymienie np przycisk trakcji na nowy - nie powinien świecic rozumiem. Mam na podworku drugiego cruza - moze zrobie eksperent aby miec pewnosc?
- zzzz
- Wymiatacz
- Posty: 1655
- Rejestracja: 3 gru 2013, o 17:50
- Reputacja: 41
- Imię: Zbyszek
- Samochód: Cruze HB LT+
- Silnik: 1.8
- LPG: BRC
- Lokalizacja: SBE
- Kontakt:
Re: Podświetlenie lampek podsufitki
A może jak grzebałeś przy tym oświetleniu to teraz tam nadal jest jakieś zwarcie? Na pewno żadne przewody i styki się nie zwierają? Może BCM wykrywa to zwarcie i odcina zasilanie...
Kto jest online
Użytkownicy przeglądający to forum: Obecnie na forum nie ma żadnego zarejestrowanego użytkownika i 1 gość