Chevrolet cruze brak świateł stop
-
- Świeżak
- Posty: 4
- Rejestracja: 28 maja 2021, o 20:50
- Reputacja: 0
- Imię: Cypek
- Samochód: Cruze
- Silnik: 1.8,141km, benzyna
- Lokalizacja: JASTRZĘBIE ZDRÓJ
- Kontakt:
Chevrolet cruze brak świateł stop
Jak w temacie nie mam światła stop lewy prawy a na szybie działa prawidłowo. Żarówki wymienione a problem mam taki ze nigdzie w instrukcji nie umiem znaleźć który bezpiecznik jest od tych świateł. Pomóżcie z góry dzięki
- etac
- Prezes
- Posty: 24970
- Rejestracja: 4 sie 2013, o 00:31
- Reputacja: 301
- Imię: Krzysztof
- Samochód: Opel Astra L ST
- Silnik: 1.2T Pure Tech
- LPG: NIE
- Inny samochód: Yamaha X-MAX Tech Max
- Lokalizacja: SBE
- Kontakt:
Re: Chevrolet cruze brak świateł stop
jak sprawdziłeś żarówki, to raczej to nie problem bezpiecznika, a BCM.
Sprawdź jednak bezpieczniki pod deską rozdzielczą od BCM
Sprawdź jednak bezpieczniki pod deską rozdzielczą od BCM
Lekcje prywatne są odpłatne, pytania na forum są darmowe
- bubu1769
- Administrator
- Posty: 6870
- Rejestracja: 5 wrz 2018, o 16:40
- Reputacja: 457
- Imię: Bartłomiej
- Samochód: Aveo T250
- Silnik: 1.4 101KM
- Inny samochód: Orlando 1.4T, Meriva A 1.8
- Lokalizacja: Kalisz
- Kontakt:
Re: Chevrolet cruze brak świateł stop
Bo są ogólnie trzy bezpieczniki.
Jeden do światła środkowego, jeden do prawego i jeden do lewego.
Jeden do światła środkowego, jeden do prawego i jeden do lewego.
- etac
- Prezes
- Posty: 24970
- Rejestracja: 4 sie 2013, o 00:31
- Reputacja: 301
- Imię: Krzysztof
- Samochód: Opel Astra L ST
- Silnik: 1.2T Pure Tech
- LPG: NIE
- Inny samochód: Yamaha X-MAX Tech Max
- Lokalizacja: SBE
- Kontakt:
Re: Chevrolet cruze brak świateł stop
mnie to wygląda na zasilanie BCM, nie zasilanie świateł stop
Lekcje prywatne są odpłatne, pytania na forum są darmowe
- bubu1769
- Administrator
- Posty: 6870
- Rejestracja: 5 wrz 2018, o 16:40
- Reputacja: 457
- Imię: Bartłomiej
- Samochód: Aveo T250
- Silnik: 1.4 101KM
- Inny samochód: Orlando 1.4T, Meriva A 1.8
- Lokalizacja: Kalisz
- Kontakt:
Re: Chevrolet cruze brak świateł stop
Zasilanie świateł idzie przez BCM-a a on steruje wszystkimi światłami wiec zasilanie musi mieć.
Jak już to mogło paść jego sterowanie światłami, czy to same przekaźniki (raczej mało prawdopodobne że oba na raz) czy też ich sterowanie co podobne sytuacje miały już miejsca u innych.
Warto najpierw sprawdzić te bezpieczniki.
Jak już to mogło paść jego sterowanie światłami, czy to same przekaźniki (raczej mało prawdopodobne że oba na raz) czy też ich sterowanie co podobne sytuacje miały już miejsca u innych.
Warto najpierw sprawdzić te bezpieczniki.
-
- Wymiatacz
- Posty: 1616
- Rejestracja: 9 sty 2014, o 16:53
- Reputacja: 35
- Imię: Czesław
- Samochód: Cruze1.8LT+Prem, LPG
- Silnik:
- Lokalizacja: Bielsko-B
- Kontakt:
Re: Chevrolet cruze brak świateł stop
Mało prawdopodobne aby obydwa bezpieczniki się przepaliły? a te stare żarówki były przepalone?
Stopem steruje bezpośrednio BCM, tam nie ma przekaźników.
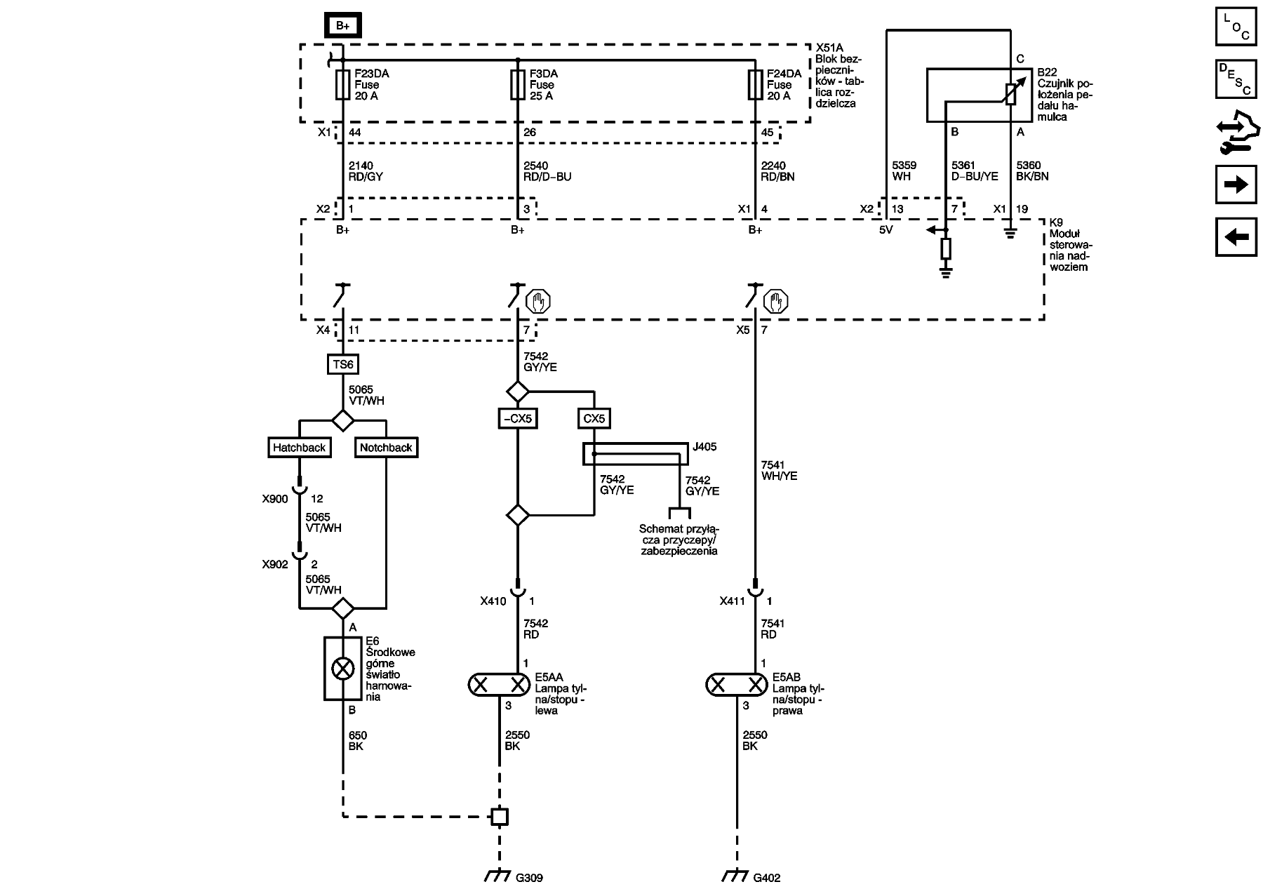
Sprawdzić w kabinie F3 i F24.
Stopem steruje bezpośrednio BCM, tam nie ma przekaźników.
Sprawdzić w kabinie F3 i F24.
-
- Świeżak
- Posty: 4
- Rejestracja: 28 maja 2021, o 20:50
- Reputacja: 0
- Imię: Cypek
- Samochód: Cruze
- Silnik: 1.8,141km, benzyna
- Lokalizacja: JASTRZĘBIE ZDRÓJ
- Kontakt:
Re: Chevrolet cruze brak świateł stop
Rano sprawdzę wasze podpowiedzi i dam znać.
- huri_khan
- Zasłużony dla forum
- Posty: 5237
- Rejestracja: 9 sie 2013, o 09:29
- Reputacja: 91
- Imię: Robert
- Samochód: Kia Proceed
- Silnik: 1,4 T
- Inny samochód: Ford Mondeo
- Lokalizacja: Bytom
- Kontakt:
Re: Chevrolet cruze brak świateł stop
Ja bym sprawdził wiązkę od bagażnika do świateł. Zdejmij boczek w bagażniku, odepnij kostkę po lewej stronie, jedna osoba naciska stop a Ty miernikiem sprawdzasz czy dochodzi napięcie. Jest tam trochę pinów ale bez problemu zdiagnozujesz czy problem jest przed czy za tą kostką.
240 000 km z Chevroletem w zupełności wystarczyło 

- szczuplin
- Fachman
- Posty: 2346
- Rejestracja: 9 mar 2016, o 15:00
- Reputacja: 16
- Imię: Szczuplin
- Samochód: Cruze, Aveo T300
- Silnik: 1.8 F18D4 141KM 1.2 86 km
- LPG: STAG4 Q-Box+
- Lokalizacja: Wałbrzych
- Kontakt:
Re: Chevrolet cruze brak świateł stop
Nie masz czasami przekaźników do świateł dziennych lub/i żarówek 2 w 1 w kierunkowskazach?
Chevrolet Cruze HB LT+ 1.8 + Chevrolet Aveo T300 1.2 86km
-
- Świeżak
- Posty: 4
- Rejestracja: 28 maja 2021, o 20:50
- Reputacja: 0
- Imię: Cypek
- Samochód: Cruze
- Silnik: 1.8,141km, benzyna
- Lokalizacja: JASTRZĘBIE ZDRÓJ
- Kontakt:
Re: Chevrolet cruze brak świateł stop
Które bezpieczniki są powiązane ze stopem?
- bubu1769
- Administrator
- Posty: 6870
- Rejestracja: 5 wrz 2018, o 16:40
- Reputacja: 457
- Imię: Bartłomiej
- Samochód: Aveo T250
- Silnik: 1.4 101KM
- Inny samochód: Orlando 1.4T, Meriva A 1.8
- Lokalizacja: Kalisz
- Kontakt:
Re: Chevrolet cruze brak świateł stop
Masz to podane na schemacie oraz borus też podał oznaczenie dwóch bezpieczników os stopu w lampach.
-
- Świeżak
- Posty: 4
- Rejestracja: 28 maja 2021, o 20:50
- Reputacja: 0
- Imię: Cypek
- Samochód: Cruze
- Silnik: 1.8,141km, benzyna
- Lokalizacja: JASTRZĘBIE ZDRÓJ
- Kontakt:
Re: Chevrolet cruze brak świateł stop
Dzięki wielkie za wszystkie podpowiedzi. Okazało się że uszkodzony jeden z kabelków z wiązki co jest na zawiasie z bagażnika miałem ostatnio nabity bagażnik i wtedy musiałem docisnąć te kable. Wszystko już gra i jeszcze raz dzięki za pomoc.
- huri_khan
- Zasłużony dla forum
- Posty: 5237
- Rejestracja: 9 sie 2013, o 09:29
- Reputacja: 91
- Imię: Robert
- Samochód: Kia Proceed
- Silnik: 1,4 T
- Inny samochód: Ford Mondeo
- Lokalizacja: Bytom
- Kontakt:
Re: Chevrolet cruze brak świateł stop
Niestety w ciągu roku szykuj się, że zaczną padać pozostałe przewody w tej wiązce.
240 000 km z Chevroletem w zupełności wystarczyło 

Kto jest online
Użytkownicy przeglądający to forum: Obecnie na forum nie ma żadnego zarejestrowanego użytkownika i 3 gości