Światło w bagazniku
-
- Świeżak
- Posty: 31
- Rejestracja: 27 wrz 2021, o 08:55
- Reputacja: 0
- Imię: Konrad
- Samochód: Orlando
- Silnik: 1.4 T
- LPG: nie
- Inny samochód: nie
- Lokalizacja: Kraków
- Kontakt:
Światło w bagazniku
Witam, jestem nowym szczęśliwym posiadaczem Orlando. Mam pytanie, nie działa mi światło w bagażniku, wymieniłem żarówkę i nadal nic, jakie mogą być przyczyny? Jest jakiś włącznik, wiązka czy moduł ?? Będę wdzięczny za radę
- bubu1769
- Administrator
- Posty: 6870
- Rejestracja: 5 wrz 2018, o 16:40
- Reputacja: 457
- Imię: Bartłomiej
- Samochód: Aveo T250
- Silnik: 1.4 101KM
- Inny samochód: Orlando 1.4T, Meriva A 1.8
- Lokalizacja: Kalisz
- Kontakt:
Re: Światło w bagazniku
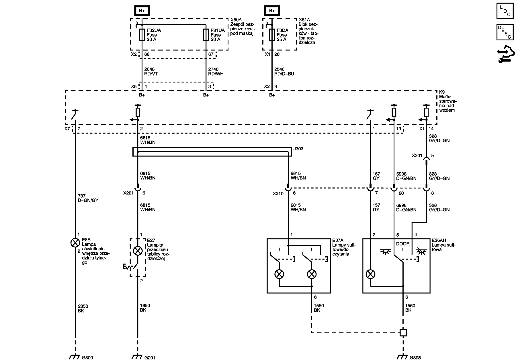
Wszystkie lampki w środku zasilane są z BCM.
-
- Świeżak
- Posty: 31
- Rejestracja: 27 wrz 2021, o 08:55
- Reputacja: 0
- Imię: Konrad
- Samochód: Orlando
- Silnik: 1.4 T
- LPG: nie
- Inny samochód: nie
- Lokalizacja: Kraków
- Kontakt:
Re: Światło w bagazniku
ok dzięki wielkie za schemat, ale co może być przyczyną, ze nie działa tylko ta lampka w bagażniku?? inne działają.
- wszim
- Zasłużony dla forum
- Posty: 15495
- Rejestracja: 10 paź 2013, o 22:04
- Reputacja: 146
- Imię: Wojtek
- Samochód: był orlando
- Silnik: 1.8 2H0 141KM (KL7)
- LPG: BRC SQ24
- Inny samochód: toyota RAV4 2.5 hybrid 4x4 222KM
- Lokalizacja: Nowy Sącz
- Kontakt:
Re: Światło w bagazniku
Nie ma żadnych typowych usterek tego elementu. Czyli miernik w dłonie i szukanie gdzie zanika zasilanie, czy na samej lampce, czy gdzieś po drodze a może nie ma już na gnieździe X1 w BCM.
A żarówkę masz klasyczną żarową czy LED?
A żarówkę masz klasyczną żarową czy LED?

-
- Świeżak
- Posty: 31
- Rejestracja: 27 wrz 2021, o 08:55
- Reputacja: 0
- Imię: Konrad
- Samochód: Orlando
- Silnik: 1.4 T
- LPG: nie
- Inny samochód: nie
- Lokalizacja: Kraków
- Kontakt:
Re: Światło w bagazniku
dzięki za informację, żarówkę mam W5W, sprawdzę wiązkę.
Pytanie jeszcze jedno trochę może banalne, czy skoro światło powinno w teorii włączać się po otworzeniu bagażnika, to czy jest jakiś moduł który daje sygnał do żarówki gdy się otwiera ??
Pytanie jeszcze jedno trochę może banalne, czy skoro światło powinno w teorii włączać się po otworzeniu bagażnika, to czy jest jakiś moduł który daje sygnał do żarówki gdy się otwiera ??
- bubu1769
- Administrator
- Posty: 6870
- Rejestracja: 5 wrz 2018, o 16:40
- Reputacja: 457
- Imię: Bartłomiej
- Samochód: Aveo T250
- Silnik: 1.4 101KM
- Inny samochód: Orlando 1.4T, Meriva A 1.8
- Lokalizacja: Kalisz
- Kontakt:
Re: Światło w bagazniku
Nie, BCM dostaje sygnał z zamka drzwi i załącza oświetlenie.
- wszim
- Zasłużony dla forum
- Posty: 15495
- Rejestracja: 10 paź 2013, o 22:04
- Reputacja: 146
- Imię: Wojtek
- Samochód: był orlando
- Silnik: 1.8 2H0 141KM (KL7)
- LPG: BRC SQ24
- Inny samochód: toyota RAV4 2.5 hybrid 4x4 222KM
- Lokalizacja: Nowy Sącz
- Kontakt:
Re: Światło w bagazniku
A czy świeci ci kontrolka nie zamkniętych drzwi jak nie zamkniesz klapy?

-
- Profesjonalista
- Posty: 654
- Rejestracja: 16 gru 2016, o 13:01
- Reputacja: 22
- Imię: Szczepan
- Samochód: FORD S-Max
- Silnik: 2.0 Ecoblue
- Inny samochód: Cruze 1.8 LPG
- Lokalizacja: Rzeszów
- Kontakt:
Re: Światło w bagazniku
A jak otwierasz drzwi to światło wewnątrz samochodu się świeci? Bo jeżeli jest wyłączone to w bagażniku też się nie zaświeci.
-
- Świeżak
- Posty: 31
- Rejestracja: 27 wrz 2021, o 08:55
- Reputacja: 0
- Imię: Konrad
- Samochód: Orlando
- Silnik: 1.4 T
- LPG: nie
- Inny samochód: nie
- Lokalizacja: Kraków
- Kontakt:
Re: Światło w bagazniku
- etac
- Prezes
- Posty: 24968
- Rejestracja: 4 sie 2013, o 00:31
- Reputacja: 300
- Imię: Krzysztof
- Samochód: Opel Astra L ST
- Silnik: 1.2T Pure Tech
- LPG: NIE
- Inny samochód: Yamaha X-MAX Tech Max
- Lokalizacja: SBE
- Kontakt:
Re: Światło w bagazniku
z przodu masz lampki do czytania fabrycznie, a ta z tyłu sterowana jest drzwiami, więc sprawdź położenie tam włacznika.
Lekcje prywatne są odpłatne, pytania na forum są darmowe
-
- Świeżak
- Posty: 31
- Rejestracja: 27 wrz 2021, o 08:55
- Reputacja: 0
- Imię: Konrad
- Samochód: Orlando
- Silnik: 1.4 T
- LPG: nie
- Inny samochód: nie
- Lokalizacja: Kraków
- Kontakt:
Re: Światło w bagazniku
dzięki za pomoc, problem rozwiązany, był problem z nową żarówką+ nie miałem pojęcia, ze musi w kabinie być ustawione światło aby świeciło również w bagażniku.
Ostatnio zmieniony 7 paź 2021, o 09:33 przez bubu1769, łącznie zmieniany 1 raz.
Powód: Usunięto cytat.
Powód: Usunięto cytat.
Kto jest online
Użytkownicy przeglądający to forum: Obecnie na forum nie ma żadnego zarejestrowanego użytkownika i 1 gość