[Nubira] Kostka stacyjki?

Nie świeci, nie kręci i inne tematy związane z elektryką i elektroniką
ODPOWIEDZ
matesDGL
Świeżak
Posty: 27
Rejestracja: 23 kwie 2018, o 08:14
Reputacja: 0
Imię: Mateusz
Samochód: Nubira
Silnik: 1.6, 109KM, Pb+LPG
LPG: TAK
Lokalizacja: Głogów
Kontakt:

[Nubira] Kostka stacyjki?

Post autor: matesDGL » 15 sty 2020, o 17:04

Witam, mam problem z Chevrolet Nubira/Lacetti 1.6.
Otóż po przekręceniu kluczyka na zapłon nie pojawiają się na zegarach kontrolki, nie słychać również pompy paliwa, auto oczywiście nie odpal. Wszystko inne działa (radio, światła, podświetlenie itp). Czy to może być kostka w stacyjce? Dzisiaj ją wymieniłem (jakaś chińska czy tam z innego tajwanu) i dalej nic. Może spróbować na oryginalnej kostce? Jakieś inne pomysły? Bezpieczniki wszystkie sprawdzone. Na obu kluczykach dzieje się to samo. Pomocy! :pomoc:

Awatar użytkownika
etac
Prezes
Posty: 24968
Rejestracja: 4 sie 2013, o 00:31
Reputacja: 300
Imię: Krzysztof
Samochód: Opel Astra L ST
Silnik: 1.2T Pure Tech
LPG: NIE
Inny samochód: Yamaha X-MAX Tech Max
Lokalizacja: SBE
Kontakt:

Re: [Nubira] Kostka stacyjki?

Post autor: etac » 15 sty 2020, o 17:30

Sprawdź kostkę za licznikiem.
Lekcje prywatne są odpłatne, pytania na forum są darmowe

matesDGL
Świeżak
Posty: 27
Rejestracja: 23 kwie 2018, o 08:14
Reputacja: 0
Imię: Mateusz
Samochód: Nubira
Silnik: 1.6, 109KM, Pb+LPG
LPG: TAK
Lokalizacja: Głogów
Kontakt:

Re: [Nubira] Kostka stacyjki?

Post autor: matesDGL » 15 sty 2020, o 19:02

Dzięki, jutro sprawdzę. Kostka za licznikiem może powodować brak zapłonu?

Dodano po 1 godzinie 27 minutach 18 sekundach:
matesDGL pisze:
15 sty 2020, o 19:02
Dzięki, jutro sprawdzę. Kostka za licznikiem może powodować brak zapłonu?
Sprawdzone, to nie to.
Nie działają również kierunki i wycieraczki

Awatar użytkownika
Sebastian
Moderator
Posty: 4008
Rejestracja: 12 sie 2013, o 22:45
Reputacja: 51
Imię: Sebastian
Samochód: 2x Lacetti 1.4&1.6
Silnik:
Lokalizacja: Ruda Śląska
Kontakt:

Re: [Nubira] Kostka stacyjki?

Post autor: Sebastian » 15 sty 2020, o 21:12

Jeśli masz htb to może być przelotka w klapie bagażnika.

Jeśli to jest ok, to obawiam się, że może to być awaria komputera (wilgoć w środku).
Serwisowanie, naprawa, montaż: klimatyzacji, wentylacji, systemów ogrzewania - kontakt PW.

krzych1b
Fachman
Posty: 3246
Rejestracja: 28 lis 2017, o 19:24
Reputacja: 48
Imię: Krzysztof
Samochód: NUBIRA /Lacetti
Silnik: 1.8 F18D3 121KM
LPG: Tech
Lokalizacja: LUBLIN
Kontakt:

Re: [Nubira] Kostka stacyjki?

Post autor: krzych1b » 15 sty 2020, o 21:57

Sebastian , nie tak od razu"czarno" :D . A może coś z immobilaizerem? Próbowałeś się łączyć z Ch.Expl.?
Może to coś pomoże viewtopic.php?t=2894
I to dodatkowo https://allegro.pl/oferta/chevrolet-lac ... 6963379033
I jeszcze to viewtopic.php?t=6090
I na koniec zostaje wujek google -szukaj
Nie to , żebym był złośliwy ,ale ciut wysiłku nie zaszkodzi i moderatorom oszczędzi nerwa ;)
Ja bym jeszcze poszukał ,w obwodzie odcinającym pompę paliwa (pompa nie pracuje), może we wtyczce nie łączy?
Ostatnio zmieniony 15 sty 2020, o 22:42 przez krzych1b, łącznie zmieniany 3 razy.
VIN >KL1NF35BJ6K335315

matesDGL
Świeżak
Posty: 27
Rejestracja: 23 kwie 2018, o 08:14
Reputacja: 0
Imię: Mateusz
Samochód: Nubira
Silnik: 1.6, 109KM, Pb+LPG
LPG: TAK
Lokalizacja: Głogów
Kontakt:

Re: [Nubira] Kostka stacyjki?

Post autor: matesDGL » 15 sty 2020, o 22:14

Jak mogę sprawdzić immobilizer?

Awatar użytkownika
etac
Prezes
Posty: 24968
Rejestracja: 4 sie 2013, o 00:31
Reputacja: 300
Imię: Krzysztof
Samochód: Opel Astra L ST
Silnik: 1.2T Pure Tech
LPG: NIE
Inny samochód: Yamaha X-MAX Tech Max
Lokalizacja: SBE
Kontakt:

Re: [Nubira] Kostka stacyjki?

Post autor: etac » 16 sty 2020, o 06:22

Objawy nie pochodzą z immo.
Lekcje prywatne są odpłatne, pytania na forum są darmowe

Awatar użytkownika
none7
Bywalec
Posty: 176
Rejestracja: 18 gru 2017, o 20:40
Reputacja: 7
Imię: Karol
Samochód: Lacetti '05
Silnik: 1.6, F16D3, 109KM, benz.+LPG
LPG: STAG QNEXT PLUS
Lokalizacja: Gdańsk
Kontakt:

Re: [Nubira] Kostka stacyjki?

Post autor: none7 » 16 sty 2020, o 08:27

przede wszystkim sprawdzić należy czy napięcie dochodzi do stacyjki. przecież nie przekaże ona czego nie ma.
Pod maską sprawdzane wszystkie bezpieczniki ? może któryś styk zaśniedział albo kuna przegryzła kabel

Awatar użytkownika
bubu1769
Administrator
Posty: 6870
Rejestracja: 5 wrz 2018, o 16:40
Reputacja: 457
Imię: Bartłomiej
Samochód: Aveo T250
Silnik: 1.4 101KM
Inny samochód: Orlando 1.4T, Meriva A 1.8
Lokalizacja: Kalisz
Kontakt:

Re: [Nubira] Kostka stacyjki?

Post autor: bubu1769 » 16 sty 2020, o 08:49

None7
matesDGL pisze:
15 sty 2020, o 17:04
Wszystko inne działa (radio, światła, podświetlenie itp).
Czyli elementy wymagające zasilania po stacyjce.
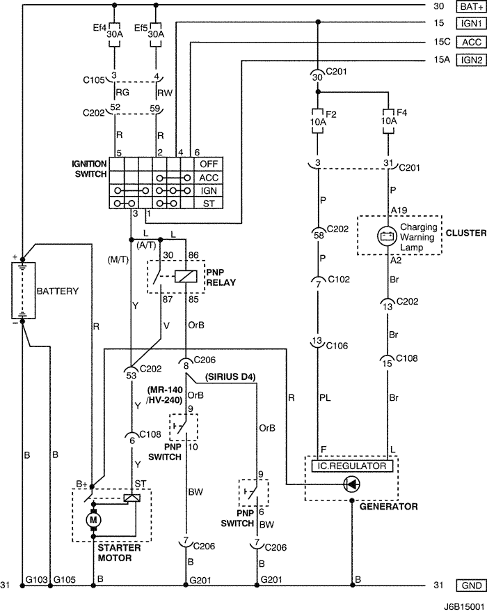
Jak będę mieć chwilę to przejrze schematy, może coś znajdę.

Dodano po 1 godzinie 32 minutach 8 sekundach:
Wygląda jakbyś nie miał sygnału IGN1
J6B15001.png

wiktorkutno
Świeżak
Posty: 20
Rejestracja: 12 lis 2013, o 18:30
Reputacja: 0
Imię: Wiktor
Samochód: Lacetti
Silnik: 2.0 TCDI 121KM CDX Platinum
Lokalizacja: Kutno
Kontakt:

Re: [Nubira] Kostka stacyjki?

Post autor: wiktorkutno » 16 sty 2020, o 11:58

Witam miałem podobny problem u siebie.
Po przekręceniu kluczyka w pozycje zapłon wszystkie kontrolki gasły. A auto nie odpalało.
Tez podejrzewałem wilgoć ale problem był w poluzowanej klemie akumulatora.
Po dokręceniu wszystkich śrub problem zniknął.
Pozdrawiam

krzych1b
Fachman
Posty: 3246
Rejestracja: 28 lis 2017, o 19:24
Reputacja: 48
Imię: Krzysztof
Samochód: NUBIRA /Lacetti
Silnik: 1.8 F18D3 121KM
LPG: Tech
Lokalizacja: LUBLIN
Kontakt:

Re: [Nubira] Kostka stacyjki?

Post autor: krzych1b » 16 sty 2020, o 12:25

Możliwe , że brak gdzieś jest masy . Ja bym od tego zaczął szukać.
Nie wiem czy się doczytałem ? A rozrusznik nie kręci? Tam bym też sprawdził kable
Jest takie powiedzenie: " Nie strzelaj z armaty do komara" . To może być błachostka.
VIN >KL1NF35BJ6K335315

wiktorkutno
Świeżak
Posty: 20
Rejestracja: 12 lis 2013, o 18:30
Reputacja: 0
Imię: Wiktor
Samochód: Lacetti
Silnik: 2.0 TCDI 121KM CDX Platinum
Lokalizacja: Kutno
Kontakt:

Re: [Nubira] Kostka stacyjki?

Post autor: wiktorkutno » 16 sty 2020, o 12:33

Dokładnie u mnie to była klema minusowa.
Dokręciłem ja i dodatkowy przewód który od niej odchodził.
Po tym odpala bez problemu.
Musiała się poluzować na tych naszych wspaniałych drogach. :)

matesDGL
Świeżak
Posty: 27
Rejestracja: 23 kwie 2018, o 08:14
Reputacja: 0
Imię: Mateusz
Samochód: Nubira
Silnik: 1.6, 109KM, Pb+LPG
LPG: TAK
Lokalizacja: Głogów
Kontakt:

Re: [Nubira] Kostka stacyjki?

Post autor: matesDGL » 16 sty 2020, o 13:56

Dzieki za podpowiedzi, klemy sprawdzalem, sa dokrecone. Rozrusznik kreci

krzych1b
Fachman
Posty: 3246
Rejestracja: 28 lis 2017, o 19:24
Reputacja: 48
Imię: Krzysztof
Samochód: NUBIRA /Lacetti
Silnik: 1.8 F18D3 121KM
LPG: Tech
Lokalizacja: LUBLIN
Kontakt:

Re: [Nubira] Kostka stacyjki?

Post autor: krzych1b » 16 sty 2020, o 17:15

Z tego co się dowiedziałem od znajomego mechanika, to sprawdź ponownie miernikiem , wyjęty bezpiecznik zapłonu i ew. podstaw drugą kostkę .Przy sprawnym bezpieczniku ma być słychać pompę .
VIN >KL1NF35BJ6K335315

matesDGL
Świeżak
Posty: 27
Rejestracja: 23 kwie 2018, o 08:14
Reputacja: 0
Imię: Mateusz
Samochód: Nubira
Silnik: 1.6, 109KM, Pb+LPG
LPG: TAK
Lokalizacja: Głogów
Kontakt:

Re: [Nubira] Kostka stacyjki?

Post autor: matesDGL » 30 sty 2020, o 19:06

Witam ponownie, auto na szczęście już jeździ :ok:
Jak się okazało poprzedni właściciel zamontował w schowku po lewej stronie "antykradzieżowy" przycisk odcinający zapłon o którym nie wiedziałem i który przypadkiem musiałem włączyć chowając coś do środka ;) Dziękuję wszystkim za zaangażowanie i pomoc

Pozdrawiam! :piwo3:

ODPOWIEDZ

Wróć do „Lacetti/Nubira Elektryka / Elektronika”

Kto jest online

Użytkownicy przeglądający to forum: Obecnie na forum nie ma żadnego zarejestrowanego użytkownika i 5 gości