CSO - układ do dezaktywacji świateł mijania(skandynawii)
- wszim
- Zasłużony dla forum
- Posty: 15495
- Rejestracja: 10 paź 2013, o 22:04
- Reputacja: 146
- Imię: Wojtek
- Samochód: był orlando
- Silnik: 1.8 2H0 141KM (KL7)
- LPG: BRC SQ24
- Inny samochód: toyota RAV4 2.5 hybrid 4x4 222KM
- Lokalizacja: Nowy Sącz
- Kontakt:
Re: CSO - układ do dezaktywacji świateł mijania(skandynawii)
Może w ustawieniach było clear Eeprom, to wtedy mój program załadował defaultowe. Nie ważne, ważne że zafungowało, ustawienia sobie dokorblujesz. Mam nadzieję że miałeś nastawy gdzieś zapisane. Bo moje mam i co pół roku muszę trochę przestawiać i znowu notować. To ewidentna destrukcja krzemu w fotorezystorze. Stary egzemplarz to i pewnie nieodporny na UV. Powinienem założyć jakiś nowszy ale mam lenia i przestawiam jak mnie zaczyna denerwować zbyt wczesne zapalanie się św mijania.

- zzzz
- Wymiatacz
- Posty: 1655
- Rejestracja: 3 gru 2013, o 17:50
- Reputacja: 41
- Imię: Zbyszek
- Samochód: Cruze HB LT+
- Silnik: 1.8
- LPG: BRC
- Lokalizacja: SBE
- Kontakt:
- wszim
- Zasłużony dla forum
- Posty: 15495
- Rejestracja: 10 paź 2013, o 22:04
- Reputacja: 146
- Imię: Wojtek
- Samochód: był orlando
- Silnik: 1.8 2H0 141KM (KL7)
- LPG: BRC SQ24
- Inny samochód: toyota RAV4 2.5 hybrid 4x4 222KM
- Lokalizacja: Nowy Sącz
- Kontakt:
Re: CSO - układ do dezaktywacji świateł mijania(skandynawii)
Teraz ciekawe czy pomoże. Czy aby na pewno lek na ranę.

- zzzz
- Wymiatacz
- Posty: 1655
- Rejestracja: 3 gru 2013, o 17:50
- Reputacja: 41
- Imię: Zbyszek
- Samochód: Cruze HB LT+
- Silnik: 1.8
- LPG: BRC
- Lokalizacja: SBE
- Kontakt:
Re: CSO - układ do dezaktywacji świateł mijania(skandynawii)
Niestety zmiana softu nie pomogła...
- wszim
- Zasłużony dla forum
- Posty: 15495
- Rejestracja: 10 paź 2013, o 22:04
- Reputacja: 146
- Imię: Wojtek
- Samochód: był orlando
- Silnik: 1.8 2H0 141KM (KL7)
- LPG: BRC SQ24
- Inny samochód: toyota RAV4 2.5 hybrid 4x4 222KM
- Lokalizacja: Nowy Sącz
- Kontakt:
Re: CSO - układ do dezaktywacji świateł mijania(skandynawii)

Nie ma to może związku ze słabym akumulatorem powodującym w trakcie rozruchu zaniki zasilania?
Nie mam na szybko pomysłu dlaczego tylko u ciebie źle działa i dopiero po kilku latach.

- zzzz
- Wymiatacz
- Posty: 1655
- Rejestracja: 3 gru 2013, o 17:50
- Reputacja: 41
- Imię: Zbyszek
- Samochód: Cruze HB LT+
- Silnik: 1.8
- LPG: BRC
- Lokalizacja: SBE
- Kontakt:
Re: CSO - układ do dezaktywacji świateł mijania(skandynawii)
Akumulator od zakupu auta ten sam. Auto pali na dotyk. Kemoiz wspominał o podobnych objawach, ciekawe jak u niego z akumulatorem...
- wszim
- Zasłużony dla forum
- Posty: 15495
- Rejestracja: 10 paź 2013, o 22:04
- Reputacja: 146
- Imię: Wojtek
- Samochód: był orlando
- Silnik: 1.8 2H0 141KM (KL7)
- LPG: BRC SQ24
- Inny samochód: toyota RAV4 2.5 hybrid 4x4 222KM
- Lokalizacja: Nowy Sącz
- Kontakt:
Re: CSO - układ do dezaktywacji świateł mijania(skandynawii)
Jedyny pomysł jaki mi przychodzi do głowy to taki spadek napięcia podczas rozruchu, że BCM odcina napięcie od CSO co powoduje że CSO gubi rozpoznanie. Niestety polega to tylko na logice uruchamiania, nie do się rozpoznać czy światła są załączone przez skandynawię czy nie. Dlatego pytanie , które już zadałem. Czy bywało tak wcześniej czy to obserwacja z ostatniego czasu?

- zzzz
- Wymiatacz
- Posty: 1655
- Rejestracja: 3 gru 2013, o 17:50
- Reputacja: 41
- Imię: Zbyszek
- Samochód: Cruze HB LT+
- Silnik: 1.8
- LPG: BRC
- Lokalizacja: SBE
- Kontakt:
Re: CSO - układ do dezaktywacji świateł mijania(skandynawii)
+- pół roku...
- wszim
- Zasłużony dla forum
- Posty: 15495
- Rejestracja: 10 paź 2013, o 22:04
- Reputacja: 146
- Imię: Wojtek
- Samochód: był orlando
- Silnik: 1.8 2H0 141KM (KL7)
- LPG: BRC SQ24
- Inny samochód: toyota RAV4 2.5 hybrid 4x4 222KM
- Lokalizacja: Nowy Sącz
- Kontakt:
Re: CSO - układ do dezaktywacji świateł mijania(skandynawii)
Czyli czynnik zewnętrzny ma wpływ.
A jak palisz auto. Przekręcasz aż zaświecą kontrolki i za chwile palisz, czy po włożeniu kluczyka od razu kręcisz i palisz?
A jak palisz auto. Przekręcasz aż zaświecą kontrolki i za chwile palisz, czy po włożeniu kluczyka od razu kręcisz i palisz?

-
- Fachman
- Posty: 5139
- Rejestracja: 13 lis 2016, o 20:57
- Reputacja: 45
- Imię: Mariusz
- Samochód: Orlando 1.8 LPG LT+
- Silnik: 1.8 2HO, 141KM Pb
- LPG: BRC SQ24 Genius 1500
- Lokalizacja: Opole
- Kontakt:
Re: CSO - układ do dezaktywacji świateł mijania(skandynawii)
Ja odpalam zaraz po włożeniu kluczyka. I nigdy nie miałem takich jajek z cso
- zzzz
- Wymiatacz
- Posty: 1655
- Rejestracja: 3 gru 2013, o 17:50
- Reputacja: 41
- Imię: Zbyszek
- Samochód: Cruze HB LT+
- Silnik: 1.8
- LPG: BRC
- Lokalizacja: SBE
- Kontakt:
Re: CSO - układ do dezaktywacji świateł mijania(skandynawii)
Odpalam różnie, zależnie od potrzeby.
- wszim
- Zasłużony dla forum
- Posty: 15495
- Rejestracja: 10 paź 2013, o 22:04
- Reputacja: 146
- Imię: Wojtek
- Samochód: był orlando
- Silnik: 1.8 2H0 141KM (KL7)
- LPG: BRC SQ24
- Inny samochód: toyota RAV4 2.5 hybrid 4x4 222KM
- Lokalizacja: Nowy Sącz
- Kontakt:
Re: CSO - układ do dezaktywacji świateł mijania(skandynawii)
No to musisz obserwować i spróbować z czymś skojarzyć, dostarczyć więcej informacji.

-
- Świeżak
- Posty: 5
- Rejestracja: 3 paź 2019, o 09:55
- Reputacja: 0
- Imię: Tomek
- Samochód: Cruze
- Silnik: 1.4T 140KM
- Lokalizacja: Kraków
- Kontakt:
Re: CSO - układ do dezaktywacji świateł mijania(skandynawii)
Cześć Panowie,
wiem, że już trochę czasu minęło od tematów tworzenia układów do dezaktywacji skandynawii itd.
Przeczytałem większość postów odnośnie tego tematu, jednak w dalszym ciagu mam pewne wątpliwośći.
Mam Cruze'a 2013 LTZ z czujnikiem zmierzchu oraz AUTO w przełączniku + skandynawia.
Nie mam możliwości wyłączenia świateł poprzez dwuklik - chyba, że coś źle robię ale raczej nie.
Zamówiłem sobie ten układ na Ali: https://pl.aliexpress.com/item/32556355 ... 4c4dZhayDF
Zamontowałem i gdy samochód jest na ACC, to układ pięknie działa, jednak pod odpaleniu silnika, układ już nie działa - tylko raz mrugnie światłami, na desce jest informacja o wyłączeniu/ włączeniu trybu automatycznego i tyle.
Mam jeszcze zamontowane te LEDy: https://pl.aliexpress.com/item/32774276 ... 4c4dZhayDF
Niestety muszę przełączać na światła postojowe aby z nimi jeździć.
Czy jest jakiś sposób/ moduł aby wyłączyć te cholerne światła najlepiej z trybem AUTO? (pomijając ASO, które już chyba tego rozumiem nie robi?).
Dziękuję za wsparcie
wiem, że już trochę czasu minęło od tematów tworzenia układów do dezaktywacji skandynawii itd.
Przeczytałem większość postów odnośnie tego tematu, jednak w dalszym ciagu mam pewne wątpliwośći.
Mam Cruze'a 2013 LTZ z czujnikiem zmierzchu oraz AUTO w przełączniku + skandynawia.
Nie mam możliwości wyłączenia świateł poprzez dwuklik - chyba, że coś źle robię ale raczej nie.
Zamówiłem sobie ten układ na Ali: https://pl.aliexpress.com/item/32556355 ... 4c4dZhayDF
Zamontowałem i gdy samochód jest na ACC, to układ pięknie działa, jednak pod odpaleniu silnika, układ już nie działa - tylko raz mrugnie światłami, na desce jest informacja o wyłączeniu/ włączeniu trybu automatycznego i tyle.
Mam jeszcze zamontowane te LEDy: https://pl.aliexpress.com/item/32774276 ... 4c4dZhayDF
Niestety muszę przełączać na światła postojowe aby z nimi jeździć.
Czy jest jakiś sposób/ moduł aby wyłączyć te cholerne światła najlepiej z trybem AUTO? (pomijając ASO, które już chyba tego rozumiem nie robi?).
Dziękuję za wsparcie

-
- Świeżak
- Posty: 30
- Rejestracja: 1 sie 2014, o 20:11
- Reputacja: 2
- Imię: Miet
- Samochód: Orlando
- Silnik:
- Lokalizacja: Bierun
- Kontakt:
Re: CSO - układ do dezaktywacji świateł mijania(skandynawii)
Witam.
Widzę, że temat długo wałkowany to jednak wygasł. Kiedyś obiecywałem, że jak dostąpię wolnego czasu to pochylę się również nad tematem. Konkretnie w Olku z fabrycznym czujnikiem oświetlenia i braku wyłączenia świateł mijania w poz. OFF.
W związku z tym aby nie tracić czasu na pomiary i grzebanie w instalacji, miał bym takie pytania do tu dyskutujących. Czy ktoś wie jakie są napięcia progowe - górne i dolne przełączania podświetlania kokpitu i ekranu nawigacji w zaciemnieniu i oświetleniu. Drugie pytanie: w jakim punkcie instalacji to napięcie najwygodniej sczytać czyli podłączyć komparator.
W skrócie powiem, że do działania wykorzystuję istniejący układ załączania świateł mijania po rozruchu i oryginalny, fabryczny czujnik oświetlenia. Po sprawdzeniu wrzucę schemat na forum. Układ jest prosty.
Pozdrawiam.
Widzę, że temat długo wałkowany to jednak wygasł. Kiedyś obiecywałem, że jak dostąpię wolnego czasu to pochylę się również nad tematem. Konkretnie w Olku z fabrycznym czujnikiem oświetlenia i braku wyłączenia świateł mijania w poz. OFF.
W związku z tym aby nie tracić czasu na pomiary i grzebanie w instalacji, miał bym takie pytania do tu dyskutujących. Czy ktoś wie jakie są napięcia progowe - górne i dolne przełączania podświetlania kokpitu i ekranu nawigacji w zaciemnieniu i oświetleniu. Drugie pytanie: w jakim punkcie instalacji to napięcie najwygodniej sczytać czyli podłączyć komparator.
W skrócie powiem, że do działania wykorzystuję istniejący układ załączania świateł mijania po rozruchu i oryginalny, fabryczny czujnik oświetlenia. Po sprawdzeniu wrzucę schemat na forum. Układ jest prosty.
Pozdrawiam.
- wszim
- Zasłużony dla forum
- Posty: 15495
- Rejestracja: 10 paź 2013, o 22:04
- Reputacja: 146
- Imię: Wojtek
- Samochód: był orlando
- Silnik: 1.8 2H0 141KM (KL7)
- LPG: BRC SQ24
- Inny samochód: toyota RAV4 2.5 hybrid 4x4 222KM
- Lokalizacja: Nowy Sącz
- Kontakt:
Re: CSO - układ do dezaktywacji świateł mijania(skandynawii)
Obawiam się, że nikt tego nie rozkminiał.

- etac
- Prezes
- Posty: 24968
- Rejestracja: 4 sie 2013, o 00:31
- Reputacja: 300
- Imię: Krzysztof
- Samochód: Opel Astra L ST
- Silnik: 1.2T Pure Tech
- LPG: NIE
- Inny samochód: Yamaha X-MAX Tech Max
- Lokalizacja: SBE
- Kontakt:
Re: CSO - układ do dezaktywacji świateł mijania(skandynawii)
z barus mieliśmy pomiary, ale Ja już nie pamiętam.
Lekcje prywatne są odpłatne, pytania na forum są darmowe
-
- Świeżak
- Posty: 30
- Rejestracja: 1 sie 2014, o 20:11
- Reputacja: 2
- Imię: Miet
- Samochód: Orlando
- Silnik:
- Lokalizacja: Bierun
- Kontakt:
Re: CSO - układ do dezaktywacji świateł mijania(skandynawii)
Witam.
Wracając do ostatniego postu stwierdziłem, że na podwieszonym na rezystorze wejściu do sterownika z czujnika oświetlenia napięcie zmienia się od 1,98 V do 2,24 V. Widocznie sterownik ma na tyle precyzyjną elektronikę, że ten rozrzut wystarcza mu na wysterowanie podświetlania. Być może obrabia ten sygnał prądowo. W związku z tym, chciałem postawić poprzednie pytanie może w innym znaczeniu. Mianowicie, czy ktoś z pracujących z tym samochodem po stronie elektrycznej, mógłby doradzić gdzie najłatwiej się dostać do miejsca gdzie można by mierzyć napięcie na wyświetlaczu nawigacji lub wyświetlaczu na tablicy przyrządów. Na zasilaniu tych dwóch elementów na pewno będzie większy rozrzut napięcia w stanie jasnym a przyciemnionym. Sądzę, że to napięcie powinno być wysyłane już z modułu nadwozia. Ma ktoś doświadczenie w tej materii?
Pozdrawiam.
Wracając do ostatniego postu stwierdziłem, że na podwieszonym na rezystorze wejściu do sterownika z czujnika oświetlenia napięcie zmienia się od 1,98 V do 2,24 V. Widocznie sterownik ma na tyle precyzyjną elektronikę, że ten rozrzut wystarcza mu na wysterowanie podświetlania. Być może obrabia ten sygnał prądowo. W związku z tym, chciałem postawić poprzednie pytanie może w innym znaczeniu. Mianowicie, czy ktoś z pracujących z tym samochodem po stronie elektrycznej, mógłby doradzić gdzie najłatwiej się dostać do miejsca gdzie można by mierzyć napięcie na wyświetlaczu nawigacji lub wyświetlaczu na tablicy przyrządów. Na zasilaniu tych dwóch elementów na pewno będzie większy rozrzut napięcia w stanie jasnym a przyciemnionym. Sądzę, że to napięcie powinno być wysyłane już z modułu nadwozia. Ma ktoś doświadczenie w tej materii?
Pozdrawiam.
- wszim
- Zasłużony dla forum
- Posty: 15495
- Rejestracja: 10 paź 2013, o 22:04
- Reputacja: 146
- Imię: Wojtek
- Samochód: był orlando
- Silnik: 1.8 2H0 141KM (KL7)
- LPG: BRC SQ24
- Inny samochód: toyota RAV4 2.5 hybrid 4x4 222KM
- Lokalizacja: Nowy Sącz
- Kontakt:
Re: CSO - układ do dezaktywacji świateł mijania(skandynawii)
Na żadnym z wymienionych. Ten sygnał jest dostarczany do głównego komputera czyli BCM. Nigdzie indziej. I to on o wszystkim decyduje.

-
- Świeżak
- Posty: 30
- Rejestracja: 1 sie 2014, o 20:11
- Reputacja: 2
- Imię: Miet
- Samochód: Orlando
- Silnik:
- Lokalizacja: Bierun
- Kontakt:
Re: CSO - układ do dezaktywacji świateł mijania(skandynawii)
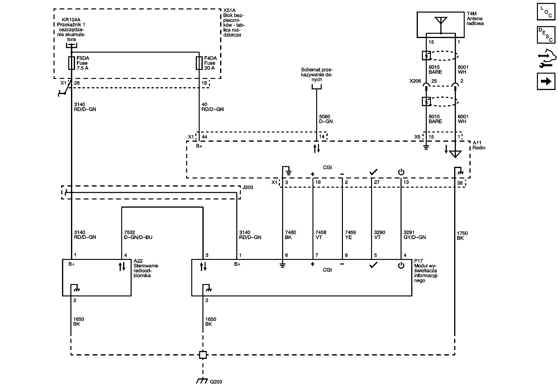
Chyba nie do końca się rozumiemy. Ja wiem, że sygnał z czujnika oświetlenia jest obrabiany przez BCM bo na wejściu BCM mierzyłem jego wartość napięciową. Na jego podstawie, najprawdopodobniej informacja w postaci cyfrowej dostarczana jest do modułu licznika i wyświetlacza nawigacji, (mają jakieś oznaczenia literowe), i chodzi mi o to czy to zmieniające się napięcie podświetlenia można gdzieś wychwycić na zaciskach tych modułów czy też wszystko odbywa się wewnątrz a napięcie zasilania przychodzi niezmienne. Bo zasilanie te moduły mają. Zastanawiam się czy punkty CGI 7 i 8 na wyświetlaczu informacyjnym, to nie są czasem te punkty na których można wychwycić to zmieniające się napięcie sterowane przez BCM. Może ma ktoś to rozebrane i byłby w stanie to stwierdzić? Załączam schemat.
- wszim
- Zasłużony dla forum
- Posty: 15495
- Rejestracja: 10 paź 2013, o 22:04
- Reputacja: 146
- Imię: Wojtek
- Samochód: był orlando
- Silnik: 1.8 2H0 141KM (KL7)
- LPG: BRC SQ24
- Inny samochód: toyota RAV4 2.5 hybrid 4x4 222KM
- Lokalizacja: Nowy Sącz
- Kontakt:
Re: CSO - układ do dezaktywacji świateł mijania(skandynawii)
Punkty CGI 7 i 8 to nie są punkty zasilania podświetlenia ani w ogóle zasilania. Generalnie zmiana wszelakiej jasności podświetleń nie jest realizowana przez zmiany wartości napięcia zasilania lecz sygnałem prostokątnym PWM o odpowiednim wypełnieniu. Wszystkie podświetlenia są w technologii LED, piktogramy, ekrany i takiego "cyfrowego" rozwiązania wymagają. Ale także żarówki (np wyciemnianie lampy kabinowej) są sterowane PWM. Stabilizacja zasilania lamp pozycyjnych i mijania także.

-
- Świeżak
- Posty: 30
- Rejestracja: 1 sie 2014, o 20:11
- Reputacja: 2
- Imię: Miet
- Samochód: Orlando
- Silnik:
- Lokalizacja: Bierun
- Kontakt:
Re: CSO - układ do dezaktywacji świateł mijania(skandynawii)
Tego się spodziewałem, gdyż na którymś ze schematów przy wyjściach ze sterownika jest symbol impulsów prostokątnych. I tak jak mówisz jasność będzie zależna od długości impulsu przy stałej amplitudzie. Dzięki za info.
-
- Świeżak
- Posty: 30
- Rejestracja: 1 sie 2014, o 20:11
- Reputacja: 2
- Imię: Miet
- Samochód: Orlando
- Silnik:
- Lokalizacja: Bierun
- Kontakt:
Re: CSO - układ do dezaktywacji świateł mijania(skandynawii)
Witam.
Zgodnie z dawną obietnicą, że jak dostąpię odpowiedniej ilości czasu i minie gwarancja, to pochylę się nad tematem RDL w Orlando z nie dającą się wyłączyć tzw. skandynawią. Czyli koncepcja opiera się na filozoficznym podejściu, że jak się ma co się nie lubi, to trzeba to polubić. (Sprawdziłem w kilku serwisach i nie wyłączają już skandynawi. Powód? Duże koszty autoryzacji przez GM).
Na wstępie powiem o założeniach jakie przyjąłem do realizacji układu i wrzucę fotki zainstalowanych i działających już elementów układu. Schemat i dokładny opis zamieszczę nieco później, gdy wyrysuję go w formie odpowiednio estetycznej i przejrzystej. Bieżący jest wizualnie dość zmęczony i z projektowymi poprawkami. Odpalony układ działa wg. mnie bardzo dobrze. Kosztowo nie jest drogi a ingerencja w instalację nie wielka i w miarę wygodna, co było jednym z założeń wykonania układu. Do realizacji w wersji jaką zastosowałem u siebie potrzebne dwa przekaźniki:https://allegro.pl/oferta/przekaznik-sa ... ZjNlM2Q%3D , jeden przekaźnik R15-4p ( też są jeszcze tanie na Allegro) i dwa komparatory napięcia: https://allegro.pl/oferta/przekaznik-12 ... MTYwYzM%3D.
O elementach łączeniowych nie będę się rozpisywał bo pewnie każdy zastosuje swoją koncepcję.
Założenia to:
1. Zgodność z obowiązującymi przepisami. Czyli świecą tylko dzienne.
2. Minimalna ingerencja w instalację.
3. Maksymalnie prosty i materiałochłonny układ.
4. Wykorzystanie tego co fabryka dała.
5. Działanie włączania i wyłączania DRL powiązane z działaniem fabrycznego czujnika oświetlenia otoczenia. ( przyjąłem progi zadziałania takie jak fabryka przyjęła do ściemniania i rozjaśniania ekranu nawigacji. Dzięki zastosowanym komparatorom, jest możliwe ustawienie zwłoki czasowej zadziałania układu, oddzielnie dla załączenia jak i wyłączenia DRL).
Zgodnie z dawną obietnicą, że jak dostąpię odpowiedniej ilości czasu i minie gwarancja, to pochylę się nad tematem RDL w Orlando z nie dającą się wyłączyć tzw. skandynawią. Czyli koncepcja opiera się na filozoficznym podejściu, że jak się ma co się nie lubi, to trzeba to polubić. (Sprawdziłem w kilku serwisach i nie wyłączają już skandynawi. Powód? Duże koszty autoryzacji przez GM).
Na wstępie powiem o założeniach jakie przyjąłem do realizacji układu i wrzucę fotki zainstalowanych i działających już elementów układu. Schemat i dokładny opis zamieszczę nieco później, gdy wyrysuję go w formie odpowiednio estetycznej i przejrzystej. Bieżący jest wizualnie dość zmęczony i z projektowymi poprawkami. Odpalony układ działa wg. mnie bardzo dobrze. Kosztowo nie jest drogi a ingerencja w instalację nie wielka i w miarę wygodna, co było jednym z założeń wykonania układu. Do realizacji w wersji jaką zastosowałem u siebie potrzebne dwa przekaźniki:https://allegro.pl/oferta/przekaznik-sa ... ZjNlM2Q%3D , jeden przekaźnik R15-4p ( też są jeszcze tanie na Allegro) i dwa komparatory napięcia: https://allegro.pl/oferta/przekaznik-12 ... MTYwYzM%3D.
O elementach łączeniowych nie będę się rozpisywał bo pewnie każdy zastosuje swoją koncepcję.
Założenia to:
1. Zgodność z obowiązującymi przepisami. Czyli świecą tylko dzienne.
2. Minimalna ingerencja w instalację.
3. Maksymalnie prosty i materiałochłonny układ.
4. Wykorzystanie tego co fabryka dała.
5. Działanie włączania i wyłączania DRL powiązane z działaniem fabrycznego czujnika oświetlenia otoczenia. ( przyjąłem progi zadziałania takie jak fabryka przyjęła do ściemniania i rozjaśniania ekranu nawigacji. Dzięki zastosowanym komparatorom, jest możliwe ustawienie zwłoki czasowej zadziałania układu, oddzielnie dla załączenia jak i wyłączenia DRL).
Ostatnio zmieniony 12 sie 2021, o 20:37 przez miet147, łącznie zmieniany 1 raz.
- etac
- Prezes
- Posty: 24968
- Rejestracja: 4 sie 2013, o 00:31
- Reputacja: 300
- Imię: Krzysztof
- Samochód: Opel Astra L ST
- Silnik: 1.2T Pure Tech
- LPG: NIE
- Inny samochód: Yamaha X-MAX Tech Max
- Lokalizacja: SBE
- Kontakt:
Re: CSO - układ do dezaktywacji świateł mijania(skandynawii)
ale da się to zrobić już poza ASO, niestety ale koszt wciąż nie jest niski, ale niżej niż połowa kosztów z ASO.
Lekcje prywatne są odpłatne, pytania na forum są darmowe
- bubu1769
- Administrator
- Posty: 6869
- Rejestracja: 5 wrz 2018, o 16:40
- Reputacja: 457
- Imię: Bartłomiej
- Samochód: Aveo T250
- Silnik: 1.4 101KM
- Inny samochód: Orlando 1.4T, Meriva A 1.8
- Lokalizacja: Kalisz
- Kontakt:
Re: CSO - układ do dezaktywacji świateł mijania(skandynawii)
Skoro znasz już progi to nie lepiej by było to zrobić na Arduino?
-
- Świeżak
- Posty: 30
- Rejestracja: 1 sie 2014, o 20:11
- Reputacja: 2
- Imię: Miet
- Samochód: Orlando
- Silnik:
- Lokalizacja: Bierun
- Kontakt:
Re: CSO - układ do dezaktywacji świateł mijania(skandynawii)
Ale po przeanalizowaniu wszystkiego doszedłem do wniosku, że sporo z tej skandynawi można wykorzystać czyli polubić. Np nie musimy się już martwić aby DRL włączały się po uruchomieniu silnika, czyli od rozpoczęcia procesu ładowania akumulatora.
Dodano po 3 minutach 47 sekundach:
Dodano po 3 minutach 47 sekundach:
Pokaż koncepcję do porównania to Ci odpowiem.
Ostatnio zmieniony 12 sie 2021, o 21:35 przez miet147, łącznie zmieniany 1 raz.
Kto jest online
Użytkownicy przeglądający to forum: Obecnie na forum nie ma żadnego zarejestrowanego użytkownika i 1 gość