Włącznik światła cofania/wstecznego biegu

Nie świeci, nie kręci i inne tematy związane z elektryką i elektroniką
dessal
Wymiatacz
Posty: 1096
Rejestracja: 26 kwie 2015, o 21:30
Reputacja: 1
Imię: Piotr
Samochód: Lacetti 2.0TCDI
Silnik:
Lokalizacja: Wawa Tarcho
Kontakt:

Włącznik światła cofania/wstecznego biegu

Post autor: dessal » 14 cze 2017, o 15:18

Czy ktoś z kolegów może potwierdzić lub zaprzeczyć czy włącznik o nr OE 96192077 jest właściwy do mojego pojazdu ? nr VIN w podpisie ; ewentualnie jeszcze jego umiejscowienie w skrzyni interesuje mnie niezmiernie, bo nie wiem czy bez kanału się obejdzie, mój odmawia kolaboracji, włącza się jak mu się zachce, raz na kilka włączeń
Pozdrawiam Piotr
VIN KL1NF35UJ7K644339

chrobot
Specjalista
Posty: 440
Rejestracja: 5 gru 2014, o 22:06
Reputacja: 40
Imię: jan
Samochód: lacetti
Silnik:
Lokalizacja: słupsk
Kontakt:

Re: Włącznik światła cofania/wstecznego biegu

Post autor: chrobot » 21 lip 2017, o 13:04

bez kanału tego włacznika nie wymienisz

Awatar użytkownika
XaRaDaS
Zasłużony dla forum
Posty: 7705
Rejestracja: 20 sie 2013, o 11:17
Reputacja: 9
Imię: Andrzej
Samochód: Orlando LTZ
Silnik: 1.8 2H0, 141 KM, benz.
Lokalizacja: WX
Kontakt:

Re: Włącznik światła cofania/wstecznego biegu

Post autor: XaRaDaS » 25 lip 2017, o 14:48

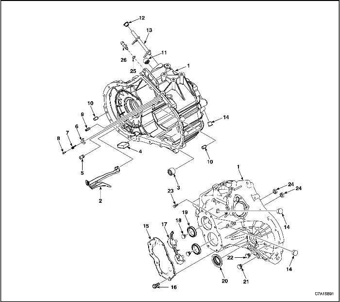
Piotrek tak jak gadaliśmy to masz rysunek poglądowy
Elementy obudowy mostu pędnego.png
Elementy obudowy mostu pędnego.png (22.07 KiB) Przejrzano 10227 razy
Nr. 26 to przełącznik świateł cofania.

Jak jeszcze coś znajdę to wrzucę ;)
złącze elektryczne przewodów wyłącznika światła cofania.png
złącze elektryczne przewodów wyłącznika światła cofania.png (22.79 KiB) Przejrzano 10227 razy
samo złącze

Bez kanału raczej może być ciężko.
wyłącznik świateł cofania.png
wyłącznik świateł cofania.png (19.07 KiB) Przejrzano 10227 razy
Sam wyłącznik

Bezpiecznik to F20, trzecia kolumna czwarty od góry bezpiecznik ;)

Tyle mi się udało ustalić.
Nie dyskutuj z debilem. Najpierw sprowadzi Cię do swojego poziomu, a potem pokona doświadczeniem...

dessal
Wymiatacz
Posty: 1096
Rejestracja: 26 kwie 2015, o 21:30
Reputacja: 1
Imię: Piotr
Samochód: Lacetti 2.0TCDI
Silnik:
Lokalizacja: Wawa Tarcho
Kontakt:

Re: Włącznik światła cofania/wstecznego biegu

Post autor: dessal » 25 lip 2017, o 16:16

i tak wielkie dzięki
Pozdrawiam Piotr
VIN KL1NF35UJ7K644339

Awatar użytkownika
Sebastian
Moderator
Posty: 4008
Rejestracja: 12 sie 2013, o 22:45
Reputacja: 51
Imię: Sebastian
Samochód: 2x Lacetti 1.4&1.6
Silnik:
Lokalizacja: Ruda Śląska
Kontakt:

Re: Włącznik światła cofania/wstecznego biegu

Post autor: Sebastian » 1 wrz 2017, o 12:46

Włącznik da się wymienić bez kanału. Zamontowany jest na skrzyni od strony przodu pojazdu, mniej/więcej w połowie skrzyni.
Serwisowanie, naprawa, montaż: klimatyzacji, wentylacji, systemów ogrzewania - kontakt PW.

Awatar użytkownika
robik
Zasłużony dla forum
Posty: 1506
Rejestracja: 28 cze 2014, o 16:08
Reputacja: 2
Imię: Robert
Samochód: Lacetti
Silnik: 1.6 109KM
LPG: LPGTECH
Lokalizacja: ŁÓDŹ
Kontakt:

Re: Włącznik światła cofania/wstecznego biegu

Post autor: robik » 2 wrz 2017, o 09:09

Miałem podobnie....wymiana 5 minut na parkingu pod blokiem i działa :ok:
Każdy wschód słońca...to dzień bliżej końca.

dessal
Wymiatacz
Posty: 1096
Rejestracja: 26 kwie 2015, o 21:30
Reputacja: 1
Imię: Piotr
Samochód: Lacetti 2.0TCDI
Silnik:
Lokalizacja: Wawa Tarcho
Kontakt:

Re: Włącznik światła cofania/wstecznego biegu

Post autor: dessal » 2 wrz 2017, o 12:45

może w "benzyniakach" w dieslu jest zawalone dojście ze wszystkich stron, wciąż nie wiem czy numer części jest prawidłowy...
Pozdrawiam Piotr
VIN KL1NF35UJ7K644339

Awatar użytkownika
etac
Prezes
Posty: 24968
Rejestracja: 4 sie 2013, o 00:31
Reputacja: 300
Imię: Krzysztof
Samochód: Opel Astra L ST
Silnik: 1.2T Pure Tech
LPG: NIE
Inny samochód: Yamaha X-MAX Tech Max
Lokalizacja: SBE
Kontakt:

Re: Włącznik światła cofania/wstecznego biegu

Post autor: etac » 2 wrz 2017, o 13:20

Tak, jest to numer prawidłowy.
Lekcje prywatne są odpłatne, pytania na forum są darmowe

dessal
Wymiatacz
Posty: 1096
Rejestracja: 26 kwie 2015, o 21:30
Reputacja: 1
Imię: Piotr
Samochód: Lacetti 2.0TCDI
Silnik:
Lokalizacja: Wawa Tarcho
Kontakt:

Re: Włącznik światła cofania/wstecznego biegu

Post autor: dessal » 2 wrz 2017, o 14:22

dziękuję, w sumie to teraz muszę już wymienić, całkiem nie działa, co powoduje rożne perturbacje, myślę również o podłączeniu dodatkowych świateł po bokach, żebym linie postojowe w lusterku widział przy cofaniu, i jakiegoś mocnego halogenu z tyłu w warunkach terenowych
Pozdrawiam Piotr
VIN KL1NF35UJ7K644339

Rafi
Świeżak
Posty: 6
Rejestracja: 15 cze 2022, o 15:57
Reputacja: 0
Imię: Rafał
Samochód: Lacetti
Silnik: 2.0 diesel
Lokalizacja: Tarnów
Kontakt:

Re: Włącznik światła cofania/wstecznego biegu

Post autor: Rafi » 20 cze 2022, o 09:54

XaRaDaS pisze:
25 lip 2017, o 14:48
Piotrek tak jak gadaliśmy to masz rysunek poglądowy

Elementy obudowy mostu pędnego.png

Nr. 26 to przełącznik świateł cofania.

Jak jeszcze coś znajdę to wrzucę ;)

złącze elektryczne przewodów wyłącznika światła cofania.png

samo złącze

Bez kanału raczej może być ciężko.

wyłącznik świateł cofania.png

Sam wyłącznik

Bezpiecznik to F20, trzecia kolumna czwarty od góry bezpiecznik ;)

Tyle mi się udało ustalić.
Witam, tez mam silnik 2,0 diesel i za cholere nie moge znaleźć gdzie jest ten czujnik, ja ze schematów to jest kiepski, może ktos jakieś zdjęcie wrzucić lub wytłumaczyc po "chłopsku" jak go znaleźć? :)

Awatar użytkownika
bubu1769
Administrator
Posty: 6869
Rejestracja: 5 wrz 2018, o 16:40
Reputacja: 457
Imię: Bartłomiej
Samochód: Aveo T250
Silnik: 1.4 101KM
Inny samochód: Orlando 1.4T, Meriva A 1.8
Lokalizacja: Kalisz
Kontakt:

Re: Włącznik światła cofania/wstecznego biegu

Post autor: bubu1769 » 20 cze 2022, o 10:01

sketch-1655712022512.png

Rafi
Świeżak
Posty: 6
Rejestracja: 15 cze 2022, o 15:57
Reputacja: 0
Imię: Rafał
Samochód: Lacetti
Silnik: 2.0 diesel
Lokalizacja: Tarnów
Kontakt:

Re: Włącznik światła cofania/wstecznego biegu

Post autor: Rafi » 20 cze 2022, o 10:03

Dziekuje bardzo :piwo3:

Dodano po 5 minutach 16 sekundach:
A jeszcze jedno, trzeba spuszczać olej żeby go wymienić?

Awatar użytkownika
bubu1769
Administrator
Posty: 6869
Rejestracja: 5 wrz 2018, o 16:40
Reputacja: 457
Imię: Bartłomiej
Samochód: Aveo T250
Silnik: 1.4 101KM
Inny samochód: Orlando 1.4T, Meriva A 1.8
Lokalizacja: Kalisz
Kontakt:

Re: Włącznik światła cofania/wstecznego biegu

Post autor: bubu1769 » 20 cze 2022, o 12:00

Nie.

Rafi
Świeżak
Posty: 6
Rejestracja: 15 cze 2022, o 15:57
Reputacja: 0
Imię: Rafał
Samochód: Lacetti
Silnik: 2.0 diesel
Lokalizacja: Tarnów
Kontakt:

Re: Włącznik światła cofania/wstecznego biegu

Post autor: Rafi » 20 cze 2022, o 18:31

Nie wiem, albo Ty mi pokazałeś nie tą skrzynię albo ja na coś innego patrze :) Czy ten czujnik ma 3 "piny" i wychodzą od niego 3 kable?

Dodano po 1 minucie 34 sekundach:

:)

Dodano po 1 minucie 41 sekundach:
To jest skrzynia od silnika 2,0 diesel
Załączniki
Skrzynia chevi.png
czujnik.jpg
czujnik.jpg

Awatar użytkownika
bubu1769
Administrator
Posty: 6869
Rejestracja: 5 wrz 2018, o 16:40
Reputacja: 457
Imię: Bartłomiej
Samochód: Aveo T250
Silnik: 1.4 101KM
Inny samochód: Orlando 1.4T, Meriva A 1.8
Lokalizacja: Kalisz
Kontakt:

Re: Włącznik światła cofania/wstecznego biegu

Post autor: bubu1769 » 20 cze 2022, o 18:51

To jest impulsator od prędkości, czujnik wstecznego jest bliżej wybieraka, a dokładniej pod nim.
Skrzynia chevi.png
Skrzynia chevi 2.png

Rafi
Świeżak
Posty: 6
Rejestracja: 15 cze 2022, o 15:57
Reputacja: 0
Imię: Rafał
Samochód: Lacetti
Silnik: 2.0 diesel
Lokalizacja: Tarnów
Kontakt:

Re: Włącznik światła cofania/wstecznego biegu

Post autor: Rafi » 20 cze 2022, o 18:55

No to teraz już wszystko jasne :) Dzieki wielkie, robisz kawał dobrej roboty, pozdrawiam.

lukaslacetti
Profesjonalista
Posty: 758
Rejestracja: 2 lut 2017, o 10:46
Reputacja: 23
Imię: Łukasz
Samochód: Lacetti
Silnik: 1.6 109KM
LPG: Stag 300 Premium
Lokalizacja: Wo
Kontakt:

Re: Włącznik światła cofania/wstecznego biegu

Post autor: lukaslacetti » 19 sie 2022, o 21:42

Witam, aby utrzymać porządek na forum podpinam się do tematu który pasuje do mojego problemu.
otoż może ktoś miał podobny problem lub jak by to nazwać podobną przypadłość w sumie w niczym nie przeszkadzającą.
Natomiast czujnik działa prawidłowo, zapala światło wsteczne ale gdy mam samą stacyjkę włączoną wbijam wsteczny a następnie wybijam na luz, włącza się ponownie pompa paliwa na ten sam chwilowy cykl co po włączeniu stacyjki.
Ktoś ma może schemat ? czy sam czujnik robi jakąś chwilową zware ? na może wspólej wiązce z pompą ? to wgl jest na wspólnej wiązce z pompą? z czym to ma wspólną wiązkę?
zaznaczam że dzieje sie to czasem nie za każdym razem, wiem bo zostawiając auto mam w zwyczaju zostawiać na biegu R a nie jak wszyscy to robią na biegu pierwszym.

Awatar użytkownika
bubu1769
Administrator
Posty: 6869
Rejestracja: 5 wrz 2018, o 16:40
Reputacja: 457
Imię: Bartłomiej
Samochód: Aveo T250
Silnik: 1.4 101KM
Inny samochód: Orlando 1.4T, Meriva A 1.8
Lokalizacja: Kalisz
Kontakt:

Re: Włącznik światła cofania/wstecznego biegu

Post autor: bubu1769 » 19 sie 2022, o 22:11

Ciekawa przypadłość.
Jutro jak będę miał chwilę to postaram się przejrzeć schematy, może znajdę coś pomocnego.

lukaslacetti
Profesjonalista
Posty: 758
Rejestracja: 2 lut 2017, o 10:46
Reputacja: 23
Imię: Łukasz
Samochód: Lacetti
Silnik: 1.6 109KM
LPG: Stag 300 Premium
Lokalizacja: Wo
Kontakt:

Re: Włącznik światła cofania/wstecznego biegu

Post autor: lukaslacetti » 19 sie 2022, o 22:34

Dodam że po włączeniu biegu wstecznego widać po kontrolkach widać delikatne przygasanie, pomimo w pełni naładowanego akumulatora napięcie spoczynkowe po odstaniu 2 dni od ładowania to 12.85V
może jakaś masa jest na tej lini która wymaga przeglądnięcia ?

Awatar użytkownika
bubu1769
Administrator
Posty: 6869
Rejestracja: 5 wrz 2018, o 16:40
Reputacja: 457
Imię: Bartłomiej
Samochód: Aveo T250
Silnik: 1.4 101KM
Inny samochód: Orlando 1.4T, Meriva A 1.8
Lokalizacja: Kalisz
Kontakt:

Re: Włącznik światła cofania/wstecznego biegu

Post autor: bubu1769 » 20 sie 2022, o 08:53

Na schematach w sumie nic pomocnego nie widzę.
Moim zdanie trzeba by przyjrzeć się wiązce idącej z komory silnika do kabiny, czy czasem nie jest uszkodzona.

lukaslacetti
Profesjonalista
Posty: 758
Rejestracja: 2 lut 2017, o 10:46
Reputacja: 23
Imię: Łukasz
Samochód: Lacetti
Silnik: 1.6 109KM
LPG: Stag 300 Premium
Lokalizacja: Wo
Kontakt:

Re: Włącznik światła cofania/wstecznego biegu

Post autor: lukaslacetti » 21 sie 2022, o 16:25

Na co zwrócic uwage i którędy ona idzie
Jakieś przetarcia ? Jezeli z tych rzeczy nic nie bedzie to pewnie pomiar kazdego kabelka ?
Najpierw wymienie ten czujnik dla pewności

maciek90dg
Świeżak
Posty: 3
Rejestracja: 21 lut 2024, o 09:10
Reputacja: 0
Imię: Maciej
Samochód: Cruze
Silnik: 1.6 124km
LPG: Tak
Lokalizacja: Bedzin
Kontakt:

Re: Włącznik światła cofania/wstecznego biegu

Post autor: maciek90dg » 23 lip 2024, o 12:20

Cruze 1.6 PB 2011r, Dzięki za wskazówki! Dzisiaj na parkingu 5 minut roboty i czujnik wymieniony, wszystko wróciło do normy.

markus444
Stały bywalec
Posty: 297
Rejestracja: 20 sty 2018, o 07:18
Reputacja: 11
Imię: Maciej
Samochód: Lacetti CDX
Silnik: 1,8 121KM f18d3 aut. Zf4hp16
LPG: BRC SQ32
Lokalizacja: Poznań
Kontakt:

Re: Włącznik światła cofania/wstecznego biegu

Post autor: markus444 » 11 wrz 2024, o 14:15

Witam.
Posępne się pod temat.
Mój problem to brak świateł cofania. Wymieniłem spalony bezpiecznik, żarówki sprawne. Nadal nie ma światła cofania.
Czy w automatycznej skrzyni jest czujnik cofania?

Awatar użytkownika
etac
Prezes
Posty: 24968
Rejestracja: 4 sie 2013, o 00:31
Reputacja: 300
Imię: Krzysztof
Samochód: Opel Astra L ST
Silnik: 1.2T Pure Tech
LPG: NIE
Inny samochód: Yamaha X-MAX Tech Max
Lokalizacja: SBE
Kontakt:

Re: Włącznik światła cofania/wstecznego biegu

Post autor: etac » 11 wrz 2024, o 16:25

jest, ale chyba to jest w selektorze
Lekcje prywatne są odpłatne, pytania na forum są darmowe

markus444
Stały bywalec
Posty: 297
Rejestracja: 20 sty 2018, o 07:18
Reputacja: 11
Imię: Maciej
Samochód: Lacetti CDX
Silnik: 1,8 121KM f18d3 aut. Zf4hp16
LPG: BRC SQ32
Lokalizacja: Poznań
Kontakt:

Re: Włącznik światła cofania/wstecznego biegu

Post autor: markus444 » 19 wrz 2024, o 21:18

Witam.
Dzisiaj wymontowałem selektor. Ukruszyła się zabezpieczenie kostki elektrycznej selektora. Jak ją zamontować z powrotem żeby się nie zsuwała z selektora? Macie jakiś patent?

ODPOWIEDZ

Wróć do „Lacetti/Nubira Elektryka / Elektronika”

Kto jest online

Użytkownicy przeglądający to forum: Obecnie na forum nie ma żadnego zarejestrowanego użytkownika i 1 gość