Dziwna przypadłość podczas jazdy

Nie świeci, nie kręci i inne tematy związane z elektryką i elektroniką
ODPOWIEDZ
john54
Świeżak
Posty: 1
Rejestracja: 15 cze 2019, o 15:20
Reputacja: 0
Imię: John
Samochód: Cruze LS
Silnik: Benzyna 1.6
LPG: BRC
Lokalizacja: Kraków
Kontakt:

Dziwna przypadłość podczas jazdy

Post autor: john54 » 15 cze 2019, o 15:32

Witam,

jest to mój pierwszy post na forum więc witam wszystkich :papa:

Ostatnio miałem dziwną przypadłość podczas jazdy moim cruze. Opiszę od początku.
Auto zawsze dobrze odpalało i nie było z nim problemu, po dłuższym postoju chciałem wsiadłem do samochodu odpalił bez problemu i pojechałem. Po niedługim kawałku może 1-2km, z autem zaczęły dziać się dziwne rzeczy. Piskło i wszystkie kontrolki zaświeciły się na desce rozdzielczej po czym zgasły (było to takie mignięcie). Kontynuowałem jazdę, ale znów to samo stało się tak 2-3 razy, potem cała deska rozdzielcza(nie kontrolki) zaczęła migać.

Zjechałem wyłączyłem silnik i chciałem go od razu uruchomić ponownie, nic się nie stało :( , żadna kontrolka się nie zaświeciła kompletnie nic. Wysiadłem z auta to nie mogłem zamknąć drzwi po naciśnięciu kluczyka, co dziwne światła przednie się świeciły nie wyłączyły się automatyczne. Po chwili przerwy 1-2min, po próbie uruchomienia auta zaświeciły się kontrolki rozrusznik się obrócił, ale samochód nie odpalił.

Auto zostało tak zostawione na parę godzin. Po tym czasie wsiadłem do samochodu odpalił bez problemu przejechałem taką samą trasę i nic się nie działo. Pojechałem potem na dłuższą trasę nadal nic samochód się spisuje bardzo dobrze.

Pytanie tylko co to mogło być, gdzie szukać przyczyny tego dziwnego zachowania ?

Bunioopl
Fachman
Posty: 5139
Rejestracja: 13 lis 2016, o 20:57
Reputacja: 45
Imię: Mariusz
Samochód: Orlando 1.8 LPG LT+
Silnik: 1.8 2HO, 141KM Pb
LPG: BRC SQ24 Genius 1500
Lokalizacja: Opole
Kontakt:

Re: Dzwina przypadłość podczas jazdy

Post autor: Bunioopl » 15 cze 2019, o 15:39

Szukaj masy. To znaczy barku styku na przewodach masowych. Podokręcaj wszystkie punkty.

Wysłane z mojego G8142 przy użyciu Tapatalka


barus
Wymiatacz
Posty: 1616
Rejestracja: 9 sty 2014, o 16:53
Reputacja: 35
Imię: Czesław
Samochód: Cruze1.8LT+Prem, LPG
Silnik:
Lokalizacja: Bielsko-B
Kontakt:

Re: Dzwina przypadłość podczas jazdy

Post autor: barus » 23 lis 2019, o 12:44

To dziwne zachowanie wskaźników przydarzyło się też mnie. Przebywając ostatnio w okolicach N. Sącza, jadąc do Nawojowej nagle zestaw wskaźników i wyświetlacz informacyjny kierowcy zaczęły świrować tj. dokładnie tak jak przy teście, kiedy uruchamiamy silnik. Kontrolki na przemian świeciły i gasły dosyć nieregularnie, wskaźnik poziomu PB, temp. cieczy, prędkościomierz, obrotomierz opadały do zera a wyświetlacz informacyjny kierowcy gasł. Zatrzymałem samochód, wyłączyłem zapłon – kontrolki zgasły.
Ruszyłem dalej w drogę i powtórka z rozrywki, dodatkowo brak dźwięku od włączenia kierunkowskazów. Znowu się zatrzymałem i sprawdzam czy w ogóle włączają się żarówki kierunkowskazów, bo w tym momencie nie wyłączałem silnika, a kontrolki zaczęły świecić ciągle, wszystkie wskaźniki na zero.
Kierunkowskazy działały mimo braku sygnału akustycznego w środku. W tym momencie wyłączenie zapłonu nie pomogło, kontrolki wciąż świeciły.
W takim stanie dojechałem do Nawojowej. Zamknąłem auto i pomyślałem sobie, że po 10 min wszystkie kontrolki zgasną. Bardzo się zdziwiłem, kiedy po godzinie wróciłem do auta, wszystko nadal świeciło jak choinka. Z tego wniosek, że zasilane są przed przekaźnikiem oszczędzania akumulatora. Nie miałem ze sobą nawet kombinerek, żeby klemę ściągnąć. :| Wróciłem do Znamirowic, przebrałem się i zabrałem się do szukania przyczyny usterki. W tym dniu jakieś fatum mnie dopadło, bo rano włączyłem laptopa i po chwili pokazał się niebieski ekran i koniec, padł dysk SSD z systemem, a w laptopie wszystkie schematy do Cruze. Może w tym dniu jakieś wybuchy na słońcu się uaktywniły czy co :ocochodzi: . Tak, że zacząłem szukać usterki trochę po omacku. Rozpocząłem od wyjmowania po kolei wszystkich bezpieczników w kabinę, na końcu został ostatni do sprawdzenia nr 21, „wskaźniki i przyrządy”, i bingo, kontrolki zgasły, odpalam silnik, wszystko działa jak należy. Od tej pory przejechałem ze 200km i nic się nie dzieje. I teraz pytanie, co było przyczyną tego zjawiska? :zastanawiasie:
Błąd modułu logicznego A90, błąd magistrali CAN (niższego rzędu), BCM, raczej wykluczam kiepski kontakt masy, bo to sprawdzałem. W przeszłości miałem już kłopot z IMO, na jednym kluczyku nie za każdym razem kręcił rozrusznikiem, ale po dwóch dniach wszystko wróciło do normy, raz zwiesił mi się komputer i nie było sterowania zdalnego radia z kierownicy, ale to też było dawno i tylko raz wystąpiło. Mogę powiedzieć, że u mnie raz na ruski rok jakieś błędy się pojawiają, nie wiadomo, z jakiego powodu?

Awatar użytkownika
dokia
fachowa i pyskata diablica
Posty: 4590
Rejestracja: 22 lip 2019, o 14:58
Reputacja: 126
Imię: Dorota
Samochód: Jaguar E-Pace 2020
Silnik: PB Jaguar Ingenium 2.0t 250KM
Lokalizacja: Mazury
Kontakt:

Re: Dzwina przypadłość podczas jazdy

Post autor: dokia » 23 lis 2019, o 13:00

U mnie takie cuda w poprzednim aucie skończyły się wymianą alternatora a potem akumulatora w jakiś miesiąc po alternatorze. To były jakby symptomy przepowiadające tych wymian, ale oczywiście nie byłam tego świadoma. Dopiero totalne unieruchomienie auta z powodu braku prądu przypomniało że wcześniej było to sygnalizowane przez auto w taki dziwny sposób.
Każdy, kogo spotykasz, toczy bitwę, o której nic nie wiesz. Bądź życzliwy. Zawsze.

Awatar użytkownika
bubu1769
Administrator
Posty: 6869
Rejestracja: 5 wrz 2018, o 16:40
Reputacja: 457
Imię: Bartłomiej
Samochód: Aveo T250
Silnik: 1.4 101KM
Inny samochód: Orlando 1.4T, Meriva A 1.8
Lokalizacja: Kalisz
Kontakt:

Re: Dzwina przypadłość podczas jazdy

Post autor: bubu1769 » 23 lis 2019, o 13:12

A tu moje przygody z Merivą teściowej:
https://www.elektroda.pl/rtvforum/viewt ... 9#17535619
Jak widać nie zawsze przyczyną jest zbyt niskie napięcie bo czasami jest wręcz odwrotnie.
Moim zdaniem warto mieć w samochodzie nawet najprostszy woltomierz od myfreandów, to daje dość dobry pogląd na to co się dzieje z zasilaniem.

senyan
Aktywny
Posty: 68
Rejestracja: 27 paź 2016, o 19:09
Reputacja: 0
Imię: Tomasz
Samochód: Cruze 1.6 LS
Silnik:
Lokalizacja: Toruń
Kontakt:

Re: Dzwina przypadłość podczas jazdy

Post autor: senyan » 24 lis 2019, o 17:07

Hy, chyba rzeczywiście wybuchy na słońcu, bo wczoraj mój cruze, też miał podobne objawy - w trakcie jazdy przygasało podświetlenie zegarów, po chwili mrugnięcie pół sekundy kontrolek, sygnał dźwiękowy jak przy błędzie i powrót do normy. I tak co jakiś czas, z tymże różne kontrolki migały. Żadnych błędów nie wywalało. Dziś rano wyczyściłem klemę i styk aku, no i przez 100 km i w mieście jak na razie nic. Ale nie wiem czy to wina masy, czy jutro też mnie czeka powtórka z rozrywki.

Awatar użytkownika
bubu1769
Administrator
Posty: 6869
Rejestracja: 5 wrz 2018, o 16:40
Reputacja: 457
Imię: Bartłomiej
Samochód: Aveo T250
Silnik: 1.4 101KM
Inny samochód: Orlando 1.4T, Meriva A 1.8
Lokalizacja: Kalisz
Kontakt:

Re: Dzwina przypadłość podczas jazdy

Post autor: bubu1769 » 24 lis 2019, o 17:19

Nie żadne wybuchy tylko zima idzie temperatura spada czego aku nie lubią i zaczyna się wyspy postów o dziwnym zachowaniu elektryki w samochodzie czego przyczyną dość często jest właśnie aku.

Awatar użytkownika
wszim
Zasłużony dla forum
Posty: 15495
Rejestracja: 10 paź 2013, o 22:04
Reputacja: 146
Imię: Wojtek
Samochód: był orlando
Silnik: 1.8 2H0 141KM (KL7)
LPG: BRC SQ24
Inny samochód: toyota RAV4 2.5 hybrid 4x4 222KM
Lokalizacja: Nowy Sącz
Kontakt:

Re: Dzwina przypadłość podczas jazdy

Post autor: wszim » 24 lis 2019, o 17:31

Chyba zbyt łatwo wszystko ukierunkowujesz na akumulator.
Obrazek Nie bądź obojętny na wojnę w Ukrainie.

Awatar użytkownika
bubu1769
Administrator
Posty: 6869
Rejestracja: 5 wrz 2018, o 16:40
Reputacja: 457
Imię: Bartłomiej
Samochód: Aveo T250
Silnik: 1.4 101KM
Inny samochód: Orlando 1.4T, Meriva A 1.8
Lokalizacja: Kalisz
Kontakt:

Re: Dzwina przypadłość podczas jazdy

Post autor: bubu1769 » 24 lis 2019, o 17:54

Bo o tej porze roku jest właśnie wysyp podobnych tematów czy to o dziwnym zachowaniu się elektryki podczas jazdy czy o problemach z odpalaniem i właśnie w dużej ilości przypadków aku jest winowajcą i to jest najłatwiej sprawdzić.
Jeśli po sprawdzeniu się okaże że akumulator i jego ładowanie jest dobre to można szukać dalej.
Problemy z elektryką gdy temperatura spada też nie są niczym niezwykłym bo właśnie w takich warunkach wszelkie niepewne połączenia czy zimne luty dają o sobie znać.
U mnie w T255 też sterowanie klimatyzacji cały rok pracuje dobrze a gdy nadchodzi ochłodzenie to zaczyn żyć własnym życiem, ale na razie nie chce mi się tego rozkręcać i robić.

ignacy57
Świeżak
Posty: 1
Rejestracja: 24 lis 2019, o 18:07
Reputacja: 0
Imię: Ignacy
Samochód: Cruze LS
Silnik: Benzyna 1.6 113KM
LPG: BRC
Lokalizacja: Kraków
Kontakt:

Re: Dzwina przypadłość podczas jazdy

Post autor: ignacy57 » 24 lis 2019, o 18:12

Witam wszystkich :)

to chyba rzeczywiście jakieś fatum :P. Od jakiegoś czasu w moim cruze też występują takie przypadki.
Ciężko zdiagnozować w czym problem bo błąd występuje od czasu do czasu ale jest bardzo denerwujący.
Ok 2 tygodni temu oddałem samochód do mechanika. Po podłączeniu komputera pokazywał się błąd pompy ABS. Mechanik uznał że pompa jest wrażliwa na skoki napięcia, dlatego przeczyścił wszystkie styki i kostki.
Styki na alternatorze podobno były skorodowane. Mechanik podejrzewa, że alternator pada. Dostałem takie
urządzenie do zapalniczki co pokazuje ile jest volt. I miałem obserwować. Dziś podczas jazdy znów pokazał się błąd. Napięcie z 13,9 skoczyło do 14,7. Potem podczas jazdy różnie skakało. Gdy dojechałem na miejsce zaparkowałem i wyłączyłem silnik. Natychmiast wszystko się wyłączyło. Co było dziwne bo zazwyczaj do otwarcia drzwi radio jeszcze gra.

Próbowałem odpalić zero reakcji. Wyciągnąłem kluczki ze stacyjki i jeszcze chwilę siedziałem w aucie.
Po ok. 2 min światła mijania same się zaświeciły. Wtedy ponownie spróbowałem odpalić, i udało się miernik
pokazał wtedy 15V. Również pokazał się błąd 95. Wyłączyłem i uruchomiłem ponownie dalej błąd 95.

Wyłączyłem samochód i światła. Poszedłem do domu. Po jakiś 40 minutach wróciłem do samochodu.
Wtedy już odpalił bez problemu, brak żadnych błędów, tylko napięcie nadal oscylowało w granicach 15V.

Jakieś sugestie co może powodować podobne problemy? Co mogę jeszcze sprawdzić?

kochar
Wymiatacz
Posty: 1583
Rejestracja: 6 paź 2016, o 17:13
Reputacja: 90
Imię: Jan
Samochód: ORLANDO 2.0l VCDI
Silnik: 163KM, diesel
Lokalizacja: Łódź

Re: Dzwina przypadłość podczas jazdy

Post autor: kochar » 24 lis 2019, o 18:22

Akumulator :D
*Nie jestem mechanikiem samochodowym! ;)

Awatar użytkownika
dokia
fachowa i pyskata diablica
Posty: 4590
Rejestracja: 22 lip 2019, o 14:58
Reputacja: 126
Imię: Dorota
Samochód: Jaguar E-Pace 2020
Silnik: PB Jaguar Ingenium 2.0t 250KM
Lokalizacja: Mazury
Kontakt:

Re: Dzwina przypadłość podczas jazdy

Post autor: dokia » 24 lis 2019, o 18:28

Fakt, jak akumulator ma już ileś latek to regulator utrzymuje wysokie napięcie podczas rozruchu i jakiś czas po. To znak, że na święta trzeba by autku zrobić prezent i nową baterię zakupić :)
Ignacy57, a twój Pan Mechanik to niech sprawdzi czy alternator ładuje aku tak jak powinien- powinien mieć do tego przyrządy, bo jak to wina alternatora, to zakupy mogą zrobić się z serii x2, czyli i alternator i akumulator. U mnie aku się rozwaliło od "kulejącego" alternatora. Ale na szczęście wytrzymał miesiąc jeszcze po wymianie alternatora i tym sposobem shoppinG rozłożyłam na dwa miesiące.
Każdy, kogo spotykasz, toczy bitwę, o której nic nie wiesz. Bądź życzliwy. Zawsze.

Awatar użytkownika
wszim
Zasłużony dla forum
Posty: 15495
Rejestracja: 10 paź 2013, o 22:04
Reputacja: 146
Imię: Wojtek
Samochód: był orlando
Silnik: 1.8 2H0 141KM (KL7)
LPG: BRC SQ24
Inny samochód: toyota RAV4 2.5 hybrid 4x4 222KM
Lokalizacja: Nowy Sącz
Kontakt:

Re: Dzwina przypadłość podczas jazdy

Post autor: wszim » 24 lis 2019, o 18:39

W Cruze nie ma klasycznego regulatora. Ładowaniem zawiaduje oprogramowanie komputera BCM. To tzw " inteligentne ładowanie", są u nas o tym wątki. To jest też powód, że napięcia rzędu 15V lub 12V na pracującym silniku są rzeczą naturalną.
Obrazek Nie bądź obojętny na wojnę w Ukrainie.

Awatar użytkownika
dokia
fachowa i pyskata diablica
Posty: 4590
Rejestracja: 22 lip 2019, o 14:58
Reputacja: 126
Imię: Dorota
Samochód: Jaguar E-Pace 2020
Silnik: PB Jaguar Ingenium 2.0t 250KM
Lokalizacja: Mazury
Kontakt:

Re: Dzwina przypadłość podczas jazdy

Post autor: dokia » 24 lis 2019, o 18:46

To u mnie pewnie też tak jest, bo też mam tak sporo na podglądzie, ale też być może i parę lat mojego akumulatora ma znaczenie. Wszak jestem tak podobna do Cruze i Malibu

PS. Czy możnaby pierwsze słowo z tytułu tego wątku zmienić na właściwe? 🙃🤗
Każdy, kogo spotykasz, toczy bitwę, o której nic nie wiesz. Bądź życzliwy. Zawsze.

barus
Wymiatacz
Posty: 1616
Rejestracja: 9 sty 2014, o 16:53
Reputacja: 35
Imię: Czesław
Samochód: Cruze1.8LT+Prem, LPG
Silnik:
Lokalizacja: Bielsko-B
Kontakt:

Re: Dziwna przypadłość podczas jazdy

Post autor: barus » 28 lis 2019, o 12:57

Od tamtego przypadku z gasnącymi kontrolkami nadal spokój, wszystko działa jak należy. Co do winy akumulatora to według mnie nie ma to związku z tym konkretnym przypadkiem. Ja od tego lata mam nowy akumulator, do tego u mnie w górnym pasku wyświetlacza radia mam ciągły podgląd napięcia akumulatora, a radio zawsze włączone podczas jazdy. Często zwracam uwagę na poziom tego napięcia i obserwuję jak regulator go zmienia w trakcie jazdy. Gdy stary akumulator już dogorywał to regulator utrzymywał napięcie prawie cały czas na ful, czyli 15V, teraz przy nowym aku tylko po odpaleniu na chwilę osiąga 15V a później je obniża, to tak w skrócie. U mnie ten przypadek z zaświecaniem/gaśnięciem kontrolek pojawił się pierwszy raz w tym aucie. Wygląda na to, że zgłupiał sterownik, ten od testowania kontrolek przy odpalaniu silnika, bo w moim przypadku dokładnie te same kontrolki i obrotomierz/prędkościomierz, wskaźniki + wyświetlacz gasły lub opadały, a później kontrolki świeciły ciągle a wskaźniki opadły. Po przerwaniu napięcia zasilania (bezpiecznik nr 21 w kabinie), wszystko wróciło do normy. Po wyłączeniu zapłonu i upłynięciu 10 min od zamknięcia samochodu te wskaźniki są nadal zasilane napięciem 12V. Być może coś zakłóciło pracę sterownika tych kontrolek, tyko, co? :ocochodzi: Z początku podejrzewałem usterkę stacyjki, chwilowa przerwa lub zwarcie na zestykach, ale skoro teraz jest wszystko w porządku to raczej wykluczam stacyjkę. :zastanawiasie:

barus
Wymiatacz
Posty: 1616
Rejestracja: 9 sty 2014, o 16:53
Reputacja: 35
Imię: Czesław
Samochód: Cruze1.8LT+Prem, LPG
Silnik:
Lokalizacja: Bielsko-B
Kontakt:

Re: Dziwna przypadłość podczas jazdy

Post autor: barus » 5 mar 2020, o 20:28

Ta przypadłość ze świrowaniem kontrolek, wskaźników na blacie u mnie po 3 miesiącach znowu się powtórzyła:( Jest to bardzo irytujące, bo w trakcie jazdy oprócz krzaczków pozostałych na małym wyświetlaczu znikają wszystkie wskazania lub są zamrożone. Z początku zaczynają nieregularnie migać kontrolki, czasem pojawia się sygnał akustyczny a później zwiesza się wszystko, chociaż zdarza się, że jeszcze któraś kontrolka mignie. Taki stan utrzymuje się i nie ustąpi po wyłączeniu zapłonu. Aby przywrócić te wskazania do normalności trzeba wyjąć bezpiecznik nr 21 w kabinie na kilka minut.
Być może usterka pojawia się w samej płytce wskaźników/konsoli, albo jest to błąd samego softu sterownika, skoro te podobne, nietypowe zachowania kontrolek dopadły już innych kolegów :zastanawiasie:

przemog685
Świeżak
Posty: 5
Rejestracja: 10 wrz 2023, o 18:35
Reputacja: 0
Imię: Przemek
Samochód: Cruze
Silnik: 124 KM
LPG: Tak
Lokalizacja: Nowy Sącz
Kontakt:

Re: Dziwna przypadłość podczas jazdy

Post autor: przemog685 » 10 wrz 2023, o 19:06

Czy rozwiązał ktoś już problem ze świrującymi kontrolkami na desce rozdzielczej ? mam nowy akumulator i alternator a dzieją się u mnie takie rzeczy ?

Awatar użytkownika
etac
Prezes
Posty: 24968
Rejestracja: 4 sie 2013, o 00:31
Reputacja: 300
Imię: Krzysztof
Samochód: Opel Astra L ST
Silnik: 1.2T Pure Tech
LPG: NIE
Inny samochód: Yamaha X-MAX Tech Max
Lokalizacja: SBE
Kontakt:

Re: Dziwna przypadłość podczas jazdy

Post autor: etac » 10 wrz 2023, o 19:13

sprawdź kabel masowy.
Lekcje prywatne są odpłatne, pytania na forum są darmowe

przemog685
Świeżak
Posty: 5
Rejestracja: 10 wrz 2023, o 18:35
Reputacja: 0
Imię: Przemek
Samochód: Cruze
Silnik: 124 KM
LPG: Tak
Lokalizacja: Nowy Sącz
Kontakt:

Re: Dziwna przypadłość podczas jazdy

Post autor: przemog685 » 11 wrz 2023, o 22:52

Kabel masowy ok dobrze zakręcony do kabiny, czy są jeszcze jakieś inne punkty masowe ?

Awatar użytkownika
bubu1769
Administrator
Posty: 6869
Rejestracja: 5 wrz 2018, o 16:40
Reputacja: 457
Imię: Bartłomiej
Samochód: Aveo T250
Silnik: 1.4 101KM
Inny samochód: Orlando 1.4T, Meriva A 1.8
Lokalizacja: Kalisz
Kontakt:

Re: Dziwna przypadłość podczas jazdy

Post autor: bubu1769 » 11 wrz 2023, o 23:24

Cos około 20.
Jutro jak będę miał chwilę to postaram się wstawić lokalizację tych najważniejszych.

przemog685
Świeżak
Posty: 5
Rejestracja: 10 wrz 2023, o 18:35
Reputacja: 0
Imię: Przemek
Samochód: Cruze
Silnik: 124 KM
LPG: Tak
Lokalizacja: Nowy Sącz
Kontakt:

Re: Dziwna przypadłość podczas jazdy

Post autor: przemog685 » 12 wrz 2023, o 00:29

Ok super by było bo mi ciężko by było zlokalizować gdzie one mogą być;)

Awatar użytkownika
bubu1769
Administrator
Posty: 6869
Rejestracja: 5 wrz 2018, o 16:40
Reputacja: 457
Imię: Bartłomiej
Samochód: Aveo T250
Silnik: 1.4 101KM
Inny samochód: Orlando 1.4T, Meriva A 1.8
Lokalizacja: Kalisz
Kontakt:

Re: Dziwna przypadłość podczas jazdy

Post autor: bubu1769 » 12 wrz 2023, o 17:15

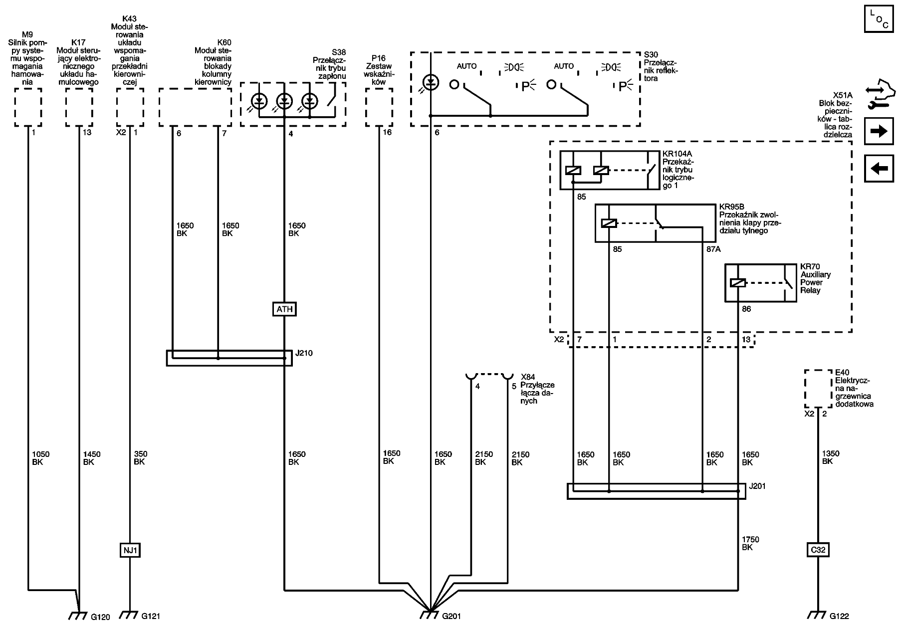
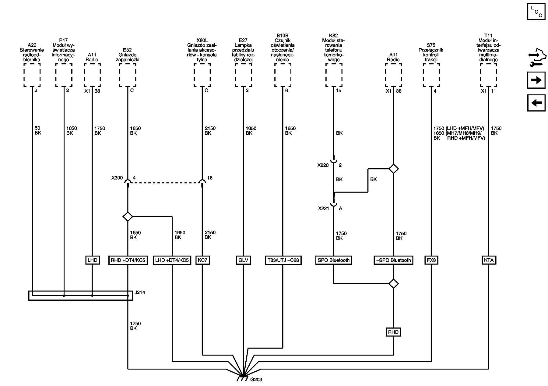
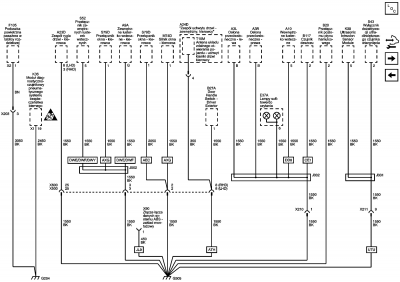
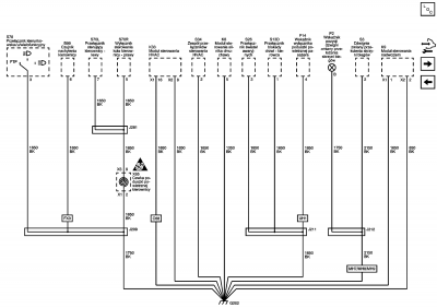
Tu masz schematy za co odpowiadają poszczególne masy w desce rozdzielczej
G201.png
G202.png
G203.png
G204.png
Oraz ich lokalizacje
G201.pdf
(88.23 KiB) Pobrany 68 razy
G202, G203, G204.pdf
(95.54 KiB) Pobrany 65 razy

przemog685
Świeżak
Posty: 5
Rejestracja: 10 wrz 2023, o 18:35
Reputacja: 0
Imię: Przemek
Samochód: Cruze
Silnik: 124 KM
LPG: Tak
Lokalizacja: Nowy Sącz
Kontakt:

Re: Dziwna przypadłość podczas jazdy

Post autor: przemog685 » 12 wrz 2023, o 20:34

Wielkie dzięki będę szukał :)

LS_plus
Bywalec
Posty: 120
Rejestracja: 22 wrz 2016, o 12:41
Reputacja: 0
Imię: Staszek
Samochód: CRUZE LS+ 1.8 Pb
Silnik: 1.8 (2H0) benz. + LPG
LPG: BRC SEQUENT 24
Lokalizacja: Warszawa
Kontakt:

Re: Dziwna przypadłość podczas jazdy

Post autor: LS_plus » 19 lut 2025, o 18:49

można prosić o informajce gdzie znajduje się punkt masowy G305 wymieniony w instrukcji

Awatar użytkownika
bubu1769
Administrator
Posty: 6869
Rejestracja: 5 wrz 2018, o 16:40
Reputacja: 457
Imię: Bartłomiej
Samochód: Aveo T250
Silnik: 1.4 101KM
Inny samochód: Orlando 1.4T, Meriva A 1.8
Lokalizacja: Kalisz
Kontakt:

Re: Dziwna przypadłość podczas jazdy

Post autor: bubu1769 » 19 lut 2025, o 19:00

G308, G400, G307, G305_.pdf
(82.01 KiB) Pobrany 17 razy

ODPOWIEDZ

Wróć do „Cruze Elektryka/Elektronika”

Kto jest online

Użytkownicy przeglądający to forum: Obecnie na forum nie ma żadnego zarejestrowanego użytkownika i 4 gości