Zapalniczka

Nie świeci, nie kręci i inne tematy związane z elektryką i elektroniką
ODPOWIEDZ
recart86
Świeżak
Posty: 7
Rejestracja: 30 paź 2021, o 01:21
Reputacja: 0
Imię: Paweł
Samochód: chevrolet cruze
Silnik: 1.8 141km
Lokalizacja: Krzeszów
Kontakt:

Zapalniczka

Post autor: recart86 » 27 lut 2022, o 13:22

Witam wszystkich.
Mam taki problem, mianowicie ostatnio podpinałem ładowarki do zapalniczki i pech chciał że były wadliwe i stało się że wywaliło mi bezpieczniki samochodzie. Wymieniłem je na nowe ale problem został to znaczy dalej nie reagują i nie ładują mi. Chcę wiedzieć czy jest jakieś jeszcze zabezpieczenie ich dodatkowe czy możliwe będzie dać i pociągnąć nowe kable. Czekam na podpowiedzi. Samochód Chevrolet Cruze 1.8 benzyna 2011 LS

Awatar użytkownika
bubu1769
Administrator
Posty: 6870
Rejestracja: 5 wrz 2018, o 16:40
Reputacja: 457
Imię: Bartłomiej
Samochód: Aveo T250
Silnik: 1.4 101KM
Inny samochód: Orlando 1.4T, Meriva A 1.8
Lokalizacja: Kalisz
Kontakt:

Re: Zapalniczka

Post autor: bubu1769 » 27 lut 2022, o 14:09

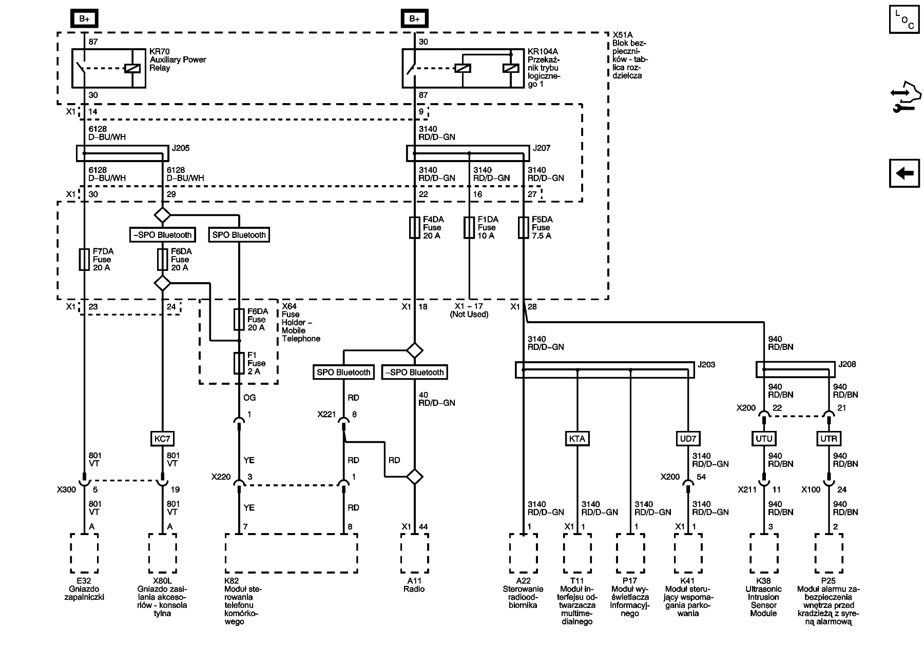
Które bezpieczniku wymieniłeś?
Od gniazd zapalniczek są F6DA i F7DA, dalej masz już tylko przekaźnik KR70 ale jest on wbudowany w BCM-a.
Sprawdź czy na tych bezpiecznik ach pojawią ci się napięcie.
2443734PL.png
Cruze skrzynka bezpieczników kabiny X51A.pdf
(80.13 KiB) Pobrany 74 razy

recart86
Świeżak
Posty: 7
Rejestracja: 30 paź 2021, o 01:21
Reputacja: 0
Imię: Paweł
Samochód: chevrolet cruze
Silnik: 1.8 141km
Lokalizacja: Krzeszów
Kontakt:

Re: Zapalniczka

Post autor: recart86 » 27 lut 2022, o 14:19

Te właśnie wymieniłem 20A i dalej nie ma reakcji

Awatar użytkownika
bubu1769
Administrator
Posty: 6870
Rejestracja: 5 wrz 2018, o 16:40
Reputacja: 457
Imię: Bartłomiej
Samochód: Aveo T250
Silnik: 1.4 101KM
Inny samochód: Orlando 1.4T, Meriva A 1.8
Lokalizacja: Kalisz
Kontakt:

Re: Zapalniczka

Post autor: bubu1769 » 27 lut 2022, o 14:39

To tak jak mówiłem, sprawdź czy masz na nich napięcie.

recart86
Świeżak
Posty: 7
Rejestracja: 30 paź 2021, o 01:21
Reputacja: 0
Imię: Paweł
Samochód: chevrolet cruze
Silnik: 1.8 141km
Lokalizacja: Krzeszów
Kontakt:

Re: Zapalniczka

Post autor: recart86 » 27 lut 2022, o 14:42

przekaźnik KR70 gdzie się znajduje?

Dodano po 35 minutach 10 sekundach:
Brak napięcia na tych bezpiecznikach.

Awatar użytkownika
bubu1769
Administrator
Posty: 6870
Rejestracja: 5 wrz 2018, o 16:40
Reputacja: 457
Imię: Bartłomiej
Samochód: Aveo T250
Silnik: 1.4 101KM
Inny samochód: Orlando 1.4T, Meriva A 1.8
Lokalizacja: Kalisz
Kontakt:

Re: Zapalniczka

Post autor: bubu1769 » 27 lut 2022, o 15:17

Tak jak pisałem jest on wbudowany w BCM, czyli moduł sterowania nadwozia.

recart86
Świeżak
Posty: 7
Rejestracja: 30 paź 2021, o 01:21
Reputacja: 0
Imię: Paweł
Samochód: chevrolet cruze
Silnik: 1.8 141km
Lokalizacja: Krzeszów
Kontakt:

Re: Zapalniczka

Post autor: recart86 » 27 lut 2022, o 15:29

Gdzie on się znajduje

Awatar użytkownika
bubu1769
Administrator
Posty: 6870
Rejestracja: 5 wrz 2018, o 16:40
Reputacja: 457
Imię: Bartłomiej
Samochód: Aveo T250
Silnik: 1.4 101KM
Inny samochód: Orlando 1.4T, Meriva A 1.8
Lokalizacja: Kalisz
Kontakt:

Re: Zapalniczka

Post autor: bubu1769 » 27 lut 2022, o 15:35

Trochę się zamotalem.
Nie w BCM tylko w module bezpieczników kabiny, tej przy kolumnie kierowniczej.
Przejrze jeszcze schematy z czego ten przekaźnik dostaje zasilanie.

recart86
Świeżak
Posty: 7
Rejestracja: 30 paź 2021, o 01:21
Reputacja: 0
Imię: Paweł
Samochód: chevrolet cruze
Silnik: 1.8 141km
Lokalizacja: Krzeszów
Kontakt:

Re: Zapalniczka

Post autor: recart86 » 27 lut 2022, o 15:40

więc czekam

Awatar użytkownika
bubu1769
Administrator
Posty: 6870
Rejestracja: 5 wrz 2018, o 16:40
Reputacja: 457
Imię: Bartłomiej
Samochód: Aveo T250
Silnik: 1.4 101KM
Inny samochód: Orlando 1.4T, Meriva A 1.8
Lokalizacja: Kalisz
Kontakt:

Re: Zapalniczka

Post autor: bubu1769 » 27 lut 2022, o 15:41

Ok.
Przekaźnik dostaje zasilanie z bezpiecznika na akumulatorze, ale jeśli on by strzelił to więcej rzeczy by nie działało.
Czyli problem może być w samym bloku bezpieczników kabiny.
2443718PL.png

Awatar użytkownika
zzzz
Wymiatacz
Posty: 1655
Rejestracja: 3 gru 2013, o 17:50
Reputacja: 41
Imię: Zbyszek
Samochód: Cruze HB LT+
Silnik: 1.8
LPG: BRC
Lokalizacja: SBE
Kontakt:

Re: Zapalniczka

Post autor: zzzz » 27 lut 2022, o 16:11

Styk w KR70 się upalił?

Awatar użytkownika
bubu1769
Administrator
Posty: 6870
Rejestracja: 5 wrz 2018, o 16:40
Reputacja: 457
Imię: Bartłomiej
Samochód: Aveo T250
Silnik: 1.4 101KM
Inny samochód: Orlando 1.4T, Meriva A 1.8
Lokalizacja: Kalisz
Kontakt:

Re: Zapalniczka

Post autor: bubu1769 » 27 lut 2022, o 16:29

To by było dość dziwne ale nie niemożliwe.
Najpierw warto sprawdzić same wtyczki od modułu bezpieczników.

recart86
Świeżak
Posty: 7
Rejestracja: 30 paź 2021, o 01:21
Reputacja: 0
Imię: Paweł
Samochód: chevrolet cruze
Silnik: 1.8 141km
Lokalizacja: Krzeszów
Kontakt:

Re: Zapalniczka

Post autor: recart86 » 27 lut 2022, o 16:46

Więc tak. Bezpieczniki są nowe założone ale po sprawdzeniu miernikiem na zapłonie nie ma napięcia. Nie dochodzi prąd. Po sprawdzeniu od zapalniczki do bezpieczników wewnątrz samochodu przejście jest idą dwa kable czarny i fioletowy. Fioiletowy pokazał przejście do bezpieczników ale nie mogłem znaleźć gdzie idzie drugi kabel od bezpiecznika czyli zielono-żólty pewnie idzie do komory silnika i teraz pytanie do którego bezpiecznika lub modułu idzie. Wszystkie bezpieczniki sprawdziłem od 2-30 i są ok. A bezpieczniki 40 z góry są ok bo widać wszystko. Na akumulatorze jest pełna kostka dużymi bezpiecznikami i raczej one nie mogły padnąć bo mają nawet 300a to naprawdę dużo. teraz pytanie gdzie ten kabel idzie. Nie mam schematu połaczeń bezpieczników.

Dodano po 1 minucie 12 sekundach:
jeszcze na skrzynce bezpieczników wewnątrz samochodu są na górze 3 duże przykażniki do czego one są?

Awatar użytkownika
etac
Prezes
Posty: 24970
Rejestracja: 4 sie 2013, o 00:31
Reputacja: 301
Imię: Krzysztof
Samochód: Opel Astra L ST
Silnik: 1.2T Pure Tech
LPG: NIE
Inny samochód: Yamaha X-MAX Tech Max
Lokalizacja: SBE
Kontakt:

Re: Zapalniczka

Post autor: etac » 27 lut 2022, o 16:57

Zobacz czy na bezpiecznikach masz napięcie.
Lekcje prywatne są odpłatne, pytania na forum są darmowe

Awatar użytkownika
bubu1769
Administrator
Posty: 6870
Rejestracja: 5 wrz 2018, o 16:40
Reputacja: 457
Imię: Bartłomiej
Samochód: Aveo T250
Silnik: 1.4 101KM
Inny samochód: Orlando 1.4T, Meriva A 1.8
Lokalizacja: Kalisz
Kontakt:

Re: Zapalniczka

Post autor: bubu1769 » 27 lut 2022, o 17:13

Sprawdzał, nie ma.
Jaki przewód żółto-zielony?
Nie widzę takiego na schematach od zapalniczki.

Awatar użytkownika
zzzz
Wymiatacz
Posty: 1655
Rejestracja: 3 gru 2013, o 17:50
Reputacja: 41
Imię: Zbyszek
Samochód: Cruze HB LT+
Silnik: 1.8
LPG: BRC
Lokalizacja: SBE
Kontakt:

Re: Zapalniczka

Post autor: zzzz » 27 lut 2022, o 17:18

recart86 spróbuj przy właczonym zapłonie wyjąć i włożyć ten KR70. Nasłuchuj czy ten przekaźnik klepie, łapie przy wkładaniu.

Awatar użytkownika
etac
Prezes
Posty: 24970
Rejestracja: 4 sie 2013, o 00:31
Reputacja: 301
Imię: Krzysztof
Samochód: Opel Astra L ST
Silnik: 1.2T Pure Tech
LPG: NIE
Inny samochód: Yamaha X-MAX Tech Max
Lokalizacja: SBE
Kontakt:

Re: Zapalniczka

Post autor: etac » 27 lut 2022, o 17:23

bubu1769 pisze:
27 lut 2022, o 17:13
Sprawdzał, nie ma.
Jaki przewód żółto-zielony?
Nie widzę takiego na schematach od zapalniczki.
no to uwalony jest bezpiecznik na klemie plusowej. Niestety tego nie widać.
Lekcje prywatne są odpłatne, pytania na forum są darmowe

Awatar użytkownika
bubu1769
Administrator
Posty: 6870
Rejestracja: 5 wrz 2018, o 16:40
Reputacja: 457
Imię: Bartłomiej
Samochód: Aveo T250
Silnik: 1.4 101KM
Inny samochód: Orlando 1.4T, Meriva A 1.8
Lokalizacja: Kalisz
Kontakt:

Re: Zapalniczka

Post autor: bubu1769 » 27 lut 2022, o 17:29

Ale on zasila jeszcze inne rzeczy więc nie tylko zapalniczki by nie działały.

recart86
Świeżak
Posty: 7
Rejestracja: 30 paź 2021, o 01:21
Reputacja: 0
Imię: Paweł
Samochód: chevrolet cruze
Silnik: 1.8 141km
Lokalizacja: Krzeszów
Kontakt:

Re: Zapalniczka

Post autor: recart86 » 27 lut 2022, o 20:57

Są na klemie 4 bezpieczniki prawdopodobnie 2x80a i 2x100a. Nie mam schematu a czy jeden z nich odpowiada tylko na zapalniczki skora wewnątrz samochodu aż jest 20a bezpiecznik?

Awatar użytkownika
bubu1769
Administrator
Posty: 6870
Rejestracja: 5 wrz 2018, o 16:40
Reputacja: 457
Imię: Bartłomiej
Samochód: Aveo T250
Silnik: 1.4 101KM
Inny samochód: Orlando 1.4T, Meriva A 1.8
Lokalizacja: Kalisz
Kontakt:

Re: Zapalniczka

Post autor: bubu1769 » 27 lut 2022, o 21:25

Przecież ci podawałem wcześniej schematy.

snoop406
Świeżak
Posty: 27
Rejestracja: 28 paź 2017, o 15:27
Reputacja: 0
Imię: Łukasz
Samochód: Cruze
Silnik: 1.6 113KM BENZYNA
Lokalizacja: Wałbrzych
Kontakt:

Re: Zapalniczka

Post autor: snoop406 » 24 cze 2023, o 11:18

Hej, podpinam się do tematu. Nie działa mi tylne gniazdo zapalniczki (Chevrolet Cruze sedan) bezpieczniki całe a napięcia na gnieździe brak.

Awatar użytkownika
bubu1769
Administrator
Posty: 6870
Rejestracja: 5 wrz 2018, o 16:40
Reputacja: 457
Imię: Bartłomiej
Samochód: Aveo T250
Silnik: 1.4 101KM
Inny samochód: Orlando 1.4T, Meriva A 1.8
Lokalizacja: Kalisz
Kontakt:

Re: Zapalniczka

Post autor: bubu1769 » 24 cze 2023, o 11:24

A sprawdzałeś wszystko co było podawane?

ODPOWIEDZ

Wróć do „Cruze Elektryka/Elektronika”

Kto jest online

Użytkownicy przeglądający to forum: Obecnie na forum nie ma żadnego zarejestrowanego użytkownika i 1 gość