Naprawa podświetlenia licznika - Diody Ice Blue SMD 3020

Nie świeci, nie kręci i inne tematy związane z elektryką i elektroniką
Awatar użytkownika
bubu1769
Administrator
Posty: 6869
Rejestracja: 5 wrz 2018, o 16:40
Reputacja: 457
Imię: Bartłomiej
Samochód: Aveo T250
Silnik: 1.4 101KM
Inny samochód: Orlando 1.4T, Meriva A 1.8
Lokalizacja: Kalisz
Kontakt:

Re: Naprawa podświetlenia licznika - Diody Ice Blue SMD 3020

Post autor: bubu1769 » 19 wrz 2024, o 08:40

https://www.olx.pl/d/oferta/diody-led-i ... ro_listing
W razie potrzeby mogę zmienić ilość.

andrzejo4
Bywalec
Posty: 165
Rejestracja: 23 lis 2023, o 09:16
Reputacja: 1
Imię: andrzej
Samochód: CRUZE
Silnik: 1.8
Lokalizacja: TARNOBRZEG
Kontakt:

Re: Naprawa podświetlenia licznika - Diody Ice Blue SMD 3020

Post autor: andrzejo4 » 19 wrz 2024, o 10:20

ile idzie diodek na podświetlenie prędkościomierza i obrotomierza ( skale)? te diody to są mniejsze, czy większe od oryginału jak pasują na pady

Awatar użytkownika
bubu1769
Administrator
Posty: 6869
Rejestracja: 5 wrz 2018, o 16:40
Reputacja: 457
Imię: Bartłomiej
Samochód: Aveo T250
Silnik: 1.4 101KM
Inny samochód: Orlando 1.4T, Meriva A 1.8
Lokalizacja: Kalisz
Kontakt:

Re: Naprawa podświetlenia licznika - Diody Ice Blue SMD 3020

Post autor: bubu1769 » 19 wrz 2024, o 10:47

Przejrzyj ten wątek od początku, masz tam pokazane wnętrze licznika.
Te diody co ja mam są od podświetlenia wyświetlacza, ale w temacie przewijały się chyba modele tych od wskaźników.

andrzejo4
Bywalec
Posty: 165
Rejestracja: 23 lis 2023, o 09:16
Reputacja: 1
Imię: andrzej
Samochód: CRUZE
Silnik: 1.8
Lokalizacja: TARNOBRZEG
Kontakt:

Re: Naprawa podświetlenia licznika - Diody Ice Blue SMD 3020

Post autor: andrzejo4 » 19 wrz 2024, o 11:45

przeglądnąłem wątek i nie znalazłem info o tych diodach do wskazówek. Twoje są do wyświetlacza czyli te kontowe tak?

Awatar użytkownika
bubu1769
Administrator
Posty: 6869
Rejestracja: 5 wrz 2018, o 16:40
Reputacja: 457
Imię: Bartłomiej
Samochód: Aveo T250
Silnik: 1.4 101KM
Inny samochód: Orlando 1.4T, Meriva A 1.8
Lokalizacja: Kalisz
Kontakt:

Re: Naprawa podświetlenia licznika - Diody Ice Blue SMD 3020

Post autor: bubu1769 » 19 wrz 2024, o 11:58

Tak, te moje są kątowe do wyświetlaczy.
Tu masz zdjęcia wnętrza licznika z ilością diod:
viewtopic.php?p=193905#p193905
Od tego momentu są podawane modele diod do wskaźników:
viewtopic.php?p=214483#p214483

andrzejo4
Bywalec
Posty: 165
Rejestracja: 23 lis 2023, o 09:16
Reputacja: 1
Imię: andrzej
Samochód: CRUZE
Silnik: 1.8
Lokalizacja: TARNOBRZEG
Kontakt:

Re: Naprawa podświetlenia licznika - Diody Ice Blue SMD 3020

Post autor: andrzejo4 » 19 wrz 2024, o 12:43

ok wydaje mi się że te będą dobre https://pl.aliexpress.com/item/32602400 ... pt=glo2pol
tylko zastanawiam się nad niebieskimi 0,06 w czy białymi 0,5 W. Powiedzcie jeszcze jak do tego licznika się dostać do samej płytki i na co zwrócić uwagę

Awatar użytkownika
bubu1769
Administrator
Posty: 6869
Rejestracja: 5 wrz 2018, o 16:40
Reputacja: 457
Imię: Bartłomiej
Samochód: Aveo T250
Silnik: 1.4 101KM
Inny samochód: Orlando 1.4T, Meriva A 1.8
Lokalizacja: Kalisz
Kontakt:

Re: Naprawa podświetlenia licznika - Diody Ice Blue SMD 3020

Post autor: bubu1769 » 19 wrz 2024, o 13:02

Inna wersja licznika ale technicznie powinno być to samo:
https://www.cruzetalk.com/threads/ever- ... ges.62497/

andrzejo4
Bywalec
Posty: 165
Rejestracja: 23 lis 2023, o 09:16
Reputacja: 1
Imię: andrzej
Samochód: CRUZE
Silnik: 1.8
Lokalizacja: TARNOBRZEG
Kontakt:

Re: Naprawa podświetlenia licznika - Diody Ice Blue SMD 3020

Post autor: andrzejo4 » 19 wrz 2024, o 13:44

wyczytałem ciekawostkę że jak coś się stanie z licznikiem to nie odpalę samochodu bo na tym liczniku jest vin ....Macie może opis pinów tego gazda na zegarach?

Awatar użytkownika
bubu1769
Administrator
Posty: 6869
Rejestracja: 5 wrz 2018, o 16:40
Reputacja: 457
Imię: Bartłomiej
Samochód: Aveo T250
Silnik: 1.4 101KM
Inny samochód: Orlando 1.4T, Meriva A 1.8
Lokalizacja: Kalisz
Kontakt:

Re: Naprawa podświetlenia licznika - Diody Ice Blue SMD 3020

Post autor: bubu1769 » 19 wrz 2024, o 14:25

Gdzie znalazłeś tą informację?
W liczniku jest wpisany numer VIN żeby mógł on komunikować się z pozostałymi elementami, ale chyba nie powinien on wpływać na możliwość uruchomienia samochodu.
Przy wymianie licznika, gdy nowy ma wpisany inny numer VIN, objaw ogranicza się chyba tylko to braku wskazań przebiegu.
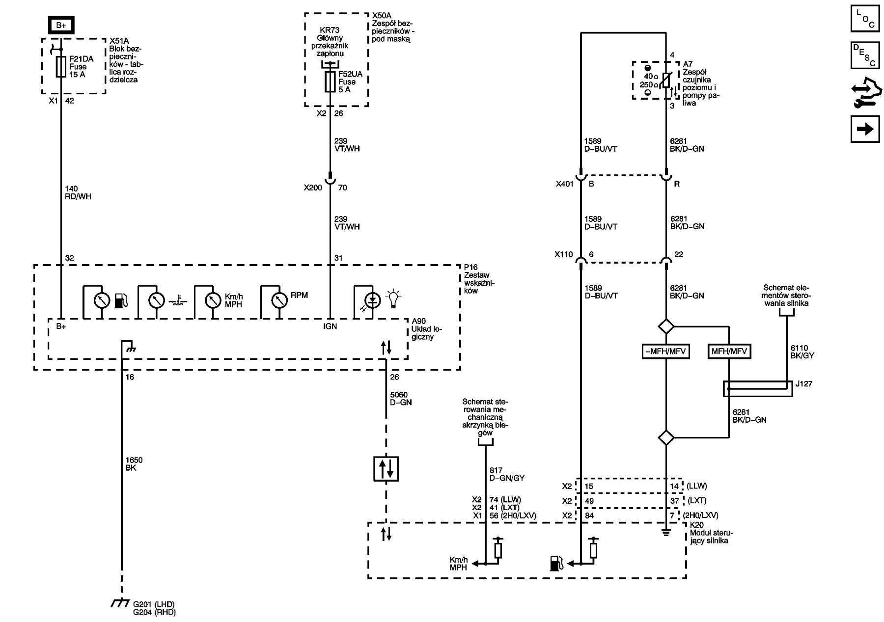
Cruze P16 Zestaw wskaźników_.pdf
(33.72 KiB) Pobrany 18 razy
2554825PL.png
2554827PL.png
2554826PL.png

andrzejo4
Bywalec
Posty: 165
Rejestracja: 23 lis 2023, o 09:16
Reputacja: 1
Imię: andrzej
Samochód: CRUZE
Silnik: 1.8
Lokalizacja: TARNOBRZEG
Kontakt:

Re: Naprawa podświetlenia licznika - Diody Ice Blue SMD 3020

Post autor: andrzejo4 » 20 wrz 2024, o 07:29

Z tego ci widzę to zasilanie licznika to jest pin 32 + i 16 masa tak?

Awatar użytkownika
bubu1769
Administrator
Posty: 6869
Rejestracja: 5 wrz 2018, o 16:40
Reputacja: 457
Imię: Bartłomiej
Samochód: Aveo T250
Silnik: 1.4 101KM
Inny samochód: Orlando 1.4T, Meriva A 1.8
Lokalizacja: Kalisz
Kontakt:

Re: Naprawa podświetlenia licznika - Diody Ice Blue SMD 3020

Post autor: bubu1769 » 20 wrz 2024, o 08:14

16 - masa
31 - zasilanie po stacyjce
32 - zasilanie stałe

Awatar użytkownika
etac
Prezes
Posty: 24968
Rejestracja: 4 sie 2013, o 00:31
Reputacja: 300
Imię: Krzysztof
Samochód: Opel Astra L ST
Silnik: 1.2T Pure Tech
LPG: NIE
Inny samochód: Yamaha X-MAX Tech Max
Lokalizacja: SBE
Kontakt:

Re: Naprawa podświetlenia licznika - Diody Ice Blue SMD 3020

Post autor: etac » 20 wrz 2024, o 08:23

andrzejo4 pisze:
19 wrz 2024, o 13:44
wyczytałem ciekawostkę że jak coś się stanie z licznikiem to nie odpalę samochodu bo na tym liczniku jest vin ....Macie może opis pinów tego gazda na zegarach?
Odpalisz, ale nie pokaże stanu licznika pojazdu, bo nie odczytać tego z bcm.
Po pewnym czasie zaczną się rzucać inne sterowniki ze im się pętla bezpieczeństwa nie zamyka.
Lekcje prywatne są odpłatne, pytania na forum są darmowe

andrzejo4
Bywalec
Posty: 165
Rejestracja: 23 lis 2023, o 09:16
Reputacja: 1
Imię: andrzej
Samochód: CRUZE
Silnik: 1.8
Lokalizacja: TARNOBRZEG
Kontakt:

Re: Naprawa podświetlenia licznika - Diody Ice Blue SMD 3020

Post autor: andrzejo4 » 20 wrz 2024, o 10:14

w tym linku autor posta pisze o tym że jak nie będzie zgodności vinu to samochód nie odpali https://www.cruzetalk.com/threads/62497

Awatar użytkownika
bubu1769
Administrator
Posty: 6869
Rejestracja: 5 wrz 2018, o 16:40
Reputacja: 457
Imię: Bartłomiej
Samochód: Aveo T250
Silnik: 1.4 101KM
Inny samochód: Orlando 1.4T, Meriva A 1.8
Lokalizacja: Kalisz
Kontakt:

Re: Naprawa podświetlenia licznika - Diody Ice Blue SMD 3020

Post autor: bubu1769 » 20 wrz 2024, o 10:27

Chodzi ci o ten fragment?
but I don't have a way to hook this up to a car and make sure it still works since rumor has it that clusters are VIN-locked and installing a non-matching one can leave you with a car that thinks you're trying to steal it and thus won't start
Jest to oparte na tej informacji:
https://www.cruzetalk.com/threads/do-no ... ules.5413/
Podejrzewam że to tylko straszne producenta żeby użytkownicy na własną rękę nie próbowali wymieniać części, które swoją drogą są awaryjne, na używane a montowali nowe w ASO.

Awatar użytkownika
etac
Prezes
Posty: 24968
Rejestracja: 4 sie 2013, o 00:31
Reputacja: 300
Imię: Krzysztof
Samochód: Opel Astra L ST
Silnik: 1.2T Pure Tech
LPG: NIE
Inny samochód: Yamaha X-MAX Tech Max
Lokalizacja: SBE
Kontakt:

Re: Naprawa podświetlenia licznika - Diody Ice Blue SMD 3020

Post autor: etac » 20 wrz 2024, o 22:41

andrzejo4 pisze:
20 wrz 2024, o 10:14
w tym linku autor posta pisze o tym że jak nie będzie zgodności vinu to samochód nie odpali https://www.cruzetalk.com/threads/62497
Nie wszystkie sterowniki blokują zapłon od razu.
Lekcje prywatne są odpłatne, pytania na forum są darmowe

andrzejo4
Bywalec
Posty: 165
Rejestracja: 23 lis 2023, o 09:16
Reputacja: 1
Imię: andrzej
Samochód: CRUZE
Silnik: 1.8
Lokalizacja: TARNOBRZEG
Kontakt:

Re: Naprawa podświetlenia licznika - Diody Ice Blue SMD 3020

Post autor: andrzejo4 » 22 wrz 2024, o 21:12

a macie jakieś dobry sposób na ściągnięcie tych strzałek bo nie chciałbym uwalić silniczka ...

Awatar użytkownika
etac
Prezes
Posty: 24968
Rejestracja: 4 sie 2013, o 00:31
Reputacja: 300
Imię: Krzysztof
Samochód: Opel Astra L ST
Silnik: 1.2T Pure Tech
LPG: NIE
Inny samochód: Yamaha X-MAX Tech Max
Lokalizacja: SBE
Kontakt:

Re: Naprawa podświetlenia licznika - Diody Ice Blue SMD 3020

Post autor: etac » 23 wrz 2024, o 10:38

Są różne, niektórzy zdejmują widelczykiem osłaniając tarcze wcześniej.
Lekcje prywatne są odpłatne, pytania na forum są darmowe

ODPOWIEDZ

Wróć do „Cruze Elektryka/Elektronika”

Kto jest online

Użytkownicy przeglądający to forum: Obecnie na forum nie ma żadnego zarejestrowanego użytkownika i 2 gości