Ostatnio naprawiłem klimatyzację, przejrzałem forum, obejrzałem youtuby ale gość od klimy zauważył pewną rzecz i nie widziałem nigdzie wskazówki pozwalającej na rozwiązanie nurtującego mnie problemu.
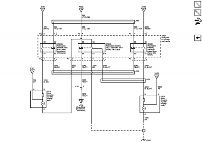
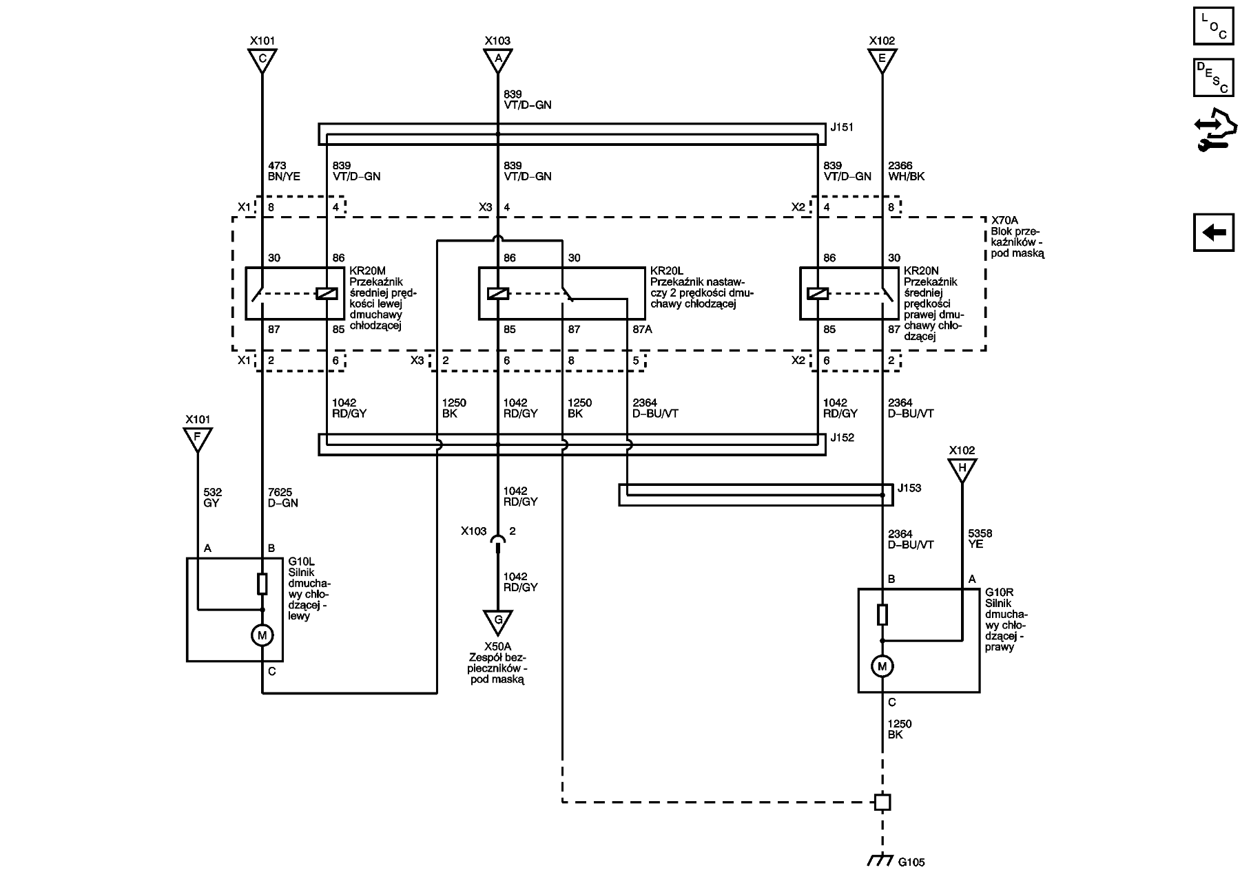
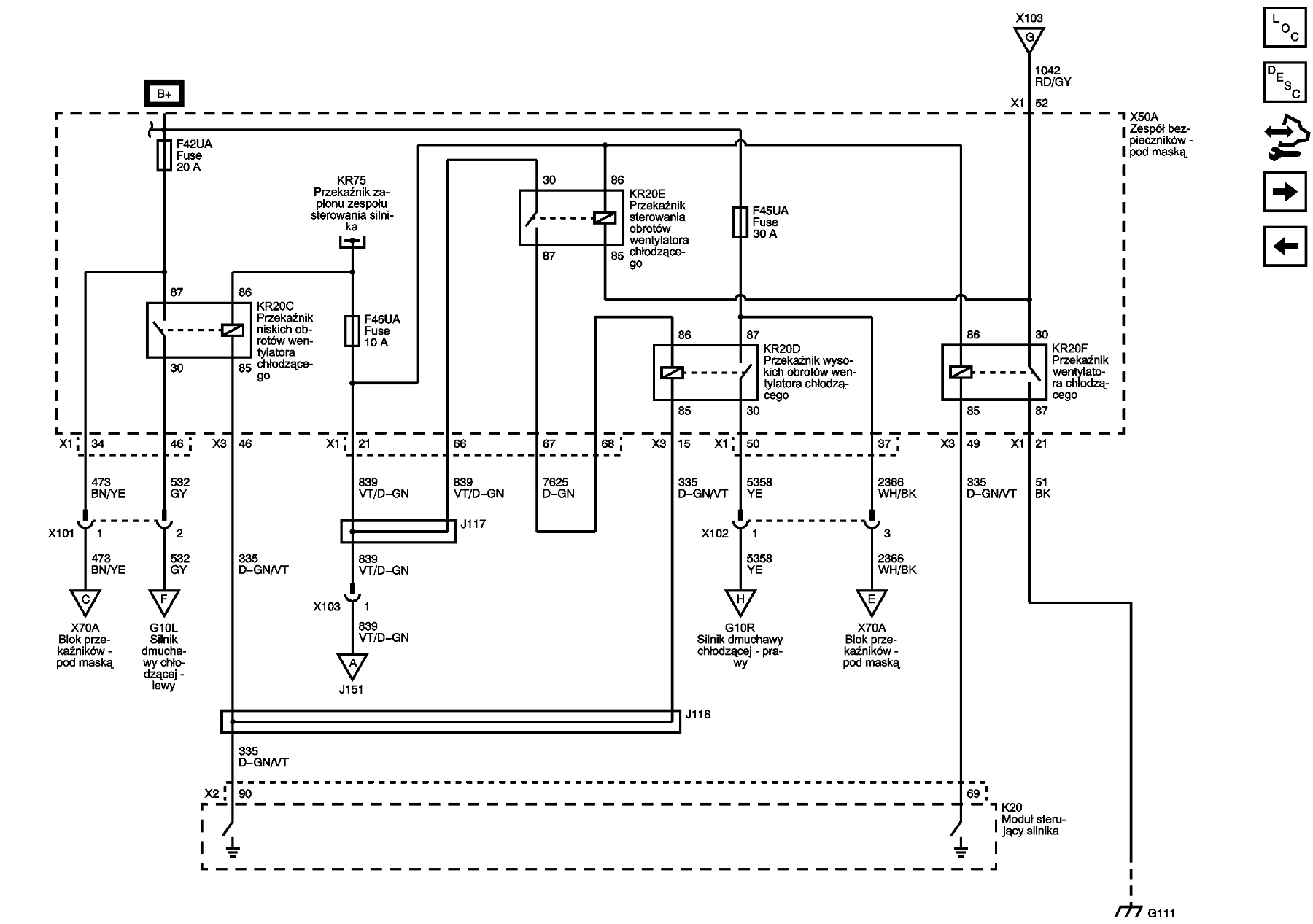
Cruze 2.0 z silnikiem NLP. Na postoju, z punktu widzenia fotela kierowcy oba wentylatory kręcą zgodnie z kierunkiem ruchu zegara. Mały wentylator kręci odwrotnie do kierunku ułożenia łopatek, zatem zasysa powietrze zewnątrz przez przez chłodnice do komory silnika, natomiast duży wentylator kręci zgodnie z ułożeniem łopatek i wypycha gorące powietrze z komory silnika przez chłodnice na zewnątrz.
Całe życie uważałem, że tak ma być, bo na postoju po zgaszeniu silnika wentylatory nadal schładzają chłodnice nawet jeszcze przez kilkanaście sekund, a w takim przypadku pchanie powietrza jest bardziej efektywne niż zasysanie, natomiast podczas jazdy faktycznie wydaje się to bezsensowne bo wentylator próbowałby pchać powietrze w kierunku odwrotnym do kierunku jazdy.
Czy może ktoś coś podpowie, który z nas ma racje i jak się to powinno kręcić?
