
Posiadanie Aveo zmusiło mnie do poznania "zabaw" Sado-Maso i to w roli masochisty... O tworzeniu teorii spiskowych nie wspomnę.
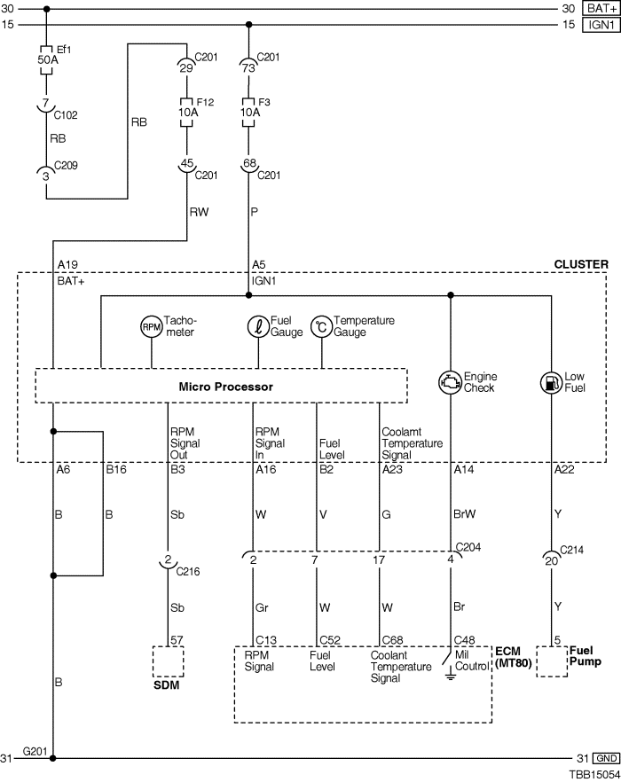
Do rzeczy. Na stan mojej obecnej wiedzy są 3 czujniki płynu . Dwa przy samym termostacie (jeden przed-drugi za) i trzeci w chłodnicy.
Ten w chłodnicy (że jest zobaczyłem w dokumentacji) na logikę odpowiada za włączenie wentylatora. Ten przed termostatem (w plastikowym korpusie) zakładam że odpowiada za odczyt temperatury silnika , a za termostatem (w jego metalowej obudowie) pojęcia nie mam.
Kolejna rzecz, która mi się nie zgadza. Odczyt z OBD pokazuje że wentylator zawsze załącza się przy idealnych 110 stopniach. Nie jest możliwe żeby
dwa czujniki aż tak się pokrywały i nie było nawet 1 stopnia różnicy ( pomiędzy czujnikiem przed termostatem i w chłodnicy)
Czy ja dobrze zakładam że czujnik przed termostatem służy do wyświetlania temperatury na desce i daje komputerowi info o temperaturze silnika oraz dane odczytywane z OBD są także z niego? Skoro tak to dlaczego mam odczyt z obd 110 stopni , wentylator się załącza, a na wskaźniku na desce cały czas środek skali? Czy w chłodnicy jest faktycznie trzeci czujnik ( teraz to znalazłem w katalogu i nie sprawdziłem organoleptycznie jeszcze ) i po kiego ten trzeci czujnik za termostatem ?