Olej 5W40

Stuka, puka, kapie, cieknie...
flebuss
Wymiatacz
Posty: 1603
Rejestracja: 8 maja 2014, o 22:09
Reputacja: 3
Imię: Krzysztof
Samochód: SUZUKI BALENO
Silnik: 1,2 PB 90 KM
Lokalizacja: Szczecin
Kontakt:

Re: Olej silnikowy jaki wybrać ?

Post autor: flebuss » 11 lut 2015, o 22:06

Spokojnie choć z zaciekawieniem śledziłem dyskusję na temat olejów i po otrzymaniu linka sprawdziłem jakie oleje z aprobatą DEXOS2 są dostępne i w jakich cenach - przy okazji zapytałem o opinię i oceny - byłem w trzech różnych hurtowniach i dwóch dużych sklepach motoryzacyjnych i hipermarketach - wszędzie pytałem jakie mają oleje z aprobatą dexos2 nie pytając o konkretną markę- oto co znalazłem:

Liqui Molly To Tec 4600 5W30 -189zł
Mobil Super 3000XE 5W30 - 149zł
Motul Specific 5W30 - 223zł
Shell Helix Ultra ECT C3 - 169zł
Titan GT1 Pro Flex 5w30 - 120,9zł
Total Qartz Ineo MC3 5W30 - 168żł podobnie Elf Evo full tec

A gdzie Castrol i GM Dexos2 ? ....it's...

Castrol Magnatec C3 5W30 - 116 - 170 zł ceny wersji Edge pominąłem bo w okolicach 200zł
Dexos2 100 - 159żł

Na pytanie co polecają wszędzie padała odpowiedż DEXOS2 i kilka razy Liqui Molly, nikt nie polecał Castrola wyrażając opinie że jest przereklamowany i popularność zawdzięcza sugestywnej reklamie gdzie się da - na pytanie o cenę stwierdzali że również Total, Mobil i Shell przodują w reklamie i te marki można zobaczyć w każdym piśmie motoryzacyjnym na banerach przy wszelkich wyścigach :H co przekłada się na politykę cenową - jak coś kosztuje to musi być dobre! a Dexos? - nie jeżdzi w żadnych wyścigach nie ma go w gazetach za to we wszystkich autach GM których jest miliony i sprzedają faktycznie najwięcej więc nie windują ceny a jakość -w końcu ta norma jest dość wyśrubowana wiec... wnioski ? :zastanawiasie: mam wrażenie że to kwestia tzw" famy która wieść głosi", - myślę że kilka nietrafnych decyzji strategicznych koncernu i złość użytkowników przeniosła się na olej który z tymi decyzjami nie miał żadnego związku :witam:
"Płyńmy szkunerem Cutty Sark i niech nam dowodzi William Mc Coy !"- James Hogg z Ettrick

flebuss
Wymiatacz
Posty: 1603
Rejestracja: 8 maja 2014, o 22:09
Reputacja: 3
Imię: Krzysztof
Samochód: SUZUKI BALENO
Silnik: 1,2 PB 90 KM
Lokalizacja: Szczecin
Kontakt:

Re: Olej 5W40

Post autor: flebuss » 11 lut 2015, o 22:57

Moderatory scalcie te dwa watki o olejach bo się temat dubluje :tak:
"Płyńmy szkunerem Cutty Sark i niech nam dowodzi William Mc Coy !"- James Hogg z Ettrick

Awatar użytkownika
konradoo
Zasłużony dla forum
Posty: 2747
Rejestracja: 24 lis 2013, o 19:12
Reputacja: 21
Imię: Konrad
Samochód: Nubira x2
Silnik:
Lokalizacja: EBE
Kontakt:

Re: Olej silnikowy jaki wybrać ?

Post autor: konradoo » 11 lut 2015, o 23:14

Te ceny to do porządnej korekty się nadają. Jak coś tylko daj znać który.
P.S. titana nie mam dostępnego,ale jeśli sie nyś uparł to co by nie..
O partsy pisz PW.

nadamus
Specjalista
Posty: 411
Rejestracja: 16 sie 2013, o 18:24
Reputacja: 0
Imię: adam
Samochód: aveo t255 1,2 84km
Silnik:
Lokalizacja: białystok

Re: Olej silnikowy jaki wybrać ?

Post autor: nadamus » 12 lut 2015, o 05:12

co do ceny castrola edge:
0w40/4L- 126zł
5w40/4L -120zł
ceny w "pewnej" hurtowni gdzie sam kupuję ;)

flebuss
Wymiatacz
Posty: 1603
Rejestracja: 8 maja 2014, o 22:09
Reputacja: 3
Imię: Krzysztof
Samochód: SUZUKI BALENO
Silnik: 1,2 PB 90 KM
Lokalizacja: Szczecin
Kontakt:

Re: Olej silnikowy jaki wybrać ?

Post autor: flebuss » 13 lut 2015, o 00:20

;) Jak już wcześniej mówiłem to kwestia regionalnej specyfiki - wszyscy się dziwią i nie mogą zrozumieć skąd się tu biorą takie stawki na paliwo, części, oleje, masło ,ryby nawet w dużych sklepach sieciowych o zasięgu ogólnopolskim ceny na te same artykuły są inne - wlokłem do siebie soundbara 600km z Piaseczna bo zobaczyłem że jego cena w Auchan jest ponad 50zet niższa - jednak w najbliższym czasie nie wybieram się w tamte okolice przed zmianą olejow itp wiosennych regulacji :|i muszę zrobić wszystko tu na miejscu :| no sugerujcie te oleje do wymiany rownież do skrzyni biegow filtr powietrza i paliwa żeby zanim nadejdzie termin pozbierać te detale stopniowo rozkładając koszty w dzasie,do filtrow ppowietra dostęp mam dobry ale nie wiem jakie fltry paliwa będę odpowiednie do T255 :witam: co macie i za ile to może okaże się że ruszy braterska pomoc rodakom na północy :zastanawiasie:
"Płyńmy szkunerem Cutty Sark i niech nam dowodzi William Mc Coy !"- James Hogg z Ettrick

Awatar użytkownika
ironstorm
Świeżak
Posty: 27
Rejestracja: 26 gru 2013, o 16:28
Reputacja: 0
Imię: Jan
Samochód: Aveo
Silnik:
Lokalizacja: Lędziny
Kontakt:

Re: Olej 5W40

Post autor: ironstorm » 19 lut 2015, o 14:40

Widzę że brak użytkowników Aveo, którzy stosują 5w40. A co myślcie na temat oleju Mobil 3000XE 5w30 (aprobata dexos2)? Może ktoś stosuje z forumowiczów?

Awatar użytkownika
kliszka
Profesjonalista
Posty: 604
Rejestracja: 20 sie 2013, o 11:34
Reputacja: 0
Imię: Piotr
Samochód: Lacetti HB SX
Silnik:
Lokalizacja: Łódź

Re: Olej silnikowy jaki wybrać ?

Post autor: kliszka » 19 lut 2015, o 19:16

Konradoo za ile mógłbyś załatwić olej syntetyk 5W40 ( Liqui Moly 4L ) + MoS2 ? czy ten dodatek jest konieczny?
Może jakiś inny dobry w miarę tani olej do Lacetti -benzyniaka/LPG na lato ..

Awatar użytkownika
konradoo
Zasłużony dla forum
Posty: 2747
Rejestracja: 24 lis 2013, o 19:12
Reputacja: 21
Imię: Konrad
Samochód: Nubira x2
Silnik:
Lokalizacja: EBE
Kontakt:

Re: Olej silnikowy jaki wybrać ?

Post autor: konradoo » 19 lut 2015, o 20:01

Liqui 5w40 nie ma mos2. Możesz dolać cerateca. Tani a dobry olej to np elf. Seba go brał.
O partsy pisz PW.

Awatar użytkownika
kliszka
Profesjonalista
Posty: 604
Rejestracja: 20 sie 2013, o 11:34
Reputacja: 0
Imię: Piotr
Samochód: Lacetti HB SX
Silnik:
Lokalizacja: Łódź

Re: Olej silnikowy jaki wybrać ?

Post autor: kliszka » 19 lut 2015, o 20:21

konradoo pisze:Liqui 5w40 nie ma mos2. Możesz dolać cerateca. Tani a dobry olej to np elf. Seba go brał.
tak na marginesie zainteresowała mnie Twoja wzmianka o Liqui , wspomniałeś że bardzo dobrze wycisza pracę silnika :tak: dlatego jestem ZAINTERESOWANY właśnie takim olejem...może z doświadczenia podpowiesz które oleje mają znaczny wpływ na cichą pracę jednostki napędowej. Będę zobowiązany :)

Awatar użytkownika
konradoo
Zasłużony dla forum
Posty: 2747
Rejestracja: 24 lis 2013, o 19:12
Reputacja: 21
Imię: Konrad
Samochód: Nubira x2
Silnik:
Lokalizacja: EBE
Kontakt:

Re: Olej silnikowy jaki wybrać ?

Post autor: konradoo » 19 lut 2015, o 20:25

Śmigam obecnie na 10W40 liqui z mos2 i nie narzekam. Cicho też np na shellu. Castrol za dużo reklamy jest ..
O partsy pisz PW.

Awatar użytkownika
kliszka
Profesjonalista
Posty: 604
Rejestracja: 20 sie 2013, o 11:34
Reputacja: 0
Imię: Piotr
Samochód: Lacetti HB SX
Silnik:
Lokalizacja: Łódź

Re: Olej silnikowy jaki wybrać ?

Post autor: kliszka » 19 lut 2015, o 20:36

konradoo pisze:Śmigam obecnie na 10W40 liqui z mos2 i nie narzekam. Cicho też np na shellu. Castrol za dużo reklamy jest ..
jeżeli mógłbyś podać konkretną propozycję/cenę za 4L opakowanie... :tak:

Awatar użytkownika
Sebastian
Moderator
Posty: 4008
Rejestracja: 12 sie 2013, o 22:45
Reputacja: 51
Imię: Sebastian
Samochód: 2x Lacetti 1.4&1.6
Silnik:
Lokalizacja: Ruda Śląska
Kontakt:

Re: Olej silnikowy jaki wybrać ?

Post autor: Sebastian » 19 lut 2015, o 20:57

konradoo pisze:Tani a dobry olej to np elf. Seba go brał.
I zmianę wcześniej też elfa wlałem (wcześniej castrol), a zaczęło się od tego, że w sklepie totala nie mieli :D

Z castrola przerzuciłem się dlatego, że na rynku jest dużo podróbek, różnica była minimalna (kilka zł <10zł), na korzyść elfa.

Lać to drugie auto na elfu, i jakoś nie mam powodów do narzekania.

Przy cenie jaką miałem na olej, to warto skrócić interwały zmiany oleju z 15kkm, na 10kkm (teraz zamierzam tak robić), bo 70zł na 10kkm to są grosze :D
Serwisowanie, naprawa, montaż: klimatyzacji, wentylacji, systemów ogrzewania - kontakt PW.

zbyszek85
Stały bywalec
Posty: 237
Rejestracja: 10 sie 2014, o 13:08
Reputacja: 0
Imię: Zbyszek
Samochód: Aveo t300 LT+ 2012
Silnik:
Lokalizacja: Bielsko-Biała
Kontakt:

Re: Olej 5W40

Post autor: zbyszek85 » 2 mar 2015, o 15:25

ironstorm pisze:Widzę że brak użytkowników Aveo, którzy stosują 5w40. A co myślcie na temat oleju Mobil 3000XE 5w30 (aprobata dexos2)? Może ktoś stosuje z forumowiczów?
Ja leje Mobil3000xe dexos2 i wedlug mnie lepszy od oryginalu Gm.Silnika wogule w nie slychac a kopa ma lepszego.A druga sprawa czy w Aweo T300 lt jest mozliwosc sprawdzenia w procentach zywotnosc oleju bo w menu nie moge tego wyswietlic.

Awatar użytkownika
wojbur
Zasłużony dla forum
Posty: 2498
Rejestracja: 14 wrz 2013, o 21:50
Reputacja: 2
Imię: Wojtek
Samochód: Hyundai ix20
Silnik: 1.6 125 KM
LPG: tak
Lokalizacja: SZO
Kontakt:

Re: Olej 5W40

Post autor: wojbur » 2 mar 2015, o 19:30

Ja zalałem OW40 Castrola Edge chyba z aprobotą Dexos2 tzn taki napis widnieje na bańce,kupiony u Konrado. Jeżdzi tak samo dobrze jak na poprzednim Castrolu Edge 0W30 :)

zbyszek85
Stały bywalec
Posty: 237
Rejestracja: 10 sie 2014, o 13:08
Reputacja: 0
Imię: Zbyszek
Samochód: Aveo t300 LT+ 2012
Silnik:
Lokalizacja: Bielsko-Biała
Kontakt:

Re: Olej 5W40

Post autor: zbyszek85 » 12 mar 2015, o 11:19

Castrol ma nowy olej Titanium 5w40 dexos2 do benzyniakow i diesla. Cena 140zl 4l.

Awatar użytkownika
etac
Prezes
Posty: 24969
Rejestracja: 4 sie 2013, o 00:31
Reputacja: 300
Imię: Krzysztof
Samochód: Opel Astra L ST
Silnik: 1.2T Pure Tech
LPG: NIE
Inny samochód: Yamaha X-MAX Tech Max
Lokalizacja: SBE
Kontakt:

Re: Olej 5W40

Post autor: etac » 12 mar 2015, o 11:35

benny86 pisze:Ja zalałem OW40 Castrola Edge chyba z aprobotą Dexos2 tzn taki napis widnieje na bańce,kupiony u Konrado. Jeżdzi tak samo dobrze jak na poprzednim Castrolu Edge 0W30 :)
Ja jestem przeciwnikiem wlewania olejów typu 0Wxx do silników grupy GM, one są za rzadkie, a szczególnie gdy mamy do czynienia z napinaczem łańcucha hydraulicznym.
Lekcje prywatne są odpłatne, pytania na forum są darmowe

Awatar użytkownika
konradoo
Zasłużony dla forum
Posty: 2747
Rejestracja: 24 lis 2013, o 19:12
Reputacja: 21
Imię: Konrad
Samochód: Nubira x2
Silnik:
Lokalizacja: EBE
Kontakt:

Re: Olej 5W40

Post autor: konradoo » 12 mar 2015, o 19:22

Volvo na lańcuchu 0w30, ford 5w20, honda 0w20. To jest kosmos :D
O partsy pisz PW.

flebuss
Wymiatacz
Posty: 1603
Rejestracja: 8 maja 2014, o 22:09
Reputacja: 3
Imię: Krzysztof
Samochód: SUZUKI BALENO
Silnik: 1,2 PB 90 KM
Lokalizacja: Szczecin
Kontakt:

Re: Olej 5W40

Post autor: flebuss » 14 mar 2015, o 00:02

etac pisze:
benny86 pisze:Ja zalałem OW40 Castrola Edge chyba z aprobotą Dexos2 tzn taki napis widnieje na bańce,kupiony u Konrado. Jeżdzi tak samo dobrze jak na poprzednim Castrolu Edge 0W30 :)
Ja jestem przeciwnikiem wlewania olejów typu 0Wxx do silników grupy GM, one są za rzadkie, a szczególnie gdy mamy do czynienia z napinaczem łańcucha hydraulicznym.

czy takie coś funkcjonuje w T255 który łańcuch rozrządu posiada? :ocochodzi:
"Płyńmy szkunerem Cutty Sark i niech nam dowodzi William Mc Coy !"- James Hogg z Ettrick

Awatar użytkownika
wojbur
Zasłużony dla forum
Posty: 2498
Rejestracja: 14 wrz 2013, o 21:50
Reputacja: 2
Imię: Wojtek
Samochód: Hyundai ix20
Silnik: 1.6 125 KM
LPG: tak
Lokalizacja: SZO
Kontakt:

Re: Olej 5W40

Post autor: wojbur » 11 sty 2016, o 13:57

Krótkie pytanie bo temat pilny - czy olej GM Dexos 2 5W40 pasuje do:
1)Aveo T300 2013, silnik 1.2 70 KM
2)Aveo T255 2009, silnik 1.2 84 KM

Siostrze zależy na cenie oleju (ma spełniać kryteria producenta ale być niedrogi). Co do mojego - jeśli oleje GM są OK, pasuje do mojego auta, to może nie warto dopłacać do Catrola?...

Awatar użytkownika
konradoo
Zasłużony dla forum
Posty: 2747
Rejestracja: 24 lis 2013, o 19:12
Reputacja: 21
Imię: Konrad
Samochód: Nubira x2
Silnik:
Lokalizacja: EBE
Kontakt:

Re: Olej 5W40

Post autor: konradoo » 11 sty 2016, o 15:51

Gm jest 5w30
O partsy pisz PW.

Awatar użytkownika
wojbur
Zasłużony dla forum
Posty: 2498
Rejestracja: 14 wrz 2013, o 21:50
Reputacja: 2
Imię: Wojtek
Samochód: Hyundai ix20
Silnik: 1.6 125 KM
LPG: tak
Lokalizacja: SZO
Kontakt:

Re: Olej 5W40

Post autor: wojbur » 11 sty 2016, o 16:21

Ok, a tani olej spełniający normę Dexos dla Aveo z 2013 roku? 4litrowa bańka?

nadamus
Specjalista
Posty: 411
Rejestracja: 16 sie 2013, o 18:24
Reputacja: 0
Imię: adam
Samochód: aveo t255 1,2 84km
Silnik:
Lokalizacja: białystok

Re: Olej 5W40

Post autor: nadamus » 11 sty 2016, o 17:18

Panowie- podaję adres hurtowni gdzie sam kupuję oleje (nie jest to reklama):
http://www.edensklep.pl/sklep/
można też zamawiać u nich części i filtry (na filtry mają bardzo dobre ceny ;)

flebuss
Wymiatacz
Posty: 1603
Rejestracja: 8 maja 2014, o 22:09
Reputacja: 3
Imię: Krzysztof
Samochód: SUZUKI BALENO
Silnik: 1,2 PB 90 KM
Lokalizacja: Szczecin
Kontakt:

Re: Olej 5W40

Post autor: flebuss » 11 sty 2016, o 21:35

Adamie rzuć okiem na mój post z 14 marca parę szczebelków powyżej - może znasz odpowiedż na pytanie które tam postawiłem?
"Płyńmy szkunerem Cutty Sark i niech nam dowodzi William Mc Coy !"- James Hogg z Ettrick

nadamus
Specjalista
Posty: 411
Rejestracja: 16 sie 2013, o 18:24
Reputacja: 0
Imię: adam
Samochód: aveo t255 1,2 84km
Silnik:
Lokalizacja: białystok

Re: Olej 5W40

Post autor: nadamus » 11 sty 2016, o 21:59

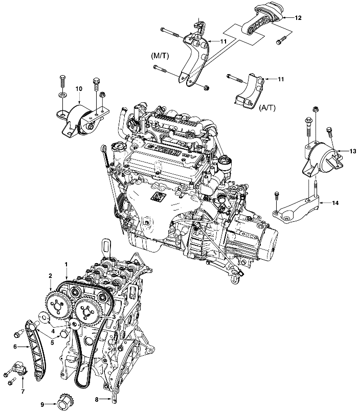
jest. to część 7 na rysunku ;) nr katalogowy 24410B
Załączniki
T8B52C11.png
T8B52C11.png (51.44 KiB) Przejrzano 4628 razy

Awatar użytkownika
wojbur
Zasłużony dla forum
Posty: 2498
Rejestracja: 14 wrz 2013, o 21:50
Reputacja: 2
Imię: Wojtek
Samochód: Hyundai ix20
Silnik: 1.6 125 KM
LPG: tak
Lokalizacja: SZO
Kontakt:

Re: Olej 5W40

Post autor: wojbur » 11 sty 2016, o 22:10

benny86 pisze:Ok, a tani olej spełniający normę Dexos dla Aveo z 2013 roku? 4litrowa bańka?

Ktoś,coś?

ODPOWIEDZ

Wróć do „Aveo/Kalos Mechanika”

Kto jest online

Użytkownicy przeglądający to forum: Obecnie na forum nie ma żadnego zarejestrowanego użytkownika i 1 gość