CZUJNIK DESZCZU/WYCIERACZEK
-
- Świeżak
- Posty: 15
- Rejestracja: 19 wrz 2016, o 14:34
- Reputacja: 0
- Imię: Damian
- Samochód: Nubira/Lacetti
- Silnik:
- Lokalizacja: Prudnik
- Kontakt:
CZUJNIK DESZCZU/WYCIERACZEK
Witam wszystkich. Od niedawna jestem użytkownikiem Ch. Nubira 1.8 (121km). Na forum znalazłem bardzo ciekawe informacje dot. mojego auta, jednak nie znalazłem wątku dotyczącego czujnika wycieraczek czy też deszczu. Problem polega na tym, że wycieraczki w pozycji aut. nie reagują na padający deszcz, tzn. czasami zaskoczą, a częściej w ogóle na tej pozycji nie "zaskakują". Nie wiem czy jest to tylko mój problem czy też ktoś z Was miał podobny. jeżeli tak to bardzo proszę o podpowiedź jak można usprawnić wycieraczki. Nadmieniam, że na kolejnych dwóch pozycjach pracują normalnie. Czy można odłączyć czujnik tak aby było tylko manualne "strojenie" na pierwszej pozycji?
-
- Wymiatacz
- Posty: 1096
- Rejestracja: 26 kwie 2015, o 21:30
- Reputacja: 1
- Imię: Piotr
- Samochód: Lacetti 2.0TCDI
- Silnik:
- Lokalizacja: Wawa Tarcho
- Kontakt:
Re: CZUJNIK DESZCZU/WYCIERACZEK
a pokrętełkiem czułości na manetce kolega pokręcał? po włączeniu w pozycję czujnika powinno być jedno wahnięcie, także po uruchomieniu pojazdu jeśli jest włączone, sprawdź bezpieczniki jeśli nie ma
Pozdrawiam Piotr
VIN KL1NF35UJ7K644339
VIN KL1NF35UJ7K644339
-
- Świeżak
- Posty: 15
- Rejestracja: 19 wrz 2016, o 14:34
- Reputacja: 0
- Imię: Damian
- Samochód: Nubira/Lacetti
- Silnik:
- Lokalizacja: Prudnik
- Kontakt:
Re: CZUJNIK DESZCZU/WYCIERACZEK
Próbowałem pokrętełkiem, nawet w czasie deszczu, ale kompletny brak reakcji, na każdej z pozycji pokrętła. Nie sprawdzałem bezpieczników, bo wydawało mi się, że jeżeli czasami zaskakuje to może oznaczać, że bezpieczniki są ok., ale teraz sprawdzę i je.
- konradoo
- Zasłużony dla forum
- Posty: 2747
- Rejestracja: 24 lis 2013, o 19:12
- Reputacja: 21
- Imię: Konrad
- Samochód: Nubira x2
- Silnik:
- Lokalizacja: EBE
- Kontakt:
Re: CZUJNIK DESZCZU/WYCIERACZEK
Sprawdź, czy masz prawidłowe długości piór wycieraczek, często od tego czujnik wariuje.
O partsy pisz PW.
- etac
- Prezes
- Posty: 24969
- Rejestracja: 4 sie 2013, o 00:31
- Reputacja: 300
- Imię: Krzysztof
- Samochód: Opel Astra L ST
- Silnik: 1.2T Pure Tech
- LPG: NIE
- Inny samochód: Yamaha X-MAX Tech Max
- Lokalizacja: SBE
- Kontakt:
Re: CZUJNIK DESZCZU/WYCIERACZEK
Pytania:
- czy na pewno jest czujnik?
- czy ktoś przypadkiem nie wymieniał szyby, na szybę nie przystosowaną do czujnika?
- czy na pewno jest czujnik?
- czy ktoś przypadkiem nie wymieniał szyby, na szybę nie przystosowaną do czujnika?
Lekcje prywatne są odpłatne, pytania na forum są darmowe
-
- Świeżak
- Posty: 15
- Rejestracja: 19 wrz 2016, o 14:34
- Reputacja: 0
- Imię: Damian
- Samochód: Nubira/Lacetti
- Silnik:
- Lokalizacja: Prudnik
- Kontakt:
Re: CZUJNIK DESZCZU/WYCIERACZEK
Na pewno zmieniłem jedno pióro na dłuższe. Zmienie je na właściwą długość. Jeżeli chodzi o obecność czujnika to na pewno jest gdyż jakis czas po zakupie auta, wycieraczki na tym ustawieniu pracowały. Czy jest możliwość, że są dwa bezpieczniki od wycieraczek, gdyż one działają, tylko na tym automatycznym poziomie nie chcą mi zaskoczyć. Dziękuję za wszystkie sugestie. Na pewno każdą z nich sprawdzę i dam znać. Pozdrawiam wszystkich.
Aha, szyba nie była wymieniana.
Aha, szyba nie była wymieniana.
-
- Aktywny
- Posty: 52
- Rejestracja: 14 kwie 2014, o 17:12
- Reputacja: 0
- Imię: Krzysztof
- Samochód: Nubira 1.8 121KM
- Silnik:
- Lokalizacja: Częstochowa
- Kontakt:
Re: CZUJNIK DESZCZU/WYCIERACZEK
Czy po przełączeniu w pozycję czujnika deszczu jest jedno maźnięcie wycieraczkami?
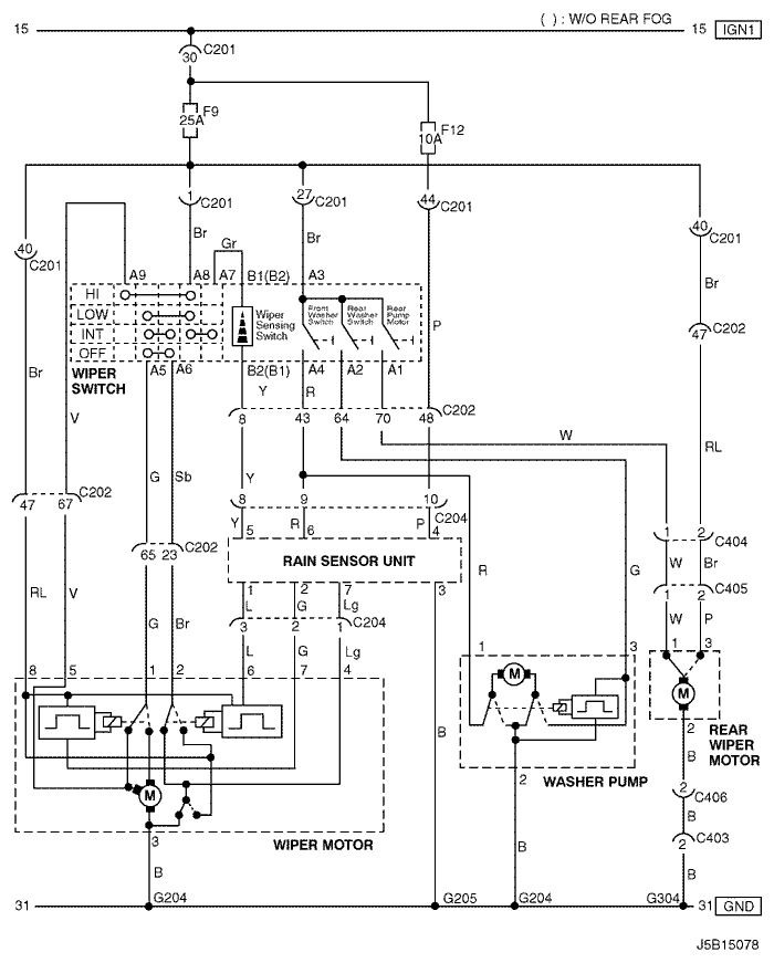
Czujnik deszczu według schematu jest na osobnym bezpieczniku 10A w kabinie za drzwiami kierowcy i ma tam oznaczenie F12 środkowa kolumna, 4 od góry (Immobilizer, Anti Theft Control Unit, Rain Sensor Unit) - warto sprawdzić.
Czujnik deszczu według schematu jest na osobnym bezpieczniku 10A w kabinie za drzwiami kierowcy i ma tam oznaczenie F12 środkowa kolumna, 4 od góry (Immobilizer, Anti Theft Control Unit, Rain Sensor Unit) - warto sprawdzić.
-
- Świeżak
- Posty: 15
- Rejestracja: 19 wrz 2016, o 14:34
- Reputacja: 0
- Imię: Damian
- Samochód: Nubira/Lacetti
- Silnik:
- Lokalizacja: Prudnik
- Kontakt:
Re: CZUJNIK DESZCZU/WYCIERACZEK
Niestety po włączeniu wycieraczek w I-szą poz. brak "maźnięcia", chociaż wcześniej było. Wymieniłem pióro i sprawdziłem bezpieczniki, wszystkie ok. Wycieraczki w pozycji aut. nie działają. Może jest problem z czujnikiem. Brak aut. wycieraczek nie jest to dla mnie wielkim problem. Czy może ktoś z Was przerobił wycieraczki z auto na manual, bez wielkich przeróbek. Dziękuję za wszystkie podpowiedzi. Pozdrawiam.
- etac
- Prezes
- Posty: 24969
- Rejestracja: 4 sie 2013, o 00:31
- Reputacja: 300
- Imię: Krzysztof
- Samochód: Opel Astra L ST
- Silnik: 1.2T Pure Tech
- LPG: NIE
- Inny samochód: Yamaha X-MAX Tech Max
- Lokalizacja: SBE
- Kontakt:
Re: CZUJNIK DESZCZU/WYCIERACZEK
Według schematu układ ma dwa bezpieczniki:
jeden F9 25A
drugi F12 10A, który zasila czujnik deszczu.
Sprawdź wiec czy tam jest napięcie na pinach 3, 4
jeden F9 25A
drugi F12 10A, który zasila czujnik deszczu.
Sprawdź wiec czy tam jest napięcie na pinach 3, 4
Lekcje prywatne są odpłatne, pytania na forum są darmowe
-
- Świeżak
- Posty: 15
- Rejestracja: 19 wrz 2016, o 14:34
- Reputacja: 0
- Imię: Damian
- Samochód: Nubira/Lacetti
- Silnik:
- Lokalizacja: Prudnik
- Kontakt:
Re: CZUJNIK DESZCZU/WYCIERACZEK
Sprawdziłem oba. Pierwszy jest w pierwszej linii po środku, a drugi w czwartej (od góry) też po środku. Oba "niestety" były ok. Nie wiem czy jest napięcie, bo nie sprawdzałem, ale coś czuję, że jeśli ten czujnik jest także od immobilizera, który chyba u mnie działa, bo odpalam bez problemów, to myślę, że napięcie musi tam być, ale na pewno sprawdzę. Dzięki za sugestie.
- etac
- Prezes
- Posty: 24969
- Rejestracja: 4 sie 2013, o 00:31
- Reputacja: 300
- Imię: Krzysztof
- Samochód: Opel Astra L ST
- Silnik: 1.2T Pure Tech
- LPG: NIE
- Inny samochód: Yamaha X-MAX Tech Max
- Lokalizacja: SBE
- Kontakt:
Re: CZUJNIK DESZCZU/WYCIERACZEK
Jak będzie napięcie, to mamy albo uwalony silnik, albo sam czujnik.
Lekcje prywatne są odpłatne, pytania na forum są darmowe
-
- Aktywny
- Posty: 52
- Rejestracja: 14 kwie 2014, o 17:12
- Reputacja: 0
- Imię: Krzysztof
- Samochód: Nubira 1.8 121KM
- Silnik:
- Lokalizacja: Częstochowa
- Kontakt:
Re: CZUJNIK DESZCZU/WYCIERACZEK
Silnik jest chyba ok, skoro wycieraczki na pozostałych biegach działają.
Ja bym rozważył uszkodzenie manetki, bo one są takiej sobie jakości - ale zrobienie pomiarów przy czujniku załatwi to sprawdzenie.
A przy uruchomieniu spryskiwacza wycieraczki działają samoczynnie? Bo widzę, że ten sygnał też przechodzi przez czujnik.
Załączam schemat.
*edycja* Pozbycie się automatycznych wycieraczek pewnie wiąże się ze zmianą przekaźnika i zwarciem kilku kabelków.
*edycja2* Heh a przekaźnik (regulator) wycieraczek jest bezpośrednio na silniczku z tego co widzę na zdjęciach - ciekawe, czy ten element występuje jako osobna pozycja, czy jako całość z silnikiem - i, jak słusznie pisze etac, to też całkiem prawdopodobne miejsce uszkodzenia - warto sprawdzić, czy na łączu jest kontakt.
Ja bym rozważył uszkodzenie manetki, bo one są takiej sobie jakości - ale zrobienie pomiarów przy czujniku załatwi to sprawdzenie.
A przy uruchomieniu spryskiwacza wycieraczki działają samoczynnie? Bo widzę, że ten sygnał też przechodzi przez czujnik.
Załączam schemat.
*edycja* Pozbycie się automatycznych wycieraczek pewnie wiąże się ze zmianą przekaźnika i zwarciem kilku kabelków.
*edycja2* Heh a przekaźnik (regulator) wycieraczek jest bezpośrednio na silniczku z tego co widzę na zdjęciach - ciekawe, czy ten element występuje jako osobna pozycja, czy jako całość z silnikiem - i, jak słusznie pisze etac, to też całkiem prawdopodobne miejsce uszkodzenia - warto sprawdzić, czy na łączu jest kontakt.
Ostatnio zmieniony 24 wrz 2016, o 21:19 przez krzyc, łącznie zmieniany 2 razy.
- etac
- Prezes
- Posty: 24969
- Rejestracja: 4 sie 2013, o 00:31
- Reputacja: 300
- Imię: Krzysztof
- Samochód: Opel Astra L ST
- Silnik: 1.2T Pure Tech
- LPG: NIE
- Inny samochód: Yamaha X-MAX Tech Max
- Lokalizacja: SBE
- Kontakt:
Re: CZUJNIK DESZCZU/WYCIERACZEK
Może być uszkodzony regulator pracy, który jest w silniku, ale najpierw musimy zobaczyc, czy napięcie dochodzi do czujnika
Lekcje prywatne są odpłatne, pytania na forum są darmowe
-
- Świeżak
- Posty: 15
- Rejestracja: 19 wrz 2016, o 14:34
- Reputacja: 0
- Imię: Damian
- Samochód: Nubira/Lacetti
- Silnik:
- Lokalizacja: Prudnik
- Kontakt:
Re: CZUJNIK DESZCZU/WYCIERACZEK
Przy spryskiwaczu wycieraczki nie zalaczaja się. A czy dopuszczasz możliwość uszkodzenia czujnika, czy ten element raczej nie ulega zużyciu.
A, ten schemat to dla mnie matrix.
Słowa do mnie bardziej przemawiają.
A, ten schemat to dla mnie matrix.
Słowa do mnie bardziej przemawiają.
- etac
- Prezes
- Posty: 24969
- Rejestracja: 4 sie 2013, o 00:31
- Reputacja: 300
- Imię: Krzysztof
- Samochód: Opel Astra L ST
- Silnik: 1.2T Pure Tech
- LPG: NIE
- Inny samochód: Yamaha X-MAX Tech Max
- Lokalizacja: SBE
- Kontakt:
Re: CZUJNIK DESZCZU/WYCIERACZEK
No to jak czarna magia, to wydrukować i podjechać do elektryka.
Lekcje prywatne są odpłatne, pytania na forum są darmowe
-
- Profesjonalista
- Posty: 585
- Rejestracja: 22 paź 2014, o 09:59
- Reputacja: 0
- Imię: Marcin
- Samochód: Evanda
- Silnik:
- Lokalizacja: Puławy
- Kontakt:
Re: CZUJNIK DESZCZU/WYCIERACZEK
Chyba to taki sam czujnik jak w Evanda i z innego forum było kilka przypadków jego padnięcia. Chyba nikt nie dał recepty jak to naprawić.
-
- Aktywny
- Posty: 52
- Rejestracja: 14 kwie 2014, o 17:12
- Reputacja: 0
- Imię: Krzysztof
- Samochód: Nubira 1.8 121KM
- Silnik:
- Lokalizacja: Częstochowa
- Kontakt:
Re: CZUJNIK DESZCZU/WYCIERACZEK
No to dalej nie wiadomo, czy się zepsuł moduł czujnika przy szybie, czy moduł przekaźników przy silniku wycieraczek, czy może jest to problem z wiązką elektryczną.
Warto zacząć od sprawdzenia wiązek elektrycznych - czyli ze schematem do elektryka.
Ja bym zaczął od sprawdzenia, czy na pinie 4 wtyczki wpiętej do czujnika deszczu jest zasilanie +12V. *edycja* Zasilanie oczywiście będzie dopiero po przekręceniu stacyjki na drugą pozycję - zapłon.
Warto zacząć od sprawdzenia wiązek elektrycznych - czyli ze schematem do elektryka.
Ja bym zaczął od sprawdzenia, czy na pinie 4 wtyczki wpiętej do czujnika deszczu jest zasilanie +12V. *edycja* Zasilanie oczywiście będzie dopiero po przekręceniu stacyjki na drugą pozycję - zapłon.
- Załączniki
-
- zlacza.png (12.23 KiB) Przejrzano 6835 razy
- Sebastian
- Moderator
- Posty: 4008
- Rejestracja: 12 sie 2013, o 22:45
- Reputacja: 51
- Imię: Sebastian
- Samochód: 2x Lacetti 1.4&1.6
- Silnik:
- Lokalizacja: Ruda Śląska
- Kontakt:
Re: CZUJNIK DESZCZU/WYCIERACZEK
Jeśli spryskiwacz działa, jednak nie włączają się wycieraczki to na 90% uwalony czujnik (wg. schematów powyżej).
Możesz sprawdzić czy na styku 6 czujnika w momencie "pompowania" pojawia się +12V, oraz czy na stykach 1 i 2 pojawia się masa (tutaj albo próbnik samochodowy, bo multimetr lubi się gubić w takich awariach).
Możesz sprawdzić czy na styku 6 czujnika w momencie "pompowania" pojawia się +12V, oraz czy na stykach 1 i 2 pojawia się masa (tutaj albo próbnik samochodowy, bo multimetr lubi się gubić w takich awariach).
Serwisowanie, naprawa, montaż: klimatyzacji, wentylacji, systemów ogrzewania - kontakt PW.
-
- Świeżak
- Posty: 15
- Rejestracja: 19 wrz 2016, o 14:34
- Reputacja: 0
- Imię: Damian
- Samochód: Nubira/Lacetti
- Silnik:
- Lokalizacja: Prudnik
- Kontakt:
Re: CZUJNIK DESZCZU/WYCIERACZEK
Pozostaje kupić czujnik i go zamontować. Jeśli to zrobię to napiszę co i jak. Na razie pozdrawiam i dziękuję za wszystkie możliwości zdiagnozowania usterki, które chyba zostaly wyczerpane.
-
- Świeżak
- Posty: 15
- Rejestracja: 12 wrz 2019, o 14:52
- Reputacja: 0
- Imię: Paweł
- Samochód: Chevrolet Nubira
- Silnik: 1796, 89 kW
- LPG: Prins
- Lokalizacja: Barciany
- Kontakt:
Re: CZUJNIK DESZCZU/WYCIERACZEK
I jak z tym czujnikiem? U mnie wystąpił podobny problem.
Na ustawieniu czujnik deszczu:
- wycieraczki wykonają 1 cykl w przypadku załączenia zapłonu,
- w trakcie jazdy nie reagują w tym ustawieniu, również przy zmianie częstotliwości pracy.
Na ustawieniu 2 i 3 ciągłego trybu pracy pracują normalnie.
Jednokrotny cykl pracy wykonywany po lekkim podniesieniu dźwigni wycieraczek z pozycji 0, lecz nie przełączeniu na pozycję czujnika deszczu, też nie działa.
Czy może być tak że w pierwszym położeniu dźwigni, styki nie dolegają do siebie bo się "wypracowały", a na kolejnych pozycjach są już kolejne blaszki które zamykają obwód i dlatego na wyższych pozycjach działają?
Na ustawieniu czujnik deszczu:
- wycieraczki wykonają 1 cykl w przypadku załączenia zapłonu,
- w trakcie jazdy nie reagują w tym ustawieniu, również przy zmianie częstotliwości pracy.
Na ustawieniu 2 i 3 ciągłego trybu pracy pracują normalnie.
Jednokrotny cykl pracy wykonywany po lekkim podniesieniu dźwigni wycieraczek z pozycji 0, lecz nie przełączeniu na pozycję czujnika deszczu, też nie działa.
Czy może być tak że w pierwszym położeniu dźwigni, styki nie dolegają do siebie bo się "wypracowały", a na kolejnych pozycjach są już kolejne blaszki które zamykają obwód i dlatego na wyższych pozycjach działają?
-
- Profesjonalista
- Posty: 910
- Rejestracja: 26 sty 2015, o 22:31
- Reputacja: 32
- Imię: Krzysztof
- Samochód: Cruze1,4 Sw LTZ+2012
- Silnik: 1,4 T +chip 163 km
- LPG: KME Skay Max
- Lokalizacja: SO
- Kontakt:
Re: CZUJNIK DESZCZU/WYCIERACZEK
Prosty sprawdzian ,ustawiamy manetkę na auto,i spryskiwaczem ręcznie z zewnątrz sikamy na szybę w miejscu czujnika jeżeli nie ma reakcji to czujnik do wymiany ,pociągnięcie manetki do siebie nic nie daje bo w tym momencie załącza się spryskiwacz i silnik wycieraczek jest to zintegrowane,sama manetka raczej się nie się psuje,co do regulatora prędkości łatwo sprawdzić czy działa na pozycji 2 jeżeli reaguje na zmianę szybkości manetką to silnik jest ok testowane na dokładanym zestawie do mojego wcześniejszego bolidu.
Lacetti 1,6 sx zmienione w cdx 2011-2019
Kto jest online
Użytkownicy przeglądający to forum: Obecnie na forum nie ma żadnego zarejestrowanego użytkownika i 1 gość