Cewka Cruze
- konradoo
- Zasłużony dla forum
- Posty: 2747
- Rejestracja: 24 lis 2013, o 19:12
- Reputacja: 21
- Imię: Konrad
- Samochód: Nubira x2
- Silnik:
- Lokalizacja: EBE
- Kontakt:
Re: Awaria Wariatora zmiennych faz rozrządu
skombinuje to koło i zobaczymy co jest:D
Mam cewkę, ale Wojtkowi się nie chce
Mam cewkę, ale Wojtkowi się nie chce
O partsy pisz PW.
- wszim
- Zasłużony dla forum
- Posty: 15495
- Rejestracja: 10 paź 2013, o 22:04
- Reputacja: 146
- Imię: Wojtek
- Samochód: był orlando
- Silnik: 1.8 2H0 141KM (KL7)
- LPG: BRC SQ24
- Inny samochód: toyota RAV4 2.5 hybrid 4x4 222KM
- Lokalizacja: Nowy Sącz
- Kontakt:
Re: Awaria Wariatora zmiennych faz rozrządu
Z cewką wiem, że to orka na ugorze bo wszystko pozalewane żywicą. Fakt nie chce mi się bo nic mnie do takiego poświęcenia nie pcha. Mnie wszelkie cewy na razie dobrze działają
, a jak przestaną to nie będę rzeźbił tylko wymienię na właściwą. Ale koło skombinuj
.



- konradoo
- Zasłużony dla forum
- Posty: 2747
- Rejestracja: 24 lis 2013, o 19:12
- Reputacja: 21
- Imię: Konrad
- Samochód: Nubira x2
- Silnik:
- Lokalizacja: EBE
- Kontakt:
Re: Awaria Wariatora zmiennych faz rozrządu
a nie ciekawi, czemu do opla jest tańsza, lepiej dostępna i po podłączeniu nie wywala "cziken endżine" ale nie chce hulnąć??
O partsy pisz PW.
- wszim
- Zasłużony dla forum
- Posty: 15495
- Rejestracja: 10 paź 2013, o 22:04
- Reputacja: 146
- Imię: Wojtek
- Samochód: był orlando
- Silnik: 1.8 2H0 141KM (KL7)
- LPG: BRC SQ24
- Inny samochód: toyota RAV4 2.5 hybrid 4x4 222KM
- Lokalizacja: Nowy Sącz
- Kontakt:
Re: Awaria Wariatora zmiennych faz rozrządu
Gdyby to było odkręcenie śrubki i przeanalizowanie kabelków to tak. Ale wymyśl jak analizować coś zalane twardą nieprzezroczystą żywicą?
A może ruscy już rozkminili? Oni są hardcore wiele chłopa w narodzie to ktoś może już rozpracował. A jak ruscy nie rozpracowali znaczy, że się nie da
A może ruscy już rozkminili? Oni są hardcore wiele chłopa w narodzie to ktoś może już rozpracował. A jak ruscy nie rozpracowali znaczy, że się nie da

Ostatnio zmieniony 23 sie 2016, o 14:22 przez wszim, łącznie zmieniany 2 razy.

- konradoo
- Zasłużony dla forum
- Posty: 2747
- Rejestracja: 24 lis 2013, o 19:12
- Reputacja: 21
- Imię: Konrad
- Samochód: Nubira x2
- Silnik:
- Lokalizacja: EBE
- Kontakt:
- wszim
- Zasłużony dla forum
- Posty: 15495
- Rejestracja: 10 paź 2013, o 22:04
- Reputacja: 146
- Imię: Wojtek
- Samochód: był orlando
- Silnik: 1.8 2H0 141KM (KL7)
- LPG: BRC SQ24
- Inny samochód: toyota RAV4 2.5 hybrid 4x4 222KM
- Lokalizacja: Nowy Sącz
- Kontakt:
Re: Awaria Wariatora zmiennych faz rozrządu
No to jak zagrasz mi na szkockich dudach schody do nieba, to ja zabiorę się za tą cewkę. Porównywalna trudność. 


- konradoo
- Zasłużony dla forum
- Posty: 2747
- Rejestracja: 24 lis 2013, o 19:12
- Reputacja: 21
- Imię: Konrad
- Samochód: Nubira x2
- Silnik:
- Lokalizacja: EBE
- Kontakt:
Re: Awaria Wariatora zmiennych faz rozrządu
Dud nie ma ale tak dodatkowo to mam fletnie Pana na której pogrywam 

O partsy pisz PW.
- wszim
- Zasłużony dla forum
- Posty: 15495
- Rejestracja: 10 paź 2013, o 22:04
- Reputacja: 146
- Imię: Wojtek
- Samochód: był orlando
- Silnik: 1.8 2H0 141KM (KL7)
- LPG: BRC SQ24
- Inny samochód: toyota RAV4 2.5 hybrid 4x4 222KM
- Lokalizacja: Nowy Sącz
- Kontakt:
Re: Awaria Wariatora zmiennych faz rozrządu
Słyszałem że jakieś dudy są w Warszawie. Tylko one chyba do podpisywania służą a nie do grania. 


-
- Wymiatacz
- Posty: 1616
- Rejestracja: 9 sty 2014, o 16:53
- Reputacja: 35
- Imię: Czesław
- Samochód: Cruze1.8LT+Prem, LPG
- Silnik:
- Lokalizacja: Bielsko-B
- Kontakt:
Re: Awaria Wariatora zmiennych faz rozrządu
O ile jest tańsza od cruzakowej? Nie chce hulnąć, bo pewnie ma inną kolejność wyprowadzeń przewodów w stosunku do cruzakowej. Raczej niczym innym się nie różniąkonradoo pisze:a nie ciekawi, czemu do opla jest tańsza, lepiej dostępna i po podłączeniu nie wywala "cziken endżine" ale nie chce hulnąć??

- Avatar
- Fachman
- Posty: 2463
- Rejestracja: 9 sie 2013, o 08:08
- Reputacja: 0
- Imię: Marcin
- Samochód: brak
- Silnik:
- Lokalizacja: Racibórz
- Kontakt:
Re: Awaria Wariatora zmiennych faz rozrządu
IMHO jedyna opcja to rozflakować Cruzakową (uwaloną mam jak coś) z oplowską i prównać piny, no i naczej to się raczej nie da 

-
- Wymiatacz
- Posty: 1616
- Rejestracja: 9 sty 2014, o 16:53
- Reputacja: 35
- Imię: Czesław
- Samochód: Cruze1.8LT+Prem, LPG
- Silnik:
- Lokalizacja: Bielsko-B
- Kontakt:
Re: Awaria Wariatora zmiennych faz rozrządu
Ile oplowska cewka ma przewodów? Bo jeśli ma 6 to konstrukcja jej jest taka sama jak w Cruzie.
Wtedy dało by się ustalić który kabelek jest przypisany do danej cewki bez rozbebeszania jej.
Wtedy dało by się ustalić który kabelek jest przypisany do danej cewki bez rozbebeszania jej.
- wszim
- Zasłużony dla forum
- Posty: 15495
- Rejestracja: 10 paź 2013, o 22:04
- Reputacja: 146
- Imię: Wojtek
- Samochód: był orlando
- Silnik: 1.8 2H0 141KM (KL7)
- LPG: BRC SQ24
- Inny samochód: toyota RAV4 2.5 hybrid 4x4 222KM
- Lokalizacja: Nowy Sącz
- Kontakt:
Re: Awaria Wariatora zmiennych faz rozrządu
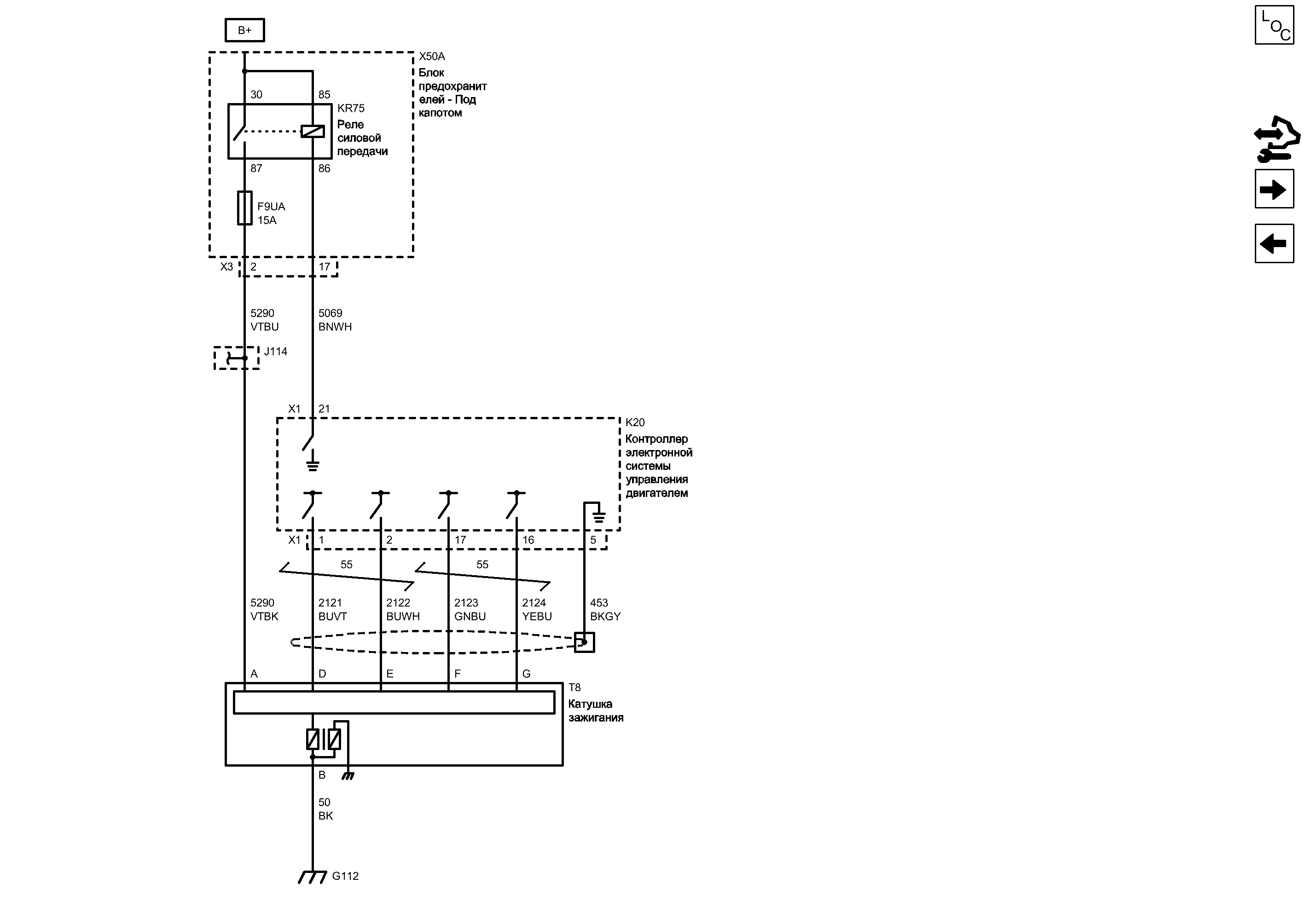
A znasz schemat cruzakowej? To jest tylko zespół cewek? Czy wg mnie raczej komponent złożony z elementów aktywnych i cewek. Kiedyś nazywało się to chyba DIS. 


-
- Wymiatacz
- Posty: 1616
- Rejestracja: 9 sty 2014, o 16:53
- Reputacja: 35
- Imię: Czesław
- Samochód: Cruze1.8LT+Prem, LPG
- Silnik:
- Lokalizacja: Bielsko-B
- Kontakt:
Re: Awaria Wariatora zmiennych faz rozrządu
Taki schemat gdzieś z archiwum wygrzebałem.
- konradoo
- Zasłużony dla forum
- Posty: 2747
- Rejestracja: 24 lis 2013, o 19:12
- Reputacja: 21
- Imię: Konrad
- Samochód: Nubira x2
- Silnik:
- Lokalizacja: EBE
- Kontakt:
Re: Awaria Wariatora zmiennych faz rozrządu
Cewka oplowska ma identyczną kostkę bo się pięknie wpina... Też tak kminiłem,że zamienione piny i błędu nie ma. Sprawdzone
cewke oplowską mam!!! A pytałem kto ma trachniętą od chevroleta... Nikt się nie zgłosił
to komu mam wysłać? Sam z siebie wydumałem cewkę bo mnie ten problem nie dotyczy.
Cewka delphi kosztuje chyba koło 450...


Cewka delphi kosztuje chyba koło 450...
O partsy pisz PW.
- konradoo
- Zasłużony dla forum
- Posty: 2747
- Rejestracja: 24 lis 2013, o 19:12
- Reputacja: 21
- Imię: Konrad
- Samochód: Nubira x2
- Silnik:
- Lokalizacja: EBE
- Kontakt:
Re: Awaria Wariatora zmiennych faz rozrządu
Schemat to schemat,a mnie to korci trójkącik - ja,szlifierka i kzfr 

O partsy pisz PW.
- wszim
- Zasłużony dla forum
- Posty: 15495
- Rejestracja: 10 paź 2013, o 22:04
- Reputacja: 146
- Imię: Wojtek
- Samochód: był orlando
- Silnik: 1.8 2H0 141KM (KL7)
- LPG: BRC SQ24
- Inny samochód: toyota RAV4 2.5 hybrid 4x4 222KM
- Lokalizacja: Nowy Sącz
- Kontakt:
Re: Awaria Wariatora zmiennych faz rozrządu
No właśnie nie wiele z niego wynika. Ta cewka zespolona to czarna skrzynka.barus pisze:Taki schemat gdzieś z archiwum wygrzebałem.

-
- Wymiatacz
- Posty: 1616
- Rejestracja: 9 sty 2014, o 16:53
- Reputacja: 35
- Imię: Czesław
- Samochód: Cruze1.8LT+Prem, LPG
- Silnik:
- Lokalizacja: Bielsko-B
- Kontakt:
Cewka Cruze
Wygląda mi to na aktywny moduł. Z początku myślałem, że to tylko zespół cewek zasilanych plusem po przekaźniku a z drugiej kluczowanych do masy każdej z osobna przez ECM. Jeśli w oplowskiej jest zachowana ta sama polaryzacja to może da się cos zrobić 

- konradoo
- Zasłużony dla forum
- Posty: 2747
- Rejestracja: 24 lis 2013, o 19:12
- Reputacja: 21
- Imię: Konrad
- Samochód: Nubira x2
- Silnik:
- Lokalizacja: EBE
- Kontakt:
Re: Awaria Wariatora zmiennych faz rozrządu
Jak one padają to jest sposób by jakąś używkę za 100 kupić i mieć gdzieś to wszystko.
Poproszę szanownych moderatorów o nowy temat cewka zapłonowa i podprostowania naszych OT
Poproszę szanownych moderatorów o nowy temat cewka zapłonowa i podprostowania naszych OT
O partsy pisz PW.
- Avatar
- Fachman
- Posty: 2463
- Rejestracja: 9 sie 2013, o 08:08
- Reputacja: 0
- Imię: Marcin
- Samochód: brak
- Silnik:
- Lokalizacja: Racibórz
- Kontakt:
Re: Awaria Wariatora zmiennych faz rozrządu
Konrad ja już chyba trzeci raz pisze że mam padnieta od Cruza więc jak ktoś chętny to zapraszam po odbiór 

- konradoo
- Zasłużony dla forum
- Posty: 2747
- Rejestracja: 24 lis 2013, o 19:12
- Reputacja: 21
- Imię: Konrad
- Samochód: Nubira x2
- Silnik:
- Lokalizacja: EBE
- Kontakt:
Re: Awaria Wariatora zmiennych faz rozrządu
Gdzieś koło mnie to przemkło niezauważalnie.
To kto chce cewki? By się zajął,a nie np w pracy wrzucił w szafę pełną tajemnic
To kto chce cewki? By się zajął,a nie np w pracy wrzucił w szafę pełną tajemnic

O partsy pisz PW.
- wszim
- Zasłużony dla forum
- Posty: 15495
- Rejestracja: 10 paź 2013, o 22:04
- Reputacja: 146
- Imię: Wojtek
- Samochód: był orlando
- Silnik: 1.8 2H0 141KM (KL7)
- LPG: BRC SQ24
- Inny samochód: toyota RAV4 2.5 hybrid 4x4 222KM
- Lokalizacja: Nowy Sącz
- Kontakt:
Re: Awaria Wariatora zmiennych faz rozrządu
Rzeźbił szlifierką nie będę a na rozkminianie z zewnątrz zwłaszcza popsutej na razie nie mam pomysłu.

-
- Wymiatacz
- Posty: 1616
- Rejestracja: 9 sty 2014, o 16:53
- Reputacja: 35
- Imię: Czesław
- Samochód: Cruze1.8LT+Prem, LPG
- Silnik:
- Lokalizacja: Bielsko-B
- Kontakt:
Re: Awaria Wariatora zmiennych faz rozrządu
Konradoo! Rzeźbić szlifierką można w kółkach KZFR a nie w kostce zalaną żywicą podzespołów elektronicznych montowanych powierzchniowo biorąc pod uwagę ich miniaturyzację
. Była by to tytaniczna praca raczej z mizernym skutkiem.

-
- Stały bywalec
- Posty: 281
- Rejestracja: 4 cze 2015, o 13:50
- Reputacja: 2
- Imię: Paweł
- Samochód: Cruze1,8/Spark1,0
- Silnik: Chyba jest jakiś?
- Lokalizacja: Chwilowo Pyrlandia
- Kontakt:
Re: Awaria Wariatora zmiennych faz rozrządu
A o jakiej cewce do Opla mówimy? Oryginał do Astry J kosztuje ok. 400 zł wiec nie wiem czy jest sens kombinować?
W razie głębokiego doła finansowego można próbować naprawy cewki po rosyjsku za pomocą dłuta, pilnika i Poxipolu.

W razie głębokiego doła finansowego można próbować naprawy cewki po rosyjsku za pomocą dłuta, pilnika i Poxipolu.
- Sebastian
- Moderator
- Posty: 4008
- Rejestracja: 12 sie 2013, o 22:45
- Reputacja: 51
- Imię: Sebastian
- Samochód: 2x Lacetti 1.4&1.6
- Silnik:
- Lokalizacja: Ruda Śląska
- Kontakt:
Re: Awaria Wariatora zmiennych faz rozrządu
Myślę, że delikatnie odciąć obudowę można np dremelem a resztę (żywicę) już ręcznie wydłubywać - mozolna pracabarus pisze:Konradoo! Rzeźbić szlifierką można w kółkach KZFR a nie w kostce zalaną żywicą podzespołów elektronicznych montowanych powierzchniowo biorąc pod uwagę ich miniaturyzację. Była by to tytaniczna praca raczej z mizernym skutkiem.

Serwisowanie, naprawa, montaż: klimatyzacji, wentylacji, systemów ogrzewania - kontakt PW.
-
- Wymiatacz
- Posty: 1616
- Rejestracja: 9 sty 2014, o 16:53
- Reputacja: 35
- Imię: Czesław
- Samochód: Cruze1.8LT+Prem, LPG
- Silnik:
- Lokalizacja: Bielsko-B
- Kontakt:
Re: Awaria Wariatora zmiennych faz rozrządu
Berpa! A na czym ta naprawa polega
Chodzi o zalanie mikropęknięć w żywicy, przez które następują uloty/przebicia WN, czy wydłubanie żywicy i naprawa modułu?

Kto jest online
Użytkownicy przeglądający to forum: Obecnie na forum nie ma żadnego zarejestrowanego użytkownika i 3 gości