Siemka.
Postanowiłem sobie w moim lacetti założyć maty podgrzewające lusterka wszystko ładnie założyłem kable pociągnięte, ale tutaj się zaczynają schody.
I moje pytanie jest takie, czy ktoś kiedyś z was może montował samodzielnie lub wie do których kabelków przy kostce od konsoli muszę się podpiąć aby załączało mi lusterka wraz z podgrzewaniem tylnej szyby?
Własne podgrzewane lusterka Lacetti 2004 r
-
- Świeżak
- Posty: 2
- Rejestracja: 16 lis 2014, o 11:48
- Reputacja: 0
- Imię: Wojciech
- Samochód: lacetti
- Silnik:
- Lokalizacja: Częstochowa
- Kontakt:
- XaRaDaS
- Zasłużony dla forum
- Posty: 7705
- Rejestracja: 20 sie 2013, o 11:17
- Reputacja: 9
- Imię: Andrzej
- Samochód: Orlando LTZ
- Silnik: 1.8 2H0, 141 KM, benz.
- Lokalizacja: WX
- Kontakt:
Re: Własne podgrzewane lusterka Lacetti 2004 r
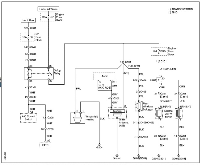
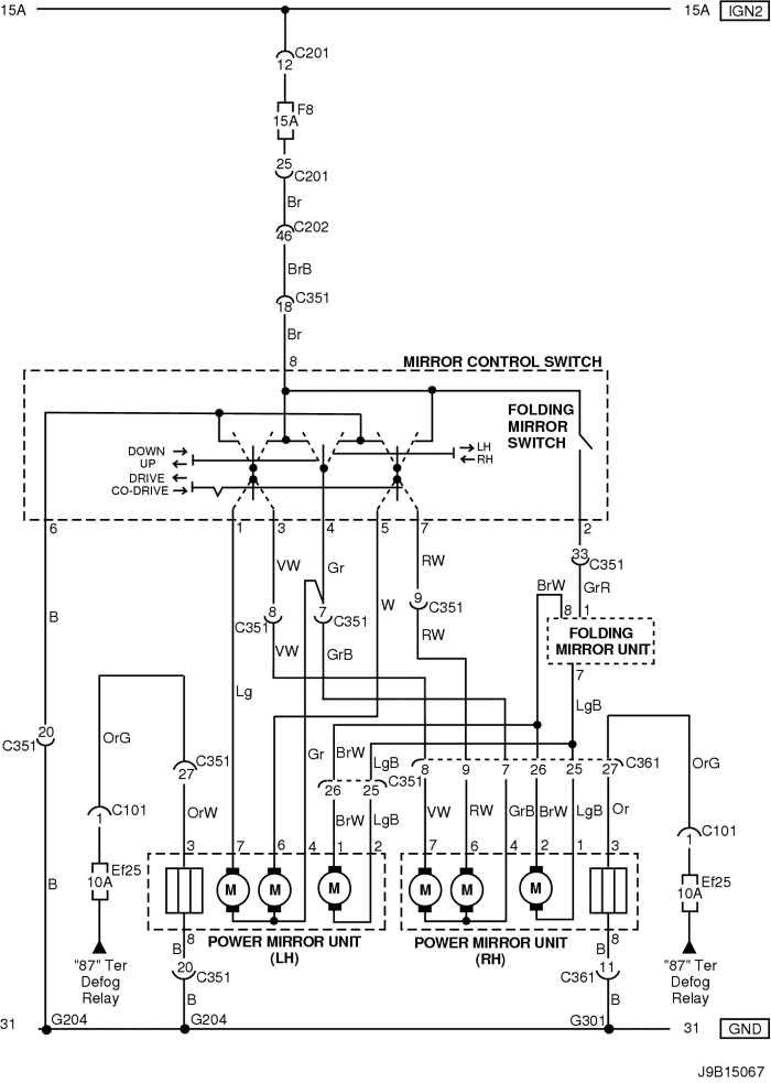
Masz schemat. Nie wiem czy nie potrzebny jest dodatkowy bezpiecznik.
I jeszcze jeden
I bezpieczniki
Musisz mieć bezpiecznik Ef25 10A
I jeszcze jeden
I bezpieczniki
Musisz mieć bezpiecznik Ef25 10A
Ostatnio zmieniony 16 lis 2014, o 15:02 przez XaRaDaS, łącznie zmieniany 1 raz.
Nie dyskutuj z debilem. Najpierw sprowadzi Cię do swojego poziomu, a potem pokona doświadczeniem...
- etac
- Prezes
- Posty: 24968
- Rejestracja: 4 sie 2013, o 00:31
- Reputacja: 300
- Imię: Krzysztof
- Samochód: Opel Astra L ST
- Silnik: 1.2T Pure Tech
- LPG: NIE
- Inny samochód: Yamaha X-MAX Tech Max
- Lokalizacja: SBE
- Kontakt:
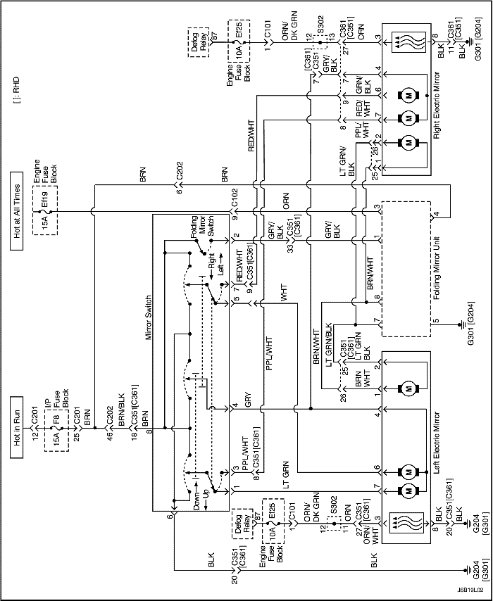
Re: Własne podgrzewane lusterka Lacetti 2004 r
Tutaj masz jak to wyglada w oryginale. Ogrzewanie lusterek jest na tym samym przekazniku co przekaznik szyby ogrzewanej. Wpinasz sie wiec w niego, ale problemem zostaje przejscie z kablem z nadwozia w drzwi, bo wyglada ze trzeba dac dwa kable, gdyż masa musi byc oddzielna.
Xa dał schemat samych lusterek, to ja doloze schemat samej szyby ogrzewanej gdzie trzeba sie wpiąc. Układ jest dobrze zeby był zabezpieczony dodatkowym bezpiecznikiem.
Xa dał schemat samych lusterek, to ja doloze schemat samej szyby ogrzewanej gdzie trzeba sie wpiąc. Układ jest dobrze zeby był zabezpieczony dodatkowym bezpiecznikiem.
Lekcje prywatne są odpłatne, pytania na forum są darmowe
- XaRaDaS
- Zasłużony dla forum
- Posty: 7705
- Rejestracja: 20 sie 2013, o 11:17
- Reputacja: 9
- Imię: Andrzej
- Samochód: Orlando LTZ
- Silnik: 1.8 2H0, 141 KM, benz.
- Lokalizacja: WX
- Kontakt:
Re: Własne podgrzewane lusterka Lacetti 2004 r
Już poprawiłem, bezpiecznik Ef25 MIR HEAT, co prawda trzeba będzie chyba pogrzebać, żeby sprawdzić gdzie idą kable, na pewno sygnał musi się pojawiać z IGN-2 czyli Ef4.
Nie dyskutuj z debilem. Najpierw sprowadzi Cię do swojego poziomu, a potem pokona doświadczeniem...
- Sebastian
- Moderator
- Posty: 4008
- Rejestracja: 12 sie 2013, o 22:45
- Reputacja: 51
- Imię: Sebastian
- Samochód: 2x Lacetti 1.4&1.6
- Silnik:
- Lokalizacja: Ruda Śląska
- Kontakt:
Re: Własne podgrzewane lusterka Lacetti 2004 r
Kolega ma ogrzewanie szyby, więc wpina się w styk 87 przekaźnika zaznaczonego na czerwono na poniższym zdjęciu:
Potem ten przewód zabezpiecza bezpiecznikiem 10A:
- albo montując i wpinając się w bezpiecznik Ef25 (wtedy nie musi dodawać dodatkowego przewodu do bezpiecznika, bo prawdopodobnie wiązka jest) i od niego ciągnąć wiązkę do lusterek,
- albo dołożyć dodatkowy i gdzieś go umieścić w skrzynce (wtedy trzeba tak jak pisałem na początku wpiąć się w przekaźnik i przeciągnąć nowy przewód).
PS.Miałem wrzucić schematy, ale Xa i etac byli szybsi
Pytanie do Nbadach:
Mógłbyś napisać coś więcej o montażu mat ? Trudno było wyjąc ramkę szkła i potem poskładać ?
Potem ten przewód zabezpiecza bezpiecznikiem 10A:
- albo montując i wpinając się w bezpiecznik Ef25 (wtedy nie musi dodawać dodatkowego przewodu do bezpiecznika, bo prawdopodobnie wiązka jest) i od niego ciągnąć wiązkę do lusterek,
- albo dołożyć dodatkowy i gdzieś go umieścić w skrzynce (wtedy trzeba tak jak pisałem na początku wpiąć się w przekaźnik i przeciągnąć nowy przewód).
PS.Miałem wrzucić schematy, ale Xa i etac byli szybsi

Pytanie do Nbadach:
Mógłbyś napisać coś więcej o montażu mat ? Trudno było wyjąc ramkę szkła i potem poskładać ?
Serwisowanie, naprawa, montaż: klimatyzacji, wentylacji, systemów ogrzewania - kontakt PW.
-
- Świeżak
- Posty: 2
- Rejestracja: 16 lis 2014, o 11:48
- Reputacja: 0
- Imię: Wojciech
- Samochód: lacetti
- Silnik:
- Lokalizacja: Częstochowa
- Kontakt:
Re: Własne podgrzewane lusterka Lacetti 2004 r
Ok dzięki Panowie, w weekend będę miał wolne to się tym zajmę i napiszę co i jak.
Seba: Wyjęcie było dosyć łatwe. Podgrzałem sobie delikatnie suszarką aby plastik był miększy i nie popękał. Potem normalnie ściągnąłem, jak by to opisać spychając palcami plastik z lusterka zaczynając od najdłuższej krawędzi. Co ciekawsze nie były one nawet przyklejone do plastiku tylko wsadzone. Co do mat nakleiłem normalnie i po nałożeniu wsuwek z kablami zakleiłem izolacją żeby przypadkiem deszcz nie zrobił zwarcia.
Seba: Wyjęcie było dosyć łatwe. Podgrzałem sobie delikatnie suszarką aby plastik był miększy i nie popękał. Potem normalnie ściągnąłem, jak by to opisać spychając palcami plastik z lusterka zaczynając od najdłuższej krawędzi. Co ciekawsze nie były one nawet przyklejone do plastiku tylko wsadzone. Co do mat nakleiłem normalnie i po nałożeniu wsuwek z kablami zakleiłem izolacją żeby przypadkiem deszcz nie zrobił zwarcia.
Kto jest online
Użytkownicy przeglądający to forum: Obecnie na forum nie ma żadnego zarejestrowanego użytkownika i 1 gość