Problem z temperaturą płynu chłodzącego
- truskawa
- Świeżak
- Posty: 24
- Rejestracja: 26 maja 2021, o 15:05
- Reputacja: 0
- Imię: Piotr
- Samochód: Spark M300
- Silnik: 1.0/68 KM, B10D1, 164k, benz.
- LPG: Nie
- Lokalizacja: Tychy
- Kontakt:
Problem z temperaturą płynu chłodzącego
Cześć, mam pytanie, ponieważ nie znalazłem rozwiązania mojego problemu. Otóż, po wymianie płynu na nowy, podczas jazdy wzrasta temperatura płynu chłodzącego do 100 stopni (pewnie byłoby więcej, ale dalej już nie jechałem). Wzrost jest dosyć szybki, ponieważ od 30 do 90 stopni mija zaledwie kilka maksymalne 20 minut, a od 90 do 100 to kwestia 2-3 minut.
Sprawdziłem płyn w zbiorniczku i nie zauważyłem ubytku. Co może być przyczyną termostat, a może czujniki płynu chłodzącego?
Czy też w układzie znajduje się jeszcze jakieś powietrze, gdyż układ mógł się prawidłowo nieodpowietrzyć?
Sprawdziłem płyn w zbiorniczku i nie zauważyłem ubytku. Co może być przyczyną termostat, a może czujniki płynu chłodzącego?
Czy też w układzie znajduje się jeszcze jakieś powietrze, gdyż układ mógł się prawidłowo nieodpowietrzyć?
- etac
- Prezes
- Posty: 24968
- Rejestracja: 4 sie 2013, o 00:31
- Reputacja: 300
- Imię: Krzysztof
- Samochód: Opel Astra L ST
- Silnik: 1.2T Pure Tech
- LPG: NIE
- Inny samochód: Yamaha X-MAX Tech Max
- Lokalizacja: SBE
- Kontakt:
Re: Problem z temperaturą płynu chłodzącego
Przeczytaj:
wygląda na to że on się dopiero rozgrzewał.Podczas jazdy temperatura cieczy chłodzącej wzrasta w miarę nagrzewania się silnika pojazdu. Gdy ciecz chłodząca osiąga określoną temperaturę, parafina w termostacie zwiększa swoją objętość i wywiera nacisk na metalową kasetę, co z kolei powoduje otwarcie zaworu. Umożliwia to przepływ cieczy chłodzącej przez układ chłodzenia i ochłodzenie silnika. Po ochłodzeniu parafiny i zmniejszeniu się jej objętości sprężyna powoduje zamknięcie zaworu. Aby zapewnić obniżenie zużycia paliwa i niższą emisję w trakcie jazdy w warunkach niepełnego obciążenia, elektrycznie sterowany termostat umożliwia zmianę temperatury otwierania termostatu. Zasadniczo termostat zaczyna się otwierać przy temperaturze 105° C (221° F), a całkowite otwarcie następuje w temperaturze 120° C (248° F), bez wspomagania energią elektryczną.
Lekcje prywatne są odpłatne, pytania na forum są darmowe
- truskawa
- Świeżak
- Posty: 24
- Rejestracja: 26 maja 2021, o 15:05
- Reputacja: 0
- Imię: Piotr
- Samochód: Spark M300
- Silnik: 1.0/68 KM, B10D1, 164k, benz.
- LPG: Nie
- Lokalizacja: Tychy
- Kontakt:
Re: Problem z temperaturą płynu chłodzącego
Hmm..., czyli mam to rozumieć, że wszystko jest w porządku? Dziwne, bo wcześniej (przed wymianą) trzymał równe 90 stopni. A druga sprawa to, że termostat termostatowi nie równy, ponieważ mogą wyglądać tak samo, ale mieć różne temperatury otwarcia.
- bubu1769
- Administrator
- Posty: 6870
- Rejestracja: 5 wrz 2018, o 16:40
- Reputacja: 457
- Imię: Bartłomiej
- Samochód: Aveo T250
- Silnik: 1.4 101KM
- Inny samochód: Orlando 1.4T, Meriva A 1.8
- Lokalizacja: Kalisz
- Kontakt:
Re: Problem z temperaturą płynu chłodzącego
A czy termostat też wymieniłeś?
- truskawa
- Świeżak
- Posty: 24
- Rejestracja: 26 maja 2021, o 15:05
- Reputacja: 0
- Imię: Piotr
- Samochód: Spark M300
- Silnik: 1.0/68 KM, B10D1, 164k, benz.
- LPG: Nie
- Lokalizacja: Tychy
- Kontakt:
Re: Problem z temperaturą płynu chłodzącego
No nie, oprócz płynu chłodzącego nic nie ruszałem. Nie ma żadnego wycieku, wszystkie węże są suche. Nie mam pomysłu co to może być, jutro sprawdzę chłodnicę, czujnik płynu chłodzącego i termostat. Czy problemem może być tez pompa wody?
- etac
- Prezes
- Posty: 24968
- Rejestracja: 4 sie 2013, o 00:31
- Reputacja: 300
- Imię: Krzysztof
- Samochód: Opel Astra L ST
- Silnik: 1.2T Pure Tech
- LPG: NIE
- Inny samochód: Yamaha X-MAX Tech Max
- Lokalizacja: SBE
- Kontakt:
Re: Problem z temperaturą płynu chłodzącego
raz jeszcze: fabryczny termostat ma otwarcie jak w opisie. Jeśli rośnie do 107st C i włączają się wentylatory to nic mu się nie dzieje.
Lekcje prywatne są odpłatne, pytania na forum są darmowe
- truskawa
- Świeżak
- Posty: 24
- Rejestracja: 26 maja 2021, o 15:05
- Reputacja: 0
- Imię: Piotr
- Samochód: Spark M300
- Silnik: 1.0/68 KM, B10D1, 164k, benz.
- LPG: Nie
- Lokalizacja: Tychy
- Kontakt:
Re: Problem z temperaturą płynu chłodzącego
Aha, właśnie, a może problemem jestem wentylator, dziękuję za podpowiedź 

- truskawa
- Świeżak
- Posty: 24
- Rejestracja: 26 maja 2021, o 15:05
- Reputacja: 0
- Imię: Piotr
- Samochód: Spark M300
- Silnik: 1.0/68 KM, B10D1, 164k, benz.
- LPG: Nie
- Lokalizacja: Tychy
- Kontakt:
Re: Problem z temperaturą płynu chłodzącego
etac sprawdziłem i wszystko jest w porządku. Mam jednak pewne spostrzeżenia, otóż wentylator włączą się przy 108 stopniach, a wyłącza przy 102 stopniach, jednak wydaje mi się, że termostat otwiera się w pełni już przy 105 stopniach - tak przypuszczam, ponieważ po dodaniu gazu płyn wraca do zbiorniczka wężem z dużego obiegu.
Jeżeli bym chciał, aby wentylator włączał się przy 95-100 stopniach, to czy wymiana samego termostatu na taki, który ma temperaturę otwarcia 90-95 stopni coś tutaj pomoże, czy to raczej wszystko zależy od samego wentylatora bądź jakiegoś czujnika (chłodnicy albo termostatu)?
Jeżeli bym chciał, aby wentylator włączał się przy 95-100 stopniach, to czy wymiana samego termostatu na taki, który ma temperaturę otwarcia 90-95 stopni coś tutaj pomoże, czy to raczej wszystko zależy od samego wentylatora bądź jakiegoś czujnika (chłodnicy albo termostatu)?
- bubu1769
- Administrator
- Posty: 6870
- Rejestracja: 5 wrz 2018, o 16:40
- Reputacja: 457
- Imię: Bartłomiej
- Samochód: Aveo T250
- Silnik: 1.4 101KM
- Inny samochód: Orlando 1.4T, Meriva A 1.8
- Lokalizacja: Kalisz
- Kontakt:
Re: Problem z temperaturą płynu chłodzącego
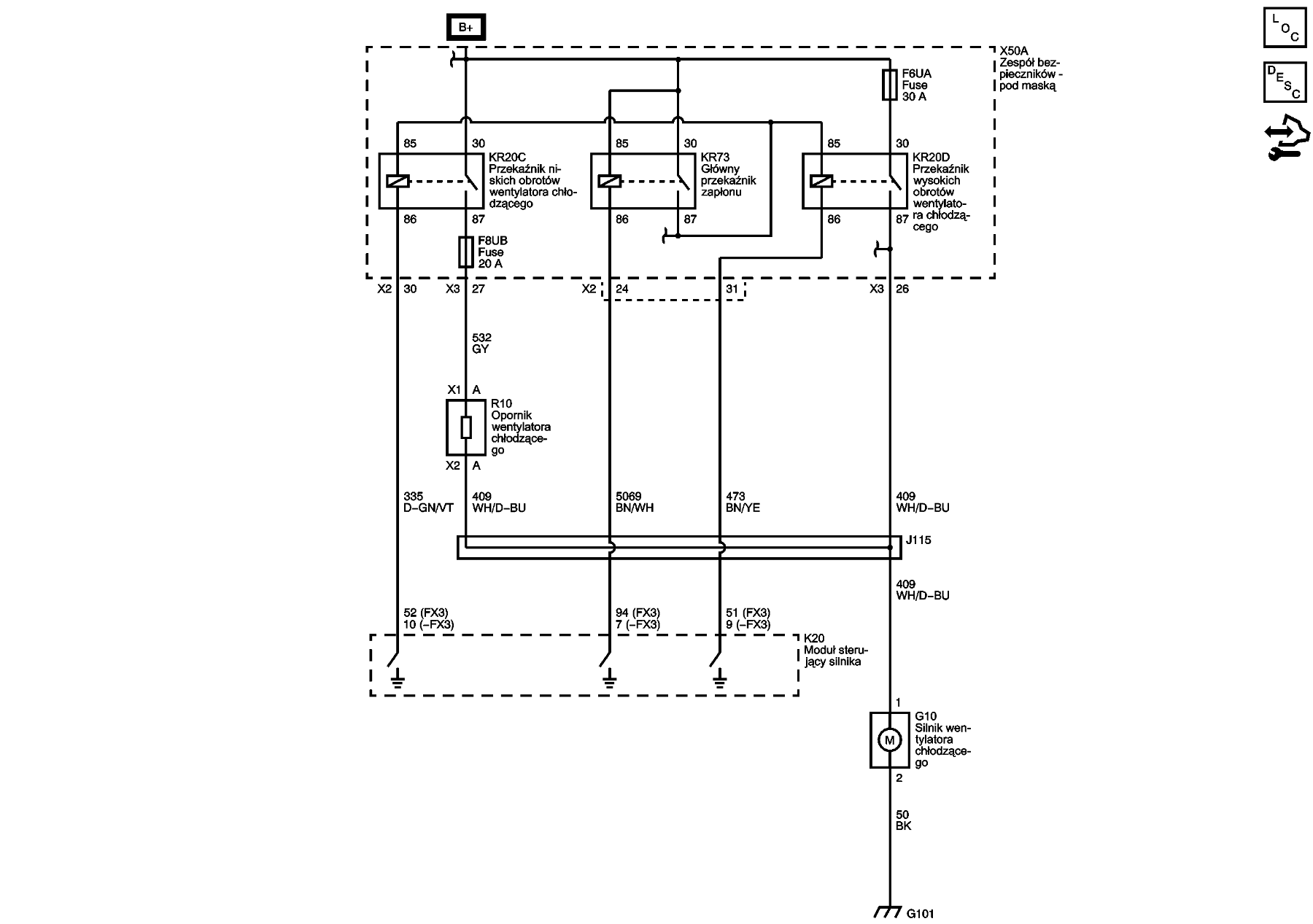
Nic to nie da ponieważ załączaniem wentylatora steruje ECM.
- truskawa
- Świeżak
- Posty: 24
- Rejestracja: 26 maja 2021, o 15:05
- Reputacja: 0
- Imię: Piotr
- Samochód: Spark M300
- Silnik: 1.0/68 KM, B10D1, 164k, benz.
- LPG: Nie
- Lokalizacja: Tychy
- Kontakt:
Re: Problem z temperaturą płynu chłodzącego
Rozumiem, że jeżeli bym podłączył samochód do komputera, to można zmienić wartość temperatury?
- etac
- Prezes
- Posty: 24968
- Rejestracja: 4 sie 2013, o 00:31
- Reputacja: 300
- Imię: Krzysztof
- Samochód: Opel Astra L ST
- Silnik: 1.2T Pure Tech
- LPG: NIE
- Inny samochód: Yamaha X-MAX Tech Max
- Lokalizacja: SBE
- Kontakt:
Re: Problem z temperaturą płynu chłodzącego
tak Piotr, tak 
Niestety tak słodko nie jest

Niestety tak słodko nie jest

Lekcje prywatne są odpłatne, pytania na forum są darmowe
- truskawa
- Świeżak
- Posty: 24
- Rejestracja: 26 maja 2021, o 15:05
- Reputacja: 0
- Imię: Piotr
- Samochód: Spark M300
- Silnik: 1.0/68 KM, B10D1, 164k, benz.
- LPG: Nie
- Lokalizacja: Tychy
- Kontakt:
Re: Problem z temperaturą płynu chłodzącego
Dziękuję bardzo panowie za wsparcie merytoryczne
Myślę, że temat jest już wyczerpany.

Kto jest online
Użytkownicy przeglądający to forum: Obecnie na forum nie ma żadnego zarejestrowanego użytkownika i 1 gość