Wymiana silniczka wycieraczek
-
- Świeżak
- Posty: 12
- Rejestracja: 7 maja 2021, o 08:36
- Reputacja: 0
- Imię: Paweł
- Samochód: Chevrolet Spark
- Silnik: 1.0 50kw 2010r
- LPG: Nie
- Lokalizacja: Przemyślc
- Kontakt:
Wymiana silniczka wycieraczek
Witam,
Ostatnio podczas wymiany silniczka (całego mechanizmu) wycieraczek natrafiłem na kostkę z dwoma obciętymi przewodami. Czy ktoś z Was wie do czego powinna być podłączona ta kostka z przewodami?
Ostatnio podczas wymiany silniczka (całego mechanizmu) wycieraczek natrafiłem na kostkę z dwoma obciętymi przewodami. Czy ktoś z Was wie do czego powinna być podłączona ta kostka z przewodami?
- etac
- Prezes
- Posty: 24968
- Rejestracja: 4 sie 2013, o 00:31
- Reputacja: 300
- Imię: Krzysztof
- Samochód: Opel Astra L ST
- Silnik: 1.2T Pure Tech
- LPG: NIE
- Inny samochód: Yamaha X-MAX Tech Max
- Lokalizacja: SBE
- Kontakt:
Re: Wymiana silniczka wycieraczek
Jaka kostka?
Lekcje prywatne są odpłatne, pytania na forum są darmowe
- MIDO
- Wymiatacz
- Posty: 1314
- Rejestracja: 5 sty 2014, o 14:38
- Reputacja: 32
- Imię: Miłosz
- Samochód: Aveo T300 LTZ
- Silnik: 1,4 74kW
- LPG: BRC SQ32 Alba
- Inny samochód: Hyundai i20 Cool
- Lokalizacja: Wrocław
- Kontakt:
- etac
- Prezes
- Posty: 24968
- Rejestracja: 4 sie 2013, o 00:31
- Reputacja: 300
- Imię: Krzysztof
- Samochód: Opel Astra L ST
- Silnik: 1.2T Pure Tech
- LPG: NIE
- Inny samochód: Yamaha X-MAX Tech Max
- Lokalizacja: SBE
- Kontakt:
Re: Wymiana silniczka wycieraczek
a masz klimę automatyczną?
Lekcje prywatne są odpłatne, pytania na forum są darmowe
-
- Świeżak
- Posty: 12
- Rejestracja: 7 maja 2021, o 08:36
- Reputacja: 0
- Imię: Paweł
- Samochód: Chevrolet Spark
- Silnik: 1.0 50kw 2010r
- LPG: Nie
- Lokalizacja: Przemyślc
- Kontakt:
Re: Wymiana silniczka wycieraczek
Auto jest bez klimatyzacji
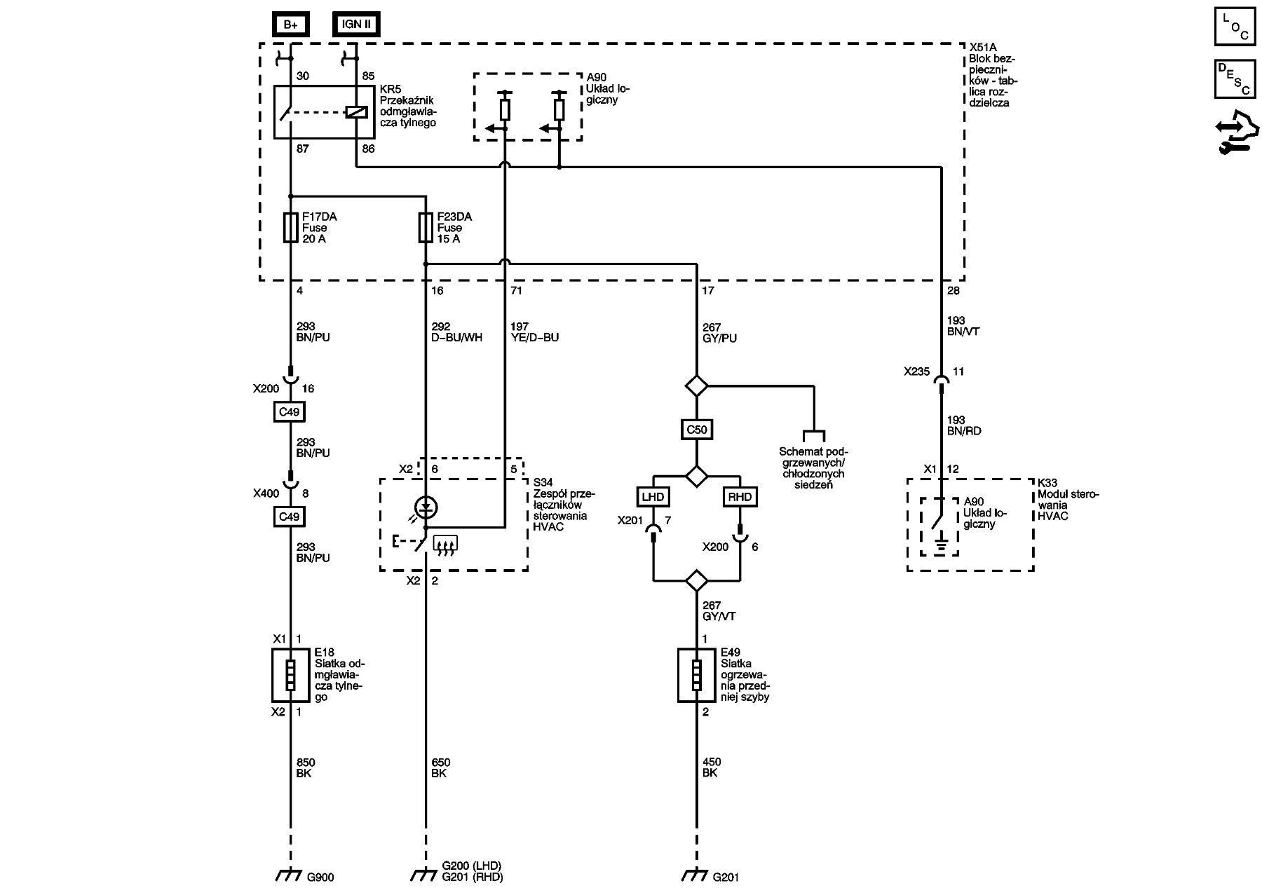
Dokładnie chodzi o zakreśloną na zdjęciu przez MIDO kostkę z kawałkiem przewodu
Dokładnie chodzi o zakreśloną na zdjęciu przez MIDO kostkę z kawałkiem przewodu
- etac
- Prezes
- Posty: 24968
- Rejestracja: 4 sie 2013, o 00:31
- Reputacja: 300
- Imię: Krzysztof
- Samochód: Opel Astra L ST
- Silnik: 1.2T Pure Tech
- LPG: NIE
- Inny samochód: Yamaha X-MAX Tech Max
- Lokalizacja: SBE
- Kontakt:
Re: Wymiana silniczka wycieraczek
No to jedynie szukanie przez porównanie, znalezienie czegoś w serwisówce jest trudne.
Lekcje prywatne są odpłatne, pytania na forum są darmowe
- bubu1769
- Administrator
- Posty: 6869
- Rejestracja: 5 wrz 2018, o 16:40
- Reputacja: 457
- Imię: Bartłomiej
- Samochód: Aveo T250
- Silnik: 1.4 101KM
- Inny samochód: Orlando 1.4T, Meriva A 1.8
- Lokalizacja: Kalisz
- Kontakt:
Re: Wymiana silniczka wycieraczek
Rozumiem że mowoma tu i Sparku M300.
W TIS-ie niby jest pokazana lokalizacja złącz ale niestety ich opis kończy się na pozycji 15 a ciebie prawdopodobnie interesuje 62 Jak będę mieć dłuższą chwilę czasu postaram się przejrzeć jeszcze TIS-a może coś konkretniejszego znajdę.
W TIS-ie niby jest pokazana lokalizacja złącz ale niestety ich opis kończy się na pozycji 15 a ciebie prawdopodobnie interesuje 62 Jak będę mieć dłuższą chwilę czasu postaram się przejrzeć jeszcze TIS-a może coś konkretniejszego znajdę.
-
- Świeżak
- Posty: 12
- Rejestracja: 7 maja 2021, o 08:36
- Reputacja: 0
- Imię: Paweł
- Samochód: Chevrolet Spark
- Silnik: 1.0 50kw 2010r
- LPG: Nie
- Lokalizacja: Przemyślc
- Kontakt:
Re: Wymiana silniczka wycieraczek
Tak, dokładnie chodzi o pozycję 62 ze schematu. Będę bardzo wdzięczny za pomoc!
- etac
- Prezes
- Posty: 24968
- Rejestracja: 4 sie 2013, o 00:31
- Reputacja: 300
- Imię: Krzysztof
- Samochód: Opel Astra L ST
- Silnik: 1.2T Pure Tech
- LPG: NIE
- Inny samochód: Yamaha X-MAX Tech Max
- Lokalizacja: SBE
- Kontakt:
Re: Wymiana silniczka wycieraczek
Też to znalazłem, ale nie mogę znaleźć tego 62 w TIS.
Lekcje prywatne są odpłatne, pytania na forum są darmowe
- bubu1769
- Administrator
- Posty: 6869
- Rejestracja: 5 wrz 2018, o 16:40
- Reputacja: 457
- Imię: Bartłomiej
- Samochód: Aveo T250
- Silnik: 1.4 101KM
- Inny samochód: Orlando 1.4T, Meriva A 1.8
- Lokalizacja: Kalisz
- Kontakt:
Re: Wymiana silniczka wycieraczek
Bo właśnie numer 62 tyczy się jedynie tego schematu, pod nim znajduje się rozpiska który numer to które złącze ale oczywiście by bylo by zbyt prosto i lista kończy się na pozycji 15.
Czasami TIS potrafi być naprawdę "pomocny"
Czasami TIS potrafi być naprawdę "pomocny"
- bubu1769
- Administrator
- Posty: 6869
- Rejestracja: 5 wrz 2018, o 16:40
- Reputacja: 457
- Imię: Bartłomiej
- Samochód: Aveo T250
- Silnik: 1.4 101KM
- Inny samochód: Orlando 1.4T, Meriva A 1.8
- Lokalizacja: Kalisz
- Kontakt:
Re: Wymiana silniczka wycieraczek
Dobra, znalazłem w rosyjskiej wersji TIS-a
(62) E49 Złącze siatkowe odmgławiacza przedniej szyby
Jak dla mnie to chodzi o podgrzewaną przednią szybę.
(62) E49 Złącze siatkowe odmgławiacza przedniej szyby
Jak dla mnie to chodzi o podgrzewaną przednią szybę.
-
- Świeżak
- Posty: 12
- Rejestracja: 7 maja 2021, o 08:36
- Reputacja: 0
- Imię: Paweł
- Samochód: Chevrolet Spark
- Silnik: 1.0 50kw 2010r
- LPG: Nie
- Lokalizacja: Przemyślc
- Kontakt:
Re: Wymiana silniczka wycieraczek
WIELKIE DZIĘKI !!! 
-
- Bywalec
- Posty: 159
- Rejestracja: 19 lut 2015, o 21:10
- Reputacja: 1
- Imię: Daniel
- Samochód: Spark
- Silnik:
- Lokalizacja: Będzin
- Kontakt:
Re: Wymiana silniczka wycieraczek
Cześć, tak z ciekawości wczoraj będąc na naprawie szyby czołowej po oberwaniu kamyczkiem poprosiłem o wycenę nowe szyby tak na przyszłość gdyby coś niepokojącego się działo. Otrzymałem SMS o treści "Nowa szyba z montażem to 600 zł plus ewentualnie nowa uszczelka w tych modelach montowane były szyby z podgrzewanym polem wycieraczek nie przyglądałem się dokładnie w czarnym polu na dole widać pomarańczowe linie pozdrawiam" tak więc z powyższej treści mamy odpowiedź na nurtujące wszystkich w tym mnie pytanie.
Kto jest online
Użytkownicy przeglądający to forum: Obecnie na forum nie ma żadnego zarejestrowanego użytkownika i 1 gość