Zamek centralny
-
- Świeżak
- Posty: 10
- Rejestracja: 27 lip 2019, o 05:38
- Reputacja: 0
- Imię: Patryk
- Samochód: Captiva
- Silnik: 2.2D,LTZ,184KM
- Lokalizacja: Grajewo
- Kontakt:
Zamek centralny
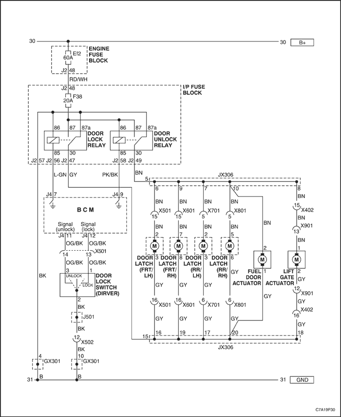
Witam. Czy ktoś z Was wstawiał niefabryczny moduł zamka centralnego w Captivie? Gdzie można zlokalizować centralkę?
Ostatnio zmieniony 28 lip 2020, o 07:39 przez bubu1769, łącznie zmieniany 1 raz.
Powód: Interpunkcja.
Powód: Interpunkcja.
- bubu1769
- Administrator
- Posty: 6870
- Rejestracja: 5 wrz 2018, o 16:40
- Reputacja: 457
- Imię: Bartłomiej
- Samochód: Aveo T250
- Silnik: 1.4 101KM
- Inny samochód: Orlando 1.4T, Meriva A 1.8
- Lokalizacja: Kalisz
- Kontakt:
Re: Zamek centralny
Ogólnie zamki są sterowane z BCM ale przekaźniki od nich znajdują się w skrzynce bezpieczników i tam można by było się podpiąć z niefabrycznym modułem.
A tak to co ci się dzieje że chcesz dokładać moduł centralnego?
A tak to co ci się dzieje że chcesz dokładać moduł centralnego?
-
- Świeżak
- Posty: 10
- Rejestracja: 27 lip 2019, o 05:38
- Reputacja: 0
- Imię: Patryk
- Samochód: Captiva
- Silnik: 2.2D,LTZ,184KM
- Lokalizacja: Grajewo
- Kontakt:
Re: Zamek centralny
Dokładnie to chcę podłączyć coś takiego
https://a.aliexpress.com/_BOxfGZ i to podpina się pod centralkę z tego co widziałem
https://a.aliexpress.com/_BOxfGZ i to podpina się pod centralkę z tego co widziałem
- bubu1769
- Administrator
- Posty: 6870
- Rejestracja: 5 wrz 2018, o 16:40
- Reputacja: 457
- Imię: Bartłomiej
- Samochód: Aveo T250
- Silnik: 1.4 101KM
- Inny samochód: Orlando 1.4T, Meriva A 1.8
- Lokalizacja: Kalisz
- Kontakt:
Re: Zamek centralny
Nie bardzo rozumiem jakie dokładnie sygnały to podaje do centralnego zamka, wydaje mi się że podaje sygnały masy i w takim razie trzeba by się podpiąć pod wejścia sygnałów z kluczyka do BCM.
-
- Świeżak
- Posty: 10
- Rejestracja: 27 lip 2019, o 05:38
- Reputacja: 0
- Imię: Patryk
- Samochód: Captiva
- Silnik: 2.2D,LTZ,184KM
- Lokalizacja: Grajewo
- Kontakt:
Re: Zamek centralny
Czyli przy silniku,czy za radiem?
- bubu1769
- Administrator
- Posty: 6870
- Rejestracja: 5 wrz 2018, o 16:40
- Reputacja: 457
- Imię: Bartłomiej
- Samochód: Aveo T250
- Silnik: 1.4 101KM
- Inny samochód: Orlando 1.4T, Meriva A 1.8
- Lokalizacja: Kalisz
- Kontakt:
Re: Zamek centralny
BCM to moduł sterowania nadwoziem, czyli ten za radiem.
Od silnika jest ECM.
W złączu od drzwi też dało by rade się podpiąć.
Od silnika jest ECM.
W złączu od drzwi też dało by rade się podpiąć.
-
- Świeżak
- Posty: 10
- Rejestracja: 27 lip 2019, o 05:38
- Reputacja: 0
- Imię: Patryk
- Samochód: Captiva
- Silnik: 2.2D,LTZ,184KM
- Lokalizacja: Grajewo
- Kontakt:
Re: Zamek centralny
Więc powalcze wpierw z tymi kablami przy drzwiach,może coś z tego wyjdzie
-
- Świeżak
- Posty: 10
- Rejestracja: 27 lip 2019, o 05:38
- Reputacja: 0
- Imię: Patryk
- Samochód: Captiva
- Silnik: 2.2D,LTZ,184KM
- Lokalizacja: Grajewo
- Kontakt:
Re: Zamek centralny
Guzik wychodzi,tyle tych przewodów że nie wiem gdzie się wpinać
Kto jest online
Użytkownicy przeglądający to forum: Obecnie na forum nie ma żadnego zarejestrowanego użytkownika i 1 gość