Problem z zasilaniem gniazda haka
-
- Świeżak
- Posty: 4
- Rejestracja: 22 lis 2017, o 11:31
- Reputacja: 0
- Imię: Paweł
- Samochód: Captiva 2.2 LTZ
- Silnik:
- Lokalizacja: Latowicz
- Kontakt:
Problem z zasilaniem gniazda haka
Witam mam problem przez własną nieuwagę. Po podłączeniu przyczepki do auta zauważyłem że Jedno światło się nie świeci i postanowiłem sprawdzić co się dzieje niestety nie wyłączyłem świateł a poruszając żarówkę w lampie spowodowałem jakieś spięcie i od tej pory nie działają światła ale tylko w przyczepce. Zastanawiam się czy spaliłem moduł czy tylko bezpiecznik I gdzie teraz tego szukać.
-
- Świeżak
- Posty: 4
- Rejestracja: 22 lis 2017, o 11:31
- Reputacja: 0
- Imię: Paweł
- Samochód: Captiva 2.2 LTZ
- Silnik:
- Lokalizacja: Latowicz
- Kontakt:
Re: Problem z zasilaniem gniazda haka
Problem rozwiązał elektryk a przyczyna był spalony bezpiecznik 10a w skrzynce pod maską który najprawdopodobnej ja pominęłem przy sprawdzaniu.
-
- Aktywny
- Posty: 86
- Rejestracja: 28 paź 2017, o 11:48
- Reputacja: 2
- Imię: Korneliusz
- Samochód: Captiva 2.0 D 4WD 07
- Silnik:
- Lokalizacja: Szczecin
- Kontakt:
Re: Problem z zasilaniem gniazda haka
No widzisz
mała rzecz a cieszy.
Ale dobrze że napisałeś o tym , na pewno jeszcze komuś się przyda ta informacja.
pozdrówka

mała rzecz a cieszy.
Ale dobrze że napisałeś o tym , na pewno jeszcze komuś się przyda ta informacja.
pozdrówka
- Captiva 2,4 B
- Świeżak
- Posty: 35
- Rejestracja: 12 lip 2018, o 17:45
- Reputacja: 0
- Imię: Marek
- Samochód: Captiva 2,4
- Silnik:
- Lokalizacja: Ostrołęka
- Kontakt:
Instalacja elektryczna do przyczepy.
Witam. Mam nietypowy dla mnie problem. Po zwarciu w kierunkowskazie przyczepy, obecnie nie mam kierunkowskazów tylnych ani w przyczepie ani w samochodzie. Kiedy odłączam przyczepę jest ok. Moje pytanie: Czy są jakieś bezpieczniki do instalacji haka? Rozebrałem bagażnik. Przy podłodze ani po bokach nie ma. Jest tylko moduł i jakieś chyba przekaźniki. Proszę o info.
Marek
Marek
- Captiva 2,4 B
- Świeżak
- Posty: 35
- Rejestracja: 12 lip 2018, o 17:45
- Reputacja: 0
- Imię: Marek
- Samochód: Captiva 2,4
- Silnik:
- Lokalizacja: Ostrołęka
- Kontakt:
Re: Problem z zasilaniem gniazda haka
Który to bezpiecznik koledzy?. Mam ten sam problem.
-
- Świeżak
- Posty: 4
- Rejestracja: 22 lis 2017, o 11:31
- Reputacja: 0
- Imię: Paweł
- Samochód: Captiva 2.2 LTZ
- Silnik:
- Lokalizacja: Latowicz
- Kontakt:
Re: Problem z zasilaniem gniazda haka
Pod maska dokładnie sprawdźcie, u mnie był 10a
- Captiva 2,4 B
- Świeżak
- Posty: 35
- Rejestracja: 12 lip 2018, o 17:45
- Reputacja: 0
- Imię: Marek
- Samochód: Captiva 2,4
- Silnik:
- Lokalizacja: Ostrołęka
- Kontakt:
Re: Problem z zasilaniem gniazda haka
Elektryka gniazda haka - pomocy!! .
Po zwarciu w prawym kierunkowskazie przyczepki, obecnie przy podłączonej przyczepce nie mam żadnych kierunkowskazów z tyłu w samochodzie i przyczepie. Reszta świateł jest. Sprawdzałem bezpieczniki w tunelu i pod maską - są ok. Innych bezpieczników nie mogę znaleźć. (Czy jeszcze jakieś są ??? ) Mam moduł JAEGER - wygląda normalnie, nie znam się. Gdzie może być przyczyna braku kierunkowskazów? Proszę o pomoc.
Captiva 2,4 B, 2009 r.
Po zwarciu w prawym kierunkowskazie przyczepki, obecnie przy podłączonej przyczepce nie mam żadnych kierunkowskazów z tyłu w samochodzie i przyczepie. Reszta świateł jest. Sprawdzałem bezpieczniki w tunelu i pod maską - są ok. Innych bezpieczników nie mogę znaleźć. (Czy jeszcze jakieś są ??? ) Mam moduł JAEGER - wygląda normalnie, nie znam się. Gdzie może być przyczyna braku kierunkowskazów? Proszę o pomoc.
Captiva 2,4 B, 2009 r.
- Captiva 2,4 B
- Świeżak
- Posty: 35
- Rejestracja: 12 lip 2018, o 17:45
- Reputacja: 0
- Imię: Marek
- Samochód: Captiva 2,4
- Silnik:
- Lokalizacja: Ostrołęka
- Kontakt:
Re: Problem z zasilaniem gniazda haka
Problem rozwiązany. Bezpiecznik 10 A znajduje się po lewej stronie w bagażniku. Należy wyjąć lewy schowek i na lewej ścianie znajdujemy bezpiecznik. Doszedłem do tego sam
. Znalazłem instrukcję montażu tego haka.
Pozdrawiam. Marek B.

Pozdrawiam. Marek B.
-
- Fachman
- Posty: 5139
- Rejestracja: 13 lis 2016, o 20:57
- Reputacja: 45
- Imię: Mariusz
- Samochód: Orlando 1.8 LPG LT+
- Silnik: 1.8 2HO, 141KM Pb
- LPG: BRC SQ24 Genius 1500
- Lokalizacja: Opole
- Kontakt:
Re: Problem z zasilaniem gniazda haka
Brawo Ty.
Wysłane z mojego G8142 przy użyciu Tapatalka
Wysłane z mojego G8142 przy użyciu Tapatalka
-
- Świeżak
- Posty: 9
- Rejestracja: 26 sty 2018, o 17:35
- Reputacja: 0
- Imię: Marcin
- Samochód: Captiva 2012
- Silnik:
- Lokalizacja: Sieraków
- Kontakt:
Brak świateł przy przyczepie
Drodzy Koledzy!
Problem pojawił się z własnej głupoty. Wymieniałem żarówkę przy przyczepie na włączonych światłach i doszło do bardzo krótkiego zwarcia. Od tego momentu podłączają przyczepę do mojej Captivy z 2012r. nie mam przy niej świateł. Dodam, że wcześniej wszystko działało OK, kierunki i przeciwmgłowe działa prawidłowo. Auto wykrywa przyczepę i wyłącza czujniki cofania. Sprawdzałem bezpieczniki, ale jeżeli nawet jakiś padł, to nie trafiłem na niego. Pomóżcie koledzy bo w czwartek muszę pilnie pojechać w trasę i potrzebuję zabrać ze sobą przyczepę. Z góry dziękuję za wszelkie sugestie!
Pozdrawiam!
___________________
Marcin
Problem pojawił się z własnej głupoty. Wymieniałem żarówkę przy przyczepie na włączonych światłach i doszło do bardzo krótkiego zwarcia. Od tego momentu podłączają przyczepę do mojej Captivy z 2012r. nie mam przy niej świateł. Dodam, że wcześniej wszystko działało OK, kierunki i przeciwmgłowe działa prawidłowo. Auto wykrywa przyczepę i wyłącza czujniki cofania. Sprawdzałem bezpieczniki, ale jeżeli nawet jakiś padł, to nie trafiłem na niego. Pomóżcie koledzy bo w czwartek muszę pilnie pojechać w trasę i potrzebuję zabrać ze sobą przyczepę. Z góry dziękuję za wszelkie sugestie!
Pozdrawiam!
___________________
Marcin
-
- Fachman
- Posty: 5139
- Rejestracja: 13 lis 2016, o 20:57
- Reputacja: 45
- Imię: Mariusz
- Samochód: Orlando 1.8 LPG LT+
- Silnik: 1.8 2HO, 141KM Pb
- LPG: BRC SQ24 Genius 1500
- Lokalizacja: Opole
- Kontakt:
Re: Brak świateł przy przyczepie
Sprawdź pod maską, czy niema dodatkowego bezpiecznika.
Szukaj w pobliżu akumulatora.
Wysłane z mojego G8142 przy użyciu Tapatalka
Szukaj w pobliżu akumulatora.
Wysłane z mojego G8142 przy użyciu Tapatalka
- Sebastian
- Moderator
- Posty: 4008
- Rejestracja: 12 sie 2013, o 22:45
- Reputacja: 51
- Imię: Sebastian
- Samochód: 2x Lacetti 1.4&1.6
- Silnik:
- Lokalizacja: Ruda Śląska
- Kontakt:
Re: Problem z zasilaniem gniazda haka
Światła w aucie po odłączeniu przyczepy działają ? Jeśli tak to moim zdaniem albo padł moduł, albo jakiś bezpiecznik w nim/obok niego.
Serwisowanie, naprawa, montaż: klimatyzacji, wentylacji, systemów ogrzewania - kontakt PW.
- Captiva 2,4 B
- Świeżak
- Posty: 35
- Rejestracja: 12 lip 2018, o 17:45
- Reputacja: 0
- Imię: Marek
- Samochód: Captiva 2,4
- Silnik:
- Lokalizacja: Ostrołęka
- Kontakt:
Re: Problem z zasilaniem gniazda haka
Dodam, że w mojej captivie zasilanie brane było z gniazda 12 V w bagażniku. Jak sprawdzałem bezpiecznik, to wydawal sie dobry. Sprawdziłem drugi raz i okazało się, że jednak jest przepalony - bardzo mała przerwa. Trzeba wszystko spokojnie, bardzo dokładnie sprawdzić.
-
- Świeżak
- Posty: 9
- Rejestracja: 26 sty 2018, o 17:35
- Reputacja: 0
- Imię: Marcin
- Samochód: Captiva 2012
- Silnik:
- Lokalizacja: Sieraków
- Kontakt:
Re: Problem z zasilaniem gniazda haka
Problem rozwiązany.Przepalony bezpiecznik 10A pod maską.Dzięki Koledzy!
-
- Świeżak
- Posty: 3
- Rejestracja: 23 kwie 2023, o 07:46
- Reputacja: 0
- Imię: Wojciech
- Samochód: Captiva 2009
- Silnik: 2.0d 150KM
- Lokalizacja: Ruda Śląska
- Kontakt:
Re: Problem z zasilaniem gniazda haka
Cześć, odświeżając temat
Zwarcie na kierunkowskazie przyczepki. Brak kierunków w przyczepie, na aucie sprawne, przyspieszone mruganie. Po odłączeniu przyczepy, praca prawidłowa.
Instalacja oryginał, moduł przekaźników odpowiedzialnych za kierunkowskazy haka są w bagażniku pod schowkiem z prawej strony, nr: 96825990.
Pracuje on cały czas, słychać głośne cykanie przekaźników w bagażniku, nawet bez podpiętej przyczepy. Podłączony on jest pod bezpiecznik tylnego gniazdka zapalniczki w kabinie. Sprawdzając bezpieczniki miernikiem, nie wykryłem przerwy, albo przypadkiem pominąłem. Bezpiecznik nr 34 w kabinie. O dziwo w instrukcji obsługi pokazane jest, że na zapalniczkę jest jeden bezpiecznik, to samo na klapce z bezpiecznikami, a są 3, zgodnie ze zdjęciem (32, 33, 34)
Gdyby ktoś kiedyś miał taki problem, znajdzie ten temat
Zwarcie na kierunkowskazie przyczepki. Brak kierunków w przyczepie, na aucie sprawne, przyspieszone mruganie. Po odłączeniu przyczepy, praca prawidłowa.
Instalacja oryginał, moduł przekaźników odpowiedzialnych za kierunkowskazy haka są w bagażniku pod schowkiem z prawej strony, nr: 96825990.
Pracuje on cały czas, słychać głośne cykanie przekaźników w bagażniku, nawet bez podpiętej przyczepy. Podłączony on jest pod bezpiecznik tylnego gniazdka zapalniczki w kabinie. Sprawdzając bezpieczniki miernikiem, nie wykryłem przerwy, albo przypadkiem pominąłem. Bezpiecznik nr 34 w kabinie. O dziwo w instrukcji obsługi pokazane jest, że na zapalniczkę jest jeden bezpiecznik, to samo na klapce z bezpiecznikami, a są 3, zgodnie ze zdjęciem (32, 33, 34)
Gdyby ktoś kiedyś miał taki problem, znajdzie ten temat
- bubu1769
- Administrator
- Posty: 6869
- Rejestracja: 5 wrz 2018, o 16:40
- Reputacja: 457
- Imię: Bartłomiej
- Samochód: Aveo T250
- Silnik: 1.4 101KM
- Inny samochód: Orlando 1.4T, Meriva A 1.8
- Lokalizacja: Kalisz
- Kontakt:
Re: Problem z zasilaniem gniazda haka
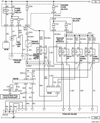
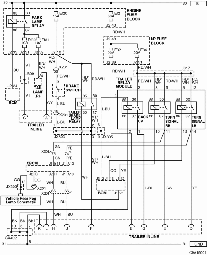
Ogólne to:
F32 20A DODATKOWE GNIAZDO ZASILANIA, PRZESTRZEŃ BAGAŻOWA
F33 20A ZAPALNICZKA
F34 20A DODATKOWE GNIAZDO ZASILANIA, PRZESTRZEŃ BAGAŻOWA
Z czego hak dostaje zasilanie tylko z F32 i F34 Ewentualnie jeszcze z F14 i F25
Ef20, Ef30 i Ef31 to są sygnały.
F32 20A DODATKOWE GNIAZDO ZASILANIA, PRZESTRZEŃ BAGAŻOWA
F33 20A ZAPALNICZKA
F34 20A DODATKOWE GNIAZDO ZASILANIA, PRZESTRZEŃ BAGAŻOWA
Z czego hak dostaje zasilanie tylko z F32 i F34 Ewentualnie jeszcze z F14 i F25
Ef20, Ef30 i Ef31 to są sygnały.
Kto jest online
Użytkownicy przeglądający to forum: Obecnie na forum nie ma żadnego zarejestrowanego użytkownika i 1 gość