Captiva C140 2011 brak tylnej postojówki i oświetlenia rejestracji.

Nie świeci, nie kręci i inne tematy związane z elektryką i elektroniką
ODPOWIEDZ
Stojek
Świeżak
Posty: 49
Rejestracja: 17 sty 2021, o 22:56
Reputacja: 0
Imię: Mateusz
Samochód: Captiva
Silnik: 2.2, 184KM Diesel
Lokalizacja: JW
Kontakt:

Captiva C140 2011 brak tylnej postojówki i oświetlenia rejestracji.

Post autor: Stojek » 17 sie 2023, o 06:52

Dzięki kolego, jednak to jest wykaz bezpieczników do captivki do 2010 roku ja mam z 2011 i tak bezpieczniki są w komorze silnika oraz przy nogach pasażera i obydwa sprawdziłem miernikiem i niby wszystko ok. Dziwne ze nie działa jedynie lampka postojowa lewy tył a z przodu działa.

Awatar użytkownika
bubu1769
Administrator
Posty: 6869
Rejestracja: 5 wrz 2018, o 16:40
Reputacja: 457
Imię: Bartłomiej
Samochód: Aveo T250
Silnik: 1.4 101KM
Inny samochód: Orlando 1.4T, Meriva A 1.8
Lokalizacja: Kalisz
Kontakt:

Re: Wykaz bezpieczników i zastosowanie Capativa 2007-2010

Post autor: bubu1769 » 17 sie 2023, o 07:06

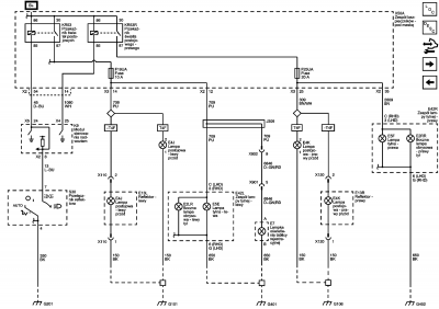
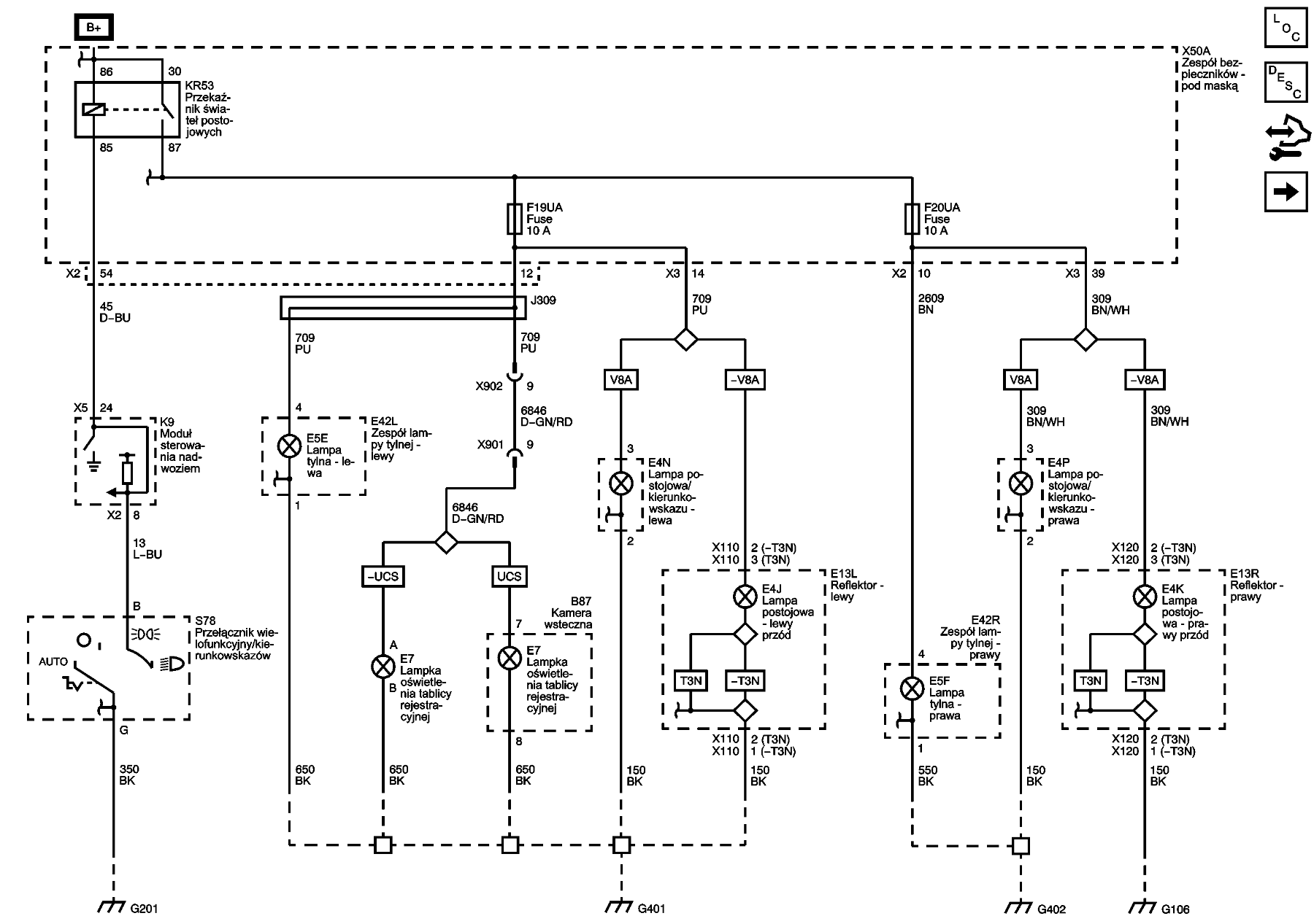
Do C140 trzeba niestety szukać schematu na zewnętrznych stronach bo w TIS-ie jest błąd
viewtopic.php?p=205763#p205763
Ogólnie na schematach nie widać żeby do tylnej lewej lampy była jakaś dodatkowa złączka,
czy to w wersji z krótkim rozstawem osi
2409473PL.png
czy z długim rozstawem osi
2409467PL.png
Jak już to łącznie z lewą tylną postojówką nie powinno działać oświetlenie rejestracji.

Stojek
Świeżak
Posty: 49
Rejestracja: 17 sty 2021, o 22:56
Reputacja: 0
Imię: Mateusz
Samochód: Captiva
Silnik: 2.2, 184KM Diesel
Lokalizacja: JW
Kontakt:

Re: Wykaz bezpieczników i zastosowanie Capativa 2007-2010

Post autor: Stojek » 17 sie 2023, o 07:44

Dokładnie tak jest nie działa lewa tylna postojowa i podświetlenie tablicy rejestracyjnej.

Awatar użytkownika
bubu1769
Administrator
Posty: 6869
Rejestracja: 5 wrz 2018, o 16:40
Reputacja: 457
Imię: Bartłomiej
Samochód: Aveo T250
Silnik: 1.4 101KM
Inny samochód: Orlando 1.4T, Meriva A 1.8
Lokalizacja: Kalisz
Kontakt:

Re: Wykaz bezpieczników i zastosowanie Capativa 2007-2010

Post autor: bubu1769 » 17 sie 2023, o 08:16

No to w skrzynce bezpieczników pod maską musisz sprawdzić czy wychodzi ci zasilanie na pinie 12 złącza X2 (to środkowe) przewód purpurowy.
1835062.png

Stojek
Świeżak
Posty: 49
Rejestracja: 17 sty 2021, o 22:56
Reputacja: 0
Imię: Mateusz
Samochód: Captiva
Silnik: 2.2, 184KM Diesel
Lokalizacja: JW
Kontakt:

Re: Captiva C140 2011 brak tylnej postojówki i oświetlenia rejestracji.

Post autor: Stojek » 17 sie 2023, o 17:44

Kolego u mnie skrzynka bezpieczników w komorze silnika wygląda tak jak na załączniku i niestety piny nie są opisane.
Załączniki
Screenshot_20230817_174554.jpg

Awatar użytkownika
bubu1769
Administrator
Posty: 6869
Rejestracja: 5 wrz 2018, o 16:40
Reputacja: 457
Imię: Bartłomiej
Samochód: Aveo T250
Silnik: 1.4 101KM
Inny samochód: Orlando 1.4T, Meriva A 1.8
Lokalizacja: Kalisz
Kontakt:

Re: Captiva C140 2011 brak tylnej postojówki i oświetlenia rejestracji.

Post autor: bubu1769 » 17 sie 2023, o 18:04

Złącza są od spodu tej skrzynki.

Stojek
Świeżak
Posty: 49
Rejestracja: 17 sty 2021, o 22:56
Reputacja: 0
Imię: Mateusz
Samochód: Captiva
Silnik: 2.2, 184KM Diesel
Lokalizacja: JW
Kontakt:

Re: Captiva C140 2011 brak tylnej postojówki i oświetlenia rejestracji.

Post autor: Stojek » 17 sie 2023, o 18:19

Ok. Jednak przednia lewa lampa pozycyjna też nie swieci co najlepsze wg instrukcji wyciągam bezpieczniki odpowiedzialne za lampy pozycyjne lub za światła i prawa świeci cały czas.

Dodano po 2 godzinach 56 minutach 25 sekundach:
Temat rozwiązany, okazało się że opis bezpieczników w instrukcji można sobie wsadzić w d..., bezpiecznik opisany jako lampa prawa jest odpowiedzialny za światła pozycyjne lewe 🤦co najlepsze gdy bezpiecznik był wpięty w skrzynce miernik piszczał że jest sprawny.

ODPOWIEDZ

Wróć do „Captiva Elektryka / Elektronika”

Kto jest online

Użytkownicy przeglądający to forum: Obecnie na forum nie ma żadnego zarejestrowanego użytkownika i 1 gość