Światła dzienne.

Nie świeci, nie kręci i inne tematy związane z elektryką i elektroniką
danielosy
Aktywny
Posty: 69
Rejestracja: 22 kwie 2019, o 01:01
Reputacja: 0
Imię: Daniel
Samochód: Captivia 2.4 LPG
Silnik: Silnik 2.4 LPG, 123kW. 7osob
LPG: Tak STAG -4 Next Plus
Inny samochód: Chevrolet Aveo 1.4 plus Benzyna rok 2005
Lokalizacja: bytom
Kontakt:

Światła dzienne.

Post autor: danielosy » 16 kwie 2023, o 23:12

Dzień dobry kolegom jestem nowy na forum, ponieważ kupiłem chevroleta captivie 2012 i mam problem ze swiatlami dziennymi. Wszedzie pisze ze moj rocznik ma taki typ świateł ale u mnie nie działa dlaczego??. Wiec tak w reflektorze żarówka z postojowki mam 2 włuknowa, czyli postoj oraz światła dzienne powinny byc tak? Natomiast na manetce mając na auto nic sie nie swieci, przekrece na postojowe to sie one zaswiecaja i jak dam na mijania swieca, wracam na auto to nje świeci nic. Jaka może byc przyczyna sa jakies bezpieczniki?? Auto sprowadzone z Niemiec prosze o pomoc i wyrozumialosc jestem nowy z Nowym autem ktore posiadam dwa dni.

Awatar użytkownika
etac
Prezes
Posty: 24968
Rejestracja: 4 sie 2013, o 00:31
Reputacja: 300
Imię: Krzysztof
Samochód: Opel Astra L ST
Silnik: 1.2T Pure Tech
LPG: NIE
Inny samochód: Yamaha X-MAX Tech Max
Lokalizacja: SBE
Kontakt:

Re: Światła dzienne.

Post autor: etac » 17 kwie 2023, o 17:54

Zobacz czy masz włożony przekaźnik pod deska KR42 i bezpiecznik do niego F16DA 15A.

Po drugie na forum staramy się pisać po polsku, bo co innego robić łaskę, a co innego robić laske.
Lekcje prywatne są odpłatne, pytania na forum są darmowe

danielosy
Aktywny
Posty: 69
Rejestracja: 22 kwie 2019, o 01:01
Reputacja: 0
Imię: Daniel
Samochód: Captivia 2.4 LPG
Silnik: Silnik 2.4 LPG, 123kW. 7osob
LPG: Tak STAG -4 Next Plus
Inny samochód: Chevrolet Aveo 1.4 plus Benzyna rok 2005
Lokalizacja: bytom
Kontakt:

Re: Światła dzienne.

Post autor: danielosy » 17 kwie 2023, o 20:40

Przepraszam poprawie pisownię, odpisywałem z telefonu i słownik pozmieniał słowa.Bezpiecznik w srodku koło pasażera tak?? Tj drugi od dołu przy tych przekaznikach siwych? A pod deska to o maskę chodzi tak? Tam zagladałem i miejscu r6 jest przekaźnik

Dodano po 1 minucie 23 sekundach:
Moja skrzynka pod maską

Dodano po 6 minutach 51 sekundach:
Udało się dodać zdjęcie, tak wygląda moja skrzynka z bezpiecznikami pod maską. Wyczytałem że te jeden siwy przekaznik R6 to od świateł dziennych , może być spalony? Albo to atrapa?
Załączniki
Screenshot_20230417-204626.png

danielosy
Aktywny
Posty: 69
Rejestracja: 22 kwie 2019, o 01:01
Reputacja: 0
Imię: Daniel
Samochód: Captivia 2.4 LPG
Silnik: Silnik 2.4 LPG, 123kW. 7osob
LPG: Tak STAG -4 Next Plus
Inny samochód: Chevrolet Aveo 1.4 plus Benzyna rok 2005
Lokalizacja: bytom
Kontakt:

Re: Światła dzienne.

Post autor: danielosy » 18 kwie 2023, o 08:52

Mogę poprosić o zdjęcie i zaznaczenie który to bezpiecznik i który przekaźnik ? Jakiś nr żeby zamówić, sprawdzić? Nie umie sobie z tym porsdzic.

Awatar użytkownika
bubu1769
Administrator
Posty: 6869
Rejestracja: 5 wrz 2018, o 16:40
Reputacja: 457
Imię: Bartłomiej
Samochód: Aveo T250
Silnik: 1.4 101KM
Inny samochód: Orlando 1.4T, Meriva A 1.8
Lokalizacja: Kalisz
Kontakt:

Re: Światła dzienne.

Post autor: bubu1769 » 18 kwie 2023, o 09:09

Bezpieczniki w kabinie pod deską, nie pod maską.

danielosy
Aktywny
Posty: 69
Rejestracja: 22 kwie 2019, o 01:01
Reputacja: 0
Imię: Daniel
Samochód: Captivia 2.4 LPG
Silnik: Silnik 2.4 LPG, 123kW. 7osob
LPG: Tak STAG -4 Next Plus
Inny samochód: Chevrolet Aveo 1.4 plus Benzyna rok 2005
Lokalizacja: bytom
Kontakt:

Re: Światła dzienne.

Post autor: danielosy » 18 kwie 2023, o 11:41

Super widzę Bezpiecznik F16DA pozycja 15. Ale kolega wyżej pisał żeby sprawdzić KR42 a tu takiego nie ma.

Awatar użytkownika
bubu1769
Administrator
Posty: 6869
Rejestracja: 5 wrz 2018, o 16:40
Reputacja: 457
Imię: Bartłomiej
Samochód: Aveo T250
Silnik: 1.4 101KM
Inny samochód: Orlando 1.4T, Meriva A 1.8
Lokalizacja: Kalisz
Kontakt:

Re: Światła dzienne.

Post autor: bubu1769 » 18 kwie 2023, o 13:16

KR42 to przekaźnik wlutowany bezpośrednio w płytkę, żeby się do niego dostać trzeba by rozkręcić całą skrzynkę.

danielosy
Aktywny
Posty: 69
Rejestracja: 22 kwie 2019, o 01:01
Reputacja: 0
Imię: Daniel
Samochód: Captivia 2.4 LPG
Silnik: Silnik 2.4 LPG, 123kW. 7osob
LPG: Tak STAG -4 Next Plus
Inny samochód: Chevrolet Aveo 1.4 plus Benzyna rok 2005
Lokalizacja: bytom
Kontakt:

Re: Światła dzienne.

Post autor: danielosy » 18 kwie 2023, o 14:31

Aha to szukam tego bezpiecznika w kabinie, tylko ten schemat co wysłałeś mi nie pasuje do jej skrzynki to musi być inna wersja ? Ja mam rocznik 2012. Na zdjeciu moje bezpieczniki moge Cię poprosić żebyś na to zerknał?

Dodano po 14 minutach 32 sekundach:
Aha to szukam tego bezpiecznika w kabinie, tylko ten schemat co wysłałeś mi nie pasuje do jej skrzynki to musi być inna wersja ? Ja mam rocznik 2012. Na zdjeciu moje bezpieczniki moge Cię poprosić żebyś na to zerknał?

Dodano po 2 minutach 14 sekundach:
Sprawdziłem wszystkie bezpieczniki są ok. Gdzie szukać jeszcze przyczyny ze dzienne nie świecą?? Jest przekaźnik do swiatel dziennych może gdzieś jeszcze?? Bo wyczytałem że pod maską jest R6 przekaźnik jest to prawda??
Załączniki
Screenshot_20230418-142659.png

Awatar użytkownika
bubu1769
Administrator
Posty: 6869
Rejestracja: 5 wrz 2018, o 16:40
Reputacja: 457
Imię: Bartłomiej
Samochód: Aveo T250
Silnik: 1.4 101KM
Inny samochód: Orlando 1.4T, Meriva A 1.8
Lokalizacja: Kalisz
Kontakt:

Re: Światła dzienne.

Post autor: bubu1769 » 18 kwie 2023, o 16:13

Znowu się okazuje że w TIS-ie jest kolejny bubel.
Przy opisach pokazuje starą skrzynkę a przy lokalizacji nową :H
Tu masz opis do nowej skrzynki:
https://schematy24.pl/chevrolet-captiva ... ekaznikow/
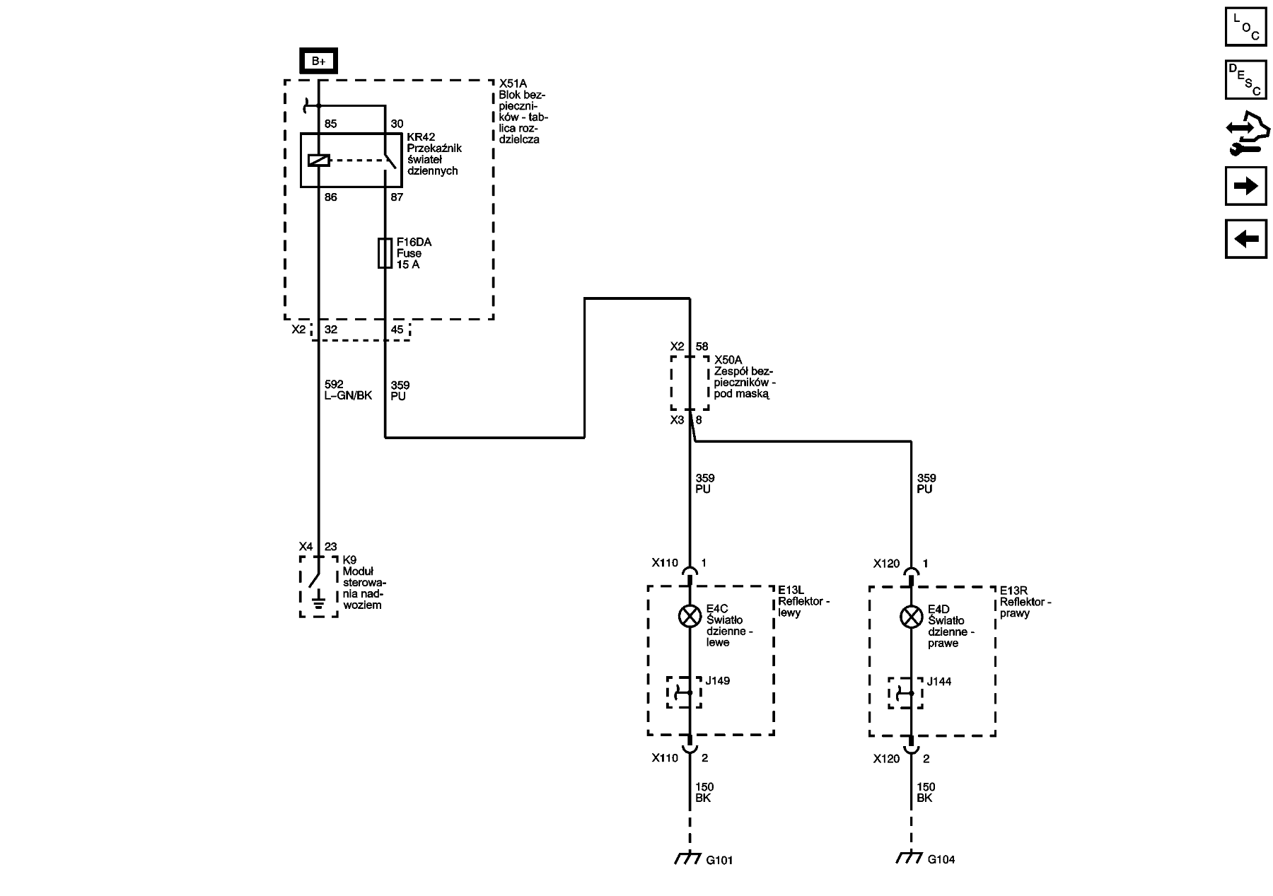
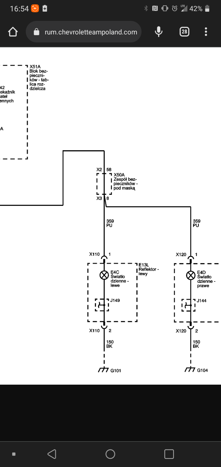
Czyli bezpiecznik od DRL powinien być pod numerem 45.
Przekaźnik dalej jest zlokalizowany wewnątrz modułu ale trzeba sprawdzić czy na bezpieczniku pojawia się napięcie po załączeniu świateł.
2514036PL.png

danielosy
Aktywny
Posty: 69
Rejestracja: 22 kwie 2019, o 01:01
Reputacja: 0
Imię: Daniel
Samochód: Captivia 2.4 LPG
Silnik: Silnik 2.4 LPG, 123kW. 7osob
LPG: Tak STAG -4 Next Plus
Inny samochód: Chevrolet Aveo 1.4 plus Benzyna rok 2005
Lokalizacja: bytom
Kontakt:

Re: Światła dzienne.

Post autor: danielosy » 18 kwie 2023, o 17:05

Sprawdziłem bezpiecznik jest cały, wiec robi się problem. Jak patrze na Twój schemat to ze świateł idzie przewód do skrzynki bezpiecznikow pod maska jest tam przekaźnik może? Jak patrzylem na schemat na Google to jest przekaźnik R6 tylko nie wiem czy to prawda , czy to nie jest jakiś stary schemat możesz zerknac na swoim schemacie?? Sprawdzilem zarówki w postojowe maja dwa włókna - postoj świeci.
Załączniki
Screenshot_20230418-170443.png
Screenshot_20230418-165447.png

Awatar użytkownika
bubu1769
Administrator
Posty: 6869
Rejestracja: 5 wrz 2018, o 16:40
Reputacja: 457
Imię: Bartłomiej
Samochód: Aveo T250
Silnik: 1.4 101KM
Inny samochód: Orlando 1.4T, Meriva A 1.8
Lokalizacja: Kalisz
Kontakt:

Re: Światła dzienne.

Post autor: bubu1769 » 18 kwie 2023, o 17:30

R6 to jest inne oznaczenie tego KR42.
Zasilanie z bezpiecznika idzie przez skrzynkę pod maską ale nie powinno być tam dodatkowych elementów układu, po prostu wchodzi jednym złączem, wychodzi drugim i idzie dalej na żarówki.
Czy na tym bezpieczniku F16DA, czy też 45 zależnie od opisu, pojawia ci się napięcie?
Jeśli tu będzie dobrze to trzeba będzie sprawdzić czy napięcie wchodzi i wychodzi ze skrzynki pod maską, może tam coś się upaliło.

danielosy
Aktywny
Posty: 69
Rejestracja: 22 kwie 2019, o 01:01
Reputacja: 0
Imię: Daniel
Samochód: Captivia 2.4 LPG
Silnik: Silnik 2.4 LPG, 123kW. 7osob
LPG: Tak STAG -4 Next Plus
Inny samochód: Chevrolet Aveo 1.4 plus Benzyna rok 2005
Lokalizacja: bytom
Kontakt:

Re: Światła dzienne.

Post autor: danielosy » 18 kwie 2023, o 18:00

Sprawdziłem nie ma napięcia zrobiłem zdjecie żeby ci pokazać miejsce bezpiecznika gdzie sprawdzilem, wyciaglem bezpoecznik i miernikiem zmierzylem. Zrobilem zdjecie manetki, oraz skrzynki bezpiecznikow pod maską zobacz prosze
Załączniki
Screenshot_20230418-175654.png
Screenshot_20230418-175702.png
Screenshot_20230418-175710.png

Awatar użytkownika
bubu1769
Administrator
Posty: 6869
Rejestracja: 5 wrz 2018, o 16:40
Reputacja: 457
Imię: Bartłomiej
Samochód: Aveo T250
Silnik: 1.4 101KM
Inny samochód: Orlando 1.4T, Meriva A 1.8
Lokalizacja: Kalisz
Kontakt:

Re: Światła dzienne.

Post autor: bubu1769 » 18 kwie 2023, o 18:36

To trzeba teraz ustalić czy to sam przekaźnik jest wadliwy czy po prostu nie dostaje on sygnału z BCM.
Sprawdź na pinie 32 złącza X2 czy pojawia ci się sygnał masy.
Przewód chyba jasnoziolono-czarny.
Ewentualnie możesz podać tam masę i sobaczyć czy światła zadziałają. Tu masz cała procedure sprawdzania DRL według TIS-a.

danielosy
Aktywny
Posty: 69
Rejestracja: 22 kwie 2019, o 01:01
Reputacja: 0
Imię: Daniel
Samochód: Captivia 2.4 LPG
Silnik: Silnik 2.4 LPG, 123kW. 7osob
LPG: Tak STAG -4 Next Plus
Inny samochód: Chevrolet Aveo 1.4 plus Benzyna rok 2005
Lokalizacja: bytom
Kontakt:

Re: Światła dzienne.

Post autor: danielosy » 18 kwie 2023, o 21:25

Dziś już późno odpuszczam w czwartek dalej spróbuję dalej w tedy prosiłbym o dalszą współpracę. A czy ten pin 32 będzie wypisany gdzieś na puszcze? Ponieważ na schemacie jest 30 i 31 ale 32 już nie opisali. A ta skrzynka z tym pinem 32 szukać ją w kabinie po stronie pasażera, czy to jest ta z komory silnika?W jaki sposob podac tam masę normalnie kabelek przyłożyć do śruby auta i drugi koniec do złącza 32?? Interfejsa nie dorobilem się jeszcze -( polecasz jakiś??) mam taki mały podstawowy

Awatar użytkownika
bubu1769
Administrator
Posty: 6869
Rejestracja: 5 wrz 2018, o 16:40
Reputacja: 457
Imię: Bartłomiej
Samochód: Aveo T250
Silnik: 1.4 101KM
Inny samochód: Orlando 1.4T, Meriva A 1.8
Lokalizacja: Kalisz
Kontakt:

Re: Światła dzienne.

Post autor: bubu1769 » 18 kwie 2023, o 21:37

Złącze X2 to złącze z tyłu skrzynki bezpieczników kabiny i to w jego kostce trzeba sprawdzić.
Pin 32 jest obok pinu 31 😉
sketch-1681846398831.png
Można po prostu wepchnąć w kostkę kawałek przewodu i przytknąć i z drugiej strony do masy.
Żeby przeprowadzić diagnostykę według instrukcji musiałbyś mieć dedykowany interfejs, VXDIAG bądź MDI, na razie spróbuj sprawdzić wszystko co się da miernikiem.

danielosy
Aktywny
Posty: 69
Rejestracja: 22 kwie 2019, o 01:01
Reputacja: 0
Imię: Daniel
Samochód: Captivia 2.4 LPG
Silnik: Silnik 2.4 LPG, 123kW. 7osob
LPG: Tak STAG -4 Next Plus
Inny samochód: Chevrolet Aveo 1.4 plus Benzyna rok 2005
Lokalizacja: bytom
Kontakt:

Re: Światła dzienne.

Post autor: danielosy » 19 kwie 2023, o 10:14

Przepraszam za głupie pytanie, z tylu skrzynki bezpiecznikow czyli w kabinie po stronie pasażera muszę ta skrzynkę odsunąć, odwrócić zeby dostać się od tylu do tej kostki czy jest to powiązane jakos z przodem i wyciagnac bezpiecznik i od przodu włożyć kabel do masy?? Kurcze za Twoja cierpliwość normalnie piwo stawiam :)

Awatar użytkownika
bubu1769
Administrator
Posty: 6869
Rejestracja: 5 wrz 2018, o 16:40
Reputacja: 457
Imię: Bartłomiej
Samochód: Aveo T250
Silnik: 1.4 101KM
Inny samochód: Orlando 1.4T, Meriva A 1.8
Lokalizacja: Kalisz
Kontakt:

Re: Światła dzienne.

Post autor: bubu1769 » 19 kwie 2023, o 10:36

Musisz się dostać do tyłu skrzynki bezpieczników.
Dokładnie do tego przewodu i sprawdzić czy pojawia się na nim masa albo podać masę żeby wysterować przekaźnik od świateł :D
SKRZYNKA-BEZPIECZNIKOW-BSI-CAPTIVA-ANTARA-2-2-Numer-katalogowy-czesci-95202005.jpg

danielosy
Aktywny
Posty: 69
Rejestracja: 22 kwie 2019, o 01:01
Reputacja: 0
Imię: Daniel
Samochód: Captivia 2.4 LPG
Silnik: Silnik 2.4 LPG, 123kW. 7osob
LPG: Tak STAG -4 Next Plus
Inny samochód: Chevrolet Aveo 1.4 plus Benzyna rok 2005
Lokalizacja: bytom
Kontakt:

Re: Światła dzienne.

Post autor: danielosy » 19 kwie 2023, o 12:10

Ok teraz fajnie widac mam nadzieję że kable będą na tyle długie że uda się dostać do tyłu. Prosciej bedzie zadac masę jakimś kabelkien z masy auta. Dziś kurcze do 18 jestem w pracy więc spróbuję wieczorem. A jak zadziala to co będzie to oznaczać gdzies przerwa na kablu? Bo jak nie zadziała to przekaźnik do swiatel? A nie jest ten przekaznik w skrzynce z bezpiecznikami pod maską? Nie wymienić go od razu jakby tam bylo lepsze dojście jak uważasz?

Awatar użytkownika
bubu1769
Administrator
Posty: 6869
Rejestracja: 5 wrz 2018, o 16:40
Reputacja: 457
Imię: Bartłomiej
Samochód: Aveo T250
Silnik: 1.4 101KM
Inny samochód: Orlando 1.4T, Meriva A 1.8
Lokalizacja: Kalisz
Kontakt:

Re: Światła dzienne.

Post autor: bubu1769 » 19 kwie 2023, o 12:25

Jak zadziała to znaczy że BCM nie podaje sygnału, może to być po prostu uszkodzony czujnik nasłonecznienia.
Jak nie zadziała to jest uszkodzony przekaźnik w tej skrzynce co będziesz wyciągał, czyli nie idzie go w prosty sposób wymienić.

danielosy
Aktywny
Posty: 69
Rejestracja: 22 kwie 2019, o 01:01
Reputacja: 0
Imię: Daniel
Samochód: Captivia 2.4 LPG
Silnik: Silnik 2.4 LPG, 123kW. 7osob
LPG: Tak STAG -4 Next Plus
Inny samochód: Chevrolet Aveo 1.4 plus Benzyna rok 2005
Lokalizacja: bytom
Kontakt:

Re: Światła dzienne.

Post autor: danielosy » 19 kwie 2023, o 12:56

BMC tj czujnik nasłonecznienia tak? To powiem Ci że on działa ponieważ na manetce na auto światła się nie świecą a jak w garażu jestem i zamknę bramę robi sie ciemno to zapalają się postojowe i mijania - soczewki. Wiec obawiam sie ze jednak może byc przekaźnik lub tak jak podejrzewasz kabel - masa. A czy nr tego przekaznika idzie znaleźć w Internecie czy jak się tam dostanę to dopiero nr spisac ? Jest gdzieś na forum jak sie wymienia taki przekaźnik??

Awatar użytkownika
bubu1769
Administrator
Posty: 6869
Rejestracja: 5 wrz 2018, o 16:40
Reputacja: 457
Imię: Bartłomiej
Samochód: Aveo T250
Silnik: 1.4 101KM
Inny samochód: Orlando 1.4T, Meriva A 1.8
Lokalizacja: Kalisz
Kontakt:

Re: Światła dzienne.

Post autor: bubu1769 » 19 kwie 2023, o 13:06

BCM - moduł sterowania nadwozia.
Skoro czujnik działa i światła mijania działają prawidłowo to możliwe jest jeszcze że w BCM uszkodził się tranzystor.
Ale po kolei, trzeba zacząć o sprawdzenia najprostszych rzeczy.

danielosy
Aktywny
Posty: 69
Rejestracja: 22 kwie 2019, o 01:01
Reputacja: 0
Imię: Daniel
Samochód: Captivia 2.4 LPG
Silnik: Silnik 2.4 LPG, 123kW. 7osob
LPG: Tak STAG -4 Next Plus
Inny samochód: Chevrolet Aveo 1.4 plus Benzyna rok 2005
Lokalizacja: bytom
Kontakt:

Re: Światła dzienne.

Post autor: danielosy » 25 kwie 2023, o 18:23

Witam ostatnio brak czasu , ale na rozebranie tej skrzynki potrzebuje więcej czasu, wiec zobacze w weekend majowy jak się do niej dostać. Tak sie zastanawiam czy nie łatwiej bedzie dostać się do żarówki przeciąć kable w niej i zrobic na przekaźniku nowym sytem świateł dziennych jak uważasz? Przy jednym z reflektorów poucinac kable plusowe z postojowych i dziennych kupic przekaznik na 12v i zrobic taki automat. W tedy też działać powinno tak jak powinno bo na auto jakbym jeździł to odpale silnik to włącza się dzienne a jak czujnik złapie tunel to zapalą sie mijania wiec przekaźnik przełączy na mijania. Jak uważasz zrobic nowe obejście czy spróbować jeszcze się pobawić z tymi bezpiecznikami??

Awatar użytkownika
bubu1769
Administrator
Posty: 6869
Rejestracja: 5 wrz 2018, o 16:40
Reputacja: 457
Imię: Bartłomiej
Samochód: Aveo T250
Silnik: 1.4 101KM
Inny samochód: Orlando 1.4T, Meriva A 1.8
Lokalizacja: Kalisz
Kontakt:

Re: Światła dzienne.

Post autor: bubu1769 » 25 kwie 2023, o 18:51

Najpierw namierz gdzie dokładnie tkwi problem.
Jeśli to rzeczywiście sam przekaźnik jest uszkodzony to zrobienie jego obejście na zewnątrz będzie dość proste.
Jak się okaże że problem jest w BCM to trzeba będzie pokombinować inaczej.

danielosy
Aktywny
Posty: 69
Rejestracja: 22 kwie 2019, o 01:01
Reputacja: 0
Imię: Daniel
Samochód: Captivia 2.4 LPG
Silnik: Silnik 2.4 LPG, 123kW. 7osob
LPG: Tak STAG -4 Next Plus
Inny samochód: Chevrolet Aveo 1.4 plus Benzyna rok 2005
Lokalizacja: bytom
Kontakt:

Re: Światła dzienne.

Post autor: danielosy » 3 maja 2023, o 16:46

Dziś udalo mi się sprawdzić ten pin, podłączyłem masę i słychać jak przekaźnik cyka, ale światła się nie zapalaja. Jest to dobry objaw ?gdzie szukac dalej
Załączniki
Screenshot_20230503-164259.png
Screenshot_20230503-164307.png

Awatar użytkownika
bubu1769
Administrator
Posty: 6869
Rejestracja: 5 wrz 2018, o 16:40
Reputacja: 457
Imię: Bartłomiej
Samochód: Aveo T250
Silnik: 1.4 101KM
Inny samochód: Orlando 1.4T, Meriva A 1.8
Lokalizacja: Kalisz
Kontakt:

Re: Światła dzienne.

Post autor: bubu1769 » 3 maja 2023, o 17:56

Jak słychać przekaźnik a na bezpieczniku nie pojawia się napięcia no to jest coś nie tak ze stykami przekaźnika albo jego montażem w płytce.
Teraz można albo spróbować dostać się do tego przekaźnika albo dołożyć drugi na zewnątrz podpinając się pod jego sygnały.

ODPOWIEDZ

Wróć do „Captiva Elektryka / Elektronika”

Kto jest online

Użytkownicy przeglądający to forum: Obecnie na forum nie ma żadnego zarejestrowanego użytkownika i 1 gość