Captiva 2 2011r Brak świateł mijania oraz drogowych

Nie świeci, nie kręci i inne tematy związane z elektryką i elektroniką
ODPOWIEDZ
Elwuo13
Świeżak
Posty: 2
Rejestracja: 4 sie 2022, o 13:46
Reputacja: 0
Imię: Krzysztof
Samochód: Captiva 2
Silnik: 2.4 16KM7 benz
LPG: Tak
Inny samochód: Lacetti 1.8 122KM benz-gaz
Lokalizacja: Legionowo
Kontakt:

Captiva 2 2011r Brak świateł mijania oraz drogowych

Post autor: Elwuo13 » 4 sie 2022, o 14:02

Witam.

Czy ktoś miał już problem z niedziałającym światłami mijania oraz drogowymi ? Niestety podczas jazdy przy próbie załączenia długich wyłączyły się i długie i krótkie, sprawdzone bezpieczniki są ok. sprawdzono żarówki ok. wymiana na nowe nie pomogła, sprawdzono przekaźniki (podmiana ) nic się nie zmienia. sprawdziłem wszystkie bezpieczniki są ok. podmiana manetki od świateł na drugą nie pomogło. Nie mogę znaleźć nigdzie schematu elektrycznego oświetlenia. wyczuwam że przekaźniki po załączeniu np mijania czy też długich reagują. Podejrzewam moduł BCM ale on powinien być pomiędzy przekaźnikami pod maską a manetką przy kierownicy, więc jeżeli przekaźnik reaguje to teoretycznie moduł powinien być sprawny.

Dodatkowo podczas ustawienia w pozycji załączonych świateł mijania zapala się kierunek w lusterku prawym.
Przy załaczeniu halogenów rozświetla się prawy a lewy w ogóle nie świeci i dodatkowo zapala się kierunek w lusterku prawy. ( żarówka w halogenie lewym sprawna ) działają światła pozycyjne i lekko się świecą halogeny (manetka w pozycji świateł pozycyjnych) tylne oświetlenie działa bez zarzutów.

Przy załączeniu świateł mijania (włączone jednocześnie pozycje) przy załączeniu kierunku prawego po chwili przyśpiesza miganie prawej strony ( tak jak w przypadku sygnalizacji przepalonej żarówki)

Nie wiem już czego się zaczepić...oprócz sprawdzenia całej wiązki, tylko czy przy tych objawach byłby jej problem? macie jakieś sugestie ?

Z góry dziękuję !

Awatar użytkownika
etac
Prezes
Posty: 24968
Rejestracja: 4 sie 2013, o 00:31
Reputacja: 300
Imię: Krzysztof
Samochód: Opel Astra L ST
Silnik: 1.2T Pure Tech
LPG: NIE
Inny samochód: Yamaha X-MAX Tech Max
Lokalizacja: SBE
Kontakt:

Re: Captiva 2 2011r Brak świateł mijania oraz drogowych

Post autor: etac » 4 sie 2022, o 21:38

może warto zajrzeć do skrzynki bezpieczników?
Lekcje prywatne są odpłatne, pytania na forum są darmowe

Awatar użytkownika
bubu1769
Administrator
Posty: 6869
Rejestracja: 5 wrz 2018, o 16:40
Reputacja: 457
Imię: Bartłomiej
Samochód: Aveo T250
Silnik: 1.4 101KM
Inny samochód: Orlando 1.4T, Meriva A 1.8
Lokalizacja: Kalisz
Kontakt:

Re: Captiva 2 2011r Brak świateł mijania oraz drogowych

Post autor: bubu1769 » 5 sie 2022, o 07:00

Krzysztof ma pewnie na myśli sprawdzenie czy skrzynka bezpieczników pod maską nie jest czasem zalana, bo większość opisywanych świateł jest właśnie z niej zasilana, chociaż migacze są bezpośrednio z BCM.

Elwuo13
Świeżak
Posty: 2
Rejestracja: 4 sie 2022, o 13:46
Reputacja: 0
Imię: Krzysztof
Samochód: Captiva 2
Silnik: 2.4 16KM7 benz
LPG: Tak
Inny samochód: Lacetti 1.8 122KM benz-gaz
Lokalizacja: Legionowo
Kontakt:

Re: Captiva 2 2011r Brak świateł mijania oraz drogowych

Post autor: Elwuo13 » 10 sie 2022, o 19:12

Etac jak już napisałem sprawdziłem wszystkie bezpieczniki, znalazłem oo długich poszukiwaniach schematy elektryczne całej captivy..co na szczęście pozwoliły prześledzić wiązkę i odrazu wyeliminować uszkodzony bcm. Winna okazała się masa która (mimo sprawdzenia podłączenia) nie miała przejścia. Po poprawnym zamocowaniu i oczyszczeniu wszystkie światła działają znów prawidłowo. Jeśli ktoś będzie potrzebował linki do strony ze schematami to mogę wrzucić.niestety strona ruska ale translator przeglądarkowy robi swoje.

Awatar użytkownika
bubu1769
Administrator
Posty: 6869
Rejestracja: 5 wrz 2018, o 16:40
Reputacja: 457
Imię: Bartłomiej
Samochód: Aveo T250
Silnik: 1.4 101KM
Inny samochód: Orlando 1.4T, Meriva A 1.8
Lokalizacja: Kalisz
Kontakt:

Re: Captiva 2 2011r Brak świateł mijania oraz drogowych

Post autor: bubu1769 » 10 sie 2022, o 19:14

Znamy tą stronę, jest na niej też język polski, na forum nie można wstawiać bezpośrednich linków do nielegalnego oprogramowania.

Tomasz1
Świeżak
Posty: 1
Rejestracja: 2 cze 2024, o 18:38
Reputacja: 0
Imię: Tomasz
Samochód: Captiva
Silnik: 2.2
Lokalizacja: Kalisz
Kontakt:

Re: Captiva 2 2011r Brak świateł mijania oraz drogowych

Post autor: Tomasz1 » 2 cze 2024, o 18:56

Witam. U mnie pojawił się ten sam problem jak opisywałeś wyżej. Którą masę poprawiałeś Kolego ?

CamillusPL
Świeżak
Posty: 19
Rejestracja: 18 cze 2023, o 12:44
Reputacja: 0
Imię: Kamil
Samochód: Captiva
Silnik: 2.2 180 KM
Lokalizacja: Szydłowiec
Kontakt:

brak świateł drogowych

Post autor: CamillusPL » 22 cze 2024, o 14:30

Witam
Captiva 2013 2.2 d brak świateł drogowych lewe i prawe (długich)żarówki ok, bezpieczniki ok. Gdzie szukać przyczyny?

Awatar użytkownika
etac
Prezes
Posty: 24968
Rejestracja: 4 sie 2013, o 00:31
Reputacja: 300
Imię: Krzysztof
Samochód: Opel Astra L ST
Silnik: 1.2T Pure Tech
LPG: NIE
Inny samochód: Yamaha X-MAX Tech Max
Lokalizacja: SBE
Kontakt:

Re: Captiva 2 2011r Brak świateł mijania oraz drogowych

Post autor: etac » 22 cze 2024, o 16:42

wymień żarówki na nowe na początek, tam są dwu włóknowe
Lekcje prywatne są odpłatne, pytania na forum są darmowe

CamillusPL
Świeżak
Posty: 19
Rejestracja: 18 cze 2023, o 12:44
Reputacja: 0
Imię: Kamil
Samochód: Captiva
Silnik: 2.2 180 KM
Lokalizacja: Szydłowiec
Kontakt:

Re: Captiva 2 2011r Brak świateł mijania oraz drogowych

Post autor: CamillusPL » 22 cze 2024, o 16:51

W długich? Do jazdy dziennej są na dwóch włóknach. Zarówki wszystkie są ok sprawdzone .

Awatar użytkownika
etac
Prezes
Posty: 24968
Rejestracja: 4 sie 2013, o 00:31
Reputacja: 300
Imię: Krzysztof
Samochód: Opel Astra L ST
Silnik: 1.2T Pure Tech
LPG: NIE
Inny samochód: Yamaha X-MAX Tech Max
Lokalizacja: SBE
Kontakt:

Re: Captiva 2 2011r Brak świateł mijania oraz drogowych

Post autor: etac » 22 cze 2024, o 17:47

Oki, nie pamiętam jak ma Captiva. Myślałem że ma H4.

No to masz do sprawdzenia cała instalacje, krok, po kroku gdzie gubi się zasilanie.
Lekcje prywatne są odpłatne, pytania na forum są darmowe

CamillusPL
Świeżak
Posty: 19
Rejestracja: 18 cze 2023, o 12:44
Reputacja: 0
Imię: Kamil
Samochód: Captiva
Silnik: 2.2 180 KM
Lokalizacja: Szydłowiec
Kontakt:

Re: Captiva 2 2011r Brak świateł mijania oraz drogowych

Post autor: CamillusPL » 22 cze 2024, o 19:32

A gdzie jest przekaźnik ?

Awatar użytkownika
etac
Prezes
Posty: 24968
Rejestracja: 4 sie 2013, o 00:31
Reputacja: 300
Imię: Krzysztof
Samochód: Opel Astra L ST
Silnik: 1.2T Pure Tech
LPG: NIE
Inny samochód: Yamaha X-MAX Tech Max
Lokalizacja: SBE
Kontakt:

Re: Captiva 2 2011r Brak świateł mijania oraz drogowych

Post autor: etac » 23 cze 2024, o 08:22

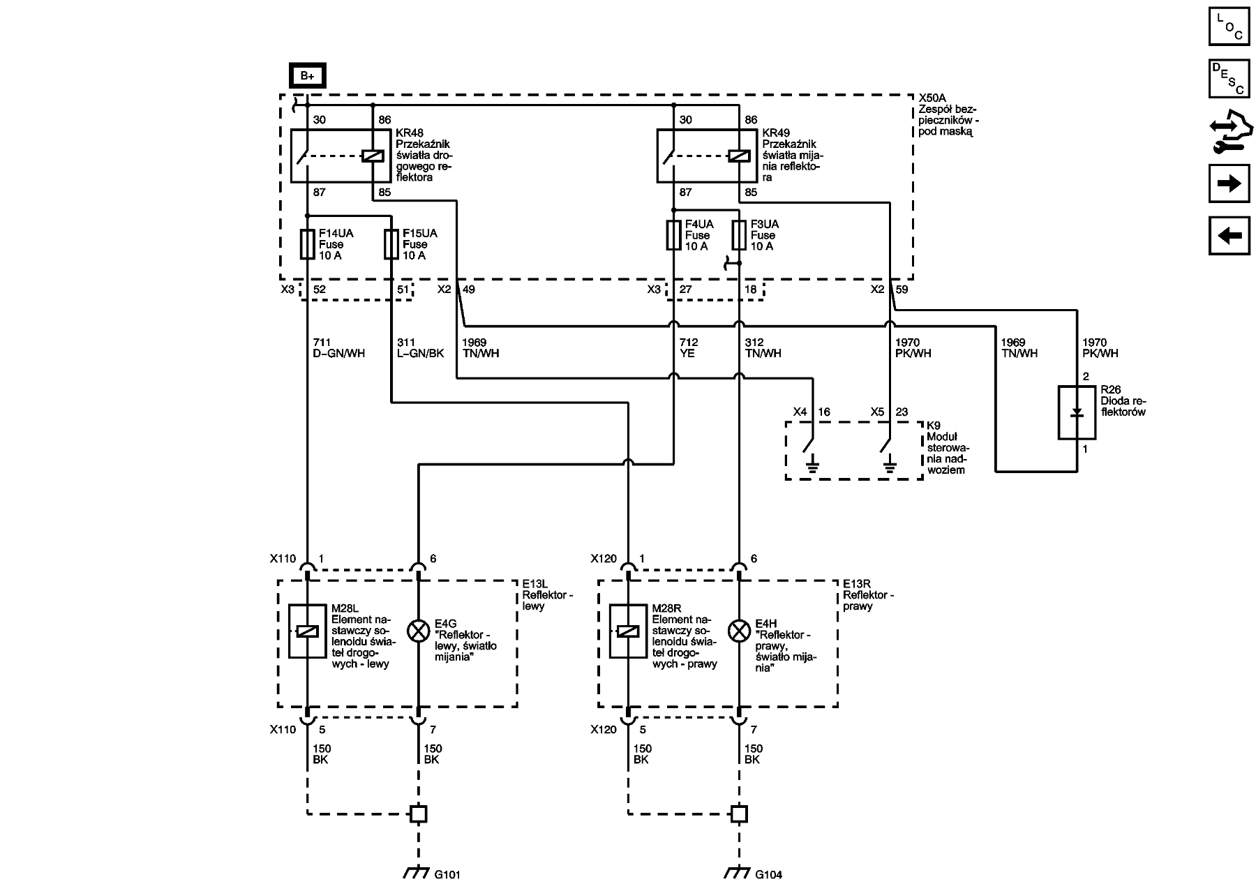
Pod maską
captiva.jpg
Lekcje prywatne są odpłatne, pytania na forum są darmowe

Awatar użytkownika
zzzz
Wymiatacz
Posty: 1655
Rejestracja: 3 gru 2013, o 17:50
Reputacja: 41
Imię: Zbyszek
Samochód: Cruze HB LT+
Silnik: 1.8
LPG: BRC
Lokalizacja: SBE
Kontakt:

Re: Captiva 2 2011r Brak świateł mijania oraz drogowych

Post autor: zzzz » 23 cze 2024, o 10:29

Na schemacie jest błąd. Dwa razy jest KR49 od świateł mijania...

Awatar użytkownika
etac
Prezes
Posty: 24968
Rejestracja: 4 sie 2013, o 00:31
Reputacja: 300
Imię: Krzysztof
Samochód: Opel Astra L ST
Silnik: 1.2T Pure Tech
LPG: NIE
Inny samochód: Yamaha X-MAX Tech Max
Lokalizacja: SBE
Kontakt:

Re: Captiva 2 2011r Brak świateł mijania oraz drogowych

Post autor: etac » 23 cze 2024, o 10:55

to pisz do GM :)
Lekcje prywatne są odpłatne, pytania na forum są darmowe

Awatar użytkownika
bubu1769
Administrator
Posty: 6869
Rejestracja: 5 wrz 2018, o 16:40
Reputacja: 457
Imię: Bartłomiej
Samochód: Aveo T250
Silnik: 1.4 101KM
Inny samochód: Orlando 1.4T, Meriva A 1.8
Lokalizacja: Kalisz
Kontakt:

Re: Captiva 2 2011r Brak świateł mijania oraz drogowych

Post autor: bubu1769 » 23 cze 2024, o 13:27

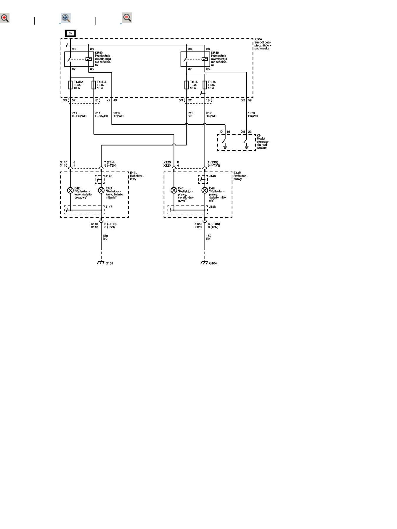
Ciekawe, w schemacie od wersji z T4F (cokolwiek to jest) schemat jest poprawny i jest jakaś dodatkowa dioda łącząca sterowania przekażników.
2409462PL.png

Awatar użytkownika
maru22
Bywalec
Posty: 122
Rejestracja: 25 sty 2014, o 18:19
Reputacja: 4
Imię: MS
Samochód: Cruze 1.6 LT+ MY14
Silnik:
Lokalizacja: Małopolska
Kontakt:

Re: Captiva 2 2011r Brak świateł mijania oraz drogowych

Post autor: maru22 » 23 cze 2024, o 14:44

Z analizy schematu i kierunku przewodzenia diody ( o ile to normalna dioda ) wnioskuję, że przy załączeniu świateł drogowych także załączane są światła mijania.

CamillusPL
Świeżak
Posty: 19
Rejestracja: 18 cze 2023, o 12:44
Reputacja: 0
Imię: Kamil
Samochód: Captiva
Silnik: 2.2 180 KM
Lokalizacja: Szydłowiec
Kontakt:

Re: Captiva 2 2011r Brak świateł mijania oraz drogowych

Post autor: CamillusPL » 23 cze 2024, o 15:10

bubu1769 pisze:
23 cze 2024, o 13:27
Ciekawe, w schemacie od wersji z T4F (cokolwiek to jest) schemat jest poprawny i jest jakaś dodatkowa dioda łącząca sterowania przekażników.
2409462PL.png
To tak łopatologicznie, który przekaźnik? Dodam że wszystkie światła oprócz drogowych są

Awatar użytkownika
bubu1769
Administrator
Posty: 6869
Rejestracja: 5 wrz 2018, o 16:40
Reputacja: 457
Imię: Bartłomiej
Samochód: Aveo T250
Silnik: 1.4 101KM
Inny samochód: Orlando 1.4T, Meriva A 1.8
Lokalizacja: Kalisz
Kontakt:

Re: Captiva 2 2011r Brak świateł mijania oraz drogowych

Post autor: bubu1769 » 23 cze 2024, o 15:41

Tu masz rozpiskę skrzynki X50A

Awatar użytkownika
zzzz
Wymiatacz
Posty: 1655
Rejestracja: 3 gru 2013, o 17:50
Reputacja: 41
Imię: Zbyszek
Samochód: Cruze HB LT+
Silnik: 1.8
LPG: BRC
Lokalizacja: SBE
Kontakt:

Re: Captiva 2 2011r Brak świateł mijania oraz drogowych

Post autor: zzzz » 23 cze 2024, o 16:33

CamillusPL KR48. Włoż KR 49 w miejsce KR48 i zobacz czy masz długie.

CamillusPL
Świeżak
Posty: 19
Rejestracja: 18 cze 2023, o 12:44
Reputacja: 0
Imię: Kamil
Samochód: Captiva
Silnik: 2.2 180 KM
Lokalizacja: Szydłowiec
Kontakt:

Re: Captiva 2 2011r Brak świateł mijania oraz drogowych

Post autor: CamillusPL » 23 cze 2024, o 17:01

U mnie walnął przekaźnik , po wymianie wszystko gra . Dziekuję za pomoc

ODPOWIEDZ

Wróć do „Captiva Elektryka / Elektronika”

Kto jest online

Użytkownicy przeglądający to forum: Obecnie na forum nie ma żadnego zarejestrowanego użytkownika i 1 gość