Wycieraczki nie działają

Nie świeci, nie kręci i inne tematy związane z elektryką i elektroniką
ODPOWIEDZ
Xfmcx
Świeżak
Posty: 5
Rejestracja: 22 paź 2020, o 13:31
Reputacja: 0
Imię: Filip
Samochód: Captiva
Silnik: 2.4 benzyna
LPG: Tak, brc
Lokalizacja: Stężyca
Kontakt:

Wycieraczki nie działają

Post autor: Xfmcx » 22 paź 2020, o 13:43

Cześć, na starcie chciałbym wszystkich powitać i przedstawić mój problem. Nie ukrywam, błąd życiowy to kupienie Chevroleta captiva ale czasu nie cofnę. Wczoraj jadąc przestały działać wycieraczki, podłączyłem na krótko silniczek i chodzi na każdym "biegu". Mechanizm też nie stawia oporu. Doszedłem do tego że:
- silniczek działa,
- manetka od wycieraczek też,
A teraz podam wam objawy. Po włączeniu zapłonu słychać dziwne dźwięki z pod maski, a dokładnie bezpieczników i jest nim "Wiper relay" oczywiście wymieniłem go i dalej buczy, po włączeniu dźwigni wycieraczek buczy silnik jakby dostawał za mało prądu, przy pomocy ręki czuć że wycieraczki chcą chodzić ale nie mają "siły". Nie mam pomysłu gdzie szukać dalej przyczyny, macie jakieś pomysły? Pozdrawiam

Awatar użytkownika
etac
Prezes
Posty: 24969
Rejestracja: 4 sie 2013, o 00:31
Reputacja: 300
Imię: Krzysztof
Samochód: Opel Astra L ST
Silnik: 1.2T Pure Tech
LPG: NIE
Inny samochód: Yamaha X-MAX Tech Max
Lokalizacja: SBE
Kontakt:

Re: Wycieraczki nie działają

Post autor: etac » 22 paź 2020, o 19:29

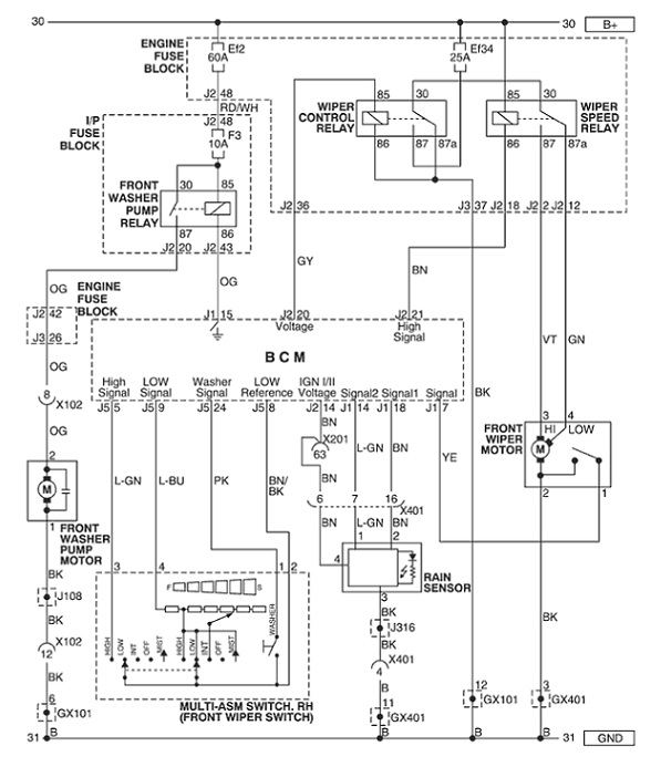
Do sprawdzenia z schematem.

captiva wyc.jpg
Lekcje prywatne są odpłatne, pytania na forum są darmowe

Xfmcx
Świeżak
Posty: 5
Rejestracja: 22 paź 2020, o 13:31
Reputacja: 0
Imię: Filip
Samochód: Captiva
Silnik: 2.4 benzyna
LPG: Tak, brc
Lokalizacja: Stężyca
Kontakt:

Re: Wycieraczki nie działają

Post autor: Xfmcx » 23 paź 2020, o 01:33

Dzięki

ODPOWIEDZ

Wróć do „Captiva Elektryka / Elektronika”

Kto jest online

Użytkownicy przeglądający to forum: Obecnie na forum nie ma żadnego zarejestrowanego użytkownika i 1 gość