rozładowanie akumulatora - bezpiecznik F28

Nie świeci, nie kręci i inne tematy związane z elektryką i elektroniką
Awatar użytkownika
Anares1
Aktywny
Posty: 68
Rejestracja: 11 lis 2019, o 17:58
Reputacja: 0
Imię: Anares
Samochód: Captiva
Silnik: 2.0 150KM, diesel, 4x4
Lokalizacja: Wrocław
Kontakt:

Re: rozładowanie akumulatora - bezpiecznik F28

Post autor: Anares1 » 16 wrz 2020, o 21:45

Zaraz wrzucę

Dodano po 3 minutach 38 sekundach:
Fotki

Dodano po 5 minutach 56 sekundach:
Może na bezpieczniku tam gdzie jest słaby plus (tam gdzie się lekko żarzy probówka) jest przebicie albo za słaba zero.
Załączniki
Screenshot_20200916-214742.png
Screenshot_20200916-214702.png
{:/

Awatar użytkownika
bubu1769
Administrator
Posty: 6869
Rejestracja: 5 wrz 2018, o 16:40
Reputacja: 457
Imię: Bartłomiej
Samochód: Aveo T250
Silnik: 1.4 101KM
Inny samochód: Orlando 1.4T, Meriva A 1.8
Lokalizacja: Kalisz
Kontakt:

Re: rozładowanie akumulatora - bezpiecznik F28

Post autor: bubu1769 » 16 wrz 2020, o 22:07

No, czyli twoje F1 to moje EF12.
Jutro przejrze schematy i spróbuję coś doradzić.

Awatar użytkownika
Anares1
Aktywny
Posty: 68
Rejestracja: 11 lis 2019, o 17:58
Reputacja: 0
Imię: Anares
Samochód: Captiva
Silnik: 2.0 150KM, diesel, 4x4
Lokalizacja: Wrocław
Kontakt:

Re: rozładowanie akumulatora - bezpiecznik F28

Post autor: Anares1 » 16 wrz 2020, o 22:23

Tak mi się wydaje że to te ef12. Dzięki z góry za chęć pomocy. :ok:
{:/

Awatar użytkownika
bubu1769
Administrator
Posty: 6869
Rejestracja: 5 wrz 2018, o 16:40
Reputacja: 457
Imię: Bartłomiej
Samochód: Aveo T250
Silnik: 1.4 101KM
Inny samochód: Orlando 1.4T, Meriva A 1.8
Lokalizacja: Kalisz
Kontakt:

Re: rozładowanie akumulatora - bezpiecznik F28

Post autor: bubu1769 » 17 wrz 2020, o 07:03

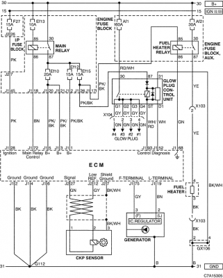
EF12 to jedno z zasilań ECM poprzez przekaźnik który podaje zasilania także na inne moduły.
Sam przekaźnik jest sterowany masą z ECM i w sumie tu doszukiwałbym się problemu, być może przekaźnik ma za słabą cewkę przez co nawet po wyłączeniu stacyjki nie odpuszcza trzymając się na napięciu szczątkowym, bądź coś jest nie tak z ECM że nie wyłącza całkowicie zasilania na przekaźnik przez co ten nie odpuszcza.
Warto by pomierzyć jakie jest napięcie na tym przekaźniku w momencie wyłączenia stacyjki, oczywiście przekaźnik musi być wtedy wpięty, oraz czy jego wyciągniecie spowoduje także spadek pobieranego prądu.
Można by też spróbować wyciągnąć bezpiecznik EF13, w twoim przypadku to F27.
Na początek sugerowałbym wymianę przekaźnika.
C7A19A10.jpg
C7A15305.png

Awatar użytkownika
Anares1
Aktywny
Posty: 68
Rejestracja: 11 lis 2019, o 17:58
Reputacja: 0
Imię: Anares
Samochód: Captiva
Silnik: 2.0 150KM, diesel, 4x4
Lokalizacja: Wrocław
Kontakt:

Re: rozładowanie akumulatora - bezpiecznik F28

Post autor: Anares1 » 17 wrz 2020, o 18:26

Witam. Po wyjęciu przekaźnika głównego spada pod multimetrem do 0.18 A. gdy wyjme bezpiecznik ef13 też do 0.18A jak wyłącze moim pstryczkiem który jest na ef12 też spada do 0.18 A. Zamieniałem przekaźniki ten sam odczyt . Gdy nic nie zrobię tylko zamknę auto po wyciągnięciu kluczyków utrzymuje się 0.75A

Dodano po 26 minutach 10 sekundach:
Sam już nie wiem .nawet jak wszystko wyciągnę to jest 0.18 A

Dodano po 2 minutach 36 sekundach:
Dodam że już próbnik świeci się tylko na plusie w każdym bezpieczniku . Wcześniej zażyło sie lekko zero na ef12
{:/

Awatar użytkownika
bubu1769
Administrator
Posty: 6869
Rejestracja: 5 wrz 2018, o 16:40
Reputacja: 457
Imię: Bartłomiej
Samochód: Aveo T250
Silnik: 1.4 101KM
Inny samochód: Orlando 1.4T, Meriva A 1.8
Lokalizacja: Kalisz
Kontakt:

Re: rozładowanie akumulatora - bezpiecznik F28

Post autor: bubu1769 » 17 wrz 2020, o 19:24

Masz może najprostszy miernik żeby zmierzyć napięcia?
Probówka nie jest dobrym narzędziem do takiej diagnostyki.

Awatar użytkownika
Anares1
Aktywny
Posty: 68
Rejestracja: 11 lis 2019, o 17:58
Reputacja: 0
Imię: Anares
Samochód: Captiva
Silnik: 2.0 150KM, diesel, 4x4
Lokalizacja: Wrocław
Kontakt:

Re: rozładowanie akumulatora - bezpiecznik F28

Post autor: Anares1 » 17 wrz 2020, o 20:02

Mam multimetr . Mogę zmierzyć. Tylko już nie wiem co .
{:/

Awatar użytkownika
bubu1769
Administrator
Posty: 6869
Rejestracja: 5 wrz 2018, o 16:40
Reputacja: 457
Imię: Bartłomiej
Samochód: Aveo T250
Silnik: 1.4 101KM
Inny samochód: Orlando 1.4T, Meriva A 1.8
Lokalizacja: Kalisz
Kontakt:

Re: rozładowanie akumulatora - bezpiecznik F28

Post autor: bubu1769 » 17 wrz 2020, o 20:32

Napięcie na zasilaniu przekaźnika głównego gdy jest wyłączona stacyjka, tylko podczas pomiaru przekaźnik musi być na swoim miejscu.

Awatar użytkownika
Anares1
Aktywny
Posty: 68
Rejestracja: 11 lis 2019, o 17:58
Reputacja: 0
Imię: Anares
Samochód: Captiva
Silnik: 2.0 150KM, diesel, 4x4
Lokalizacja: Wrocław
Kontakt:

Re: rozładowanie akumulatora - bezpiecznik F28

Post autor: Anares1 » 17 wrz 2020, o 21:59

Jutro pomierze .
{:/

Awatar użytkownika
Anares1
Aktywny
Posty: 68
Rejestracja: 11 lis 2019, o 17:58
Reputacja: 0
Imię: Anares
Samochód: Captiva
Silnik: 2.0 150KM, diesel, 4x4
Lokalizacja: Wrocław
Kontakt:

Re: rozładowanie akumulatora - bezpiecznik F28

Post autor: Anares1 » 24 wrz 2020, o 20:58

Nie dałem rady sprawdzić jakie jest napięcie gdy jest włożony przekaźnik , musiałem wyjechać ,
Doczytałem się na forum antary że ich posiadacze też mają ten sam problem . Występuje on wszędzie tam gdzie był wycinany DPF . Ja też wycinałem.
Możliwe że to wina wgranego softu po wycince . Tylko że wycinałem rok temu . Teraz lipa raczej , zwłaszcza że zakład jest 100km drogi odemnie
{:/

Awatar użytkownika
etac
Prezes
Posty: 24968
Rejestracja: 4 sie 2013, o 00:31
Reputacja: 300
Imię: Krzysztof
Samochód: Opel Astra L ST
Silnik: 1.2T Pure Tech
LPG: NIE
Inny samochód: Yamaha X-MAX Tech Max
Lokalizacja: SBE
Kontakt:

Re: rozładowanie akumulatora - bezpiecznik F28

Post autor: etac » 24 wrz 2020, o 21:22

daj jakiegoś linka do tej sprawy. Ciekawi mnie połączenie DPFa i rozładowanego aku.
Lekcje prywatne są odpłatne, pytania na forum są darmowe

Awatar użytkownika
Anares1
Aktywny
Posty: 68
Rejestracja: 11 lis 2019, o 17:58
Reputacja: 0
Imię: Anares
Samochód: Captiva
Silnik: 2.0 150KM, diesel, 4x4
Lokalizacja: Wrocław
Kontakt:

Re: rozładowanie akumulatora - bezpiecznik F28

Post autor: Anares1 » 25 wrz 2020, o 12:43

Rozmawiałem z gościem z firmy co mi wycinali dpfa. Powiedział że problem mu znany ,mam przyjechać i zmienia mi oprogramowanie , stwierdził że są dwie wersje softu do captivy i wgrał nie właściwą . We wtorek jadę do nich na zmianę dam znać

Dodano po 1 minucie 25 sekundach:
Chodzi o soft bez dpfa , są jego dwie wersje. Żeby komp nie widział że został wycięty
{:/

Awatar użytkownika
etac
Prezes
Posty: 24968
Rejestracja: 4 sie 2013, o 00:31
Reputacja: 300
Imię: Krzysztof
Samochód: Opel Astra L ST
Silnik: 1.2T Pure Tech
LPG: NIE
Inny samochód: Yamaha X-MAX Tech Max
Lokalizacja: SBE
Kontakt:

Re: rozładowanie akumulatora - bezpiecznik F28

Post autor: etac » 25 wrz 2020, o 12:52

a możesz dać linka do tych debat w Opel Antara?
Lekcje prywatne są odpłatne, pytania na forum są darmowe

Awatar użytkownika
Anares1
Aktywny
Posty: 68
Rejestracja: 11 lis 2019, o 17:58
Reputacja: 0
Imię: Anares
Samochód: Captiva
Silnik: 2.0 150KM, diesel, 4x4
Lokalizacja: Wrocław
Kontakt:

Re: rozładowanie akumulatora - bezpiecznik F28

Post autor: Anares1 » 25 wrz 2020, o 13:49

To były pojedyncze wpisy o treści " czy masz wyciętego dpfa " bo to tam miało znaczenie , ale problem nie był rozwiązany bo oczywiście nikt nie raczył napisać jak rozwiązał sprawę. Jak mi zmienia soft i nie będzie brało prądu to będzie przełom , dużo jest problemów z ubytkiem prądu w tym modelu , i pełno sztuczek typu opóźniacze przekaźnika , wyłączniki i itp , zobaczymy
{:/

Awatar użytkownika
Anares1
Aktywny
Posty: 68
Rejestracja: 11 lis 2019, o 17:58
Reputacja: 0
Imię: Anares
Samochód: Captiva
Silnik: 2.0 150KM, diesel, 4x4
Lokalizacja: Wrocław
Kontakt:

Re: rozładowanie akumulatora - bezpiecznik F28

Post autor: Anares1 » 29 wrz 2020, o 20:09

Jestem już po zmianie oprogramowania w aucie . Muszę powiedzieć że po w graniu i wyjęciu kluczyka po upływie około 60 sekund poszedł sygnał z komputera w aucie i odłączyło przekaźnik , prąd spadł do 0,00-0.01 . Wszystko gra , niesamowite . Dodatkowo miałem problem z ustawianiem temperatury w aucie , wymieniłem dwa panele do sterowania temperaturą i dalej był problem ale pominąłem bo mało znaczącą usterka . Teraz nawet to działa :). Mechanik stwierdził że są dwa softy do captivy i wgrali mi wcześniej nie ten

Dodano po 2 minutach 29 sekundach:
Jeżeli ktoś ma problem z poborem mocy na postoju ,miał wycinkę dpfa to najprawdopodobniej ma nie ten soft co powinien być .
Ostatnio zmieniony 29 wrz 2020, o 22:09 przez bubu1769, łącznie zmieniany 1 raz.
Powód: Napięcie - prąd.
{:/

Awatar użytkownika
Bushman10980
Świeżak
Posty: 44
Rejestracja: 8 lip 2015, o 11:48
Reputacja: 0
Imię: Maciej
Samochód: Captiva
Silnik: 2.0 Diesel, 150KM
Lokalizacja: Małopolska
Kontakt:

Re: rozładowanie akumulatora - bezpiecznik F28

Post autor: Bushman10980 » 2 paź 2023, o 10:56

Witam, podepnę się pod temat - mam Captive 2010r. 2.0D i wyciąłem DPF-a. Objawy mam takie, że po naładowaniu akumulatora prostownikiem po każdej nocy mam co raz mniejsze napięcie na nim. I tak jak rozłączę prostownik wieczorem aku ma 12,9V, po nocy już 12,4V (do przyjęcia) - tu wykonuje jazdę do pracy 2 x25km przy ładowaniu (OBD2 ~14.5V / miernik w gnieździe zapalniczki ~14,3V). Po następnej nocy 12,2V i tak do weekendu gdzie w sobotę rano mam 11,8V (nigdzie nie jadę), za to w niedzielę już auta nie odpalę. Pomiary prądu spoczynkowego wskazuje po 3 minutach natężenie prądu spada do 0,04A czyli bajka. Czy coś może "wzbudzać się w nocy" i rozładowywać aku? Tuningowiec twierdzi, że soft do "DPF off" jest dobry ale nie słyszał o innej wersji. Wymieniłem akumulator - bez zmian.
SQ2MMV - Maciej
145,550 MHz / 19 CB
Trzech synów matka miała, dwóch słynęło z mądrości, a trzeci co był głupi poszedł do Łączności... TITATA TITITATA TITATATITITATA a trzeci co był głupi poszedł do Łączności.
https://www.facebook.com/siedemsmutkow/

Awatar użytkownika
etac
Prezes
Posty: 24968
Rejestracja: 4 sie 2013, o 00:31
Reputacja: 300
Imię: Krzysztof
Samochód: Opel Astra L ST
Silnik: 1.2T Pure Tech
LPG: NIE
Inny samochód: Yamaha X-MAX Tech Max
Lokalizacja: SBE
Kontakt:

Re: rozładowanie akumulatora - bezpiecznik F28

Post autor: etac » 2 paź 2023, o 17:33

Kamerka?
Lekcje prywatne są odpłatne, pytania na forum są darmowe

Awatar użytkownika
Bushman10980
Świeżak
Posty: 44
Rejestracja: 8 lip 2015, o 11:48
Reputacja: 0
Imię: Maciej
Samochód: Captiva
Silnik: 2.0 Diesel, 150KM
Lokalizacja: Małopolska
Kontakt:

Re: rozładowanie akumulatora - bezpiecznik F28

Post autor: Bushman10980 » 2 paź 2023, o 17:56

Nie, mam takowej - mam smartfona którego odpalam jako kamerkę ale na potrzeby znalezienia rozwiązania jest rozłączony.
Ostatnio zmieniony 2 paź 2023, o 21:20 przez etac, łącznie zmieniany 1 raz.
Powód: usunięto zapis z CYTUJ
SQ2MMV - Maciej
145,550 MHz / 19 CB
Trzech synów matka miała, dwóch słynęło z mądrości, a trzeci co był głupi poszedł do Łączności... TITATA TITITATA TITATATITITATA a trzeci co był głupi poszedł do Łączności.
https://www.facebook.com/siedemsmutkow/

Awatar użytkownika
etac
Prezes
Posty: 24968
Rejestracja: 4 sie 2013, o 00:31
Reputacja: 300
Imię: Krzysztof
Samochód: Opel Astra L ST
Silnik: 1.2T Pure Tech
LPG: NIE
Inny samochód: Yamaha X-MAX Tech Max
Lokalizacja: SBE
Kontakt:

Re: rozładowanie akumulatora - bezpiecznik F28

Post autor: etac » 2 paź 2023, o 21:22

to ci powiem że mam ten sam problem w Hyundai Tucson 2021.

Pobór prądu na poziomie 0,03V, a poziom naładowania aku gdzieś znika.
Lekcje prywatne są odpłatne, pytania na forum są darmowe

Awatar użytkownika
Bushman10980
Świeżak
Posty: 44
Rejestracja: 8 lip 2015, o 11:48
Reputacja: 0
Imię: Maciej
Samochód: Captiva
Silnik: 2.0 Diesel, 150KM
Lokalizacja: Małopolska
Kontakt:

Re: rozładowanie akumulatora - bezpiecznik F28

Post autor: Bushman10980 » 2 paź 2023, o 21:25

Próbowałeś zarejestrować pobór prądu przez dłuższy czas na postoju? Jakieś miernik z rejestracją by się przydał...
SQ2MMV - Maciej
145,550 MHz / 19 CB
Trzech synów matka miała, dwóch słynęło z mądrości, a trzeci co był głupi poszedł do Łączności... TITATA TITITATA TITATATITITATA a trzeci co był głupi poszedł do Łączności.
https://www.facebook.com/siedemsmutkow/

Awatar użytkownika
etac
Prezes
Posty: 24968
Rejestracja: 4 sie 2013, o 00:31
Reputacja: 300
Imię: Krzysztof
Samochód: Opel Astra L ST
Silnik: 1.2T Pure Tech
LPG: NIE
Inny samochód: Yamaha X-MAX Tech Max
Lokalizacja: SBE
Kontakt:

Re: rozładowanie akumulatora - bezpiecznik F28

Post autor: etac » 2 paź 2023, o 21:55

nie mam garażu, bo bym ustawił kamerkę na multimetr.

Na razie nie mam pomysłu co mu dolega. Serwis mówi, że to moje dodatki dołożone, a ja mówię że już po kupnie były problemy, tylko cwaniaki z Hyundai usunęli z apki opcje kontroli stanu aku, którą non stop świeciła na czerwono jako problem.
Lekcje prywatne są odpłatne, pytania na forum są darmowe

Awatar użytkownika
Bushman10980
Świeżak
Posty: 44
Rejestracja: 8 lip 2015, o 11:48
Reputacja: 0
Imię: Maciej
Samochód: Captiva
Silnik: 2.0 Diesel, 150KM
Lokalizacja: Małopolska
Kontakt:

Re: rozładowanie akumulatora - bezpiecznik F28

Post autor: Bushman10980 » 2 paź 2023, o 21:59

Aha, to z kamerką chce własnie w weekend spróbować.
Na razie F1 wyciągnąłem na noc. Najchętniej większość dałbym po kluczyku.
W Nubirze z tym samym silnikiem tego problemu nie miałem - a na tygodnie zostawiałem pod chmurką i sprzętu miałem dużo bezpośrednio pod aku podłączone, tu się wszystkiego boje :/
SQ2MMV - Maciej
145,550 MHz / 19 CB
Trzech synów matka miała, dwóch słynęło z mądrości, a trzeci co był głupi poszedł do Łączności... TITATA TITITATA TITATATITITATA a trzeci co był głupi poszedł do Łączności.
https://www.facebook.com/siedemsmutkow/

Awatar użytkownika
Bushman10980
Świeżak
Posty: 44
Rejestracja: 8 lip 2015, o 11:48
Reputacja: 0
Imię: Maciej
Samochód: Captiva
Silnik: 2.0 Diesel, 150KM
Lokalizacja: Małopolska
Kontakt:

Re: rozładowanie akumulatora - bezpiecznik F28

Post autor: Bushman10980 » 4 paź 2023, o 07:35

Aktualizacja! Wyciąganie F1 (na innych schematach EF12) daje rezultat widoczny po 3 dniach. Po nocy, po normalnym dniu (+50km do przebiegu) Akumulator ma napięcie 12.4V co uznaje za właściwe. Owy bezpiecznik zabija ECU, które po DPF + EGR off pozostaje stale zasilane i włączone.
Obecnie szukam tunera w okolicach Krakowa który podejmie się modyfikacji wsadu. Jeśli któryś z kolegów dysponuje namiarami proszę o info.
SQ2MMV - Maciej
145,550 MHz / 19 CB
Trzech synów matka miała, dwóch słynęło z mądrości, a trzeci co był głupi poszedł do Łączności... TITATA TITITATA TITATATITITATA a trzeci co był głupi poszedł do Łączności.
https://www.facebook.com/siedemsmutkow/

Awatar użytkownika
etac
Prezes
Posty: 24968
Rejestracja: 4 sie 2013, o 00:31
Reputacja: 300
Imię: Krzysztof
Samochód: Opel Astra L ST
Silnik: 1.2T Pure Tech
LPG: NIE
Inny samochód: Yamaha X-MAX Tech Max
Lokalizacja: SBE
Kontakt:

Re: rozładowanie akumulatora - bezpiecznik F28

Post autor: etac » 4 paź 2023, o 11:13

To sprawdź główny przekaźnik, on powinien odciąć to napięcie.
Lekcje prywatne są odpłatne, pytania na forum są darmowe

Awatar użytkownika
Bushman10980
Świeżak
Posty: 44
Rejestracja: 8 lip 2015, o 11:48
Reputacja: 0
Imię: Maciej
Samochód: Captiva
Silnik: 2.0 Diesel, 150KM
Lokalizacja: Małopolska
Kontakt:

Re: rozładowanie akumulatora - bezpiecznik F28

Post autor: Bushman10980 » 4 paź 2023, o 12:45

To wina softu podobno, część tunerów zna problem, a część nie. Przekaźnik R17, pomierzę go/zamienię z innym - zobaczymy.
SQ2MMV - Maciej
145,550 MHz / 19 CB
Trzech synów matka miała, dwóch słynęło z mądrości, a trzeci co był głupi poszedł do Łączności... TITATA TITITATA TITATATITITATA a trzeci co był głupi poszedł do Łączności.
https://www.facebook.com/siedemsmutkow/

ODPOWIEDZ

Wróć do „Captiva Elektryka / Elektronika”

Kto jest online

Użytkownicy przeglądający to forum: Obecnie na forum nie ma żadnego zarejestrowanego użytkownika i 1 gość