Światła dzienne.
-
- Aktywny
- Posty: 69
- Rejestracja: 22 kwie 2019, o 01:01
- Reputacja: 0
- Imię: Daniel
- Samochód: Captivia 2.4 LPG
- Silnik: Silnik 2.4 LPG, 123kW. 7osob
- LPG: Tak STAG -4 Next Plus
- Inny samochód: Chevrolet Aveo 1.4 plus Benzyna rok 2005
- Lokalizacja: bytom
- Kontakt:
Re: Światła dzienne.
A czy jestem w stanie zobaczyć który to przekaźnik? Dotykalem ręka na kazdy czarny przekaźnik i dotykałem masy żeby cykał, ale nie umie dowiedzieć się który to, wiesz może jak sprawdzić??Może idzie kupić nowy i tylko wymienić niż wstawiać zewnętrzny nowy??
- bubu1769
- Administrator
- Posty: 6869
- Rejestracja: 5 wrz 2018, o 16:40
- Reputacja: 457
- Imię: Bartłomiej
- Samochód: Aveo T250
- Silnik: 1.4 101KM
- Inny samochód: Orlando 1.4T, Meriva A 1.8
- Lokalizacja: Kalisz
- Kontakt:
Re: Światła dzienne.
Przekaźnik od świateł dziennych jest w module, w jego środku, trzeba by go całego wyciągnąć i otworzyć żeby się dostać do przekaźnika.
Który to dokładnie przekaźnik to nie wiem, trzeba by go namierzyć po połączeniach, poszukam jeszcze może gdzieś był już opisany podobny problem i ktoś porobił zdjęcia wnętrza modułu.
Który to dokładnie przekaźnik to nie wiem, trzeba by go namierzyć po połączeniach, poszukam jeszcze może gdzieś był już opisany podobny problem i ktoś porobił zdjęcia wnętrza modułu.
-
- Aktywny
- Posty: 69
- Rejestracja: 22 kwie 2019, o 01:01
- Reputacja: 0
- Imię: Daniel
- Samochód: Captivia 2.4 LPG
- Silnik: Silnik 2.4 LPG, 123kW. 7osob
- LPG: Tak STAG -4 Next Plus
- Inny samochód: Chevrolet Aveo 1.4 plus Benzyna rok 2005
- Lokalizacja: bytom
- Kontakt:
Re: Światła dzienne.
Kolego mam pytanie jeszcze odnośnie świateł halogenowych przednich czy znasz się może na podłączeniu ich? Mam kurcze pecha i zostałem bez pomocy, warsztat nie jest w stanie mi pomóc bo nie maja elektronikow samochodowych (brak slow). Przed naprawa wszystko działało oprucz świateł dziennych co razem żeśmy robili.A tetaz problem taki że nie swieca halogeny po naprawie chłodnicy klimatyzacji - był sciągany zderzak. Byłem dzis na reklamacji to dowiedziałem się że są dwie wiązki lewa i prawa do lamp, a nie umieli zlokalizować kostki więc wyjeli tylko żarówki i potem zmontowali. Dzis sprawdzili bezpiecznik, miernikiem sprawdzili kostki i stwierdzili że prąd nie dochodzi prawdopodobnie moduł komfortu lub linia can. Stwierdzili że trzeba umowic sie na inny termin i auto zostawic, ale nie gwarantują że uda sie to zrobić. Spytalem czy nie ma tam jakiegoś przekaznika, kostki po drodze to nie wiedzą bo każde auto jest inne... Brak słów możesz mi jakos pomóc proszę żeby cos sprawdzić ??
- bubu1769
- Administrator
- Posty: 6869
- Rejestracja: 5 wrz 2018, o 16:40
- Reputacja: 457
- Imię: Bartłomiej
- Samochód: Aveo T250
- Silnik: 1.4 101KM
- Inny samochód: Orlando 1.4T, Meriva A 1.8
- Lokalizacja: Kalisz
- Kontakt:
Re: Światła dzienne.
Sprawdź czy załącza ci się przekaźnik KR46, ewentualnie go wypnij i zmostkuj, i czy na bezpieczniku F16UA pojawia ci się napięcie.
-
- Aktywny
- Posty: 69
- Rejestracja: 22 kwie 2019, o 01:01
- Reputacja: 0
- Imię: Daniel
- Samochód: Captivia 2.4 LPG
- Silnik: Silnik 2.4 LPG, 123kW. 7osob
- LPG: Tak STAG -4 Next Plus
- Inny samochód: Chevrolet Aveo 1.4 plus Benzyna rok 2005
- Lokalizacja: bytom
- Kontakt:
Re: Światła dzienne.
Z tego co widze to pod maską prawda bezpiecznik niebieski 15a oraz szary przekaźnik , które piny zmostkowac??
- bubu1769
- Administrator
- Posty: 6869
- Rejestracja: 5 wrz 2018, o 16:40
- Reputacja: 457
- Imię: Bartłomiej
- Samochód: Aveo T250
- Silnik: 1.4 101KM
- Inny samochód: Orlando 1.4T, Meriva A 1.8
- Lokalizacja: Kalisz
- Kontakt:
Re: Światła dzienne.
30 albo 85 z 87, sprawdź na którym mas zasilanie +12V i zmostkuj go z pinem po przekątnej.
86 to sygnał masy z BCM
Ten drugi niebieski bezpiecznik
86 to sygnał masy z BCM
Ten drugi niebieski bezpiecznik
-
- Aktywny
- Posty: 69
- Rejestracja: 22 kwie 2019, o 01:01
- Reputacja: 0
- Imię: Daniel
- Samochód: Captivia 2.4 LPG
- Silnik: Silnik 2.4 LPG, 123kW. 7osob
- LPG: Tak STAG -4 Next Plus
- Inny samochód: Chevrolet Aveo 1.4 plus Benzyna rok 2005
- Lokalizacja: bytom
- Kontakt:
Re: Światła dzienne.
Bezpiecznik jest cały a przekaźnik cyka jsk przełączam światła tylko teraz wyciaglem ten szary przekaźnik i nie wiem jak byl czy tak ja te obok wycięciem w dół czy do gory. Bo jak wycięcie w dol to 30 jest u gory po lewej a jak wyciecie u gory na przekazniku to 30 jest po prawej na dole na zgaszonym silniku pasuje tak i tak
- bubu1769
- Administrator
- Posty: 6869
- Rejestracja: 5 wrz 2018, o 16:40
- Reputacja: 457
- Imię: Bartłomiej
- Samochód: Aveo T250
- Silnik: 1.4 101KM
- Inny samochód: Orlando 1.4T, Meriva A 1.8
- Lokalizacja: Kalisz
- Kontakt:
Re: Światła dzienne.
Bez różnicy, przekaźnik będzie działać w obu pozycjach.
-
- Aktywny
- Posty: 69
- Rejestracja: 22 kwie 2019, o 01:01
- Reputacja: 0
- Imię: Daniel
- Samochód: Captivia 2.4 LPG
- Silnik: Silnik 2.4 LPG, 123kW. 7osob
- LPG: Tak STAG -4 Next Plus
- Inny samochód: Chevrolet Aveo 1.4 plus Benzyna rok 2005
- Lokalizacja: bytom
- Kontakt:
Re: Światła dzienne.
Ok przekaźnik tylko czy jak zmostkuje czy coś nie spale?? Sprobuje lewy górny róg czyli 30 zmostkowac po przekątnej z 87
- bubu1769
- Administrator
- Posty: 6869
- Rejestracja: 5 wrz 2018, o 16:40
- Reputacja: 457
- Imię: Bartłomiej
- Samochód: Aveo T250
- Silnik: 1.4 101KM
- Inny samochód: Orlando 1.4T, Meriva A 1.8
- Lokalizacja: Kalisz
- Kontakt:
Re: Światła dzienne.
Tak jak pisałem wcześniej, sprawdź w gnieździe w którym miejscu masz zasilanie i zmostkuj go z pinem po przekątnej.
-
- Aktywny
- Posty: 69
- Rejestracja: 22 kwie 2019, o 01:01
- Reputacja: 0
- Imię: Daniel
- Samochód: Captivia 2.4 LPG
- Silnik: Silnik 2.4 LPG, 123kW. 7osob
- LPG: Tak STAG -4 Next Plus
- Inny samochód: Chevrolet Aveo 1.4 plus Benzyna rok 2005
- Lokalizacja: bytom
- Kontakt:
Re: Światła dzienne.
Napięcie mam na pinie 30 oraz 86 a na 85 i 87 nic nie ma a przy wlaczonym silniku pokazuje 14 a na bezpieczniku tez jest prad
Dodano po 3 minutach 11 sekundach:
Zmostkowalem i włączyłem w aucie halogeny i nic się nie dzieje
Dodano po 3 minutach 11 sekundach:
Zmostkowalem i włączyłem w aucie halogeny i nic się nie dzieje
- bubu1769
- Administrator
- Posty: 6869
- Rejestracja: 5 wrz 2018, o 16:40
- Reputacja: 457
- Imię: Bartłomiej
- Samochód: Aveo T250
- Silnik: 1.4 101KM
- Inny samochód: Orlando 1.4T, Meriva A 1.8
- Lokalizacja: Kalisz
- Kontakt:
Re: Światła dzienne.
87 to wyjście na bezpiecznik, 85 to sygnał masy z BCM sterujący przekaźnikiem.
Jeśli z wypiętym przekaźnikiem pokazuje ci dodatnie napięcie na bezpieczniku to podejrzewam że masz uszkodzona masę o halogenów i napięcie pojawia się z innego odbiornika wykorzystującego ten sam punkt masowy.
Postaram się poszukać gdzie dokładnie jest ten punkt masowy i co jeszcze z niego korzysta.
Dodano po 12 minutach 28 sekundach:
Ogólnie ten punkt masowy odpowiada za sporawą ilość elementów wiec to raczej nie jego wina.
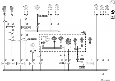
Jednak mana po drodze do świateł przeciwmgłowych przechodzi jeszcze przez złącza X102 i X107 i to je warto by sprawdzić (1) X102
(2) J108
(3) X107 (UFR lub T96)
(4) J122 (nieużywany)
(5) J123 (UFR)
(6) J122 (UFR)
(7) J105 (C68)
(8) J121
(9) J120
Jeśli z wypiętym przekaźnikiem pokazuje ci dodatnie napięcie na bezpieczniku to podejrzewam że masz uszkodzona masę o halogenów i napięcie pojawia się z innego odbiornika wykorzystującego ten sam punkt masowy.
Postaram się poszukać gdzie dokładnie jest ten punkt masowy i co jeszcze z niego korzysta.
Dodano po 12 minutach 28 sekundach:
Ogólnie ten punkt masowy odpowiada za sporawą ilość elementów wiec to raczej nie jego wina.
Jednak mana po drodze do świateł przeciwmgłowych przechodzi jeszcze przez złącza X102 i X107 i to je warto by sprawdzić (1) X102
(2) J108
(3) X107 (UFR lub T96)
(4) J122 (nieużywany)
(5) J123 (UFR)
(6) J122 (UFR)
(7) J105 (C68)
(8) J121
(9) J120
-
- Aktywny
- Posty: 69
- Rejestracja: 22 kwie 2019, o 01:01
- Reputacja: 0
- Imię: Daniel
- Samochód: Captivia 2.4 LPG
- Silnik: Silnik 2.4 LPG, 123kW. 7osob
- LPG: Tak STAG -4 Next Plus
- Inny samochód: Chevrolet Aveo 1.4 plus Benzyna rok 2005
- Lokalizacja: bytom
- Kontakt:
Re: Światła dzienne.
Ok to ja już idę do domu jak coś znajdziesz to jutro sprawdzę. Tylko dodam że stojąc koło auta od str kierowcy przy nadkolu ,patrząc na przekaźnik to lewa str góra i dół ma napięcie (pion)a prawa (pion) nie ma wogole. A na bezpieczniku jest napięcie . Obawiam się czy coś nie uszkodzili w serwisie przy wymianie chłodnicy klimatyzacji, ale zasłaniają się że nie tym bardziej że są tam krótkie kable idące do halogenow i nie mieliby nawet jak je uszkodzić
Dodano po 1 minucie 38 sekundach:
To napisz proszę co mam zrobić co sprawdzić
Dodano po 1 minucie 38 sekundach:
To napisz proszę co mam zrobić co sprawdzić
- bubu1769
- Administrator
- Posty: 6869
- Rejestracja: 5 wrz 2018, o 16:40
- Reputacja: 457
- Imię: Bartłomiej
- Samochód: Aveo T250
- Silnik: 1.4 101KM
- Inny samochód: Orlando 1.4T, Meriva A 1.8
- Lokalizacja: Kalisz
- Kontakt:
Re: Światła dzienne.
Sprawdź czy nie widać jakiś uszkodzeń przy tych wtyczkah i ich przewodach.
Zastanawiam się czy mechanicy czesem nie pourywali przewodów przy demontażu zderzaka a później połączyli jak im się wydawało że będzie dobrze i stąd te problemy.
Zastanawiam się czy mechanicy czesem nie pourywali przewodów przy demontażu zderzaka a później połączyli jak im się wydawało że będzie dobrze i stąd te problemy.
-
- Aktywny
- Posty: 69
- Rejestracja: 22 kwie 2019, o 01:01
- Reputacja: 0
- Imię: Daniel
- Samochód: Captivia 2.4 LPG
- Silnik: Silnik 2.4 LPG, 123kW. 7osob
- LPG: Tak STAG -4 Next Plus
- Inny samochód: Chevrolet Aveo 1.4 plus Benzyna rok 2005
- Lokalizacja: bytom
- Kontakt:
Re: Światła dzienne.
Witam ponownie jutro chcę się zabrać za światła dzienne,może przy okazji rozkrecę te nieszczęsne halogeny i zobaczę co tam z nimi. Byłem na warsztacie gdzie robili mi chlodnice i mam termina na 16 dopiero. Ale odnośnie dziennych chciałbym skończyć, kupiłem przekaźnik i poszukałem informacji w Google jak podłączyć i nie wiem czy do końca tak moze byc dlatego prosze Ciebie o ocenę i poradę. Wiec chce wyciagnac reflektory, wyciagnac żarówkę 2 włóknowa (p21/5) włożyć leda i nastepnie dostać sie do kostki tylko nie wiem które kolory sa od świateł postojowych a ktode od dziennych. Postojowe sprawdze bo zalacze i sprawdze gdzie napięcie , ale z dziennymi mam problem bo jak sprawdze gdzie jest plus na światłach jak prad do nich nie dochodzi bo razem zdiagnozowalismy ze przekaźnik w aucie strzelił. Wiec jak znajde plus ze dziennych i postojowek to przeciagne do przekaźnika , masa do auta tylko muszs znalesc plus po stacyjce żeby wpiac do przekaznika 30 i stad pytanie znalalzem na forum ze w skrzynce pod maska po zaplonie jest f32 40a moge sie tam podpiąć??
- bubu1769
- Administrator
- Posty: 6869
- Rejestracja: 5 wrz 2018, o 16:40
- Reputacja: 457
- Imię: Bartłomiej
- Samochód: Aveo T250
- Silnik: 1.4 101KM
- Inny samochód: Orlando 1.4T, Meriva A 1.8
- Lokalizacja: Kalisz
- Kontakt:
Re: Światła dzienne.
A czemu nie dołożysz tego przekaźnika od dziennych przy samej skrzynce bezpieczników w kabinie?
Masz tam wszystkie potrzebne sygnały.
Masz tam wszystkie potrzebne sygnały.
-
- Aktywny
- Posty: 69
- Rejestracja: 22 kwie 2019, o 01:01
- Reputacja: 0
- Imię: Daniel
- Samochód: Captivia 2.4 LPG
- Silnik: Silnik 2.4 LPG, 123kW. 7osob
- LPG: Tak STAG -4 Next Plus
- Inny samochód: Chevrolet Aveo 1.4 plus Benzyna rok 2005
- Lokalizacja: bytom
- Kontakt:
Re: Światła dzienne.
Hmm masz rację nie pomyślałem - nie jestem elektryk z zawodu. Tylko tak się zastanawiam teraz jak to zrobić , musiałbym poszukać plusa z postojowych oraz dziennych, a potem poszukać na którym bezpieczniku jest prad po zapaleniu auta. Czy moge Cię poprosić o pomoc możesz mi zrobić jakieś zdjęcie, które kable musiałbym przeciąć i założyć konektorki żeby to działało? Po wszystkim miałbym prośbę o podanie nr tel jeżeli masz blika odwdziecze się za wszelką pomoc bo bardzo dużo poswiecasz mi czasu. A chce zrobic te dzienne,bo codziennie mi mrugaja światłami ciągle o nich zapominam w drugim aucie mam automat a w tym nie. Więc proszę Cię o pomoc jakiś schemat zdjęcie co zrobić hehe już wiem jak dostac się do skrzynki z bezpiecznikami i ja wyjąć tetaz które pony do czego są i jakie przeciąć??
Dodano po 2 minutach 37 sekundach:
Bo chodzi jedno po głowie jeszcze jak robiliśmy obejście przekaznika co powiedziałeś że mam dodać mase do pinu 31 i swiatla nie zadziałały to gdzie szukac instalacji żeby się zapalily?jak podlacze je do zewnetrznego przekaźnika??
Dodano po 2 minutach 37 sekundach:
Bo chodzi jedno po głowie jeszcze jak robiliśmy obejście przekaznika co powiedziałeś że mam dodać mase do pinu 31 i swiatla nie zadziałały to gdzie szukac instalacji żeby się zapalily?jak podlacze je do zewnetrznego przekaźnika??
- bubu1769
- Administrator
- Posty: 6869
- Rejestracja: 5 wrz 2018, o 16:40
- Reputacja: 457
- Imię: Bartłomiej
- Samochód: Aveo T250
- Silnik: 1.4 101KM
- Inny samochód: Orlando 1.4T, Meriva A 1.8
- Lokalizacja: Kalisz
- Kontakt:
Re: Światła dzienne.
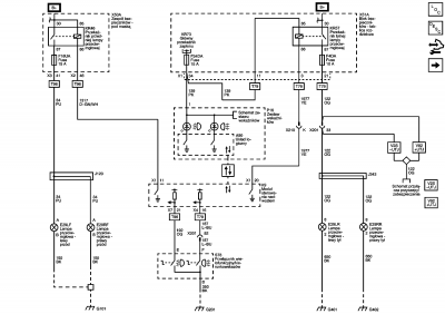
Kup taki rozdzielacz do bezpieczników
Czarny przewód połącz z tym jasnoziolono-czarnym na pinie 32, ten co podawałeś masę do testów.
Przewód żółty wepnij w miejsce bezpiecznika 45.
i podłącz z tym przekaźnikiem co masz w taki sposób
Rozdzielacz wepnij zamiast któregoś bezpiecznika gdzie masz stałe zasilanie +12V
Czarny przewód połącz z tym jasnoziolono-czarnym na pinie 32, ten co podawałeś masę do testów.
Przewód żółty wepnij w miejsce bezpiecznika 45.
-
- Aktywny
- Posty: 69
- Rejestracja: 22 kwie 2019, o 01:01
- Reputacja: 0
- Imię: Daniel
- Samochód: Captivia 2.4 LPG
- Silnik: Silnik 2.4 LPG, 123kW. 7osob
- LPG: Tak STAG -4 Next Plus
- Inny samochód: Chevrolet Aveo 1.4 plus Benzyna rok 2005
- Lokalizacja: bytom
- Kontakt:
Re: Światła dzienne.
Wow fajnie to wymyśliłes a ten rozdzielacz gdzie stałe napięcie mam 12v ale to ma byc cały czas czy dopiero jak zapale silnik??
- bubu1769
- Administrator
- Posty: 6869
- Rejestracja: 5 wrz 2018, o 16:40
- Reputacja: 457
- Imię: Bartłomiej
- Samochód: Aveo T250
- Silnik: 1.4 101KM
- Inny samochód: Orlando 1.4T, Meriva A 1.8
- Lokalizacja: Kalisz
- Kontakt:
Re: Światła dzienne.
W sumie bez różnicy.
Oryginalnie było.pod stały plus.
Oryginalnie było.pod stały plus.
-
- Aktywny
- Posty: 69
- Rejestracja: 22 kwie 2019, o 01:01
- Reputacja: 0
- Imię: Daniel
- Samochód: Captivia 2.4 LPG
- Silnik: Silnik 2.4 LPG, 123kW. 7osob
- LPG: Tak STAG -4 Next Plus
- Inny samochód: Chevrolet Aveo 1.4 plus Benzyna rok 2005
- Lokalizacja: bytom
- Kontakt:
Re: Światła dzienne.
Szkoa ze tak nie mozna tez zrobic na halogenach
)

-
- Aktywny
- Posty: 69
- Rejestracja: 22 kwie 2019, o 01:01
- Reputacja: 0
- Imię: Daniel
- Samochód: Captivia 2.4 LPG
- Silnik: Silnik 2.4 LPG, 123kW. 7osob
- LPG: Tak STAG -4 Next Plus
- Inny samochód: Chevrolet Aveo 1.4 plus Benzyna rok 2005
- Lokalizacja: bytom
- Kontakt:
Re: Światła dzienne.
Halogeny działają jupi. Okazało sie ze obudowa zarowki musi mieć w środku jakieś uszkodzenie bo wlokna cale, bezpiecznik cały a jak dałem nowa żarówkę zaczęły dwienstrony dzialac. Bardzo dziwne. A jezeli chodzi o dzienne to zamówiłem ten rozgaleznik do bezpiecznikow bo w Bytomiu w sklepach nie bylo, bo to micro plytkowy,wiec jak przyjdzie to zaraz sprawdzam. Podgląd żarówki
-
- Aktywny
- Posty: 69
- Rejestracja: 22 kwie 2019, o 01:01
- Reputacja: 0
- Imię: Daniel
- Samochód: Captivia 2.4 LPG
- Silnik: Silnik 2.4 LPG, 123kW. 7osob
- LPG: Tak STAG -4 Next Plus
- Inny samochód: Chevrolet Aveo 1.4 plus Benzyna rok 2005
- Lokalizacja: bytom
- Kontakt:
Re: Światła dzienne.
Wczoraj podłączyłem przekaznik według twojego schematu i niestety nie dziala, slychac jak cyka jak jest na dworze i zrobie cień to automat przełącza swiatla na mijania słychać cykanie przekaznika,ale światła nie swieca. Sprawdziłem skrzynke z bezpiecznikami w komorze silnika ,w celu znalezienia tego kabla z dziennych co ma przelatywac przez skrzynkę to ciezko ja wyciagnać i nie widac kabla żeby szedł bokiem sa ino kostki. Moze cos z tymi żarówkami jest nie tak? Tak samo jak bylo z halogenami, kupie inne zarowki i sprawdze . Masz jakiś pomysł??
- bubu1769
- Administrator
- Posty: 6869
- Rejestracja: 5 wrz 2018, o 16:40
- Reputacja: 457
- Imię: Bartłomiej
- Samochód: Aveo T250
- Silnik: 1.4 101KM
- Inny samochód: Orlando 1.4T, Meriva A 1.8
- Lokalizacja: Kalisz
- Kontakt:
Re: Światła dzienne.
A wpiąłeś się w dobry pin tego bezpiecznika 45?
-
- Aktywny
- Posty: 69
- Rejestracja: 22 kwie 2019, o 01:01
- Reputacja: 0
- Imię: Daniel
- Samochód: Captivia 2.4 LPG
- Silnik: Silnik 2.4 LPG, 123kW. 7osob
- LPG: Tak STAG -4 Next Plus
- Inny samochód: Chevrolet Aveo 1.4 plus Benzyna rok 2005
- Lokalizacja: bytom
- Kontakt:
Re: Światła dzienne.
Tak jak patrzysz wycięcie na dole to bezpiecznik niebieski u gory drugi od końca niebieski. A zasilanie stale juz znalalzem w dwoch miejscach , od radia, od dodatkowego zasilania , oraz zasilania bagażnika , przyczepki pradu nie ma a jak sie zapali zapłon prad sie pojawia. Cyka przekaznik ale swiatla nie zalaczaja się tak samo slychac na starym przekazniku z auta ze cyka
Kto jest online
Użytkownicy przeglądający to forum: Obecnie na forum nie ma żadnego zarejestrowanego użytkownika i 1 gość