Captiva 2,2 Diesel Gaśnie podczas jazdy i pali bezpiecznik
-
- Świeżak
- Posty: 4
- Rejestracja: 12 sie 2024, o 19:39
- Reputacja: 0
- Imię: Krzysztof
- Samochód: Captiva
- Silnik: 2.2 diesel 184 km
- Lokalizacja: Nowy Sącz/Kraków
- Kontakt:
Captiva 2,2 Diesel Gaśnie podczas jazdy i pali bezpiecznik
Witam ostatnio kupiłem Chevroleta Captive 2,2 Diesel 184 km 2012 rocznik i mam taki probem ze podczas jazdy pali bezpiecznik Run/Crank 15A i gasi auto.sprawdzałem ze ten bezbiecznik jest miedzy innymi od rozrusznika i od pompy paliwowej. czy miał Ktoś taki problem jeśli tak proszę o pomoc jak go rozwiązał
- etac
- Prezes
- Posty: 24968
- Rejestracja: 4 sie 2013, o 00:31
- Reputacja: 300
- Imię: Krzysztof
- Samochód: Opel Astra L ST
- Silnik: 1.2T Pure Tech
- LPG: NIE
- Inny samochód: Yamaha X-MAX Tech Max
- Lokalizacja: SBE
- Kontakt:
Re: Captiva 2,2 Diesel Gaśnie podczas jazdy i pali bezpiecznik
Zajrzyj pod samochód czy przypadkiem nie masz spalonej wiązki kiedyś była kampania na ten temat i jest opisana w dziale kampanii.
Lekcje prywatne są odpłatne, pytania na forum są darmowe
-
- Świeżak
- Posty: 4
- Rejestracja: 12 sie 2024, o 19:39
- Reputacja: 0
- Imię: Krzysztof
- Samochód: Captiva
- Silnik: 2.2 diesel 184 km
- Lokalizacja: Nowy Sącz/Kraków
- Kontakt:
Re: Captiva 2,2 Diesel Gaśnie podczas jazdy i pali bezpiecznik
Wiązkę wymieniłem na używana sprawna. Fakt stara była poupalana rozrusznik pali lepiej ale to nie pomogło dalej pali bezpiecznik podczas jazdy
-
- Wymiatacz
- Posty: 1583
- Rejestracja: 6 paź 2016, o 17:13
- Reputacja: 90
- Imię: Jan
- Samochód: ORLANDO 2.0l VCDI
- Silnik: 163KM, diesel
- Lokalizacja: Łódź
Re: Captiva 2,2 Diesel Gaśnie podczas jazdy i pali bezpiecznik
Jak pali bezpieczni w czasie jazdy to chyba nie wina rozrusznika. Dziwna sprawa aby ten sam bezpieczni był od pompy i rozrusznika 

*Nie jestem mechanikiem samochodowym! 

-
- Bywalec
- Posty: 132
- Rejestracja: 29 gru 2023, o 15:55
- Reputacja: 10
- Imię: Bogusław
- Samochód: Malibu LTZ AT
- Silnik: 2.4
- LPG: LPG
- Inny samochód: A6C6 2.4V6 LPG
- Lokalizacja: RPZ
- Kontakt:
Re: Captiva 2,2 Diesel Gaśnie podczas jazdy i pali bezpiecznik
Na każdym bezpieczniku jest kilka odbiorników, a w rozpisce jest tylko główny zazwyczaj wykazany. Przykład: kiedyś robiłem Mondeo 3 fl i paliło bezpiecznik od klimy na którym były spalone i miały zwarcie podgrzewane dysze spryskiwacza na masce. Wystarczyło wtyczki odpiąć i "naprawione".
- bubu1769
- Administrator
- Posty: 6869
- Rejestracja: 5 wrz 2018, o 16:40
- Reputacja: 457
- Imię: Bartłomiej
- Samochód: Aveo T250
- Silnik: 1.4 101KM
- Inny samochód: Orlando 1.4T, Meriva A 1.8
- Lokalizacja: Kalisz
- Kontakt:
Re: Captiva 2,2 Diesel Gaśnie podczas jazdy i pali bezpiecznik
Pompa i rozrusznik nie są na tym samym bezpieczniku.
Możesz pokazać który bezpiecznik się przepala?
-
- Świeżak
- Posty: 4
- Rejestracja: 12 sie 2024, o 19:39
- Reputacja: 0
- Imię: Krzysztof
- Samochód: Captiva
- Silnik: 2.2 diesel 184 km
- Lokalizacja: Nowy Sącz/Kraków
- Kontakt:
Re: Captiva 2,2 Diesel Gaśnie podczas jazdy i pali bezpiecznik
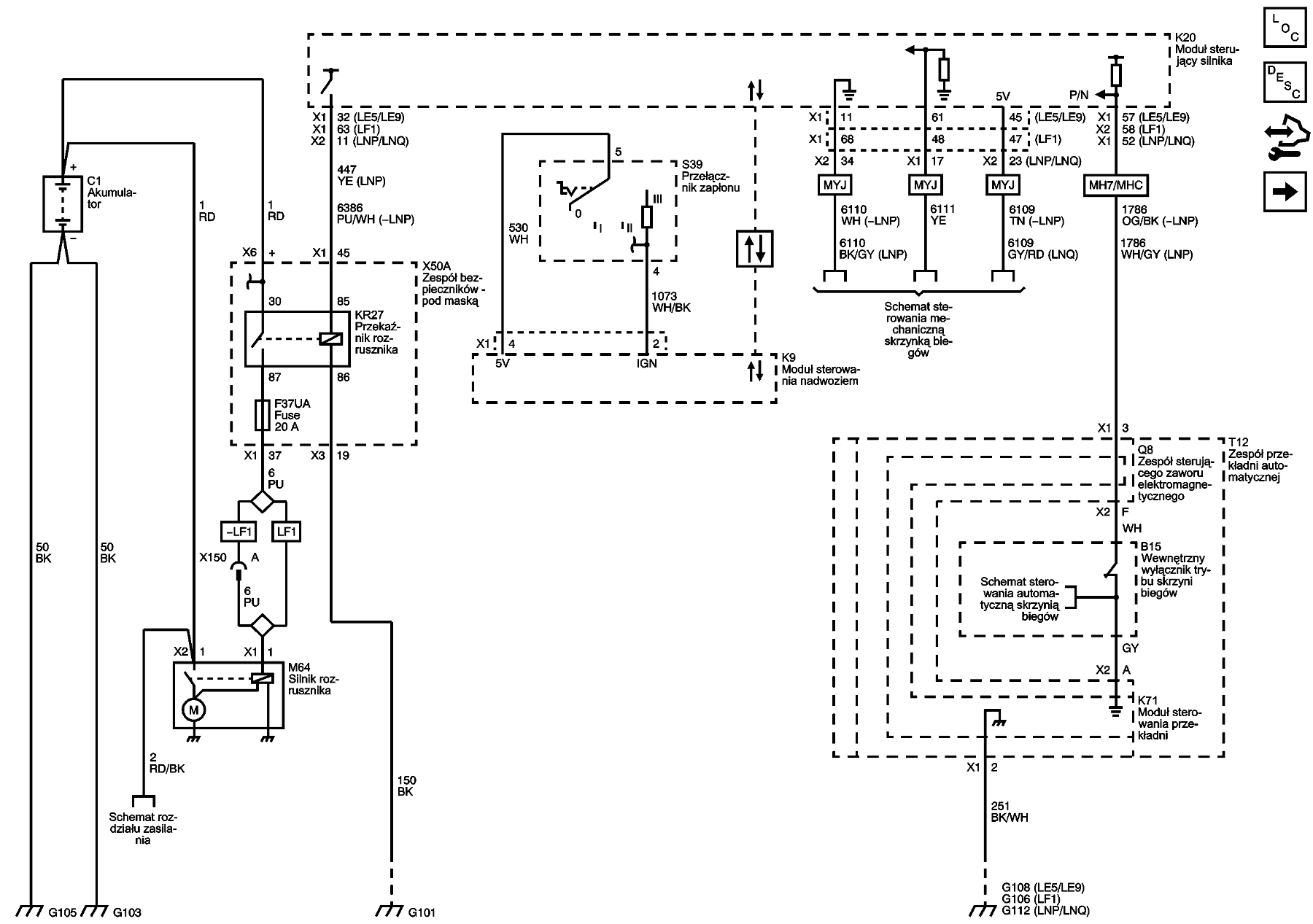
Pali bezpiecznik Run/crank zaznaczony na załączniku w w ośrodku samochodu
- zzzz
- Wymiatacz
- Posty: 1655
- Rejestracja: 3 gru 2013, o 17:50
- Reputacja: 41
- Imię: Zbyszek
- Samochód: Cruze HB LT+
- Silnik: 1.8
- LPG: BRC
- Lokalizacja: SBE
- Kontakt:
Re: Captiva 2,2 Diesel Gaśnie podczas jazdy i pali bezpiecznik
Z obrazka jaki znalazłem w necie wynika że jest to bezpiecznik 25- sterowanie multimediami 10 Amperów...
A to nie bardzo ma związek z silnikiem itp...
A z innego Run Crnk to jest "mechanizm korbowy"...
A to nie bardzo ma związek z silnikiem itp...
A z innego Run Crnk to jest "mechanizm korbowy"...
- bubu1769
- Administrator
- Posty: 6869
- Rejestracja: 5 wrz 2018, o 16:40
- Reputacja: 457
- Imię: Bartłomiej
- Samochód: Aveo T250
- Silnik: 1.4 101KM
- Inny samochód: Orlando 1.4T, Meriva A 1.8
- Lokalizacja: Kalisz
- Kontakt:
Re: Captiva 2,2 Diesel Gaśnie podczas jazdy i pali bezpiecznik
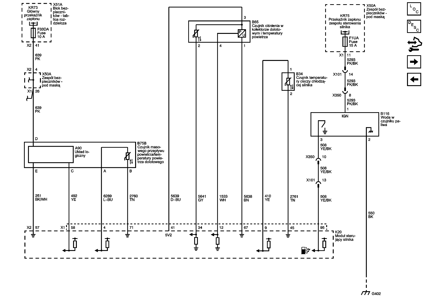
Według TIS-a jest to bezpiecznik F33DA i odpowiada za czujnik masowego przepływu powietrza/temperatury powietrza dolotowego.
viewtopic.php?t=9975
Ja bym się przyjrzał wiązce idącej do przepływomierza i jemu samemu, oraz ze względu na to że zasilanie idzie przez skrzynkę bezpieczników pod maską to czy czasem w niej nie ma wilgoci.
Tu był identyczny temat
viewtopic.php?t=9975
Ja bym się przyjrzał wiązce idącej do przepływomierza i jemu samemu, oraz ze względu na to że zasilanie idzie przez skrzynkę bezpieczników pod maską to czy czasem w niej nie ma wilgoci.
-
- Świeżak
- Posty: 4
- Rejestracja: 12 sie 2024, o 19:39
- Reputacja: 0
- Imię: Krzysztof
- Samochód: Captiva
- Silnik: 2.2 diesel 184 km
- Lokalizacja: Nowy Sącz/Kraków
- Kontakt:
Re: Captiva 2,2 Diesel Gaśnie podczas jazdy i pali bezpiecznik
wWitam po długich bojach i nerwach udało mi się zlikwidować sterkę nie były to ani pompa paliwa ani rozrusznik ani zaden inny podzespół a poprostu przetarty kabel.przetarł się kabel w wiązce zaraz obok komputera przy akumulatorze i jak się zwarł z silnikiem to wywalał bezpiecznik. przewód naprawiony zabezpieczony i juz dwa tygodnie autko jeździ bez zarzutu
. dziękuję za pomoc pozdrawiam

Kto jest online
Użytkownicy przeglądający to forum: Obecnie na forum nie ma żadnego zarejestrowanego użytkownika i 2 gości