Radio android dedykowane
-
- Świeżak
- Posty: 49
- Rejestracja: 17 sty 2021, o 22:56
- Reputacja: 0
- Imię: Mateusz
- Samochód: Captiva
- Silnik: 2.2, 184KM Diesel
- Lokalizacja: JW
- Kontakt:
Radio android dedykowane
Witam, mam problem z radyjkiem android dedykowanym do captivy. Podłączyłem na sucho i niestety nie działa mi ekran od klimy, najprawdopodobniej trzeba do niego podłączyć jakiś kabel. Próbowałem z kablem który został po starej nawigacji jednak gdy go podpinam auto wariuje wskaźniki przestają działać i auta się nieda odpalić. W załączniku zdjęcia starego i nowego radia.
- etac
- Prezes
- Posty: 24968
- Rejestracja: 4 sie 2013, o 00:31
- Reputacja: 300
- Imię: Krzysztof
- Samochód: Opel Astra L ST
- Silnik: 1.2T Pure Tech
- LPG: NIE
- Inny samochód: Yamaha X-MAX Tech Max
- Lokalizacja: SBE
- Kontakt:
Re: Radio android dedykowane
A co na te problemy sprzedawca mówi.
Lekcje prywatne są odpłatne, pytania na forum są darmowe
-
- Świeżak
- Posty: 49
- Rejestracja: 17 sty 2021, o 22:56
- Reputacja: 0
- Imię: Mateusz
- Samochód: Captiva
- Silnik: 2.2, 184KM Diesel
- Lokalizacja: JW
- Kontakt:
Re: Radio android dedykowane
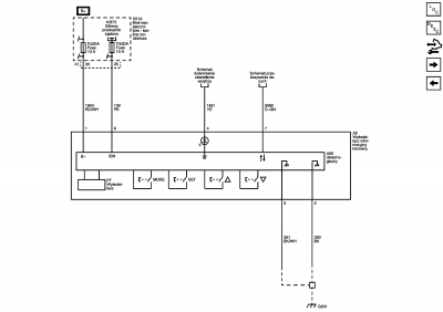
Radio kupione używane, znalazłem podobny temat i problem jest najprawdopodobniej z pinami między ta kostką od starego wyświetlacza a pinami w wyświetlaczu klimy, trzeba je po przekładać tylko potrzebuje schematu tych pinów. Od klimy raczej znalazłem ale brakuje od tej kostki.
Ostatnio zmieniony 9 kwie 2023, o 09:38 przez bubu1769, łącznie zmieniany 1 raz.
Powód: Usunięto cytat.
Powód: Usunięto cytat.
-
- Świeżak
- Posty: 10
- Rejestracja: 18 kwie 2018, o 18:49
- Reputacja: 1
- Imię: Slawek
- Samochód: Captiva
- Silnik:
- Lokalizacja: Poznan
- Kontakt:
Re: Radio android dedykowane
witam
https://www.drive2.com/l/546216761909839181/
moze ta stronka ci pomoze
A co robisz ze stara navi?
https://www.drive2.com/l/546216761909839181/
moze ta stronka ci pomoze
A co robisz ze stara navi?
-
- Świeżak
- Posty: 49
- Rejestracja: 17 sty 2021, o 22:56
- Reputacja: 0
- Imię: Mateusz
- Samochód: Captiva
- Silnik: 2.2, 184KM Diesel
- Lokalizacja: JW
- Kontakt:
Re: Radio android dedykowane
Stara narazie zostanie w razie w.
Kto jest online
Użytkownicy przeglądający to forum: Obecnie na forum nie ma żadnego zarejestrowanego użytkownika i 1 gość