Nie działa ogrzewanie dodatkowe elektryczne.

Nie świeci, nie kręci i inne tematy związane z elektryką i elektroniką
ODPOWIEDZ
Lipa2387
Świeżak
Posty: 3
Rejestracja: 30 paź 2022, o 20:14
Reputacja: 0
Imię: Przemysław
Samochód: Captiva
Silnik: 2.2163KM
LPG: Nie
Lokalizacja: Bisztynek
Kontakt:

Nie działa ogrzewanie dodatkowe elektryczne.

Post autor: Lipa2387 » 30 paź 2022, o 20:20

Witam. Co może być przyczyną nie działającego ogrzewania dodatkowego elektrycznego w captiva 2.2 163KM. Dodam że po podłączeniu na krótko nagrzewnica dziala.

Awatar użytkownika
etac
Prezes
Posty: 24968
Rejestracja: 4 sie 2013, o 00:31
Reputacja: 300
Imię: Krzysztof
Samochód: Opel Astra L ST
Silnik: 1.2T Pure Tech
LPG: NIE
Inny samochód: Yamaha X-MAX Tech Max
Lokalizacja: SBE
Kontakt:

Re: Nie działa ogrzewanie dodatkowe elektryczne.

Post autor: etac » 30 paź 2022, o 21:56

ale to się załącza przy temperaturach poniżej chyba 5 stopni na dworze.
Lekcje prywatne są odpłatne, pytania na forum są darmowe

Lipa2387
Świeżak
Posty: 3
Rejestracja: 30 paź 2022, o 20:14
Reputacja: 0
Imię: Przemysław
Samochód: Captiva
Silnik: 2.2163KM
LPG: Nie
Lokalizacja: Bisztynek
Kontakt:

Re: Nie działa ogrzewanie dodatkowe elektryczne.

Post autor: Lipa2387 » 30 paź 2022, o 23:29

Niestety ta usterka jest od tamtego roku,dopiero mi się teraz przypomniało jak mroz się zbliża 😔 sprawdzałem poniżej zera jak było i nic

Lipa2387
Świeżak
Posty: 3
Rejestracja: 30 paź 2022, o 20:14
Reputacja: 0
Imię: Przemysław
Samochód: Captiva
Silnik: 2.2163KM
LPG: Nie
Lokalizacja: Bisztynek
Kontakt:

Re: Nie działa ogrzewanie dodatkowe elektryczne.

Post autor: Lipa2387 » 31 paź 2022, o 21:14

Ktos cos doradzi?
Bo nie mam juz pomysłu na to

Awatar użytkownika
bubu1769
Administrator
Posty: 6869
Rejestracja: 5 wrz 2018, o 16:40
Reputacja: 457
Imię: Bartłomiej
Samochód: Aveo T250
Silnik: 1.4 101KM
Inny samochód: Orlando 1.4T, Meriva A 1.8
Lokalizacja: Kalisz
Kontakt:

Re: Nie działa ogrzewanie dodatkowe elektryczne.

Post autor: bubu1769 » 31 paź 2022, o 21:29

Dzisiaj już nie dam rady przejrzeć schematów ale powiedz dokładnie jaki masz model Captivy, C100 czy C140?

Awatar użytkownika
etac
Prezes
Posty: 24968
Rejestracja: 4 sie 2013, o 00:31
Reputacja: 300
Imię: Krzysztof
Samochód: Opel Astra L ST
Silnik: 1.2T Pure Tech
LPG: NIE
Inny samochód: Yamaha X-MAX Tech Max
Lokalizacja: SBE
Kontakt:

Re: Nie działa ogrzewanie dodatkowe elektryczne.

Post autor: etac » 31 paź 2022, o 21:37

Jak 2.2 diesel to C140
Lekcje prywatne są odpłatne, pytania na forum są darmowe

Awatar użytkownika
bubu1769
Administrator
Posty: 6869
Rejestracja: 5 wrz 2018, o 16:40
Reputacja: 457
Imię: Bartłomiej
Samochód: Aveo T250
Silnik: 1.4 101KM
Inny samochód: Orlando 1.4T, Meriva A 1.8
Lokalizacja: Kalisz
Kontakt:

Re: Nie działa ogrzewanie dodatkowe elektryczne.

Post autor: bubu1769 » 1 lis 2022, o 09:48

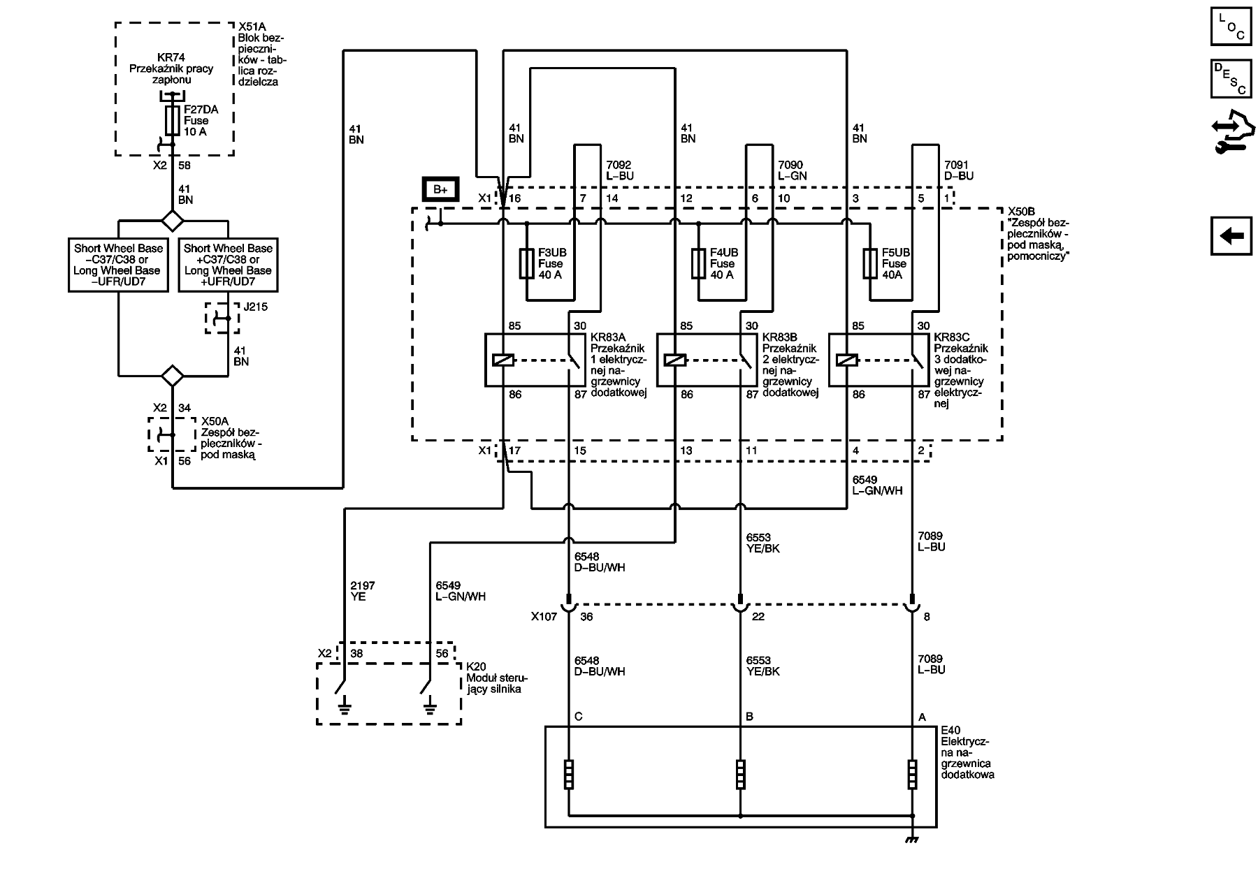
Według schematów nagrzewnica elektryczna sterowana jest z ECM.
Ogólnie trzeba by zobaczyć czy przekaźniki dostają zasilanie i sygnał sterujący z ECM a jeśli to wszytko będzie dobrze to trzeba sprawdzić jaką temperaturę otoczenia widzi ECM.
2511628PL.png
Załączniki
X50A Blok bezpieczników - etykieta pod pokrywą komory silnika..pdf
(145.29 KiB) Pobrany 39 razy
X50B Blok bezpieczników, dodatkowy pod pokrywą silnika - etykieta (LNP lub LNQ).jpg
Blok bezpieczników X51A - etykieta tablicy rozdzielczej.pdf
(148.47 KiB) Pobrany 40 razy

ODPOWIEDZ

Wróć do „Captiva Elektryka / Elektronika”

Kto jest online

Użytkownicy przeglądający to forum: Obecnie na forum nie ma żadnego zarejestrowanego użytkownika i 2 gości