Przepala bezpiecznik
-
Viking
- Świeżak
- Posty: 7
- Rejestracja: 5 maja 2020, o 15:08
- Reputacja: 0
- Imię: Jacek
- Samochód: Captiva
- Silnik: 2.2, 184KM, diesel
- Lokalizacja: UK
- Kontakt:
Przepala bezpiecznik
Witam i proszę o pomoc!
Mam problem z moją Captiva otóż od jakiegoś czasu przepala się bezpiecznik RUN/CRNK 15A podczas jazdy i auto gaśnie. Po wymianie bezpiecznika znów jest ok zazwyczaj na kilka tygodni choć ostatnio jak auto było rozgrzane to musiałem poczekać jakieś 15 min i dopiero odpaliło z tym że wywaliło ten sam bezpiecznik w drodze do domu jeszcze 5 razy ... Na drugi dzień wszystko było dobrze. Domyślam się że jest to bezpiecznik od rozrusznika?Auto było sprawdzane i nie wyświetla żadnych błędów. Nawet podjechałem na warsztat ale nic nie wykryli. Czy ktoś wie co to może być???
Pozdro
Mam problem z moją Captiva otóż od jakiegoś czasu przepala się bezpiecznik RUN/CRNK 15A podczas jazdy i auto gaśnie. Po wymianie bezpiecznika znów jest ok zazwyczaj na kilka tygodni choć ostatnio jak auto było rozgrzane to musiałem poczekać jakieś 15 min i dopiero odpaliło z tym że wywaliło ten sam bezpiecznik w drodze do domu jeszcze 5 razy ... Na drugi dzień wszystko było dobrze. Domyślam się że jest to bezpiecznik od rozrusznika?Auto było sprawdzane i nie wyświetla żadnych błędów. Nawet podjechałem na warsztat ale nic nie wykryli. Czy ktoś wie co to może być???
Pozdro
-
bubek4070
- Bywalec
- Posty: 141
- Rejestracja: 20 sie 2013, o 18:00
- Reputacja: 1
- Imię: darek
- Samochód: captiva 2.0 D
- Silnik:
- Lokalizacja: KRAKÓW
- Kontakt:
Re: Przepala bezpiecznik
Może wiązka jest gdzieś przetarta i będzie robić psikusa
-
Viking
- Świeżak
- Posty: 7
- Rejestracja: 5 maja 2020, o 15:08
- Reputacja: 0
- Imię: Jacek
- Samochód: Captiva
- Silnik: 2.2, 184KM, diesel
- Lokalizacja: UK
- Kontakt:
Re: Przepala bezpiecznik
Też myślałem że to wiązka gdzieś przetarta ale to jak szukanie igły w stogu siana...
- etac
- Prezes
- Posty: 24968
- Rejestracja: 4 sie 2013, o 00:31
- Reputacja: 300
- Imię: Krzysztof
- Samochód: Opel Astra L ST
- Silnik: 1.2T Pure Tech
- LPG: NIE
- Inny samochód: Yamaha X-MAX Tech Max
- Lokalizacja: SBE
- Kontakt:
Re: Przepala bezpiecznik
Wystarczy wziąć multimetr i sprawdzić wiązkę.
Lekcje prywatne są odpłatne, pytania na forum są darmowe
-
Viking
- Świeżak
- Posty: 7
- Rejestracja: 5 maja 2020, o 15:08
- Reputacja: 0
- Imię: Jacek
- Samochód: Captiva
- Silnik: 2.2, 184KM, diesel
- Lokalizacja: UK
- Kontakt:
Re: Przepala bezpiecznik
usterka występuje raz na jakiś czas to czy multimetr pokaże jak nic nie będzie się działo z bezpiecznikiem? zielony jestem jak chodzi o elektrykę...
- chocisz
- Profesjonalista
- Posty: 622
- Rejestracja: 17 gru 2019, o 19:13
- Reputacja: 38
- Imię: wojtas
- Samochód: Lacetti
- Silnik: F18D3
- Lokalizacja: warszawa
- Kontakt:
Re: Przepala bezpiecznik
Najpierw to musisz ustalić, co to za bezpiecznik tak wymieniasz, bo do rozrusznika masz 20A (jeżeli masz taką skrzynkę jak na rys.) i co on ma wspólnego z gaśnięciem samochodu, ciężko powiedzieć, prawdopodobnie zasila elektromagnetyczny włącznik rozrusznika i jeżeli wiązka nigdzie nie zwiera, to do wymiany, chyba, że po drodze jeszcze inne układy są
-
Viking
- Świeżak
- Posty: 7
- Rejestracja: 5 maja 2020, o 15:08
- Reputacja: 0
- Imię: Jacek
- Samochód: Captiva
- Silnik: 2.2, 184KM, diesel
- Lokalizacja: UK
- Kontakt:
Re: Przepala bezpiecznik
Z tym że to nie ten pod maską a w kabinie i to jest 15A ( taka mała skrzynka pod kierownicą koło nóg) tak jak zaznaczone na fotce. Opis bezpiecznika RUN/CRNK
- chocisz
- Profesjonalista
- Posty: 622
- Rejestracja: 17 gru 2019, o 19:13
- Reputacja: 38
- Imię: wojtas
- Samochód: Lacetti
- Silnik: F18D3
- Lokalizacja: warszawa
- Kontakt:
Re: Przepala bezpiecznik
to już masz nowszy model i raczej nie ma to nic wspólnego z rozrusznikiem (JAZDA/ROZRUCH) prędzej stacyjka, moduł BCM, sterownik silnika, niestety potrzebny jest schemat ( to ma coś wspólnego z systemem START/STOP)
-
Viking
- Świeżak
- Posty: 7
- Rejestracja: 5 maja 2020, o 15:08
- Reputacja: 0
- Imię: Jacek
- Samochód: Captiva
- Silnik: 2.2, 184KM, diesel
- Lokalizacja: UK
- Kontakt:
Re: Przepala bezpiecznik
2012 rok po lifcie, z tego co mi wiadomo to nie ma systemu start/stop (o ile to jest to o czym myślę) te dwa przekaźniki zaznaczone na obrazku były sprawdzane i ponoć ok, jaki schemat potrzebny?
- chocisz
- Profesjonalista
- Posty: 622
- Rejestracja: 17 gru 2019, o 19:13
- Reputacja: 38
- Imię: wojtas
- Samochód: Lacetti
- Silnik: F18D3
- Lokalizacja: warszawa
- Kontakt:
Re: Przepala bezpiecznik
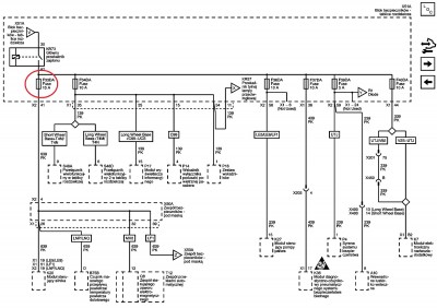
właśnie o to chodzi, że bezpieczniki w tych rocznikach nie są opisane nawet nie podają numerów, to niby jak je znaleźć na schematach o ile w ogóle dali jakiś konkretny do tego, pod kryptonimem jazda/rozruch może się ukrywać kilka elementów
Dodano po 52 minutach 44 sekundach:
to może być to:
Bezpiecznik RUN/CRANK
Bezpiecznik 15A
B75B Czujnik masowego przepływu powietrza/temperatury powietrza dolotowego (LNP/LNQ), K20 Moduł sterujący silnika, KR28 Przekaźnik pompy podciśnieniowej (LF1), Q8 Zespół elektromagnetycznego zaworu sterującego (MX0)
Dodano po 19 minutach 7 sekundach:
i nawet sie schemat znalazł
Dodano po 52 minutach 44 sekundach:
to może być to:
Bezpiecznik RUN/CRANK
Bezpiecznik 15A
B75B Czujnik masowego przepływu powietrza/temperatury powietrza dolotowego (LNP/LNQ), K20 Moduł sterujący silnika, KR28 Przekaźnik pompy podciśnieniowej (LF1), Q8 Zespół elektromagnetycznego zaworu sterującego (MX0)
Dodano po 19 minutach 7 sekundach:
i nawet sie schemat znalazł
-
Baart1983
- Świeżak
- Posty: 1
- Rejestracja: 4 lis 2021, o 10:10
- Reputacja: 0
- Imię: Bartek
- Samochód: Captiva
- Silnik: 2.2 184KM
- Lokalizacja: Jastrzębie-Zdrój
- Kontakt:
Re: Przepala bezpiecznik
Witam mam ten sam problem. Proszę mi powiedzieć czy problem został rozwiązany.
Kto jest online
Użytkownicy przeglądający to forum: Obecnie na forum nie ma żadnego zarejestrowanego użytkownika i 1 gość
