Brak kluczyka i problem z dorobieniem nowego
-
- Świeżak
- Posty: 7
- Rejestracja: 4 mar 2022, o 10:42
- Reputacja: 0
- Imię: Adam
- Samochód: Epica
- Silnik: 2.0D
- Lokalizacja: Szczecin
- Kontakt:
Brak kluczyka i problem z dorobieniem nowego
Witam,
jakiś czas temu kupiłem Epicę 2.0D z jednym tylko kluczykiem. Około 1,5 roku temu próbowałem dorobić drugi kluczyk w puncie do dorabiania kluczy, nie udało im się jednak połączyć swoim urządzeniem z samochodem. Pojechałem do serwisu Opla (ponoć to też serwis Chevroleta), ale po 2 godzinach walki powiedzieli mi, że nie udało im się również dorobić kluczyka.
Ostatnio zgubiłem mój jedyny kluczyk. Dziś pojechałem do serwisu Opla (niegdyś też Chevroleta), ale powiedziano mi, że nie ma części do tego modelu, katalog części został zablokowany przez Stellantis i oni nic nie poradzą. Na allegro nie ma zestawu startowego (komputer, immoblilizer i kluczyk) do tego silnika (są tylko osobno moduły komputera lub osobno moduły immobilizera, ale nie ma ich w komplecie). Proszę pomóżcie jak dorobić kluczyk do tego samochodu?
jakiś czas temu kupiłem Epicę 2.0D z jednym tylko kluczykiem. Około 1,5 roku temu próbowałem dorobić drugi kluczyk w puncie do dorabiania kluczy, nie udało im się jednak połączyć swoim urządzeniem z samochodem. Pojechałem do serwisu Opla (ponoć to też serwis Chevroleta), ale po 2 godzinach walki powiedzieli mi, że nie udało im się również dorobić kluczyka.
Ostatnio zgubiłem mój jedyny kluczyk. Dziś pojechałem do serwisu Opla (niegdyś też Chevroleta), ale powiedziano mi, że nie ma części do tego modelu, katalog części został zablokowany przez Stellantis i oni nic nie poradzą. Na allegro nie ma zestawu startowego (komputer, immoblilizer i kluczyk) do tego silnika (są tylko osobno moduły komputera lub osobno moduły immobilizera, ale nie ma ich w komplecie). Proszę pomóżcie jak dorobić kluczyk do tego samochodu?
- Arbi
- Wymiatacz
- Posty: 1099
- Rejestracja: 14 kwie 2019, o 21:51
- Reputacja: 33
- Imię: Albert
- Samochód: Epica
- Silnik: 2.5 24V, 156KM, benz.+LPG
- LPG: Vialle LPE-7 (LPi)
- Lokalizacja: Skulsk
- Kontakt:
Re: Brak kluczyka i problem z dorobieniem nowego
A próbowałeś szukać zestawu startowego na szrotach? Jak kiedyś szukałem czegoś do mojej epici to były same diesle w mojej okolicy.
- bubu1769
- Administrator
- Posty: 6869
- Rejestracja: 5 wrz 2018, o 16:40
- Reputacja: 457
- Imię: Bartłomiej
- Samochód: Aveo T250
- Silnik: 1.4 101KM
- Inny samochód: Orlando 1.4T, Meriva A 1.8
- Lokalizacja: Kalisz
- Kontakt:
Re: Brak kluczyka i problem z dorobieniem nowego
Podaj rocznik badz numer VIN, zobaczę może uda mi się ustalić numer części tego kluczyka.
-
- Świeżak
- Posty: 7
- Rejestracja: 4 mar 2022, o 10:42
- Reputacja: 0
- Imię: Adam
- Samochód: Epica
- Silnik: 2.0D
- Lokalizacja: Szczecin
- Kontakt:
Re: Brak kluczyka i problem z dorobieniem nowego
Co do samochodu to jest to Chevrolet Epica 2.0D z 2007 roku, VIN: KL1LF69RJ7B085240.
Dzięki wielkie za te podpowiedzi, jestem dziś zrozpaczony, bo kocham to autko.
Dzięki wielkie za te podpowiedzi, jestem dziś zrozpaczony, bo kocham to autko.
- bubu1769
- Administrator
- Posty: 6869
- Rejestracja: 5 wrz 2018, o 16:40
- Reputacja: 457
- Imię: Bartłomiej
- Samochód: Aveo T250
- Silnik: 1.4 101KM
- Inny samochód: Orlando 1.4T, Meriva A 1.8
- Lokalizacja: Kalisz
- Kontakt:
Re: Brak kluczyka i problem z dorobieniem nowego
Mi wychodzi że numer kluczyka to 96404541.
-
- Świeżak
- Posty: 7
- Rejestracja: 4 mar 2022, o 10:42
- Reputacja: 0
- Imię: Adam
- Samochód: Epica
- Silnik: 2.0D
- Lokalizacja: Szczecin
- Kontakt:
Re: Brak kluczyka i problem z dorobieniem nowego
jeszcze mam kod kluczyka z tyłu obudowy to 5WY8204-5-6. Co więcej, gdy dorabiałem kluczyki w serwisie, to miałem kupiony na Allegro kluczyk o takim samym kodzie z innego samochodu, stąd wiem jaki to był kluczyk. Czyli inaczej mówiąc, mam kluczyk o takim samym kodzie z innego samochodu, ale to nie pomogło w dorobieniu kluczyka, gdy jeszcze miałem oryginalny kluczyk.
Nie wiem czy ta informacja pomoże?
Dodano po 19 minutach 9 sekundach:
czy ja ten numer kluczyka mogę jakoś zakodować do kluczyka, który posiadam z innego egzemplarza tego samochodu?
Nie wiem czy ta informacja pomoże?
Dodano po 19 minutach 9 sekundach:
czy ja ten numer kluczyka mogę jakoś zakodować do kluczyka, który posiadam z innego egzemplarza tego samochodu?
- bubu1769
- Administrator
- Posty: 6869
- Rejestracja: 5 wrz 2018, o 16:40
- Reputacja: 457
- Imię: Bartłomiej
- Samochód: Aveo T250
- Silnik: 1.4 101KM
- Inny samochód: Orlando 1.4T, Meriva A 1.8
- Lokalizacja: Kalisz
- Kontakt:
Re: Brak kluczyka i problem z dorobieniem nowego
Coś mi się wydaje że jedyne opcje to znaleźć zestaw startowy albo magika co wyłączy IMMO.
-
- Świeżak
- Posty: 7
- Rejestracja: 4 mar 2022, o 10:42
- Reputacja: 0
- Imię: Adam
- Samochód: Epica
- Silnik: 2.0D
- Lokalizacja: Szczecin
- Kontakt:
Re: Brak kluczyka i problem z dorobieniem nowego
wysłałem już zapytanie do 2 magików od immo, ale oboje zapytali o numer sterownika silnika, a gdy im go podałem to już zero odzewu. Zakładam, że się nie da.
A tego numeru kluczyka: 96404541 nie da się jakoś wkodować do mojego kluczyka od innego egzemplarza tego samego samochodu, żeby odpalił?
A tego numeru kluczyka: 96404541 nie da się jakoś wkodować do mojego kluczyka od innego egzemplarza tego samego samochodu, żeby odpalił?
- bubu1769
- Administrator
- Posty: 6869
- Rejestracja: 5 wrz 2018, o 16:40
- Reputacja: 457
- Imię: Bartłomiej
- Samochód: Aveo T250
- Silnik: 1.4 101KM
- Inny samochód: Orlando 1.4T, Meriva A 1.8
- Lokalizacja: Kalisz
- Kontakt:
Re: Brak kluczyka i problem z dorobieniem nowego
To jest po prostu numer części.
-
- Świeżak
- Posty: 7
- Rejestracja: 4 mar 2022, o 10:42
- Reputacja: 0
- Imię: Adam
- Samochód: Epica
- Silnik: 2.0D
- Lokalizacja: Szczecin
- Kontakt:
Re: Brak kluczyka i problem z dorobieniem nowego
Widzę, że na Allegro można kupić ECU tak zaprogramowany, żeby nie było immobilizera. Wówczas rozumiem, że uda mi się odpalić to auto moim kluczykiem "bez wnętrzności"?
Drugie pytanie, jak deaktowować można autoalarm, bo niestety przed zgubieniem zamknąłem auto kluczykiem, a kiedy teraz otwieram pojazd kluczykiem bez "wnętrzności" poprzez włążenie go do zamka, to autoalarm wciąż działa. Jak to wyłączyć?
Drugie pytanie, jak deaktowować można autoalarm, bo niestety przed zgubieniem zamknąłem auto kluczykiem, a kiedy teraz otwieram pojazd kluczykiem bez "wnętrzności" poprzez włążenie go do zamka, to autoalarm wciąż działa. Jak to wyłączyć?
- bubu1769
- Administrator
- Posty: 6869
- Rejestracja: 5 wrz 2018, o 16:40
- Reputacja: 457
- Imię: Bartłomiej
- Samochód: Aveo T250
- Silnik: 1.4 101KM
- Inny samochód: Orlando 1.4T, Meriva A 1.8
- Lokalizacja: Kalisz
- Kontakt:
Re: Brak kluczyka i problem z dorobieniem nowego
Teoretycznie alarm powinien być u ciebie oddzielnym modułem i po jego wypięciu powinien być spokój.
Dodano po 24 minutach 3 sekundach:
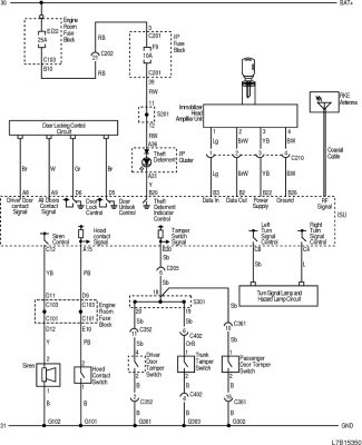
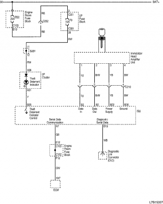
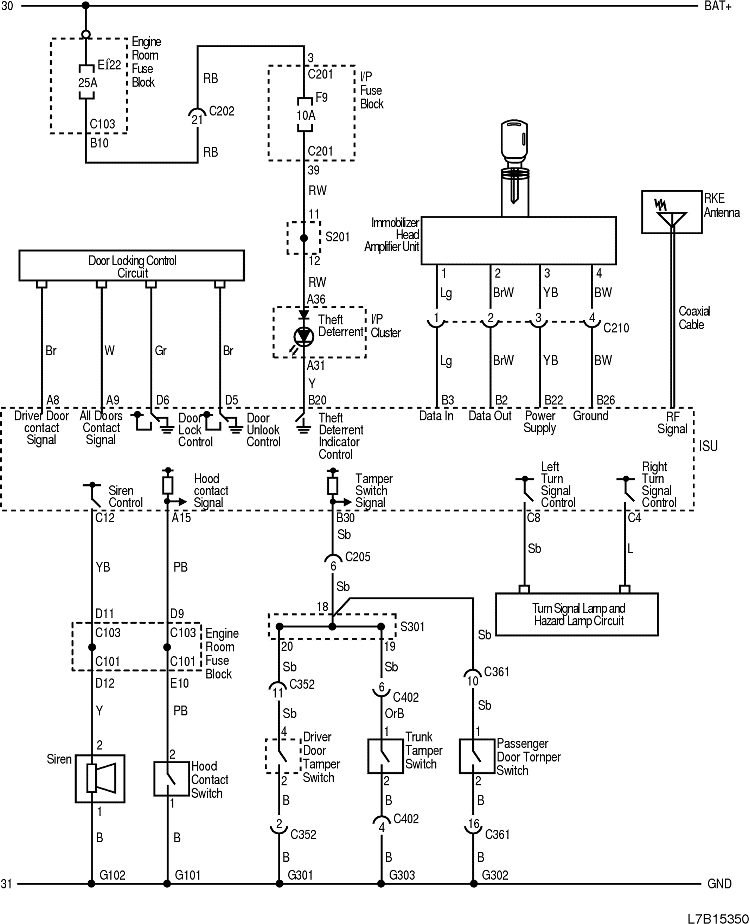
Przejrzałem jeszcze schematy od 2008r. i tam jest pokazane że ECM dostaje sygnał o IMMO przez szynę danych. Co ciekawe pokazane są jeszcze inne lokalizacje modułu alarmu, ale tego za bardo już nie rozumiem.
Co ciekawe według schematów moduł alarmu obsługuje także IMMO ale nie widzie jakby mógł on przeciwdziałać uruchomieniu samochodu.
Przejrzałem jeszcze schematy od 2008r. i tam jest pokazane że ECM dostaje sygnał o IMMO przez szynę danych. Co ciekawe pokazane są jeszcze inne lokalizacje modułu alarmu, ale tego za bardo już nie rozumiem.
-
- Świeżak
- Posty: 7
- Rejestracja: 4 mar 2022, o 10:42
- Reputacja: 0
- Imię: Adam
- Samochód: Epica
- Silnik: 2.0D
- Lokalizacja: Szczecin
- Kontakt:
Re: Brak kluczyka i problem z dorobieniem nowego
znalazłem zestaw startowy na allegro, ale bez modułu immo. Wysłałem zapytanie czy elementy, które są w tej aukcji wystarczą do odpalenie auta, czy nie jest niezbędny do tego moduł IMMO. Pan odpisał, że wystarczą, ale moje pytanie brzmi czy to jest prawda? To się wydaje dla mnie lepsze rozwiązanie niż tylko zmiana ECU na taki z wyłączonym immo, ponieważ zachowałbym wówczas centralny zamek. Pytanie czy zestaw z tej aukcji zadziała, bo jak nie to kupię ten programowalny ECU i wymontuje moduł alarmu jak podpowiadacie.
https://allegro.pl/oferta/komputer-zest ... 6432499861
https://allegro.pl/oferta/komputer-zest ... 6432499861
- bubu1769
- Administrator
- Posty: 6869
- Rejestracja: 5 wrz 2018, o 16:40
- Reputacja: 457
- Imię: Bartłomiej
- Samochód: Aveo T250
- Silnik: 1.4 101KM
- Inny samochód: Orlando 1.4T, Meriva A 1.8
- Lokalizacja: Kalisz
- Kontakt:
Re: Brak kluczyka i problem z dorobieniem nowego
Zawsze możesz go oddać jak jednak nie zadziała.
-
- Świeżak
- Posty: 7
- Rejestracja: 4 mar 2022, o 10:42
- Reputacja: 0
- Imię: Adam
- Samochód: Epica
- Silnik: 2.0D
- Lokalizacja: Szczecin
- Kontakt:
Re: Brak kluczyka i problem z dorobieniem nowego
no ale wcześniej muszę wymienić stacyjkę, co mam nadzieje trudne nie jest, ale pewnie też nie wyciąga się tego jak zapałek z pudełka.
Kto jest online
Użytkownicy przeglądający to forum: Obecnie na forum nie ma żadnego zarejestrowanego użytkownika i 1 gość