Duży pobór prądu

Nie świeci, nie kręci i inne tematy związane z elektryką i elektroniką
ODPOWIEDZ
kucharz
Świeżak
Posty: 3
Rejestracja: 26 maja 2023, o 09:59
Reputacja: 0
Imię: Andrzej
Samochód: Epica
Silnik: 2,0
LPG: stag 3
Lokalizacja: Myszków
Kontakt:

Duży pobór prądu

Post autor: kucharz » 20 gru 2024, o 12:28

Witam, na postoju mam duży pobór prądu 0.44 A, po wyjęciu bezpiecznika deski rozdzielczej 0, 08 co może być przyczyną?

Awatar użytkownika
etac
Prezes
Posty: 24968
Rejestracja: 4 sie 2013, o 00:31
Reputacja: 300
Imię: Krzysztof
Samochód: Opel Astra L ST
Silnik: 1.2T Pure Tech
LPG: NIE
Inny samochód: Yamaha X-MAX Tech Max
Lokalizacja: SBE
Kontakt:

Re: Duży pobór prądu

Post autor: etac » 20 gru 2024, o 13:10

trzeba zobaczyć co jest podpięte pod ten bezpiecznik
Lekcje prywatne są odpłatne, pytania na forum są darmowe

Awatar użytkownika
bubu1769
Administrator
Posty: 6869
Rejestracja: 5 wrz 2018, o 16:40
Reputacja: 457
Imię: Bartłomiej
Samochód: Aveo T250
Silnik: 1.4 101KM
Inny samochód: Orlando 1.4T, Meriva A 1.8
Lokalizacja: Kalisz
Kontakt:

Re: Duży pobór prądu

Post autor: bubu1769 » 20 gru 2024, o 13:22

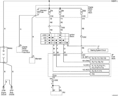
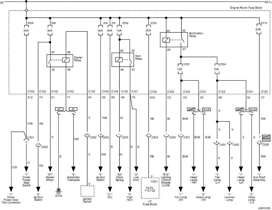
Jeśli chodzi o bezpiecznik EF22 to zasila on bezpieczniki F8, F9, F22 i F23.
https://schematy24.pl/chevrolet-epica-v ... ekaznikow/
L7B13107.jpg
L8B13103.jpg
L8B13107.jpg
Dalej już musisz po kolei eliminować odbiorniki, je sli masz niefabryczne radio to warto zacząć od niego.

kucharz
Świeżak
Posty: 3
Rejestracja: 26 maja 2023, o 09:59
Reputacja: 0
Imię: Andrzej
Samochód: Epica
Silnik: 2,0
LPG: stag 3
Lokalizacja: Myszków
Kontakt:

Re: Duży pobór prądu

Post autor: kucharz » 21 gru 2024, o 11:04

Dzięki bardzo, właśnie doszłam do tego że coś pod f9 pobiera

Awatar użytkownika
bubu1769
Administrator
Posty: 6869
Rejestracja: 5 wrz 2018, o 16:40
Reputacja: 457
Imię: Bartłomiej
Samochód: Aveo T250
Silnik: 1.4 101KM
Inny samochód: Orlando 1.4T, Meriva A 1.8
Lokalizacja: Kalisz
Kontakt:

Re: Duży pobór prądu

Post autor: bubu1769 » 21 gru 2024, o 11:17

Odłączyć na początku zegarek.

kucharz
Świeżak
Posty: 3
Rejestracja: 26 maja 2023, o 09:59
Reputacja: 0
Imię: Andrzej
Samochód: Epica
Silnik: 2,0
LPG: stag 3
Lokalizacja: Myszków
Kontakt:

Re: Duży pobór prądu

Post autor: kucharz » 21 gru 2024, o 13:03

Dzięki, spróbuję

ODPOWIEDZ

Wróć do „Epica Elektryka / Elektronika”

Kto jest online

Użytkownicy przeglądający to forum: Obecnie na forum nie ma żadnego zarejestrowanego użytkownika i 1 gość