Mam mały problem z moją Epicą 2.0l Benz 2006 manual
Dziś po wymianie gałki skrzyni biegów na nową, postanowiłem że sprawdzę jakie mam żarówki wnętrza, bo miałem ochotę wymienić je na LED.
Wszystko szło sprawnie, do puki nie zabrałem się za bagażnik.
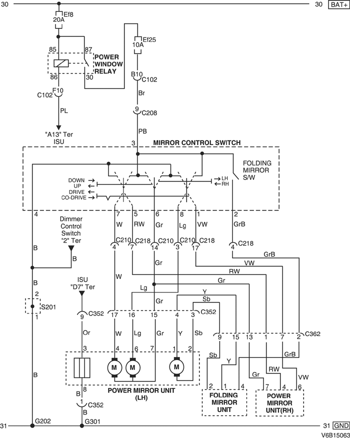
Po odchyleniu plastiku w żarówką, przeskoczyła iskra i od tego momentu żadne podświetlenie wnętrza nie działa. Nie działa również panel z przyciskami od składanych lusterek i przeciwmgielnych.
Dodatkowo, po otwarciu drzwi, lampka która powinna sygnalizować że drzwi są otwarte, albo nie świeci, albo świeci bardzo bardzo słabo.
Próbowałem sprawdzić bezpieczniki, ale i ich opis jest dość trudny do zrozumienia i nie widziałem żadnych wyglądających na przepalone.
Bardzo proszę o pomoc, ponieważ lusterka mam złożone a nie mam ochoty płacić za lawetę jeśli okaże się że to rzeczywiście bezpiecznik hahah.
