Krzychu, a jaki Ty skaner masz?
Klimatyzacja - resetowanie
-
barus
- Wymiatacz
- Posty: 1616
- Rejestracja: 9 sty 2014, o 16:53
- Reputacja: 35
- Imię: Czesław
- Samochód: Cruze1.8LT+Prem, LPG
- Silnik:
- Lokalizacja: Bielsko-B
- Kontakt:
Re: Klimatyzacja - resetowanie
- etac
- Prezes
- Posty: 24968
- Rejestracja: 4 sie 2013, o 00:31
- Reputacja: 300
- Imię: Krzysztof
- Samochód: Opel Astra L ST
- Silnik: 1.2T Pure Tech
- LPG: NIE
- Inny samochód: Yamaha X-MAX Tech Max
- Lokalizacja: SBE
- Kontakt:
Re: Klimatyzacja - resetowanie
jak ma oryginał to tak, jak made for aliexpress to będzie 60-70%.
Ja mam DS150 (delphi) made for aliexpress i VXDIAG dedykowany dla GM.
Ja mam DS150 (delphi) made for aliexpress i VXDIAG dedykowany dla GM.
Lekcje prywatne są odpłatne, pytania na forum są darmowe
-
barus
- Wymiatacz
- Posty: 1616
- Rejestracja: 9 sty 2014, o 16:53
- Reputacja: 35
- Imię: Czesław
- Samochód: Cruze1.8LT+Prem, LPG
- Silnik:
- Lokalizacja: Bielsko-B
- Kontakt:
Re: Klimatyzacja - resetowanie
To Ty jesteś nieźle wyposażony w diagnostykę
Byłbym zadowolony, gdyby tym skanerem Delphi udało mi się załączyć sprężarkę klimatyzacji i wentylator chłodnicy by wykluczyć uszkodzenie ECM.
Ciekaw jestem czy przy wymianie modułu HVAC na nowy trzeba wprogramować czy przypisać mu jakiś kod do samochodu, bo inaczej nie będzie widziany przez pozostałe moduły?
I czy przy jego wymianie muszę skorzystać z usług serwisu Opla?
Byłbym zadowolony, gdyby tym skanerem Delphi udało mi się załączyć sprężarkę klimatyzacji i wentylator chłodnicy by wykluczyć uszkodzenie ECM.
Ciekaw jestem czy przy wymianie modułu HVAC na nowy trzeba wprogramować czy przypisać mu jakiś kod do samochodu, bo inaczej nie będzie widziany przez pozostałe moduły?
I czy przy jego wymianie muszę skorzystać z usług serwisu Opla?
- etac
- Prezes
- Posty: 24968
- Rejestracja: 4 sie 2013, o 00:31
- Reputacja: 300
- Imię: Krzysztof
- Samochód: Opel Astra L ST
- Silnik: 1.2T Pure Tech
- LPG: NIE
- Inny samochód: Yamaha X-MAX Tech Max
- Lokalizacja: SBE
- Kontakt:
Re: Klimatyzacja - resetowanie
Jak jest nowy HVAC to musi być programowany.
Ja mam jeden w szafie jakby co i jest zaprogramowany.
Ja mam jeden w szafie jakby co i jest zaprogramowany.
Lekcje prywatne są odpłatne, pytania na forum są darmowe
-
barus
- Wymiatacz
- Posty: 1616
- Rejestracja: 9 sty 2014, o 16:53
- Reputacja: 35
- Imię: Czesław
- Samochód: Cruze1.8LT+Prem, LPG
- Silnik:
- Lokalizacja: Bielsko-B
- Kontakt:
Re: Klimatyzacja - resetowanie
Ale czy nie musi być przypisany do VIN-u samochodu?
A do jakiego modelu masz ten moduł, bo ja mam rok produkcji 2012, przedliftowy, a Ty miałeś 2013 chyba po lifcie?
A do jakiego modelu masz ten moduł, bo ja mam rok produkcji 2012, przedliftowy, a Ty miałeś 2013 chyba po lifcie?
- etac
- Prezes
- Posty: 24968
- Rejestracja: 4 sie 2013, o 00:31
- Reputacja: 300
- Imię: Krzysztof
- Samochód: Opel Astra L ST
- Silnik: 1.2T Pure Tech
- LPG: NIE
- Inny samochód: Yamaha X-MAX Tech Max
- Lokalizacja: SBE
- Kontakt:
Re: Klimatyzacja - resetowanie
Moduł jest jeden dla obu modeli. Różnią się jedynie wyposażeniem, jak grzane fotele itp.
Na szczęście ten moduł nie jest przypisany z VIN pojazdu.
Na szczęście ten moduł nie jest przypisany z VIN pojazdu.
Lekcje prywatne są odpłatne, pytania na forum są darmowe
-
barus
- Wymiatacz
- Posty: 1616
- Rejestracja: 9 sty 2014, o 16:53
- Reputacja: 35
- Imię: Czesław
- Samochód: Cruze1.8LT+Prem, LPG
- Silnik:
- Lokalizacja: Bielsko-B
- Kontakt:
Re: Klimatyzacja - resetowanie
OK. Jak zajdzie potrzeba to pogadamy.
-
barus
- Wymiatacz
- Posty: 1616
- Rejestracja: 9 sty 2014, o 16:53
- Reputacja: 35
- Imię: Czesław
- Samochód: Cruze1.8LT+Prem, LPG
- Silnik:
- Lokalizacja: Bielsko-B
- Kontakt:
Re: Klimatyzacja - resetowanie
Taki skaner miałem do dyspozycji.
Trochę mi ulżyło, bo moduł ECM sprawny. Przy pomocy skanera można załączyć sprzęgło klimy oraz wentylator chłodnicy na wszystkich biegach. Brak żądania załączenia sprężarki z HVAC mimo załączenia jej w panelu sterowania. Niestety nie udało mi się nawiązać połączenia skanerem z HVAC, chociaż w menu skanera jest funkcja klimatyzacja i roczniki Cruze 2010, 11, 12 i 13. Być może przez usterkę modułu HVAC.
@etak, czy Twoimi skanerami udało ci się połączyć z HVAC i mieć wgląd do wszystkich czujników?
To na razie tak króciutko, bo wybieram się w trasę, po powrocie we wtorek działam dalej.
To na razie tak króciutko, bo wybieram się w trasę, po powrocie we wtorek działam dalej.
- etac
- Prezes
- Posty: 24968
- Rejestracja: 4 sie 2013, o 00:31
- Reputacja: 300
- Imię: Krzysztof
- Samochód: Opel Astra L ST
- Silnik: 1.2T Pure Tech
- LPG: NIE
- Inny samochód: Yamaha X-MAX Tech Max
- Lokalizacja: SBE
- Kontakt:
Re: Klimatyzacja - resetowanie
do tej pory nie miałem z tym problemów.
Lekcje prywatne są odpłatne, pytania na forum są darmowe
-
barus
- Wymiatacz
- Posty: 1616
- Rejestracja: 9 sty 2014, o 16:53
- Reputacja: 35
- Imię: Czesław
- Samochód: Cruze1.8LT+Prem, LPG
- Silnik:
- Lokalizacja: Bielsko-B
- Kontakt:
Re: Klimatyzacja - resetowanie
Wracam do tematu klimy.
Klima nie działa, mimo, że ciśnienie statyczne w układzie jest około 7-8 atm., według napięcia z presostatu.
Za pomocą skanera da się uruchomić klimatyzację i wentylator chłodnicy, czujniki sprawdzone a ich oporność wynosi odpowiednio: czujnik parownika około 100Ω, czujnik kanału lewy góra i dół po około 2,6 k, czujnik wnętrza, ten w kopułce około 3,9k. W tej kopułce jest jeszcze czujnik oświetlenia, nasłonecznienia brak.
Nie udało mi się namierzyć czujników za lusterkiem wstecznym (wilgotności i tem. Szyby), wygląda na to, że ich u mnie niema, mam klimę automatyczną.
Teraz pytanie, dlaczego klimatyzacja nie da się załączyć?
Wszystko przemawiałoby za tym, że to zbyt niskie ciśnienie czynnika nie pozwala załączyć sprzęgła, może skaner źle czyta to ciśnienie, a ja zastosowałem zły przelicznik ciśnienia na atm. Chyba spróbuję jeszcze zasymulować wyższe napięcie z presostatu 
Klima nie działa, mimo, że ciśnienie statyczne w układzie jest około 7-8 atm., według napięcia z presostatu.
Za pomocą skanera da się uruchomić klimatyzację i wentylator chłodnicy, czujniki sprawdzone a ich oporność wynosi odpowiednio: czujnik parownika około 100Ω, czujnik kanału lewy góra i dół po około 2,6 k, czujnik wnętrza, ten w kopułce około 3,9k. W tej kopułce jest jeszcze czujnik oświetlenia, nasłonecznienia brak.
Nie udało mi się namierzyć czujników za lusterkiem wstecznym (wilgotności i tem. Szyby), wygląda na to, że ich u mnie niema, mam klimę automatyczną.
Teraz pytanie, dlaczego klimatyzacja nie da się załączyć?
- scott
- Specjalista
- Posty: 331
- Rejestracja: 13 maja 2018, o 14:42
- Reputacja: 2
- Imię: Scott
- Samochód: Cruze LS+ 2010
- Silnik: 2.0, LLW, 125KM(92kW) Diesel
- Inny samochód: Lexus IS 300h
- Lokalizacja: woj. małopolskie
- Kontakt:
Re: Klimatyzacja - resetowanie
Jak zaczekasz kilka godzin to mogę sprawdzić jakie ja mam napięcie czujnika ciśnienia i jakiej wartości to odpowiada.
Sprawdzałeś czujnik temperatury zewnętrznej? Ostatnio rozmawiałem ze znajomym, który w renówce master naprawiał klimatyzację - też nie chciała się włączyć. Okazało się, że czujnik temp. zewnętrznej wskazywał -38 st C, po odpięciu złącza czujnika: -40 st C.
Sprawdzałeś czujnik temperatury zewnętrznej? Ostatnio rozmawiałem ze znajomym, który w renówce master naprawiał klimatyzację - też nie chciała się włączyć. Okazało się, że czujnik temp. zewnętrznej wskazywał -38 st C, po odpięciu złącza czujnika: -40 st C.
-
barus
- Wymiatacz
- Posty: 1616
- Rejestracja: 9 sty 2014, o 16:53
- Reputacja: 35
- Imię: Czesław
- Samochód: Cruze1.8LT+Prem, LPG
- Silnik:
- Lokalizacja: Bielsko-B
- Kontakt:
Re: Klimatyzacja - resetowanie
Byłbym Ci bardzo wdzięczny, tylko jak Ty to sprawdzisz, czy skanerem, czy przez nakłucie kabli szpilką? Dojście do czujnika jest trudne i bez kanału się nie obejdzie.
Czujnika temp. zewnętrznej nie przedzwaniałem, ale mam wskazanie tej temp. bezpośrednio w radiu i widzę, że dobre są wskazania i zmieniają się.
Korzystałem z takiego przelicznika, który występuje w Astrze.
"Przedstawiam wartości napięcia w zależności od ciśnienia panującego w układzie.
0bar - 0.18V, 1bar - 0.31V, 2bar - 0.42V, 3bar - 0.55V, 4bar - 0.71V, 5bar - 0.8V, 6bar - 0.95V, 7bar - 1.07V, 8bar - 1.27V, 9bar - 1.36V, 10bar - 1.49V, 11bar - 1.61V, 12bar - 1.77V, 13bar - 1.89V, 14bar - 2.04V, 15bar - 2.17V, 16bar - 2.31V, 17bar - 2.47V, 18bar - 2.6V, 19bar - 2.75V."
Z tego przelicznika wynika, że u mnie statyczne ciśnienie to wynosi średnio około 8 atm.
Dodano po 4 minutach 27 sekundach:
Te przeliczniki dotyczą presostatu 3 pinowego.
Czujnika temp. zewnętrznej nie przedzwaniałem, ale mam wskazanie tej temp. bezpośrednio w radiu i widzę, że dobre są wskazania i zmieniają się.
Korzystałem z takiego przelicznika, który występuje w Astrze.
"Przedstawiam wartości napięcia w zależności od ciśnienia panującego w układzie.
0bar - 0.18V, 1bar - 0.31V, 2bar - 0.42V, 3bar - 0.55V, 4bar - 0.71V, 5bar - 0.8V, 6bar - 0.95V, 7bar - 1.07V, 8bar - 1.27V, 9bar - 1.36V, 10bar - 1.49V, 11bar - 1.61V, 12bar - 1.77V, 13bar - 1.89V, 14bar - 2.04V, 15bar - 2.17V, 16bar - 2.31V, 17bar - 2.47V, 18bar - 2.6V, 19bar - 2.75V."
Z tego przelicznika wynika, że u mnie statyczne ciśnienie to wynosi średnio około 8 atm.
Dodano po 4 minutach 27 sekundach:
Te przeliczniki dotyczą presostatu 3 pinowego.
- scott
- Specjalista
- Posty: 331
- Rejestracja: 13 maja 2018, o 14:42
- Reputacja: 2
- Imię: Scott
- Samochód: Cruze LS+ 2010
- Silnik: 2.0, LLW, 125KM(92kW) Diesel
- Inny samochód: Lexus IS 300h
- Lokalizacja: woj. małopolskie
- Kontakt:
Re: Klimatyzacja - resetowanie
VXDIAGiem jestem wstanie podejrzeć napięcie czujnika i przeliczoną wartość ciśnienia w kPa. Niestety czujników temperatury związanych z HVAC nie dam rady w podobny sposób pokazać (tylko wartości w stopniach Celsiusza).
W załącznikach przesyłam kilka zrzutów ekranu związanych z czujnikiem ciśnienia HVAC.
PS.
U mnie po włączeniu sprężarki narasta ciśnienie do ~14 bar, po kilkunastu sekundach spada do około 10 bar i tak się utrzymuje. Nie wiem czy tak ma być, czy ma to związek z tym, że ślizga mi sprzęgło sprężarki (nieprzyjemnie szeleści gdy jest uruchomiona).
W załącznikach przesyłam kilka zrzutów ekranu związanych z czujnikiem ciśnienia HVAC.
PS.
U mnie po włączeniu sprężarki narasta ciśnienie do ~14 bar, po kilkunastu sekundach spada do około 10 bar i tak się utrzymuje. Nie wiem czy tak ma być, czy ma to związek z tym, że ślizga mi sprzęgło sprężarki (nieprzyjemnie szeleści gdy jest uruchomiona).
-
barus
- Wymiatacz
- Posty: 1616
- Rejestracja: 9 sty 2014, o 16:53
- Reputacja: 35
- Imię: Czesław
- Samochód: Cruze1.8LT+Prem, LPG
- Silnik:
- Lokalizacja: Bielsko-B
- Kontakt:
Re: Klimatyzacja - resetowanie
Wielkie dzięki
Czyli skaner, który pożyczyłem wskazywał u mnie prawidłowe wartości ciśnienia, a przelicznik, który zacytowałem też jest prawidłowy.
U mnie ciśnienie statyczne wynosi około 8,5 atm. U Ciebie odrobinę mniej, ale jest w normie, czyli nie mam się, czego czepiać presostatu.
Co do dziwnych dźwięków, które słyszysz z pewnością pochodzą z sprężarki, może łożyska.
Co do ciśnienia przy załączonej sprężarce, to zależy też jak intensywnie schładzałeś kabinę, przy jakiej prędkości wentylatora w kabinie i jak wysokiej temp. otoczenia.
TIS pisze, że przy 15 atm. czynnika na tłoczeniu powinien załączyć się II-gi bieg wentylatora chłodnicy.
To mam zagwozdkę, bo dzisiaj na próbę wstawiłem inny moduł HVAC, używka, nie jestem pewien jego sprawności, i to samo, nie załącza sprężarki,
Co jest grane
Dobrze by było sprawdzić temp. czujników w obwodzie HVAC za pomocą skanera jak on je widzi, bo mój pomiar nie wykazał zwarć ani przerw w ich wtyczkach.
Czyli skaner, który pożyczyłem wskazywał u mnie prawidłowe wartości ciśnienia, a przelicznik, który zacytowałem też jest prawidłowy.
U mnie ciśnienie statyczne wynosi około 8,5 atm. U Ciebie odrobinę mniej, ale jest w normie, czyli nie mam się, czego czepiać presostatu.
Co do dziwnych dźwięków, które słyszysz z pewnością pochodzą z sprężarki, może łożyska.
Co do ciśnienia przy załączonej sprężarce, to zależy też jak intensywnie schładzałeś kabinę, przy jakiej prędkości wentylatora w kabinie i jak wysokiej temp. otoczenia.
TIS pisze, że przy 15 atm. czynnika na tłoczeniu powinien załączyć się II-gi bieg wentylatora chłodnicy.
To mam zagwozdkę, bo dzisiaj na próbę wstawiłem inny moduł HVAC, używka, nie jestem pewien jego sprawności, i to samo, nie załącza sprężarki,
Co jest grane
Dobrze by było sprawdzić temp. czujników w obwodzie HVAC za pomocą skanera jak on je widzi, bo mój pomiar nie wykazał zwarć ani przerw w ich wtyczkach.
-
barus
- Wymiatacz
- Posty: 1616
- Rejestracja: 9 sty 2014, o 16:53
- Reputacja: 35
- Imię: Czesław
- Samochód: Cruze1.8LT+Prem, LPG
- Silnik:
- Lokalizacja: Bielsko-B
- Kontakt:
Re: Klimatyzacja - resetowanie
Ten błąd powstał na wskutek wypięcia wtyczki z HVAC
Ale ten komunikat świadczy o tym, że HVAC nie wysyła żądania załączenia klimy, jeśli dobrze intepretuję ten komunikat, to świadczy to o tym, że usterka jest w sektorze HVAC.
Ale ten komunikat świadczy o tym, że HVAC nie wysyła żądania załączenia klimy, jeśli dobrze intepretuję ten komunikat, to świadczy to o tym, że usterka jest w sektorze HVAC.
- etac
- Prezes
- Posty: 24968
- Rejestracja: 4 sie 2013, o 00:31
- Reputacja: 300
- Imię: Krzysztof
- Samochód: Opel Astra L ST
- Silnik: 1.2T Pure Tech
- LPG: NIE
- Inny samochód: Yamaha X-MAX Tech Max
- Lokalizacja: SBE
- Kontakt:
Re: Klimatyzacja - resetowanie
jutro będziesz u mnie to podłączymy mój stary moduł.
Szykuj się na rozbieranie deski rozdzielczej.
Szykuj się na rozbieranie deski rozdzielczej.
Lekcje prywatne są odpłatne, pytania na forum są darmowe
-
barus
- Wymiatacz
- Posty: 1616
- Rejestracja: 9 sty 2014, o 16:53
- Reputacja: 35
- Imię: Czesław
- Samochód: Cruze1.8LT+Prem, LPG
- Silnik:
- Lokalizacja: Bielsko-B
- Kontakt:
Re: Klimatyzacja - resetowanie
Krzysiek, od kilku dni częściowo kokpit jest rozbebeszony.
Nie zamierzam absolutnie nic więcej rozbebeszać
. Udało mi się zdemontować, czujnik parownika i lewy dolny, górnego lewego nie ruszałem, ale zdalnie go pomierzyłem.
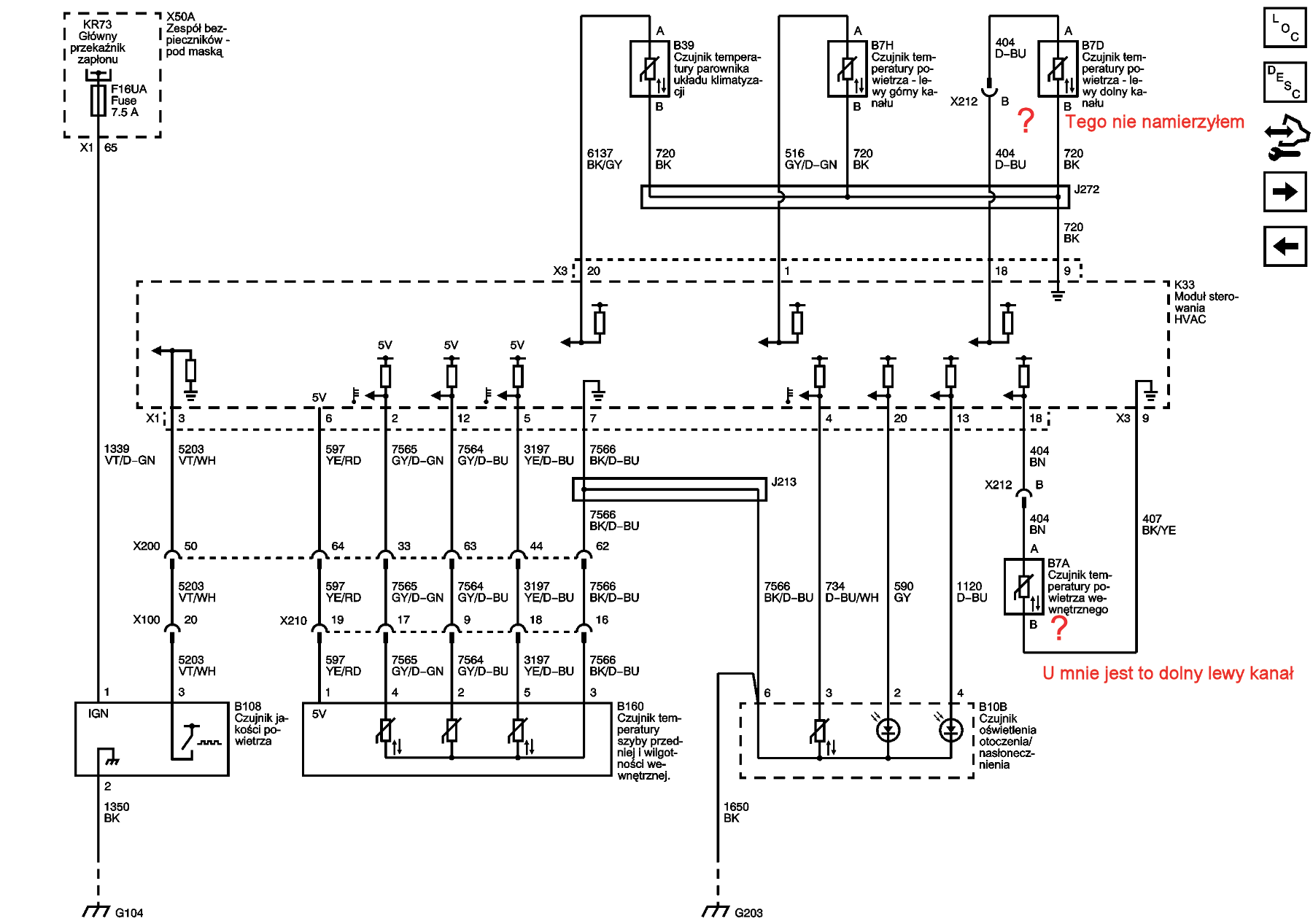
Pojawił się tylko problem, ile rzeczywiście jest czujników temp. w kanałach nawiewu powietrza 3 czy 4?, bo jest nieścisłość w schematach TIS. Może koledzy, którzy rozbierali mieszalnik zwrócili na to uwagę i się wypowiedzą. Potwierdza to ten schemat.
Pojawił się tylko problem, ile rzeczywiście jest czujników temp. w kanałach nawiewu powietrza 3 czy 4?, bo jest nieścisłość w schematach TIS. Może koledzy, którzy rozbierali mieszalnik zwrócili na to uwagę i się wypowiedzą. Potwierdza to ten schemat.
- etac
- Prezes
- Posty: 24968
- Rejestracja: 4 sie 2013, o 00:31
- Reputacja: 300
- Imię: Krzysztof
- Samochód: Opel Astra L ST
- Silnik: 1.2T Pure Tech
- LPG: NIE
- Inny samochód: Yamaha X-MAX Tech Max
- Lokalizacja: SBE
- Kontakt:
Re: Klimatyzacja - resetowanie
no to szukamy 13263325 
Lekcje prywatne są odpłatne, pytania na forum są darmowe
- wszim
- Zasłużony dla forum
- Posty: 15495
- Rejestracja: 10 paź 2013, o 22:04
- Reputacja: 146
- Imię: Wojtek
- Samochód: był orlando
- Silnik: 1.8 2H0 141KM (KL7)
- LPG: BRC SQ24
- Inny samochód: toyota RAV4 2.5 hybrid 4x4 222KM
- Lokalizacja: Nowy Sącz
- Kontakt:
- etac
- Prezes
- Posty: 24968
- Rejestracja: 4 sie 2013, o 00:31
- Reputacja: 300
- Imię: Krzysztof
- Samochód: Opel Astra L ST
- Silnik: 1.2T Pure Tech
- LPG: NIE
- Inny samochód: Yamaha X-MAX Tech Max
- Lokalizacja: SBE
- Kontakt:
Re: Klimatyzacja - resetowanie
to efekt mile spędzonego południa z Czesławem 
Lekcje prywatne są odpłatne, pytania na forum są darmowe
- bubu1769
- Administrator
- Posty: 6870
- Rejestracja: 5 wrz 2018, o 16:40
- Reputacja: 457
- Imię: Bartłomiej
- Samochód: Aveo T250
- Silnik: 1.4 101KM
- Inny samochód: Orlando 1.4T, Meriva A 1.8
- Lokalizacja: Kalisz
- Kontakt:
Re: Klimatyzacja - resetowanie
A sprawdziliście czy to rzeczywiście to podstawiając termistor tak jak wcześniej radził C77?
- szczuplin
- Fachman
- Posty: 2346
- Rejestracja: 9 mar 2016, o 15:00
- Reputacja: 16
- Imię: Szczuplin
- Samochód: Cruze, Aveo T300
- Silnik: 1.8 F18D4 141KM 1.2 86 km
- LPG: STAG4 Q-Box+
- Lokalizacja: Wałbrzych
- Kontakt:
Re: Klimatyzacja - resetowanie
Nie można było tak od razu? odpowiedz jest dwie strony wcześniej.
https://doopla.pl/pl/p/gorny-czujnik-te ... ando/60376
https://doopla.pl/pl/p/gorny-czujnik-te ... ando/60376
Chevrolet Cruze HB LT+ 1.8 + Chevrolet Aveo T300 1.2 86km
- etac
- Prezes
- Posty: 24968
- Rejestracja: 4 sie 2013, o 00:31
- Reputacja: 300
- Imię: Krzysztof
- Samochód: Opel Astra L ST
- Silnik: 1.2T Pure Tech
- LPG: NIE
- Inny samochód: Yamaha X-MAX Tech Max
- Lokalizacja: SBE
- Kontakt:
Re: Klimatyzacja - resetowanie
klima nie dostaje zezwolenia na uruchomienie. Przyczyna błąd tego czujnika DTC B3933 02: Obwód czujnika temperatury parownika układu klimatyzacji zwarty do masy.
Niestety nie miał termistora, ale ewidentnie moduł nie pozwalał na włączenie klimy z jego powodów. Innych błędów jakie znalazł Czesław na DS150 nie potwierdziły się. Błąd też był na moim module HVAC, ale niestety SPS nie przyjął go do pojazdu. Niestety ale mój leżak jest tylko do diesla.
Koszt czujnika to 70 zł.
BTW mam już pełny dostęp do SPS i kodów VCI, niestety nie jest tanio.
Dodano po 56 sekundach:
Czesław za to zna już bardzo dobrze układ klimatyzacji. A jak przy okazji zobaczyłem się z Czesławem po 7 latach nie widzenia. 2 godziny przy aucie, potem dobra kawa z domowego ekspresu i pół dnia mi zeszło.
Niestety nie miał termistora, ale ewidentnie moduł nie pozwalał na włączenie klimy z jego powodów. Innych błędów jakie znalazł Czesław na DS150 nie potwierdziły się. Błąd też był na moim module HVAC, ale niestety SPS nie przyjął go do pojazdu. Niestety ale mój leżak jest tylko do diesla.
Koszt czujnika to 70 zł.
BTW mam już pełny dostęp do SPS i kodów VCI, niestety nie jest tanio.
Dodano po 56 sekundach:
wiem Krzysztof, ale czasem warto się pobawić i dojść do tego samemuszczuplin pisze: ↑10 wrz 2020, o 18:13Nie można było tak od razu? odpowiedz jest dwie strony wcześniej.
https://doopla.pl/pl/p/gorny-czujnik-te ... ando/60376
Lekcje prywatne są odpłatne, pytania na forum są darmowe
- szczuplin
- Fachman
- Posty: 2346
- Rejestracja: 9 mar 2016, o 15:00
- Reputacja: 16
- Imię: Szczuplin
- Samochód: Cruze, Aveo T300
- Silnik: 1.8 F18D4 141KM 1.2 86 km
- LPG: STAG4 Q-Box+
- Lokalizacja: Wałbrzych
- Kontakt:
Re: Klimatyzacja - resetowanie
Jak ktoś lubi rozbijać wszystko na atomy pierwsze to spoko. Sądzę jednak, że trzeba czerpać z doświadczeń innych. Pzdr.
Chevrolet Cruze HB LT+ 1.8 + Chevrolet Aveo T300 1.2 86km
-
barus
- Wymiatacz
- Posty: 1616
- Rejestracja: 9 sty 2014, o 16:53
- Reputacja: 35
- Imię: Czesław
- Samochód: Cruze1.8LT+Prem, LPG
- Silnik:
- Lokalizacja: Bielsko-B
- Kontakt:
Re: Klimatyzacja - resetowanie
Nie wiem, co mnie zaćmiło
, pisałem wcześniej i podałem rezystancje zmierzonych czujników temperatury (termistorów) i podałem, że oporność czujnika temp. wynosi około 100Ω a pozostałych grubo ponad 2 k. Uznałem, że 100Ω to nie jest zwarcie i, że jest sprawny, do tej pory jestem w szoku, że zabrakło mi logicznego myślenia, a zawsze staram się logicznie myśleć
.
Przy napięciu odniesienia 5V taka oporność jest nieprawdopodobnie niska, przy tak małym gabarytowo termistorze płynąłby prąd 50 mA, toż to prawie grzejnik
.
Mnie coś zaćmiło, a przecież zaglądali tu takie Tuzy (elektronicy) i nikt nie zwrócił mi na to uwagi
.
W sumie usterka była prosta i można było ją wykryć bez skanera.
Ale nie ma złego, co by na dobre nie wyszło. Teraz układ klimy w Cruze znam jak mało kto.
Dziękuję Krzysiu za wszystko, za pomoc, za miłe towarzystwo, za smaczną kawę i rozmowę
.
Mam nadzieję, że nie masz mi za złe, że zająłem Ci sporo czasu.
BTW
Nie mam czujnika na podmianę, dopiero muszę kupić, ale żeby być 100% pewien, że to ten czujnik jest sprawcą wpiąłem w obwód zwykły rezystor około 800Ω i przy załączonym zapłonie zmierzyłem na nim napięcie 0,2V, uruchomiłem silnik i klima działa. Blokada sprzęgła następuje poniżej 0,1V.
@C77 pisał, że można wlutować inny termistor o wartości od 0,5 do 1 K. Uważam, że nie można trak sobie wlutować termistor z tak dużym rozrzutem oporności. W kanałach bocznych by to uszło, ale tu wymagana jest precyzja wskazania i każda pomyłka 2, 3 stopni robi wielką różnicę, łącznie z zalodzeniem parownika.
Przy napięciu odniesienia 5V taka oporność jest nieprawdopodobnie niska, przy tak małym gabarytowo termistorze płynąłby prąd 50 mA, toż to prawie grzejnik
Mnie coś zaćmiło, a przecież zaglądali tu takie Tuzy (elektronicy) i nikt nie zwrócił mi na to uwagi
W sumie usterka była prosta i można było ją wykryć bez skanera.
Ale nie ma złego, co by na dobre nie wyszło. Teraz układ klimy w Cruze znam jak mało kto.
Dziękuję Krzysiu za wszystko, za pomoc, za miłe towarzystwo, za smaczną kawę i rozmowę
Mam nadzieję, że nie masz mi za złe, że zająłem Ci sporo czasu.
BTW
Nie mam czujnika na podmianę, dopiero muszę kupić, ale żeby być 100% pewien, że to ten czujnik jest sprawcą wpiąłem w obwód zwykły rezystor około 800Ω i przy załączonym zapłonie zmierzyłem na nim napięcie 0,2V, uruchomiłem silnik i klima działa. Blokada sprzęgła następuje poniżej 0,1V.
@C77 pisał, że można wlutować inny termistor o wartości od 0,5 do 1 K. Uważam, że nie można trak sobie wlutować termistor z tak dużym rozrzutem oporności. W kanałach bocznych by to uszło, ale tu wymagana jest precyzja wskazania i każda pomyłka 2, 3 stopni robi wielką różnicę, łącznie z zalodzeniem parownika.
Kto jest online
Użytkownicy przeglądający to forum: Obecnie na forum nie ma żadnego zarejestrowanego użytkownika i 1 gość
Nie bądź obojętny na wojnę w Ukrainie.