
Klimatyzacja - resetowanie
-
- Wymiatacz
- Posty: 1616
- Rejestracja: 9 sty 2014, o 16:53
- Reputacja: 35
- Imię: Czesław
- Samochód: Cruze1.8LT+Prem, LPG
- Silnik:
- Lokalizacja: Bielsko-B
- Kontakt:
Re: Klimatyzacja - resetowanie
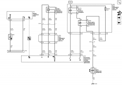
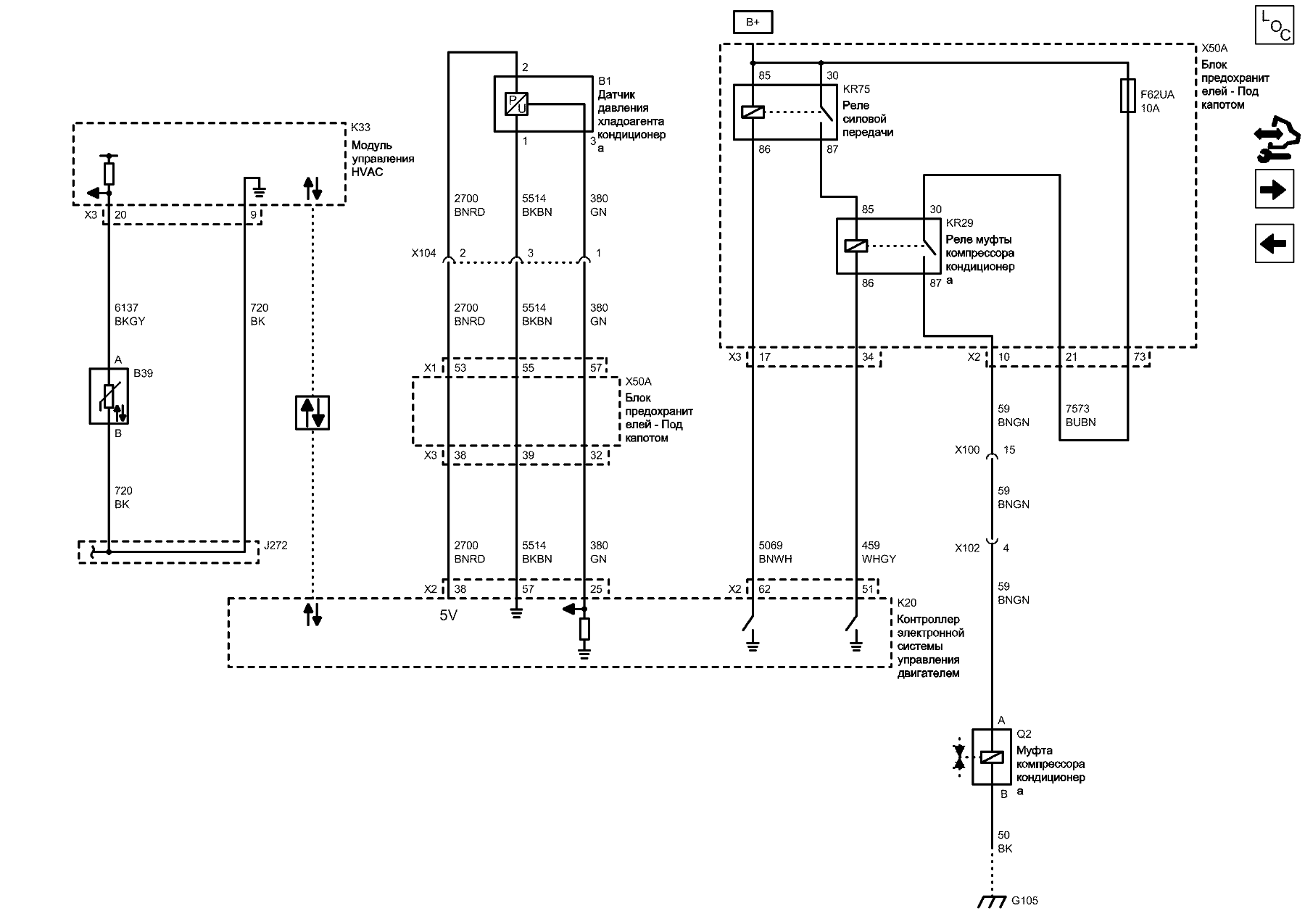
Wpierw spróbuję ogarnąć sprawę sam. Pomierzę sygnał sterujący z presostatu. Jak przy włączonym zapłonie będzie w okolicy 1V lub nie wiele mniej, to znaczy, że blokada załączenia klimy tkwi gdzie indziej. Przy wyłączonej klimie ciśnienie czynnika powinno wynosić co najmniej 5 at. przy 20 stopniach, czyli napięcie sterujące na czujniku około 0,8V. W niedzielę wracam do domu nie wiem jak wytrzymam bez klimy 

-
- Wymiatacz
- Posty: 1616
- Rejestracja: 9 sty 2014, o 16:53
- Reputacja: 35
- Imię: Czesław
- Samochód: Cruze1.8LT+Prem, LPG
- Silnik:
- Lokalizacja: Bielsko-B
- Kontakt:
Re: Klimatyzacja - resetowanie
Nie wytrzymałem i jakimś sposobem wczołgałem się pod auto, aby sprawdzić przyłącze tego presostatu, czy kuna nie odgryzła przewodu, a przy okazji obadałem, jakie kolory przewodów przyłączone są do poszczególnych pinów. Przewody te, 3 od presostatu i 2 z czujnika temp. chłodnicy idą w peszlu po górnej obudowie wentylatora chłodnicy. Z góry łatwy dostęp, igła w ruch i pomiar.
Okazuje się, że czynnika w instalacji jest pod dostatkiem, namierzyłem 1,23 V a to oznacza ciśnienie około 8 atm., dużo, ale i temperatura otoczenia dzisiaj była duża, 29°C, a to ma wpływ na wartość ciśnienia w instalacji. Teraz wszystko wskazuje na to, że prawdopodobnie uwalony jest czujnik temp. parownika, albo zimne luty w module HVAC.
Zrobiłem bypass na przekaźniku podając napięcie na elektro-sprzęgło sprężarki i na próbę załączyłem silnik, chłodzi aż miło.
Zabrakło mi odpowiednich kluczy, bo dobrałbym się jeszcze do tego czujnika w parowniku.
Okazuje się, że czynnika w instalacji jest pod dostatkiem, namierzyłem 1,23 V a to oznacza ciśnienie około 8 atm., dużo, ale i temperatura otoczenia dzisiaj była duża, 29°C, a to ma wpływ na wartość ciśnienia w instalacji. Teraz wszystko wskazuje na to, że prawdopodobnie uwalony jest czujnik temp. parownika, albo zimne luty w module HVAC.
Zrobiłem bypass na przekaźniku podając napięcie na elektro-sprzęgło sprężarki i na próbę załączyłem silnik, chłodzi aż miło.
Zabrakło mi odpowiednich kluczy, bo dobrałbym się jeszcze do tego czujnika w parowniku.
-
- Aktywny
- Posty: 89
- Rejestracja: 2 gru 2014, o 18:40
- Reputacja: 0
- Imię: jan
- Samochód: Cruze
- Silnik: 2.0 LNP
- Lokalizacja: elbląg
- Kontakt:
Re: Klimatyzacja - resetowanie
Szacunek za wczolganie sie pod auto
Nie wiem jak to zrobiles ale chyle czola:)

- szczuplin
- Fachman
- Posty: 2346
- Rejestracja: 9 mar 2016, o 15:00
- Reputacja: 16
- Imię: Szczuplin
- Samochód: Cruze, Aveo T300
- Silnik: 1.8 F18D4 141KM 1.2 86 km
- LPG: STAG4 Q-Box+
- Lokalizacja: Wałbrzych
- Kontakt:
Re: Klimatyzacja - resetowanie
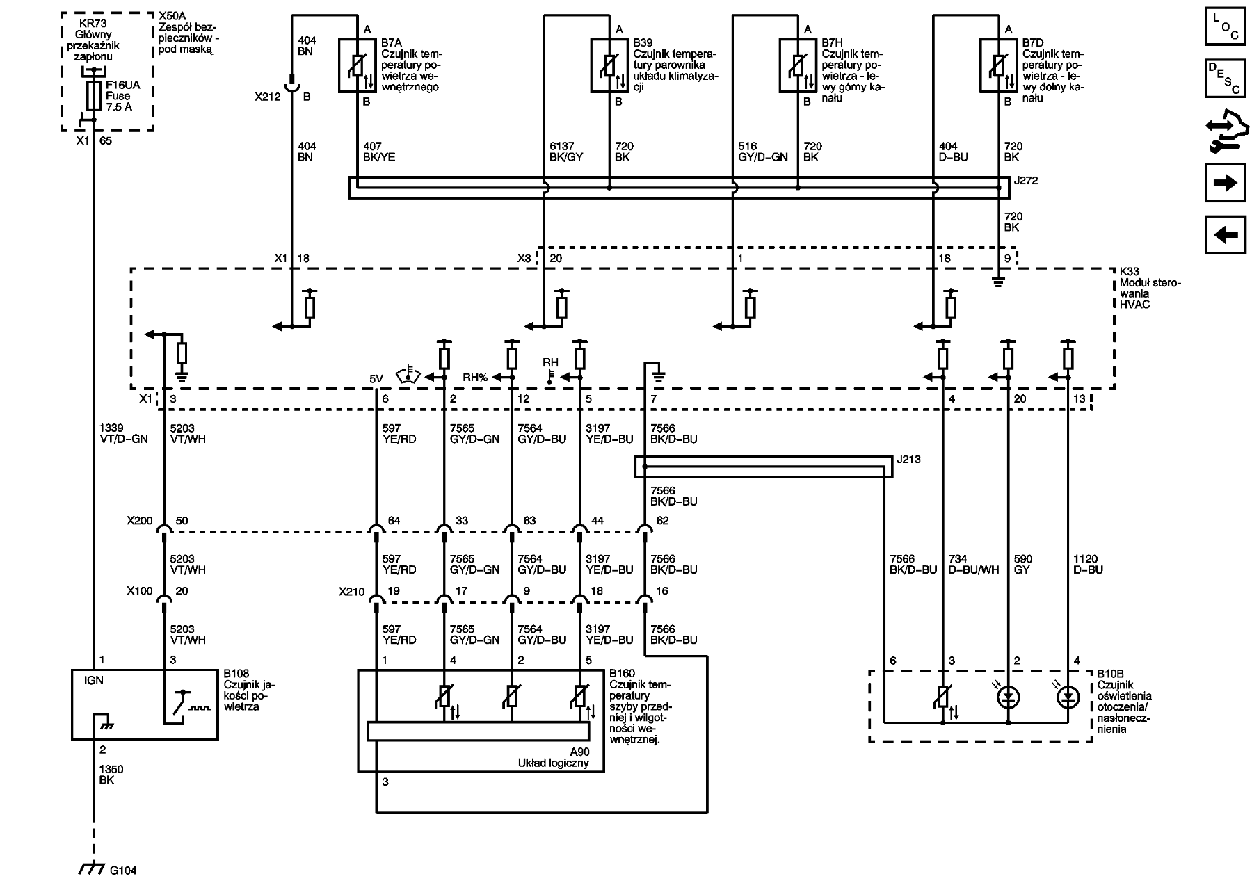
Do górnego czujnika parownika jest dojście tylko od schowka pasażera. Jego awaria odcina odłącza sprężarkę.
Chevrolet Cruze HB LT+ 1.8 + Chevrolet Aveo T300 1.2 86km
-
- Wymiatacz
- Posty: 1616
- Rejestracja: 9 sty 2014, o 16:53
- Reputacja: 35
- Imię: Czesław
- Samochód: Cruze1.8LT+Prem, LPG
- Silnik:
- Lokalizacja: Bielsko-B
- Kontakt:
Re: Klimatyzacja - resetowanie
Nie no, aż takim chudziną nie jestem
Wjechałem jednym kołem na skarpę, a drugim na kilka desek i wczołgałem się pod przód
@szczuplin, co do wymiany tego czujnika to Ty przetarłeś szlak, a ja skrzętnie korzystam z tego
Jak czujnik na wskutek uszkodzenia będzie odczytywał wartość ujemną temperatury w parowniku to HVAC nigdy nie pozwoli załączyć sprężarki.


@szczuplin, co do wymiany tego czujnika to Ty przetarłeś szlak, a ja skrzętnie korzystam z tego

Jak czujnik na wskutek uszkodzenia będzie odczytywał wartość ujemną temperatury w parowniku to HVAC nigdy nie pozwoli załączyć sprężarki.
- scott
- Specjalista
- Posty: 331
- Rejestracja: 13 maja 2018, o 14:42
- Reputacja: 2
- Imię: Scott
- Samochód: Cruze LS+ 2010
- Silnik: 2.0, LLW, 125KM(92kW) Diesel
- Inny samochód: Lexus IS 300h
- Lokalizacja: woj. małopolskie
- Kontakt:
Re: Klimatyzacja - resetowanie
Ja dzisiaj podczas małej dłubaniny przy Cruze z ciekawości popatrzyłem VXDIAGem na dane z HVAC, i tak, ciśnienie po stronie wysokiej 1400 kPa (14 bar), temperatura na parowniku 3 °C. Auto stało co prawda pod dachem, ale temperatura otoczenia wynosiła wtedy około 26 °C.
-
- Wymiatacz
- Posty: 1616
- Rejestracja: 9 sty 2014, o 16:53
- Reputacja: 35
- Imię: Czesław
- Samochód: Cruze1.8LT+Prem, LPG
- Silnik:
- Lokalizacja: Bielsko-B
- Kontakt:
Re: Klimatyzacja - resetowanie
No i doopa
. Dzisiaj zdemontowałem czujnik temp. parownika, pomierzyłem i jest sprawny.
ECM nie załącza sprzęgła klimy, mimo, że ciśnienie czynnika jest w normie a czujnik temp. parownika sprawny. Albo uwalony jest HVAC, albo któryś z pozostałych trzech czujników temp, mniej prawdopodobne, aby uszkodzony był ECM. Być może algorytm sterowania HVAC jest tak skonfigurowany, że w przypadku uszkodzenia któregokolwiek czujnika temp. blokuje załączenie sprzęgła Klimy
. Nie do końca jestem pewien gdzie znajduje się czujnik temp. wnętrza. Na schemacie widnieje, jako osobny komponent. Ale przy klimie automatycznej może się znajdować w kopułce czujnika naświetlenia z przodu kokpitu (dwa w jednym), może ktoś to potwierdzić, że tak jest.

ECM nie załącza sprzęgła klimy, mimo, że ciśnienie czynnika jest w normie a czujnik temp. parownika sprawny. Albo uwalony jest HVAC, albo któryś z pozostałych trzech czujników temp, mniej prawdopodobne, aby uszkodzony był ECM. Być może algorytm sterowania HVAC jest tak skonfigurowany, że w przypadku uszkodzenia któregokolwiek czujnika temp. blokuje załączenie sprzęgła Klimy

- szczuplin
- Fachman
- Posty: 2346
- Rejestracja: 9 mar 2016, o 15:00
- Reputacja: 16
- Imię: Szczuplin
- Samochód: Cruze, Aveo T300
- Silnik: 1.8 F18D4 141KM 1.2 86 km
- LPG: STAG4 Q-Box+
- Lokalizacja: Wałbrzych
- Kontakt:
Re: Klimatyzacja - resetowanie
No tak właśnie jest. Dlatego zrób dobra diagnostykę.
Jaką masz klimę?
Chevrolet Cruze HB LT+ 1.8 + Chevrolet Aveo T300 1.2 86km
-
- Wymiatacz
- Posty: 1616
- Rejestracja: 9 sty 2014, o 16:53
- Reputacja: 35
- Imię: Czesław
- Samochód: Cruze1.8LT+Prem, LPG
- Silnik:
- Lokalizacja: Bielsko-B
- Kontakt:
Re: Klimatyzacja - resetowanie
Klimę mam automatyczną. Co do blokady załączania sprzęgła to jest to logiczne, że w przypadku zbyt niskiego, lub za wysokiego ciśnienia czynnika i nie dopuszcza do załączenia sprężarki, tak samo w przypadku ujemnej temperatury na parowniku, co do uszkodzeń pozostałych czujników temp. powietrza w kabinie blokada sprzęgła jest bez sensu, bo akurat te czujniki nie mają wpływu na spowodowanie uszkodzenia klimy. W przypadku pogorszenia komfortu zawsze można wyłączyć klimę.
- wszim
- Zasłużony dla forum
- Posty: 15495
- Rejestracja: 10 paź 2013, o 22:04
- Reputacja: 146
- Imię: Wojtek
- Samochód: był orlando
- Silnik: 1.8 2H0 141KM (KL7)
- LPG: BRC SQ24
- Inny samochód: toyota RAV4 2.5 hybrid 4x4 222KM
- Lokalizacja: Nowy Sącz
- Kontakt:
Re: Klimatyzacja - resetowanie
Przekaźnik załączajacy elektrosprzegło sprawny?

-
- Wymiatacz
- Posty: 1616
- Rejestracja: 9 sty 2014, o 16:53
- Reputacja: 35
- Imię: Czesław
- Samochód: Cruze1.8LT+Prem, LPG
- Silnik:
- Lokalizacja: Bielsko-B
- Kontakt:
Re: Klimatyzacja - resetowanie
Tak, to sprawdziłem na początku, pisałem o tym wyżej. Wczoraj jeszcze raz zrobiłem bypass przekaźnika i załączyłem klimę przy pracującym silniku. Klima natychmiast mocno chłodzi, co ciekawe, wentylator chłodnicy nie załącza się, dopiero później, ze zwłoką około 10 - 15 s, normalnie powinien załączyć się od razu.
To oznacza, że w tej sytuacji ECM załącza wentylator dopiero wtedy, gdy otrzyma impuls z presostatu o wzroście ciśnienia do około 15 atm., przy normalnej pracy klimy jest to impuls do załączenia II - go biegu wentylatora. Tak opisuje to TIS. ECM załącza przekaźnik sprzęgła kluczując z masą obwód cewki. Wentylator chłodnicy ECM załącza innym obwodem, skoro tak, to raczej wykluczam przerwę na linii ECM - przekaźnik. TIS pisze, że ECM może zablokować załączenie sprężarki w przypadku zbyt niskiego ciśnienia (poniżej 2,7 atm.) oraz usterki czujnika temp. parownika. Są oczywiście jeszcze inne przypadki, przegrzanie silnika, but w podłodze itp. z tego wniosek, że awaria innych czujników temp. HVAC nie powinny blokować załączenia sprężarki. Czy tak jest rzeczywiście tego nie jestem pewien? Jeśli by tak było, jak pisze TIS, to oznaczałoby to usterkę ECM, albo jakieś zimne luty na płytce HVAC. Ostatecznie nie obędzie się chyba bez skanera
.
Dodano po 39 minutach 22 sekundach:
Czy da się zdemontować czujnik oświetlenia/nasłonecznienia na blacie od góry, próbował ktoś?
To oznacza, że w tej sytuacji ECM załącza wentylator dopiero wtedy, gdy otrzyma impuls z presostatu o wzroście ciśnienia do około 15 atm., przy normalnej pracy klimy jest to impuls do załączenia II - go biegu wentylatora. Tak opisuje to TIS. ECM załącza przekaźnik sprzęgła kluczując z masą obwód cewki. Wentylator chłodnicy ECM załącza innym obwodem, skoro tak, to raczej wykluczam przerwę na linii ECM - przekaźnik. TIS pisze, że ECM może zablokować załączenie sprężarki w przypadku zbyt niskiego ciśnienia (poniżej 2,7 atm.) oraz usterki czujnika temp. parownika. Są oczywiście jeszcze inne przypadki, przegrzanie silnika, but w podłodze itp. z tego wniosek, że awaria innych czujników temp. HVAC nie powinny blokować załączenia sprężarki. Czy tak jest rzeczywiście tego nie jestem pewien? Jeśli by tak było, jak pisze TIS, to oznaczałoby to usterkę ECM, albo jakieś zimne luty na płytce HVAC. Ostatecznie nie obędzie się chyba bez skanera

Dodano po 39 minutach 22 sekundach:
Czy da się zdemontować czujnik oświetlenia/nasłonecznienia na blacie od góry, próbował ktoś?
- wszim
- Zasłużony dla forum
- Posty: 15495
- Rejestracja: 10 paź 2013, o 22:04
- Reputacja: 146
- Imię: Wojtek
- Samochód: był orlando
- Silnik: 1.8 2H0 141KM (KL7)
- LPG: BRC SQ24
- Inny samochód: toyota RAV4 2.5 hybrid 4x4 222KM
- Lokalizacja: Nowy Sącz
- Kontakt:
Re: Klimatyzacja - resetowanie

- etac
- Prezes
- Posty: 24969
- Rejestracja: 4 sie 2013, o 00:31
- Reputacja: 300
- Imię: Krzysztof
- Samochód: Opel Astra L ST
- Silnik: 1.2T Pure Tech
- LPG: NIE
- Inny samochód: Yamaha X-MAX Tech Max
- Lokalizacja: SBE
- Kontakt:
Re: Klimatyzacja - resetowanie
Czujnik nasłonecznienia nie wyłączy klimatyzacji, on jest czujnikiem do sterowania klapami jak te inne w kanałach nawiewu, ale nie ma funkcji ograniczających funkcjonowanie klimy.
Lekcje prywatne są odpłatne, pytania na forum są darmowe
-
- Wymiatacz
- Posty: 1616
- Rejestracja: 9 sty 2014, o 16:53
- Reputacja: 35
- Imię: Czesław
- Samochód: Cruze1.8LT+Prem, LPG
- Silnik:
- Lokalizacja: Bielsko-B
- Kontakt:
- etac
- Prezes
- Posty: 24969
- Rejestracja: 4 sie 2013, o 00:31
- Reputacja: 300
- Imię: Krzysztof
- Samochód: Opel Astra L ST
- Silnik: 1.2T Pure Tech
- LPG: NIE
- Inny samochód: Yamaha X-MAX Tech Max
- Lokalizacja: SBE
- Kontakt:
Re: Klimatyzacja - resetowanie
nie potwierdzam tego. Na podstawie czego tak twierdzisz?
Dla mnie funkcje czujnika temperatury wnętrza pełni czujnik na szybie za lusterkiem.
Lekcje prywatne są odpłatne, pytania na forum są darmowe
-
- Wymiatacz
- Posty: 1616
- Rejestracja: 9 sty 2014, o 16:53
- Reputacja: 35
- Imię: Czesław
- Samochód: Cruze1.8LT+Prem, LPG
- Silnik:
- Lokalizacja: Bielsko-B
- Kontakt:
Re: Klimatyzacja - resetowanie
Krzychu, jest dokładnie tak jak napisałem, czujnik umieszczony za lusterkiem wstecznym mierzy temperaturę szyby i wraz z czujnikiem wilgoci dbają o jak najszybsze usunięcie z szyby wilgoci/szronu, natomiast czujnik temp. wewnętrznej mieści się w kopułce razem z czujnikiem nasłonecznienia i na podstawie ich pomiarów HVAC utrzymuje odpowiednią nastawioną temperaturę w wewnątrz samochodu. W sumie w kopułce są 3 czujniki, oświetlenia , nasłonecznienia i temperatury.
Zerknij na schemat wyżej.
Dodano po 18 minutach 54 sekundach:
W bielskim Oplu diagnostyka skanerem kosztuje 180 zł.
Zerknij na schemat wyżej.
Dodano po 18 minutach 54 sekundach:
W bielskim Oplu diagnostyka skanerem kosztuje 180 zł.

- etac
- Prezes
- Posty: 24969
- Rejestracja: 4 sie 2013, o 00:31
- Reputacja: 300
- Imię: Krzysztof
- Samochód: Opel Astra L ST
- Silnik: 1.2T Pure Tech
- LPG: NIE
- Inny samochód: Yamaha X-MAX Tech Max
- Lokalizacja: SBE
- Kontakt:
Re: Klimatyzacja - resetowanie
Tak masz racje, tak podaje TIS że ma też czujnik temperatury.
Za 180 zł to masz wycieczkę do mnie i jeszcze wejściówkę na zamek
Za 180 zł to masz wycieczkę do mnie i jeszcze wejściówkę na zamek

Lekcje prywatne są odpłatne, pytania na forum są darmowe
- wszim
- Zasłużony dla forum
- Posty: 15495
- Rejestracja: 10 paź 2013, o 22:04
- Reputacja: 146
- Imię: Wojtek
- Samochód: był orlando
- Silnik: 1.8 2H0 141KM (KL7)
- LPG: BRC SQ24
- Inny samochód: toyota RAV4 2.5 hybrid 4x4 222KM
- Lokalizacja: Nowy Sącz
- Kontakt:
Re: Klimatyzacja - resetowanie
Trochę bez sensu bo na podszybiu ta temperatura jest mocno przekłamana przez nagrzewające promienie słoneczne
. Chyba, że ten czujnik jest wykorzystywany głównie do korekty wskazań czujnika światła. Bo temperatura ma wpływ na charakterystykę czujnika światła.


-
- Wymiatacz
- Posty: 1616
- Rejestracja: 9 sty 2014, o 16:53
- Reputacja: 35
- Imię: Czesław
- Samochód: Cruze1.8LT+Prem, LPG
- Silnik:
- Lokalizacja: Bielsko-B
- Kontakt:
Re: Klimatyzacja - resetowanie
Wojtek, Ty chyba też masz automatyczną klimę, u mnie do tej pory klima dobrze trzymała zadaną temperaturę, nie zależnie od tego czy pochmurno czy słonecznie, czyli HVAC dokonuje korekty poprzez czujnik nasłonecznienia, z czujnika oświetlenia raczej nie korzysta
Ja praktycznie nie używam funkcji "Auto" ze względu na hałas wentylatora, zbyt wysoko wchodzi na obroty.

- etac
- Prezes
- Posty: 24969
- Rejestracja: 4 sie 2013, o 00:31
- Reputacja: 300
- Imię: Krzysztof
- Samochód: Opel Astra L ST
- Silnik: 1.2T Pure Tech
- LPG: NIE
- Inny samochód: Yamaha X-MAX Tech Max
- Lokalizacja: SBE
- Kontakt:
Re: Klimatyzacja - resetowanie
Tylko jak robisz krótkie trasy w maks słońcu.
Mnie właśnie wkurza funkcja AUTO, że po godzinie jazdy wyłącza wentylator nawiewu i robi się duszno w aucie.
Lekcje prywatne są odpłatne, pytania na forum są darmowe
-
- Wymiatacz
- Posty: 1616
- Rejestracja: 9 sty 2014, o 16:53
- Reputacja: 35
- Imię: Czesław
- Samochód: Cruze1.8LT+Prem, LPG
- Silnik:
- Lokalizacja: Bielsko-B
- Kontakt:
Re: Klimatyzacja - resetowanie
W krótkie trasy to wytrzymuje hałas:), ale w długich trasach już nie. Ciekawe, że u Ciebie przy funkcji AUTO czasami wyłącza nawiew, u mnie nigdy się tak nie zdarzyło, jak jeździłem z AUTO.
-
- Wymiatacz
- Posty: 1616
- Rejestracja: 9 sty 2014, o 16:53
- Reputacja: 35
- Imię: Czesław
- Samochód: Cruze1.8LT+Prem, LPG
- Silnik:
- Lokalizacja: Bielsko-B
- Kontakt:
- wszim
- Zasłużony dla forum
- Posty: 15495
- Rejestracja: 10 paź 2013, o 22:04
- Reputacja: 146
- Imię: Wojtek
- Samochód: był orlando
- Silnik: 1.8 2H0 141KM (KL7)
- LPG: BRC SQ24
- Inny samochód: toyota RAV4 2.5 hybrid 4x4 222KM
- Lokalizacja: Nowy Sącz
- Kontakt:
Re: Klimatyzacja - resetowanie
Nie mam automatycznej klimy. Wybrałem tak z premedytacją, bo z doświadczeń aut służbowych automat mi nie dogodzi. Zawsze jest coś źle i mi nie pasuje. Dla mnie najprościej jak sam sobie nastawiam nie patrząc na wartość temperatury, poza tym gdy się da to unikam klimatyzowania bo źle znoszę przesuszone powietrze. Automatyka sprawdza się w domu a w aucie wg mnie połowicznie.

- etac
- Prezes
- Posty: 24969
- Rejestracja: 4 sie 2013, o 00:31
- Reputacja: 300
- Imię: Krzysztof
- Samochód: Opel Astra L ST
- Silnik: 1.2T Pure Tech
- LPG: NIE
- Inny samochód: Yamaha X-MAX Tech Max
- Lokalizacja: SBE
- Kontakt:
Re: Klimatyzacja - resetowanie
tak 90% funkcji będzie dostępne
Lekcje prywatne są odpłatne, pytania na forum są darmowe
- bubu1769
- Administrator
- Posty: 6870
- Rejestracja: 5 wrz 2018, o 16:40
- Reputacja: 457
- Imię: Bartłomiej
- Samochód: Aveo T250
- Silnik: 1.4 101KM
- Inny samochód: Orlando 1.4T, Meriva A 1.8
- Lokalizacja: Kalisz
- Kontakt:
Re: Klimatyzacja - resetowanie
Na Delphim?
Ojj czy aby zbyt optymistyczne nie oceniasz?
Ojj czy aby zbyt optymistyczne nie oceniasz?
Kto jest online
Użytkownicy przeglądający to forum: Obecnie na forum nie ma żadnego zarejestrowanego użytkownika i 1 gość