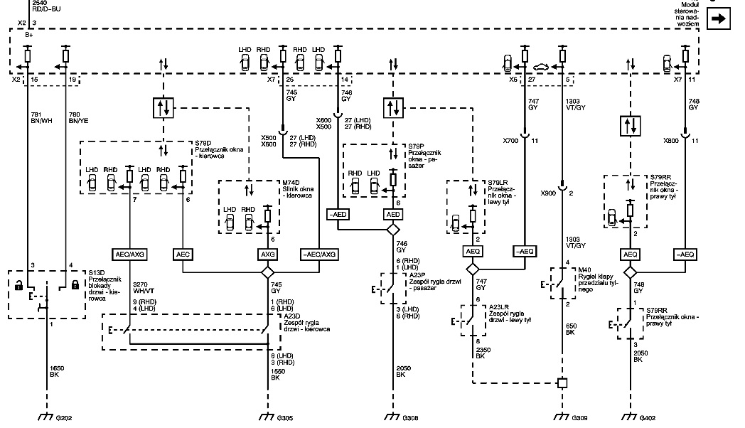
Czy spotkał się ktoś z was z problemem w postaci niedziałającego przycisku blokady drzwi? (tego z otwartą i zamkniętą kłódką)
Jestem w stanie otwierać drzwi ale nie działa blokowanie - muszę wciskać guzik na drzwiach kierowcy. Czy jest sposób aby naprawić to samemu i przy okazji nie połamać żadnych plastików?

dzięki i pozdrawiam
R.