Po tej operacji wyjdź i sprawdź czy światła zgasły i na ciągle pracującym silniku sprawdzaj czy działa sama zmierzchówka, czyli czy reaguje na samo zasłanianie i odsłanianie czujnika. Nie wiem na ile szybkie reakcje ma soft w BCM na czujnik, powinien w miarę szybko zapalać na zasłonięty czujnik ale z opóźnieniem reagować na czujnik odsłonięty.barus pisze: Ja mam Cruza z 2012 roku, Ty 2009 i jakoś trudno mi w to uwierzyć, aby światła w Twoim wyłączały się inaczej niż w moim, ale może się mylę.
Najlepiej to sprawdzić w następujący sposób. W momencie startu silnika, wcześniej lewą ręką przekręcamy gałką przełącznika świateł w lewo ( przełącznik z AUTO) i tak trzymamy dopóty dopóki prawą ręką trzymamy kluczyk w pozycji START. Gdy silnik odpali kluczyk z pozycji START wraca do pozycji ZAPŁON w tym samym czasie lewą ręką zwalniamy pokrętło przełącznika świateł. Po tym zabiegu światła w moim nigdy się nie załączą ani na moment nie migną przy starcie silnika i nie sądzę by u Ciebie było inaczej.
ciach..
DRL koncept w kloszach p-mgielnych,ograniczona moc PWM
- wszim
- Zasłużony dla forum
- Posty: 15495
- Rejestracja: 10 paź 2013, o 22:04
- Reputacja: 146
- Imię: Wojtek
- Samochód: był orlando
- Silnik: 1.8 2H0 141KM (KL7)
- LPG: BRC SQ24
- Inny samochód: toyota RAV4 2.5 hybrid 4x4 222KM
- Lokalizacja: Nowy Sącz
- Kontakt:
Re: DRL koncept w kloszach p-mgielnych,ograniczona moc PWM
To spróbuj jeszcze tak zrobić jak opisał to barus.

-
- Specjalista
- Posty: 308
- Rejestracja: 28 lut 2015, o 19:33
- Reputacja: 1
- Imię: Darek
- Samochód: Cruze 2.0 VCDI
- Silnik:
- Lokalizacja: Będzin
- Kontakt:
Re: DRL koncept w kloszach p-mgielnych,ograniczona moc PWM
Miałem przerwę (praca). Wojtek, za chusteczke sposób barusa nie działa u mnie. Robiłem wszystko zgodnie z opisem powyżej, owszem światła gasną, czujnik nie działa-po zasłonięciu nie zapalają się światła a wszystko wraca do stanu wyjściowego po ponownym uruchomieniu silnika.
- wszim
- Zasłużony dla forum
- Posty: 15495
- Rejestracja: 10 paź 2013, o 22:04
- Reputacja: 146
- Imię: Wojtek
- Samochód: był orlando
- Silnik: 1.8 2H0 141KM (KL7)
- LPG: BRC SQ24
- Inny samochód: toyota RAV4 2.5 hybrid 4x4 222KM
- Lokalizacja: Nowy Sącz
- Kontakt:
Re: DRL koncept w kloszach p-mgielnych,ograniczona moc PWM



Cholera jeszcze jakieś inne rozwiązanie? No to jeszcze jedna próba. Miej zamknięty samochód na centralny zamek minimum 15minut tak by BCM się uśpił. Potem otwórz, wejdź uruchom silnik (działamy w dzień) i spróbuj zrobić dwukrotne kliknięcie w pozycję OFF. I co się po tym dzieje - światła świecą, czy zgaszone. Gdy zgaszone to sprawdź czy reagują na czujnik zmierzchowy.

-
- Specjalista
- Posty: 308
- Rejestracja: 28 lut 2015, o 19:33
- Reputacja: 1
- Imię: Darek
- Samochód: Cruze 2.0 VCDI
- Silnik:
- Lokalizacja: Będzin
- Kontakt:
Re: DRL koncept w kloszach p-mgielnych,ograniczona moc PWM
oki, sprawdzę. Tak myślę jeszcze, mam wsadzony w gniazdo obd ten taki chiński dinks co sam domyka okna po zablokowaniu drzwi i włączeniu alarmu, czy to może mieć jakiś wpływ na te próby?
- wszim
- Zasłużony dla forum
- Posty: 15495
- Rejestracja: 10 paź 2013, o 22:04
- Reputacja: 146
- Imię: Wojtek
- Samochód: był orlando
- Silnik: 1.8 2H0 141KM (KL7)
- LPG: BRC SQ24
- Inny samochód: toyota RAV4 2.5 hybrid 4x4 222KM
- Lokalizacja: Nowy Sącz
- Kontakt:
Re: DRL koncept w kloszach p-mgielnych,ograniczona moc PWM
Teoretycznie nie powinien. Na wszelki wypadek testuj bez niego.

-
- Wymiatacz
- Posty: 1616
- Rejestracja: 9 sty 2014, o 16:53
- Reputacja: 35
- Imię: Czesław
- Samochód: Cruze1.8LT+Prem, LPG
- Silnik:
- Lokalizacja: Bielsko-B
- Kontakt:
Re: DRL koncept w kloszach p-mgielnych,ograniczona moc PWM
Wojtek! Nie inne rozwiązanie tylko dokładnie takie same jak w moim. Czyli kolega pacdar ma dokładnie taką samą automatykę jak ja.wszim pisze:![]()
![]()
![]()
Cholera jeszcze jakieś inne rozwiązanie? No to jeszcze jedna próba.
Problem w tym, że kolega pacdar nie zrozumiał Twojego pytania, bo w momencie startu silnika i równoczesnym przekręceniu pokrętła świateł w lewo światła w jego samochodzie nie zaświeciły się, a przecież o to chodziło żeby się nie zapaliły. Mimo tego faktu pacdar dalej twierdzi, że to nie działa tak jak u mnie a przecież działa

Tak działa moja automatyka, że uruchamiając auto w dzień wyłącza automatykę fabryczną, ale np. przy starcie w nocy już tej automatyki nie wyłącza.
- Avatar
- Fachman
- Posty: 2463
- Rejestracja: 9 sie 2013, o 08:08
- Reputacja: 0
- Imię: Marcin
- Samochód: brak
- Silnik:
- Lokalizacja: Racibórz
- Kontakt:
Re: DRL koncept w kloszach p-mgielnych,ograniczona moc PWM
Twoja automatyka działa bardzo dobrze tj.:
Uruchomienie w dzień: Twój moduł wyłącza skandynawie poprzez kliknięcie w lewo (swiatla mijania nie uruchamiają się w żadnej chwili). Cały czas analizuje natężenie światła z czujnika zmierzchu gdyż jest do niego podłączony bezpośrednio, jak wyczuje tunel robi klik w lewo żeby włączyć światła, jak wyjdziesz z tunel znów klik żeby je wyłączyć i uruchomić ponownie DRL.
W nocy po prostu nie robi na starcie kliku w lewo bo natężenie światła z czujnika jest za małe czyli bcm wchodzi w tryb noc i przyciemnia deskę a światła są załączone.
Generalnie działa to tak że w zależności czy Twoja automatyka ma duże czy małe natężenie światła z fabrycznego czujnika zmierzchu, za użytkownika robi odpowiedni pojedynczy kliki w lewo.
Natomiast należy pamiętać że podłączenie samych DRL i uzależnienie ich od zapalonych pozycyjnych świateł jest zrobione osobno na przekaźniku.
Uruchomienie w dzień: Twój moduł wyłącza skandynawie poprzez kliknięcie w lewo (swiatla mijania nie uruchamiają się w żadnej chwili). Cały czas analizuje natężenie światła z czujnika zmierzchu gdyż jest do niego podłączony bezpośrednio, jak wyczuje tunel robi klik w lewo żeby włączyć światła, jak wyjdziesz z tunel znów klik żeby je wyłączyć i uruchomić ponownie DRL.
W nocy po prostu nie robi na starcie kliku w lewo bo natężenie światła z czujnika jest za małe czyli bcm wchodzi w tryb noc i przyciemnia deskę a światła są załączone.
Generalnie działa to tak że w zależności czy Twoja automatyka ma duże czy małe natężenie światła z fabrycznego czujnika zmierzchu, za użytkownika robi odpowiedni pojedynczy kliki w lewo.
Natomiast należy pamiętać że podłączenie samych DRL i uzależnienie ich od zapalonych pozycyjnych świateł jest zrobione osobno na przekaźniku.
-
- Specjalista
- Posty: 308
- Rejestracja: 28 lut 2015, o 19:33
- Reputacja: 1
- Imię: Darek
- Samochód: Cruze 2.0 VCDI
- Silnik:
- Lokalizacja: Będzin
- Kontakt:
Re: DRL koncept w kloszach p-mgielnych,ograniczona moc PWM
Marcin, czy ja dobrze rozumiem? Czujnik zmierzchowy cały czas pracuje to wiem ale światła mijania mi świecą cały czas dopóki ich sam nie wyłącze klikiem. A czy światła pozycyjne wtedy są sterowane od czujnika? (załączają się w nocy a w dzień wyłączają?) i nimi można wysterować załączanie i gaszenie świateł mijania?
-
- Specjalista
- Posty: 308
- Rejestracja: 28 lut 2015, o 19:33
- Reputacja: 1
- Imię: Darek
- Samochód: Cruze 2.0 VCDI
- Silnik:
- Lokalizacja: Będzin
- Kontakt:
Re: DRL koncept w kloszach p-mgielnych,ograniczona moc PWM
barus, ja już nic nie rozumiem
wszystko jest tak jak mówisz tylko, że jeśli wyłącze światła klikiem to są wyłączone i o to chodzi. Tylko, że wtedy czujnik zmierzchu mi ich nie załączy jak będzie ciemno, muszę to zrobić sam znowu klikiem. A ja bym chciał nie klikać w tunelach itd. Jeśli zaś ponownie zapale silnik to wszystko wraca do stanu wyjściowego, czyli świecą światła mijania caly czas
czujnik ani razu mi nie steruje światłami, muszę klikać sam. Nie wiem czy dobrze to wszystko naipsałem. No chyba, że wtedy steruje światłami pozycyjnymi i tak jak wyżej pisaliśmy można nimi poprzez przekaźnik sterować zapalaniem drl i gaszeniem mijania
ide sprawdzić jeszcze to



- AdamT
- Zasłużony dla forum
- Posty: 698
- Rejestracja: 4 sie 2013, o 09:30
- Reputacja: 3
- Imię: Adam
- Samochód: Octavia III FL
- Silnik:
- Lokalizacja: SRC
- Kontakt:
Re: DRL koncept w kloszach p-mgielnych,ograniczona moc PWM
Marcinowi chodziło o to, że światła pozycyjne wykorzystywane są do sterownia światłami do jazdy dziennej (jak pozycje są włączone, to DRL wyłączone i na odwrót). Jak włączysz mijania to zapalają się pozycyjne, jak wyłączysz mijania klikiem w lewo to i pozycja jest wyłączana. Moduł barusa sprawdza napięcie na czujniku i odpowiednio "klika" żeby włączyć/wyłączyć światła.
Peugeot 308SW Hybrid 225 GT Pack
Skoda Octavia III FL 1.4TSI 150KM Style + to i tamto
był Cruze 1.6 HB LT+ Premium, Samsung Galaxy Tab 2 7" on-board
Skoda Octavia III FL 1.4TSI 150KM Style + to i tamto

był Cruze 1.6 HB LT+ Premium, Samsung Galaxy Tab 2 7" on-board
- wszim
- Zasłużony dla forum
- Posty: 15495
- Rejestracja: 10 paź 2013, o 22:04
- Reputacja: 146
- Imię: Wojtek
- Samochód: był orlando
- Silnik: 1.8 2H0 141KM (KL7)
- LPG: BRC SQ24
- Inny samochód: toyota RAV4 2.5 hybrid 4x4 222KM
- Lokalizacja: Nowy Sącz
- Kontakt:
Re: DRL koncept w kloszach p-mgielnych,ograniczona moc PWM
Przyznam, że w świetle tego jak opisujesz zachowanie to nie rozumiem słów ani barusa ani Avatara.
Czyli twój układ wyłącza też zmierzchówkę? Jak tak to trochę kicha.barus pisze: Tak działa moja automatyka, że uruchamiając auto w dzień wyłącza automatykę fabryczną, ale np. przy starcie w nocy już tej automatyki nie wyłącza.
Marcin czytaj co napisał Darek. Jak kliknie raz to już po ptokach bo zmierzchówka mu nie działa.Avatar pisze:Twoja automatyka działa bardzo dobrze tj.:
Uruchomienie w dzień: Twój moduł wyłącza skandynawie poprzez kliknięcie w lewo (swiatla mijania nie uruchamiają się w żadnej chwili). Cały czas analizuje natężenie światła z czujnika zmierzchu gdyż jest do niego podłączony bezpośrednio, jak wyczuje tunel robi klik w lewo żeby włączyć światła, jak wyjdziesz z tunel znów klik żeby je wyłączyć i uruchomić ponownie DRL.

- wszim
- Zasłużony dla forum
- Posty: 15495
- Rejestracja: 10 paź 2013, o 22:04
- Reputacja: 146
- Imię: Wojtek
- Samochód: był orlando
- Silnik: 1.8 2H0 141KM (KL7)
- LPG: BRC SQ24
- Inny samochód: toyota RAV4 2.5 hybrid 4x4 222KM
- Lokalizacja: Nowy Sącz
- Kontakt:
Re: DRL koncept w kloszach p-mgielnych,ograniczona moc PWM
Aaaaa to panowie jest jeszcze jakis inny moduł barusa niż ten zalinkowany? Taki który niezależnie jeszcze kontroluje czujnik? Więc tu jest chyba niezrozumienie.AdamT pisze:Marcinowi chodziło o to, że światła pozycyjne wykorzystywane są do sterownia światłami do jazdy dziennej (jak pozycje są włączone, to DRL wyłączone i na odwrót). Jak włączysz mijania to zapalają się pozycyjne, jak wyłączysz mijania klikiem w lewo to i pozycja jest wyłączana. Moduł barusa sprawdza napięcie na czujniku i odpowiednio "klika" żeby włączyć/wyłączyć światła.

-
- Specjalista
- Posty: 308
- Rejestracja: 28 lut 2015, o 19:33
- Reputacja: 1
- Imię: Darek
- Samochód: Cruze 2.0 VCDI
- Silnik:
- Lokalizacja: Będzin
- Kontakt:
Re: DRL koncept w kloszach p-mgielnych,ograniczona moc PWM
Zmierzchówka działa mi tylko na wnętrze auta, nie steruje ani światłami mijania ani pozycyjnymi, byłem teraz jeszcze sprawdziłem pozycyjne. Nie steruje żadnym światłem na zewnątrz auta
-
- Specjalista
- Posty: 308
- Rejestracja: 28 lut 2015, o 19:33
- Reputacja: 1
- Imię: Darek
- Samochód: Cruze 2.0 VCDI
- Silnik:
- Lokalizacja: Będzin
- Kontakt:
Re: DRL koncept w kloszach p-mgielnych,ograniczona moc PWM
Dla mnie chyba idealne rozwiązanie to wzięcie sygnału z tego czujnika lub np. podświetlenia klawiszy i wysterowanie nim kliku załącz i kliku wyłącz światła mijania
a poźniej przez przekaźnik dziennymi

-
- Specjalista
- Posty: 308
- Rejestracja: 28 lut 2015, o 19:33
- Reputacja: 1
- Imię: Darek
- Samochód: Cruze 2.0 VCDI
- Silnik:
- Lokalizacja: Będzin
- Kontakt:
Re: DRL koncept w kloszach p-mgielnych,ograniczona moc PWM
Czy nie tak mniej więcej działa moduł barusa? 

- AdamT
- Zasłużony dla forum
- Posty: 698
- Rejestracja: 4 sie 2013, o 09:30
- Reputacja: 3
- Imię: Adam
- Samochód: Octavia III FL
- Silnik:
- Lokalizacja: SRC
- Kontakt:
Re: DRL koncept w kloszach p-mgielnych,ograniczona moc PWM
Jeszcze raz i od początku 
Światła mijania u mnie, Avatara, Barusa i Pacdara włączają się po odpaleniu silnika. Podczas jazdy czujnik działa, ale realnie steruje on w ciągu dnia w zależności od natężenia światła tylko podświetleniem deski rozdzielczej. Mając przełącznik z funkcją AUTO klikając raz w lewo wyłączamy światła mijania łącznie z czujnikiem zmierzchu (światła nie zapalą się po wjechaniu w najczarniejsze zakątki świata
). Ponowne kliknięcie w lewo włącza światła mijania i czujnik (razem z całą jego ułomnością).
Rozwiązania problemu:
1. Wyłączenie funkcji automatycznego zapalania świateł mijania w serwisie (jak wiadomo nie jest to już możliwe - mi się udało). Wtedy czujnik działa tak jak powinien: w ciągu dnia nie zapala świateł mijania, włączy je po wjechaniu w tunel lub gdy zrobi się ciemno. Jak wyjedziemy z tunelu światła automatycznie zostaną wyłączone.
2. Moduł barusa: gdy czujnik "widzi" dzień moduł klika w lewo żeby wyłączyć światła mijania. Gdy moduł na podstawie napięcia z czujnika stwierdzi że jest noc/tunel klika w lewo żeby zapalić światła. Jeśli wyjedziemy z tunelu klika w lewo żeby je zgasić. Moduł barusa wykorzystuje fabryczny czujnik zmierzchu. Wpinamy się we wiązkę która idzie od niego do BCM.
3. Moduł wszim też jest po modyfikacji do wykorzystania. Można zastosować dodatkowy czujnik zmierzchu lub wykorzystać fabryczny (wpięcie się w jego sygnał przekazywany do BCM). Soft jest do modyfikacji na jeden klik zamiast dwóch. Obsługa czujnika zmierzchu w module jest, kwestia tylko z którego korzystamy i dopasowania poziomów do sterowania klikiem. Zasada działania taka jak u barusa.
Osobną kwestią jest sterowanie włączeniem/wyłączeniem świateł do jazdy dziennej. Jak pisał avatar sygnałem sterującym może być napięcie lub jego brak na światłach pozycyjnych. Mając zapalone minimum światła pozycyjne, DRL nie mogą się świecić.

Światła mijania u mnie, Avatara, Barusa i Pacdara włączają się po odpaleniu silnika. Podczas jazdy czujnik działa, ale realnie steruje on w ciągu dnia w zależności od natężenia światła tylko podświetleniem deski rozdzielczej. Mając przełącznik z funkcją AUTO klikając raz w lewo wyłączamy światła mijania łącznie z czujnikiem zmierzchu (światła nie zapalą się po wjechaniu w najczarniejsze zakątki świata

Rozwiązania problemu:
1. Wyłączenie funkcji automatycznego zapalania świateł mijania w serwisie (jak wiadomo nie jest to już możliwe - mi się udało). Wtedy czujnik działa tak jak powinien: w ciągu dnia nie zapala świateł mijania, włączy je po wjechaniu w tunel lub gdy zrobi się ciemno. Jak wyjedziemy z tunelu światła automatycznie zostaną wyłączone.
2. Moduł barusa: gdy czujnik "widzi" dzień moduł klika w lewo żeby wyłączyć światła mijania. Gdy moduł na podstawie napięcia z czujnika stwierdzi że jest noc/tunel klika w lewo żeby zapalić światła. Jeśli wyjedziemy z tunelu klika w lewo żeby je zgasić. Moduł barusa wykorzystuje fabryczny czujnik zmierzchu. Wpinamy się we wiązkę która idzie od niego do BCM.
3. Moduł wszim też jest po modyfikacji do wykorzystania. Można zastosować dodatkowy czujnik zmierzchu lub wykorzystać fabryczny (wpięcie się w jego sygnał przekazywany do BCM). Soft jest do modyfikacji na jeden klik zamiast dwóch. Obsługa czujnika zmierzchu w module jest, kwestia tylko z którego korzystamy i dopasowania poziomów do sterowania klikiem. Zasada działania taka jak u barusa.
Osobną kwestią jest sterowanie włączeniem/wyłączeniem świateł do jazdy dziennej. Jak pisał avatar sygnałem sterującym może być napięcie lub jego brak na światłach pozycyjnych. Mając zapalone minimum światła pozycyjne, DRL nie mogą się świecić.
Peugeot 308SW Hybrid 225 GT Pack
Skoda Octavia III FL 1.4TSI 150KM Style + to i tamto
był Cruze 1.6 HB LT+ Premium, Samsung Galaxy Tab 2 7" on-board
Skoda Octavia III FL 1.4TSI 150KM Style + to i tamto

był Cruze 1.6 HB LT+ Premium, Samsung Galaxy Tab 2 7" on-board
-
- Specjalista
- Posty: 308
- Rejestracja: 28 lut 2015, o 19:33
- Reputacja: 1
- Imię: Darek
- Samochód: Cruze 2.0 VCDI
- Silnik:
- Lokalizacja: Będzin
- Kontakt:
Re: DRL koncept w kloszach p-mgielnych,ograniczona moc PWM
No i wreszcie chyba wszystko zrozumiałem i jak nic pasował będzie u mnie moduł barusa - właśnie o to mi chodziło, światła DRL to już inny temat
Adam dzięki wielkie za łopatologiczne wytłumaczenie 


-
- Wymiatacz
- Posty: 1616
- Rejestracja: 9 sty 2014, o 16:53
- Reputacja: 35
- Imię: Czesław
- Samochód: Cruze1.8LT+Prem, LPG
- Silnik:
- Lokalizacja: Bielsko-B
- Kontakt:
Re: DRL koncept w kloszach p-mgielnych,ograniczona moc PWM
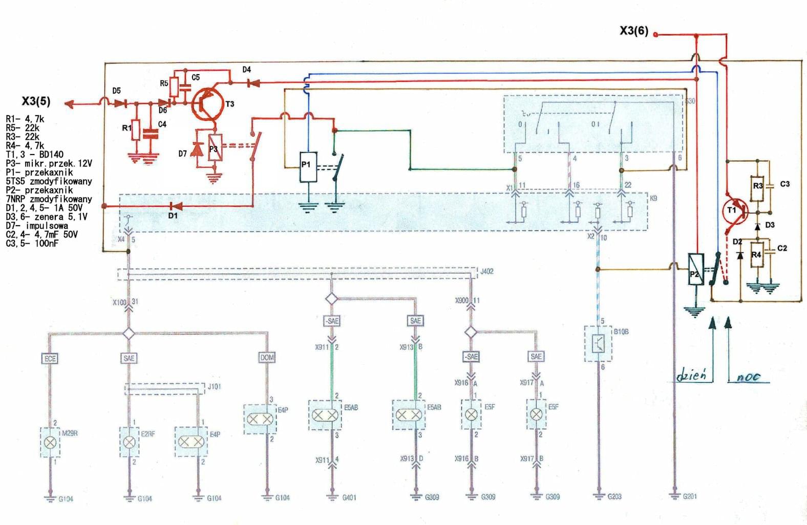
Umieszczam tutaj dwa schematy mojego modułu.


Dodam jeszcze, że obydwa przekaźniki wymagają modyfikacji na potrzeby tego układu, w jednym trzeba dodać pin (dodatkowe złącze) na wyprowadzenie jego resetu sterowany minusem a na drugim 7NRP wymienić kilka rezystorów SMD, potencjometr oraz dorobić obwód opóźniający załącz/wyłącz.


Dodam jeszcze, że obydwa przekaźniki wymagają modyfikacji na potrzeby tego układu, w jednym trzeba dodać pin (dodatkowe złącze) na wyprowadzenie jego resetu sterowany minusem a na drugim 7NRP wymienić kilka rezystorów SMD, potencjometr oraz dorobić obwód opóźniający załącz/wyłącz.
Ostatnio zmieniony 16 cze 2015, o 20:51 przez barus, łącznie zmieniany 2 razy.
- wszim
- Zasłużony dla forum
- Posty: 15495
- Rejestracja: 10 paź 2013, o 22:04
- Reputacja: 146
- Imię: Wojtek
- Samochód: był orlando
- Silnik: 1.8 2H0 141KM (KL7)
- LPG: BRC SQ24
- Inny samochód: toyota RAV4 2.5 hybrid 4x4 222KM
- Lokalizacja: Nowy Sącz
- Kontakt:
Re: DRL koncept w kloszach p-mgielnych,ograniczona moc PWM
Ja też.
Wcześniej inaczej sprawę interpretowałem bo nie ma obecnie dostępu do właściwego schematu układu barusa, tylko to zostało

a to nie jest raczej układ o którym pisze AdamT. Reszta zniknęła z darmowych hostingów zdjęć.
Sądzę też że można poprosić naszych adminów o wycięcie dyskusji od postu 3285 viewtopic.php?f=76&t=1720&start=25#p32805 i wstawienie w wątek
viewtopic.php?f=76&t=887&start=200
albo może tu
viewtopic.php?f=29&t=215&start=425
bośmy się rozhulali nie na temat. I fajnie gdyby udało się znów odnowić ten schemat barusa. Niestety te darmowe hostingi sa dobre do czasu ..gdy foty z nich znikają. Ja tez mam teraz dylemat bo używałem przez długi czas http://www.iv.pl/ a teraz każą sobie płacić za utrzymanie fotów 1,23/miesiąc. Niby nie dużo, dlatego na razie przedłużam i płacę
.
To, że światła DRL potrzebują osobnej logiki zapalania i gaszenia wgl pozycyjnych to mniemam że dla wszystkich jest jasne i tłumaczenie tego nie jest potrzebne. Niektóre układy DRL zawierają to w swim module, a dla prostych lampek trzeba sobie dodać samemu ten przekaźnik.

a to nie jest raczej układ o którym pisze AdamT. Reszta zniknęła z darmowych hostingów zdjęć.
Chyba to było tobarus pisze: W złączniku podaję linki do dwóch schematów jeden na przekaźniku a drugi na tranzystorze polowym.
http://zapodaj.net/2a235a3ae321d.jpg.html
http://zapodaj.net/5f9f36af3ab0b.jpg.html
Urządzenie to ingeruje w układ oświetlenia tylko jeden raz, zawsze przy uruchamianiu silnika, lub w ogóle nie ingeruje kiedy w trakcie uruchamiania silnika światła pozycyjne lub mijania są już załączone.
Do schematu z BS 170: R1=4,7k, R2=100k, R3=1k, R5=22k, T2=BS170, T3=BD140, D1,4,5=1A 50V, D6=5,1V, C1,5=100nF, C4=4,7nF.

Sądzę też że można poprosić naszych adminów o wycięcie dyskusji od postu 3285 viewtopic.php?f=76&t=1720&start=25#p32805 i wstawienie w wątek
viewtopic.php?f=76&t=887&start=200
albo może tu
viewtopic.php?f=29&t=215&start=425
bośmy się rozhulali nie na temat. I fajnie gdyby udało się znów odnowić ten schemat barusa. Niestety te darmowe hostingi sa dobre do czasu ..gdy foty z nich znikają. Ja tez mam teraz dylemat bo używałem przez długi czas http://www.iv.pl/ a teraz każą sobie płacić za utrzymanie fotów 1,23/miesiąc. Niby nie dużo, dlatego na razie przedłużam i płacę

To, że światła DRL potrzebują osobnej logiki zapalania i gaszenia wgl pozycyjnych to mniemam że dla wszystkich jest jasne i tłumaczenie tego nie jest potrzebne. Niektóre układy DRL zawierają to w swim module, a dla prostych lampek trzeba sobie dodać samemu ten przekaźnik.

-
- Specjalista
- Posty: 308
- Rejestracja: 28 lut 2015, o 19:33
- Reputacja: 1
- Imię: Darek
- Samochód: Cruze 2.0 VCDI
- Silnik:
- Lokalizacja: Będzin
- Kontakt:
Re: DRL koncept w kloszach p-mgielnych,ograniczona moc PWM



- wszim
- Zasłużony dla forum
- Posty: 15495
- Rejestracja: 10 paź 2013, o 22:04
- Reputacja: 146
- Imię: Wojtek
- Samochód: był orlando
- Silnik: 1.8 2H0 141KM (KL7)
- LPG: BRC SQ24
- Inny samochód: toyota RAV4 2.5 hybrid 4x4 222KM
- Lokalizacja: Nowy Sącz
- Kontakt:
Re: DRL koncept w kloszach p-mgielnych,ograniczona moc PWM
barus pisze:Umieszczam tutaj dwa schematy mojego modułu.




-
- Specjalista
- Posty: 308
- Rejestracja: 28 lut 2015, o 19:33
- Reputacja: 1
- Imię: Darek
- Samochód: Cruze 2.0 VCDI
- Silnik:
- Lokalizacja: Będzin
- Kontakt:
Re: DRL koncept w kloszach p-mgielnych,ograniczona moc PWM
Nie dam rady
, w życiu a jeśli już to zajęłoby mi to chyba wieki
napisałem prośbę na priv do kolegi barusa i czekam na odpowiedź, chyba że może wojtek mi pomoże? 



-
- Wymiatacz
- Posty: 1616
- Rejestracja: 9 sty 2014, o 16:53
- Reputacja: 35
- Imię: Czesław
- Samochód: Cruze1.8LT+Prem, LPG
- Silnik:
- Lokalizacja: Bielsko-B
- Kontakt:
Re: DRL koncept w kloszach p-mgielnych,ograniczona moc PWM
Najgorszą i upierdliwą robotą jest wymiana rezystorów mikro SMD oraz dobranie gabarytu potencjometru 1kom, wzrok już nie ten i bez lupy ani rusz, bo dorobienie resetu i linii opóźniającej to mały pikuś. Dlatego bardzo się wzbraniam od wykonywania tych modułów.
-
- Specjalista
- Posty: 308
- Rejestracja: 28 lut 2015, o 19:33
- Reputacja: 1
- Imię: Darek
- Samochód: Cruze 2.0 VCDI
- Silnik:
- Lokalizacja: Będzin
- Kontakt:
Re: DRL koncept w kloszach p-mgielnych,ograniczona moc PWM
No nie, jednak nawet gdyby miało trwać to wieki to i tak nie dam rady, te piny jakieś dodatkowe, rezystory smd, JAKAŚ MASAKRA
-
- Specjalista
- Posty: 308
- Rejestracja: 28 lut 2015, o 19:33
- Reputacja: 1
- Imię: Darek
- Samochód: Cruze 2.0 VCDI
- Silnik:
- Lokalizacja: Będzin
- Kontakt:
Re: DRL koncept w kloszach p-mgielnych,ograniczona moc PWM
Barus z tym wzrokiem to masz jak ja, w okularach i czasem jeszcze biorę dodatkowo lupę
wojtek a ty co o tym myślisz? znalazłbyś jakąs chwile? to nie jest pilna sprawa bo jezcze nie zdecydowałem nawet jakie drl-y zamontować ale wam ostatnio na zlocie pozazdrościłem i też bym chciał je mieć 


Kto jest online
Użytkownicy przeglądający to forum: Obecnie na forum nie ma żadnego zarejestrowanego użytkownika i 1 gość