

Wysłane z mojego HTC One przy użyciu Tapatalka
Chevi09 pisze:Układ generuje faktycznie 1 klik w momencie kręcenia rozrusznikiem, u mnie światła zapalają się dopiero po uruchomieniu silnika. Więc klik się kończy a światła zapalają.etac_owiec pisze:Ale wlasnie ten uklad mial generowac jeden klik![]()
Dopiero nowsze modele chcialy 2 kliki
Najwazniejsze ze z mala podpowiedzial uklad dziła i jest efekt.
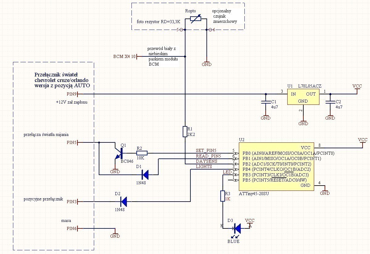
W związku z tym musiałem założyć coś co będzie generowało klik gdy silnik się uruchomi - czyli po powrocie kluczyka z pozycji starter. W ten sposób światła zapalają się i momentalnie gasną.
Sprawdziłem w różnych wariantach czy np. później gdy były zgaszone nie zapalą się, ale nie, zawsze próbują się zapalić i gasną. W wolnej chwili gdy to porozbieram zrobię foto i opiszę sposób podłączenia - 3 kabelki.
Nie mnie. To Barus wynalazł ogień. Ja go tylko zręcznie przeniosłem na palenisko.maro pisze:Przebrnąłem.
Wszim jestem od dziś Twoim fanem.
Panowie. Ręce same składają się do braw.
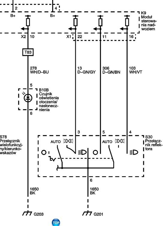
Chodzi o system start/stop w cruzie 1.4T aktualnie po każdym uruchomieniu auta trzeba nacisnąć przycisk "ECO" żeby wyłączyć to ustrojstwo. Domyślnie system jest zawsze włączony przy uruchomieniu auta. Idealnie byłoby gdyby domyślnie był wyłączony albo zastosować jakieś urządzenie które by po uruchomieniu auta robiło to za nas podając / zwierając odpowiednie piny.wszim pisze:sobotaa: rozwiń myśl
Oczywiście nie umniejszając Barusowiwszim pisze:Nie mnie. To Barus wynalazł ogień. Ja go tylko zręcznie przeniosłem na palenisko.maro pisze:Przebrnąłem.
Wszim jestem od dziś Twoim fanem.
Panowie. Ręce same składają się do braw.
Jaki jest rok produkcji twojego samochodu?maro pisze:Przebrnąłem.
Wszim jestem od dziś Twoim fanem.
Panowie. Ręce same składają się do braw.
Na spocie Łukasza i Rafala przemęczę
maro pisze:Oczywiście nie umniejszając Barusowiwszim pisze:Nie mnie. To Barus wynalazł ogień. Ja go tylko zręcznie przeniosłem na palenisko.maro pisze:Przebrnąłem.
Wszim jestem od dziś Twoim fanem.
Panowie. Ręce same składają się do braw.![]()
Panowie szacun
Może trochę rozwiń temat bo nie bardzo kumam o co chodzi?paulr pisze:wy tu o jakiś wersjach a jak pisałem znajomy kupił u kanclerza w 2012 roku auto z 11 i normalnie wcale nie ma świateł w automacie:)
Uzywany czy nowy byl ten samochod w momencie kupna?paulr pisze:wy tu o jakiś wersjach a jak pisałem znajomy kupił u kanclerza w 2012 roku auto z 11 i normalnie wcale nie ma świateł w automacie:)
Użytkownicy przeglądający to forum: Obecnie na forum nie ma żadnego zarejestrowanego użytkownika i 1 gość