Działanie klimatyzacji

Nie świeci, nie kręci i inne tematy związane z elektryką i elektroniką
ODPOWIEDZ
Dante_21
Stały bywalec
Posty: 216
Rejestracja: 28 lis 2018, o 12:45
Reputacja: 1
Imię: Daniel
Samochód: Chevrolet orlando
Silnik: 1.8, 141KM, benz.
LPG: LPG
Lokalizacja: Wrocław
Kontakt:

Re: Działanie klimatyzacji

Post autor: Dante_21 » 20 sty 2023, o 08:36

Chciałem podpytać, bo dzisiaj chciałem żeby szybciej odparowały szyby i włączyłem klimę. Ale zauważyłem, że coś słabo odparowuje. Zajrzałem pod maskę i kompresor się nie uruchamiał.

Zacznę od sprawdzenia bezpiecznika. Mogę prosić o podanie który bezpiecznik odpowiada za klimatyzację.

Orlando 1.8

Dodano po 5 minutach 16 sekundach:
Chyba znalazłem w Google. Nr 62, proszę o potwierdzenie.

A jeśli nie bezpiecznik, to gdzie dalej szukać?

Awatar użytkownika
bubu1769
Administrator
Posty: 6869
Rejestracja: 5 wrz 2018, o 16:40
Reputacja: 457
Imię: Bartłomiej
Samochód: Aveo T250
Silnik: 1.4 101KM
Inny samochód: Orlando 1.4T, Meriva A 1.8
Lokalizacja: Kalisz
Kontakt:

Re: Działanie klimatyzacji

Post autor: bubu1769 » 20 sty 2023, o 10:07

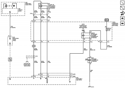
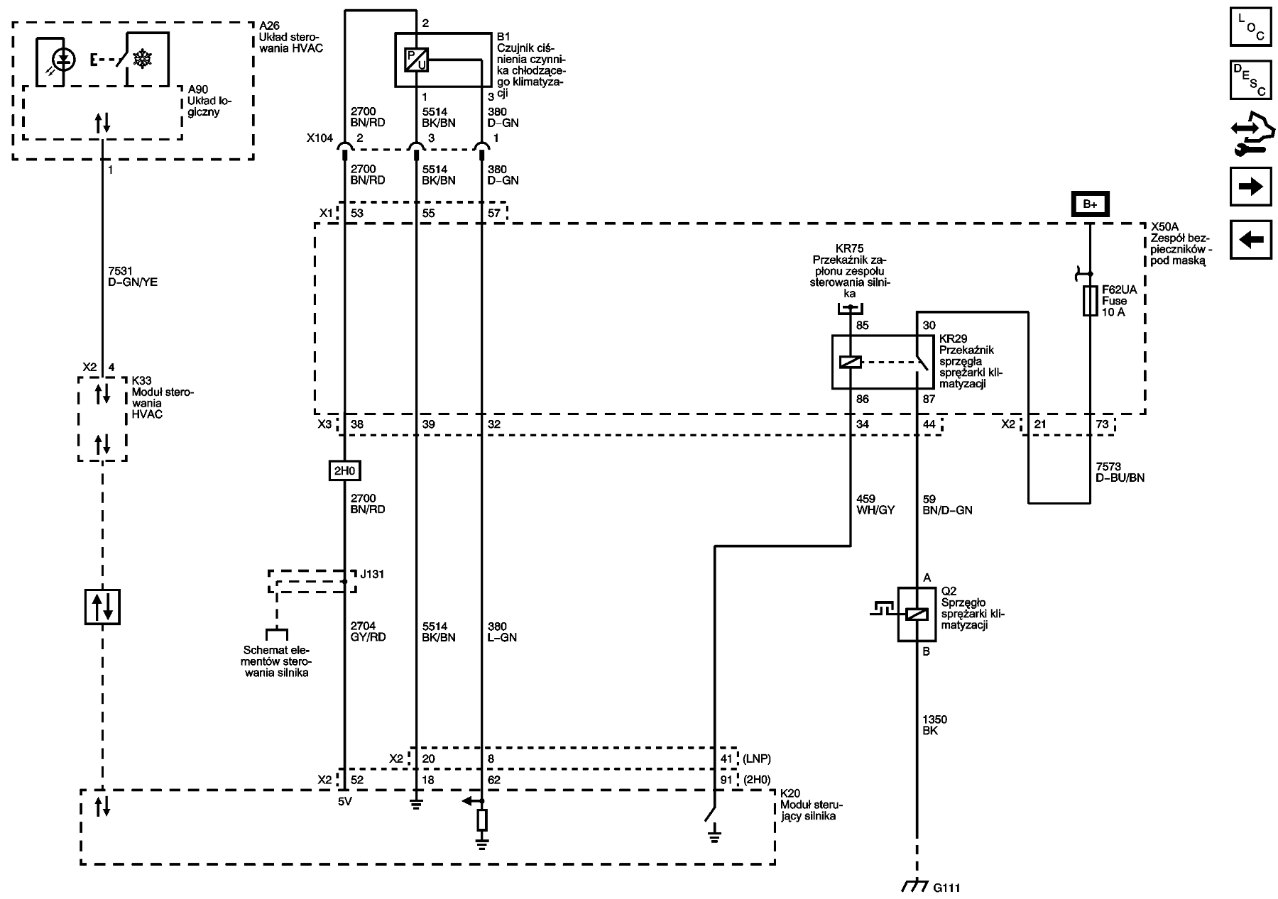
Jest jeszcze przekaźnik KR29.
2503809PL.png

Dante_21
Stały bywalec
Posty: 216
Rejestracja: 28 lis 2018, o 12:45
Reputacja: 1
Imię: Daniel
Samochód: Chevrolet orlando
Silnik: 1.8, 141KM, benz.
LPG: LPG
Lokalizacja: Wrocław
Kontakt:

Re: Działanie klimatyzacji

Post autor: Dante_21 » 20 sty 2023, o 10:49

A ten przekaźnik KR29, to gdzie go szukać.

Awatar użytkownika
bubu1769
Administrator
Posty: 6869
Rejestracja: 5 wrz 2018, o 16:40
Reputacja: 457
Imię: Bartłomiej
Samochód: Aveo T250
Silnik: 1.4 101KM
Inny samochód: Orlando 1.4T, Meriva A 1.8
Lokalizacja: Kalisz
Kontakt:

Re: Działanie klimatyzacji

Post autor: bubu1769 » 20 sty 2023, o 11:29

Masz pokazane na rozpisce, przekaźnik nr 1.

Dante_21
Stały bywalec
Posty: 216
Rejestracja: 28 lis 2018, o 12:45
Reputacja: 1
Imię: Daniel
Samochód: Chevrolet orlando
Silnik: 1.8, 141KM, benz.
LPG: LPG
Lokalizacja: Wrocław
Kontakt:

Re: Działanie klimatyzacji

Post autor: Dante_21 » 20 sty 2023, o 11:39

No ten już wymieniłem. Nie poszło.

Podjadę jeszcze żeby sprawdzić czy jest czynnik, chociaż w czerwcu nabijałem i mało brakowało.

Co jeszcze można sprawdzić?

Awatar użytkownika
bubu1769
Administrator
Posty: 6869
Rejestracja: 5 wrz 2018, o 16:40
Reputacja: 457
Imię: Bartłomiej
Samochód: Aveo T250
Silnik: 1.4 101KM
Inny samochód: Orlando 1.4T, Meriva A 1.8
Lokalizacja: Kalisz
Kontakt:

Re: Działanie klimatyzacji

Post autor: bubu1769 » 20 sty 2023, o 11:48

Ja bym sprawdził jeszcze czy przekaźnik dostaje sygnał z ECM oraz czy jak się go na chwilę pominie to czy sprężarka się załączy.

Awatar użytkownika
etac
Prezes
Posty: 24968
Rejestracja: 4 sie 2013, o 00:31
Reputacja: 300
Imię: Krzysztof
Samochód: Opel Astra L ST
Silnik: 1.2T Pure Tech
LPG: NIE
Inny samochód: Yamaha X-MAX Tech Max
Lokalizacja: SBE
Kontakt:

Re: Działanie klimatyzacji

Post autor: etac » 20 sty 2023, o 12:27

Dante_21 pisze:
20 sty 2023, o 08:42
Chciałem podpytać, bo dzisiaj chciałem żeby szybciej odparowały szyby i włączyłem klimę. Ale zauważyłem, że coś słabo odparowuje. Zajrzałem pod maskę i kompresor się nie uruchamiał.

Zacznę od sprawdzenia bezpiecznika. Mogę prosić o podanie który bezpiecznik odpowiada za klimatyzację.

Orlando 1.8

Dodano po 5 minutach 16 sekundach:
Chyba znalazłem w Google. Nr 62, proszę o potwierdzenie.

A jeśli nie bezpiecznik, to gdzie dalej szukać?
Klima nie odpali się poniżej 5 stopni na zewnatrz
Lekcje prywatne są odpłatne, pytania na forum są darmowe

ODPOWIEDZ

Wróć do „Orlando Elektryka/Elektronika”

Kto jest online

Użytkownicy przeglądający to forum: Obecnie na forum nie ma żadnego zarejestrowanego użytkownika i 1 gość