Podgrzewane siedzenia / doposażenie
-
- Aktywny
- Posty: 63
- Rejestracja: 8 lis 2018, o 08:01
- Reputacja: 0
- Imię: Marek
- Samochód: Orlando 2.0 LTZ 163
- Silnik: Chip 200KM / DPF OFF
- Lokalizacja: Szczecinek
- Kontakt:
Podgrzewane siedzenia / doposażenie
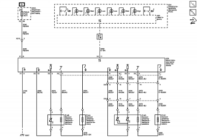
Witam. Chodzi mi po głowie doposażenie mojego Olka w grzane siedzenia. Ktoś może już doposażał i wie jak to wygląda? Czy wystarczy zmiana panelu klimatyzacji i wpiąć przewody mat grzewczych fotela? Czy trzeba coś programować? Czy należy dołożyć instalację? Czy maty w fotelach muszą być oryginalne?
Niestety nie znalazłem schematu ani jednoznacznych odpowiedzi.
Niestety nie znalazłem schematu ani jednoznacznych odpowiedzi.
Marek
- etac
- Prezes
- Posty: 24970
- Rejestracja: 4 sie 2013, o 00:31
- Reputacja: 301
- Imię: Krzysztof
- Samochód: Opel Astra L ST
- Silnik: 1.2T Pure Tech
- LPG: NIE
- Inny samochód: Yamaha X-MAX Tech Max
- Lokalizacja: SBE
- Kontakt:
Re: Podgrzewane siedzenia / doposażenie
Żeby mieć oryginał:
- panel z przyciskiem siedzeń
- programowanie modułu HVAC
- maty dla siedziska i oparcia, muszą być oryginalne ze względu na zaprogramowane oporności.
- instalacja elektryczna miedzy modułem HVAC, a siedzeniami
Nie opłacalne.
Możesz założyć chiński zestaw za 100 zł i efekt będzie podobny.
- panel z przyciskiem siedzeń
- programowanie modułu HVAC
- maty dla siedziska i oparcia, muszą być oryginalne ze względu na zaprogramowane oporności.
- instalacja elektryczna miedzy modułem HVAC, a siedzeniami
Nie opłacalne.
Możesz założyć chiński zestaw za 100 zł i efekt będzie podobny.
Lekcje prywatne są odpłatne, pytania na forum są darmowe
-
- Aktywny
- Posty: 63
- Rejestracja: 8 lis 2018, o 08:01
- Reputacja: 0
- Imię: Marek
- Samochód: Orlando 2.0 LTZ 163
- Silnik: Chip 200KM / DPF OFF
- Lokalizacja: Szczecinek
- Kontakt:
Re: Podgrzewane siedzenia / doposażenie
Rozumiem. Dziękuję za odpowiedź. Przyszło mi na myśl jeszcze jedno rozwiązanie. Wykorzystanie oryginalnych przycisków podgrzewania siedzeń do sterowania uniwersalnymi matami. Przerobić fotel i dołożyć grzanie fizycznie to nie jest ogromny problem. Aby to zweryfikować potrzebowałbym schemat oryginału. Niestety link do TIS nie działa.
Ostatnio zmieniony 6 sty 2020, o 14:36 przez Mandrol, łącznie zmieniany 1 raz.
Powód: potrzebował bym = potrzebowałbym
Powód: potrzebował bym = potrzebowałbym
Marek
- etac
- Prezes
- Posty: 24970
- Rejestracja: 4 sie 2013, o 00:31
- Reputacja: 301
- Imię: Krzysztof
- Samochód: Opel Astra L ST
- Silnik: 1.2T Pure Tech
- LPG: NIE
- Inny samochód: Yamaha X-MAX Tech Max
- Lokalizacja: SBE
- Kontakt:
Re: Podgrzewane siedzenia / doposażenie
schemat ci nie pomoże, bo schemat jest modułowy, więc sygnały idą po CAN. Przyciski są na mikro stykach bistabilnych, czy jak one się zwą, więc musisz zrobić własny moduł do sterowania matami, a użyjesz przycisków po rozebraniu modułu z auta.
Lekcje prywatne są odpłatne, pytania na forum są darmowe
- bubu1769
- Administrator
- Posty: 6870
- Rejestracja: 5 wrz 2018, o 16:40
- Reputacja: 457
- Imię: Bartłomiej
- Samochód: Aveo T250
- Silnik: 1.4 101KM
- Inny samochód: Orlando 1.4T, Meriva A 1.8
- Lokalizacja: Kalisz
- Kontakt:
Re: Podgrzewane siedzenia / doposażenie
Wedle schematów przyciski od sterowania podgrzewaniem foteli są monostabilne więc żeby je wykorzystać to trzeba by dorzucić przynajmniej układ "włącz/wyłącz jednym przyciskiem".
Z tego co widzę to w module od przycisków są jeszcze kontrolki sygnalizujące prace w jednym z trzech trybów LOW, MED, HIGH, więc ja osobiście pokombinowałbym ze zrobieniem jakiegoś prostego sterownika na Arduino z możliwością wybrania trybu LOW (połączenia mat siedziska i oparcia szeregowo) oraz trybu HIGH (połączenie równoległe), chyba żeby pójść o krok dalej i pobawić się ze zrobieniem sterownika imitującego działanie oryginalnego układu co wymagało by dołożenie czujnika temperatury do siedziska.
Ciekawi mnie tylko czemu oryginalnie w siedzisku pasażera są dwa czujniki temperatury a w siedzisku kierowcy tylko jeden.
Z tego co widzę to w module od przycisków są jeszcze kontrolki sygnalizujące prace w jednym z trzech trybów LOW, MED, HIGH, więc ja osobiście pokombinowałbym ze zrobieniem jakiegoś prostego sterownika na Arduino z możliwością wybrania trybu LOW (połączenia mat siedziska i oparcia szeregowo) oraz trybu HIGH (połączenie równoległe), chyba żeby pójść o krok dalej i pobawić się ze zrobieniem sterownika imitującego działanie oryginalnego układu co wymagało by dołożenie czujnika temperatury do siedziska.
Ciekawi mnie tylko czemu oryginalnie w siedzisku pasażera są dwa czujniki temperatury a w siedzisku kierowcy tylko jeden.
-
- Aktywny
- Posty: 63
- Rejestracja: 8 lis 2018, o 08:01
- Reputacja: 0
- Imię: Marek
- Samochód: Orlando 2.0 LTZ 163
- Silnik: Chip 200KM / DPF OFF
- Lokalizacja: Szczecinek
- Kontakt:
Re: Podgrzewane siedzenia / doposażenie
A czy przełożenie modułu klimatyzacji jest bezproblemowe? Nic nie trzeba programować? Chodzi o zamianę modułu bez grzania na taki z grzaniem. Zrobienie sterownika pod przycisk i oryginalne diody to nie problem. Aby mieć schemat by się przygotować co będzie potrzebne.
Marek
- etac
- Prezes
- Posty: 24970
- Rejestracja: 4 sie 2013, o 00:31
- Reputacja: 301
- Imię: Krzysztof
- Samochód: Opel Astra L ST
- Silnik: 1.2T Pure Tech
- LPG: NIE
- Inny samochód: Yamaha X-MAX Tech Max
- Lokalizacja: SBE
- Kontakt:
Re: Podgrzewane siedzenia / doposażenie
Moduł można przełożyć, ale są duże szanse ze będzie trzeba go programować. Raz jeszcze schemat nie pomoże ci w niczym.
Musisz sam rozebrać płytkę, ustalić ścieżki i działanie przycisków. W schemacie będzie tylko moduł i gdzie są wpięte maty, ale przecież już wskazano, ze moduł działa tylko z oryginalnymi matami. Chińskie nie współpracują z oryginalną instalacją.
Musisz sam rozebrać płytkę, ustalić ścieżki i działanie przycisków. W schemacie będzie tylko moduł i gdzie są wpięte maty, ale przecież już wskazano, ze moduł działa tylko z oryginalnymi matami. Chińskie nie współpracują z oryginalną instalacją.
Lekcje prywatne są odpłatne, pytania na forum są darmowe
- bubu1769
- Administrator
- Posty: 6870
- Rejestracja: 5 wrz 2018, o 16:40
- Reputacja: 457
- Imię: Bartłomiej
- Samochód: Aveo T250
- Silnik: 1.4 101KM
- Inny samochód: Orlando 1.4T, Meriva A 1.8
- Lokalizacja: Kalisz
- Kontakt:
Re: Podgrzewane siedzenia / doposażenie
Ogólnie jak dla mnie sprawa wygląda tak:
Przyciski od ogrzewania siedzeń powinny być na oddzielnym elemencie, chyba w okolicy lewarka zmiany biegów. a moduł sterowania matami jest pod fotelem kierowcy i komunikuje się z HVAC jedną żyłą. Schemat może pomóc jedynie w wykorzystaniu oryginalnej instalacji od mat grzewczych, o ile takowa jest w samochodzie.
Jedyne ale to to że jak na razie to nigdzie nie mogę znaleźć zdjęcia tych przycisków.
Dodano po 9 minutach 34 sekundach:
Dopiero teraz dopatrzyłem ze przyciski ogrzewania siedzeń są w pokrętłach od nawiewu, TIS znowu coś miesza
W takim razie najprostsza opcja wykorzystania oryginalnych przycisków to rzeczywiście rozebranie panelu i podpięcie się pod ścieżki.
Przyciski od ogrzewania siedzeń powinny być na oddzielnym elemencie, chyba w okolicy lewarka zmiany biegów. a moduł sterowania matami jest pod fotelem kierowcy i komunikuje się z HVAC jedną żyłą. Schemat może pomóc jedynie w wykorzystaniu oryginalnej instalacji od mat grzewczych, o ile takowa jest w samochodzie.
Jedyne ale to to że jak na razie to nigdzie nie mogę znaleźć zdjęcia tych przycisków.
Dodano po 9 minutach 34 sekundach:
Dopiero teraz dopatrzyłem ze przyciski ogrzewania siedzeń są w pokrętłach od nawiewu, TIS znowu coś miesza

W takim razie najprostsza opcja wykorzystania oryginalnych przycisków to rzeczywiście rozebranie panelu i podpięcie się pod ścieżki.
-
- Aktywny
- Posty: 63
- Rejestracja: 8 lis 2018, o 08:01
- Reputacja: 0
- Imię: Marek
- Samochód: Orlando 2.0 LTZ 163
- Silnik: Chip 200KM / DPF OFF
- Lokalizacja: Szczecinek
- Kontakt:
Re: Podgrzewane siedzenia / doposażenie
Jeszcze przemyślę jak to rozwiązać i przeliczę czy warto się w to bawić.
Marek
- wszim
- Zasłużony dla forum
- Posty: 15495
- Rejestracja: 10 paź 2013, o 22:04
- Reputacja: 146
- Imię: Wojtek
- Samochód: był orlando
- Silnik: 1.8 2H0 141KM (KL7)
- LPG: BRC SQ24
- Inny samochód: toyota RAV4 2.5 hybrid 4x4 222KM
- Lokalizacja: Nowy Sącz
- Kontakt:
Re: Podgrzewane siedzenia / doposażenie
Może ja jestem jakiś nienormalny ale mnie zamiast grzania w dupsko (co i tak przy dzisiejszych zimach coraz rzadziej ma sens) przydałoby się schładzanie kierownicy (a także jej podgrzewanie). Cierpię srodze w lecie gdy po pracy wsiadam do auta i parzę się w ręce. A w niskich temperaturach ewentualnie też kierownica zlodowaciała a w rękawiczkach nie lubię kierować. W tyłek jakoś zawsze po kilkunastu sekundach jest mi ciepło od samej pianki fotela. Nie wiem, może ja mały reaktor mam w pośladkach ale zawsze mi w nie ciepło, co innego w dłonie.

- bubu1769
- Administrator
- Posty: 6870
- Rejestracja: 5 wrz 2018, o 16:40
- Reputacja: 457
- Imię: Bartłomiej
- Samochód: Aveo T250
- Silnik: 1.4 101KM
- Inny samochód: Orlando 1.4T, Meriva A 1.8
- Lokalizacja: Kalisz
- Kontakt:
- wszim
- Zasłużony dla forum
- Posty: 15495
- Rejestracja: 10 paź 2013, o 22:04
- Reputacja: 146
- Imię: Wojtek
- Samochód: był orlando
- Silnik: 1.8 2H0 141KM (KL7)
- LPG: BRC SQ24
- Inny samochód: toyota RAV4 2.5 hybrid 4x4 222KM
- Lokalizacja: Nowy Sącz
- Kontakt:
Re: Podgrzewane siedzenia / doposażenie
Może i dobry pomysł ale ten akurat nie ma koloru. 


- Regulus
- Zasłużony dla forum
- Posty: 4580
- Rejestracja: 22 mar 2014, o 20:51
- Reputacja: 26
- Imię: Andrzej
- Samochód: Cruze, Spark
- Silnik: 1.8, F18D4, 104 kW
- LPG: TAK
- Lokalizacja: Warszawa
- Kontakt:
Re: Podgrzewane siedzenia / doposażenie
IMHO nie ma koloru tylko czarna powierzchnia (0% odbicia światła) i taka nie byłaby dobra. A to ma, i futrzastość też zacna
A futro jak wiadomo jest doskonałym izolatorem. Ja bym brał i rękawiczki wont!

-
- Aktywny
- Posty: 63
- Rejestracja: 8 lis 2018, o 08:01
- Reputacja: 0
- Imię: Marek
- Samochód: Orlando 2.0 LTZ 163
- Silnik: Chip 200KM / DPF OFF
- Lokalizacja: Szczecinek
- Kontakt:
Re: Podgrzewane siedzenia / doposażenie
Co do grzania kierownicy to można kupić u Chińczyków maty na kierownicę. Podłączyć pod grzanie lusterek/szyby i powinno być ok. Jedyny problem to potrzeba rozprucia i ponownego zszycia skóry na kierownicy oraz wyprowadzenie przewodów. Z przewodami to możliwe, że dałoby radę wykorzystać przewody i złączki od handsfree jeśli nie ma w aucie.
Ostatnio zmieniony 11 sty 2020, o 11:59 przez Mandrol, łącznie zmieniany 1 raz.
Powód: dało by = dałoby
Powód: dało by = dałoby
Marek
-
- Profesjonalista
- Posty: 581
- Rejestracja: 14 lip 2017, o 17:08
- Reputacja: 27
- Imię: Eligiusz
- Samochód: Cruze 1.8 LTZ + LPG
- Silnik:
- Lokalizacja: Sępólno Krajeńskie
- Kontakt:
Re: Podgrzewane siedzenia / doposażenie
Mam podobne odczucia. Podgrzewane fotele w zimie nie służą prostacie - nagrzać sobie tyłek, a potem wyjść na lodowaty wicher. Brr.... w dłuższym przedziale czasu jest to dla faceta zabójcze.wszim pisze: ↑10 sty 2020, o 20:12Może ja jestem jakiś nienormalny ale mnie zamiast grzania w dupsko (co i tak przy dzisiejszych zimach coraz rzadziej ma sens) przydałoby się schładzanie kierownicy (a także jej podgrzewanie). Cierpię srodze w lecie gdy po pracy wsiadam do auta i parzę się w ręce. A w niskich temperaturach ewentualnie też kierownica zlodowaciała a w rękawiczkach nie lubię kierować. W tyłek jakoś zawsze po kilkunastu sekundach jest mi ciepło od samej pianki fotela. Nie wiem, może ja mały reaktor mam w pośladkach ale zawsze mi w nie ciepło, co innego w dłonie.
Za to podgrzewanie kierownicy to podstawa - w Cruze II już występuje

Z chłodzeniem sobie radzę w ten sposób, że staram się parkować tyłem do słońca, albo zasłaniam deskę/ lub szybę matą z folią aluminiową.
- etac
- Prezes
- Posty: 24970
- Rejestracja: 4 sie 2013, o 00:31
- Reputacja: 301
- Imię: Krzysztof
- Samochód: Opel Astra L ST
- Silnik: 1.2T Pure Tech
- LPG: NIE
- Inny samochód: Yamaha X-MAX Tech Max
- Lokalizacja: SBE
- Kontakt:
Re: Podgrzewane siedzenia / doposażenie
A ja mam w swoim jedno i drugie. Chwale sobie. A w Aveo tylko siedzenia są podgrzewane.
Lekcje prywatne są odpłatne, pytania na forum są darmowe
- bubu1769
- Administrator
- Posty: 6870
- Rejestracja: 5 wrz 2018, o 16:40
- Reputacja: 457
- Imię: Bartłomiej
- Samochód: Aveo T250
- Silnik: 1.4 101KM
- Inny samochód: Orlando 1.4T, Meriva A 1.8
- Lokalizacja: Kalisz
- Kontakt:
Re: Podgrzewane siedzenia / doposażenie
Super okazja w Netto

-
- Fachman
- Posty: 5139
- Rejestracja: 13 lis 2016, o 20:57
- Reputacja: 45
- Imię: Mariusz
- Samochód: Orlando 1.8 LPG LT+
- Silnik: 1.8 2HO, 141KM Pb
- LPG: BRC SQ24 Genius 1500
- Lokalizacja: Opole
- Kontakt:
Re: Podgrzewane siedzenia / doposażenie
A nie mają chłodzącego?
.
Wolałbym taki, który chłodzi w lato. W zimę mi zimna nie przeszkadza tak jak w lato gorąca.

Wolałbym taki, który chłodzi w lato. W zimę mi zimna nie przeszkadza tak jak w lato gorąca.

Ostatnio zmieniony 17 sty 2020, o 09:03 przez Mandrol, łącznie zmieniany 1 raz.
Powód: Wolał bym = Wolałbym
Powód: Wolał bym = Wolałbym
Kto jest online
Użytkownicy przeglądający to forum: Obecnie na forum nie ma żadnego zarejestrowanego użytkownika i 1 gość