- zegarek lacetti.jpg (60.2 KiB) Przejrzano 1079 razy
- Chevrolet Team Poland Strona główna Lacetti / Nubira (J200; 2002–2009) Lacetti/Nubira Elektryka / Elektronika
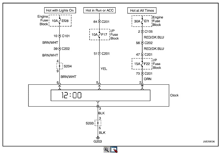
Schemat zegarka deski rozdzielczej
Nie świeci, nie kręci i inne tematy związane z elektryką i elektroniką
- etac
- Prezes
- Posty: 24970
- Rejestracja: 4 sie 2013, o 00:31
- Reputacja: 301
- Imię: Krzysztof
- Samochód: Opel Astra L ST
- Silnik: 1.2T Pure Tech
- LPG: NIE
- Inny samochód: Yamaha X-MAX Tech Max
- Lokalizacja: SBE
- Kontakt:
Schemat zegarka deski rozdzielczej
-
0
- Cytuj
Post autor: etac » 23 mar 2014, o 22:01
odciąć kabel nr 6 i zegar nie będzie reagował na włączanie świateł.
Lekcje prywatne są odpłatne, pytania na forum są darmowe
Wróć do „Lacetti/Nubira Elektryka / Elektronika”
Przejdź do
- Ogólne
- ↳ Regulamin i zasady korzystania z Forum
- ↳ Facebook Chevrolet Team Poland
- ↳ forum.chevrolet.org.pl (stare forum)
- Chevrolet Team Poland
- ↳ Powitalnia
- ↳ Z życia Chevrolet Team Poland
- ↳ Mój Chevi
- ↳ Chevrolet w Mediach
- ↳ Ciekawe Linki
- ↳ Na te pojazdy uważaj
- ↳ Spoty i inne wydarzenia
- ↳ I Krajowy Zlot Chevrolet Team Poland - 13-15.06.2014r.
- ↳ II Krajowy Zlot Chevrolet Team Poland 12-14.06.2015
- ↳ III Krajowy Zlot Chevrolet Team Poland 10-12.06.2016
- ↳ IV Krajowy Zlot Chevrolet Team Poland 16-18.06.2017
- ↳ V Krajowy Zlot Chevrolet Team Poland 31.05-3.06.2018
- ↳ VI Krajowy Zlot Chevrolet Team Poland 07.06-09.06.2019
- ↳ VII Krajowy Zlot Chevrolet Team Poland 11.-14.06.2020
- ↳ Archiwum Spotów, Zlotów, Wydarzeń
- Spark / Matiz (M200, M250; 2005–2009; M300; 2009–2015)
- ↳ Spark Mechanika
- ↳ Spark Elektryka / Elektronika
- ↳ Spark Nadwozie / Wnętrze
- ↳ Spark Ogólnie o modelu
- ↳ Spark Kampanie serwisowe / Informacje techniczne
- ↳ Spark Manuale
- ↳ Spark Instrukcje obsługi pojazdu
- ↳ Spark na forum.chevrolet.org.pl
- Aveo / Kalos (T200, T250, T255, 2004–2011 T300 2011- )
- ↳ Aveo/Kalos Mechanika
- ↳ Aveo/Kalos Elektryka Elektronika
- ↳ Aveo/Kalos Nadwozie / Wnętrze
- ↳ Aveo/Kalos Ogólnie o modelu
- ↳ Aveo/Kalos Kampanie serwisowe / Informacje techniczne
- ↳ Aveo/Kalos Manuale
- ↳ Aveo/Kalos Instrukcje obsługi pojazdu
- ↳ Aveo/Kalos na forum.chevrolet.org.pl
- Lacetti / Nubira (J200; 2002–2009)
- ↳ Lacetti/Nubira Mechanika
- ↳ Lacetti/Nubira Elektryka / Elektronika
- ↳ Lacetti/Nubira Nadwozie / Wnętrze
- ↳ Lacetti/Nubira Ogólnie o modelu
- ↳ Lacetti/Nubira Kampanie serwisowe / Informacje techniczne
- ↳ Lacetti/Nubira Manuale
- ↳ Lacetti/Nubira Instrukcje obsługi pojazdu
- ↳ Lacetti/Nubira na forum.chevrolet.org.pl
- Cruze (J300; J305 2009–2016)
- ↳ Cruze Mechanika
- ↳ Cruze Elektryka/Elektronika
- ↳ Cruze Nadwozie / Wnętrze
- ↳ Cruze Ogólnie o modelu
- ↳ Cruze Kampanie serwisowe / Informacje techniczne
- ↳ Cruze Manuale
- ↳ Cruze Instrukcje obsługi pojazdu
- ↳ Cruze na forum.chevrolet.org.pl
- Orlando (J308 2011- )
- ↳ Orlando Mechanika
- ↳ Orlando Elektryka/Elektronika
- ↳ Orlando Nadwozie/Wnętrze
- ↳ Orlando Ogólnie o modelu
- ↳ Orlando Kampanie serwisowe/Informacje techniczne
- ↳ Orlando Manuale
- ↳ Orlando Instrukcje obsługi pojazdu
- ↳ Orlando na forum.chevrolet.org.pl
- Trax (T30X; 2013 - )
- ↳ Trax Mechanika
- ↳ Trax Elektryka / Elektronika
- ↳ Trax Nadwozie / Wnętrze
- ↳ Trax Ogólnie o modelu
- ↳ Trax Kampanie serwisowe / Informacje techniczne
- ↳ Trax Manuale
- ↳ Trax Instrukcje obsługi pojazdu
- ↳ Trax na forum.chevrolet.org.pl
- Epica (V250; 2006-2012)
- ↳ Epica Mechanika
- ↳ Epica Elektryka / Elektronika
- ↳ Epica Nadwozie / Wnętrze
- ↳ Epica Ogólnie o modelu
- ↳ Epica Kampanie serwisowe / Informacje techniczne
- ↳ Epica Manuale
- ↳ Epica Instrukcje obsługi pojazdu
- ↳ Epica na forum.chevrolet.org.pl
- Captiva (C100,C140: 2006 - )
- ↳ Captiva Mechanika
- ↳ Captiva Elektryka / Elektronika
- ↳ Captiva Nadwozie / Wnętrze
- ↳ Captiva Ogólnie o modelu
- ↳ Captiva Kampanie serwisowe / Informacje techniczne
- ↳ Captiva Manuale
- ↳ Captiva Instrukcje obsługi pojazdu
- ↳ Captiva na forum.chevrolet.org.pl
- Inne Chevi
- ↳ Rezzo
- ↳ Evanda
- ↳ Camaro
- ↳ Malibu
- ↳ Inne
- ↳ Inne Chevi Instrukcje obsługi pojazdu
- ↳ Inne na forum.chevrolet.org.pl
- Technikalia
- ↳ Diagnostyka - oprogramowanie, interfejsy, itp.
- ↳ LPG - instalacja gazowa
- ↳ Akcesoria - nagłośnienie, cb-radio, nawigacje, itp.
- ↳ Styling, tuning, auto detailing
- ↳ Testy produktów
- ↳ Dlaczego Chevrolet
- ↳ Warsztaty - polecam, odradzam
- ↳ Komisy, pośrednicy -polecam , odradzam
- ↳ Kontakty z firmami wspołpracującymi z CTP
- ↳ Zapytania o części
- ↳ Nasze Navi
- Po godzinach
- ↳ Luźne tematy...
- ↳ Moje inne 4 kółka
- ↳ Kącik turystyczny
- ↳ Oferty dla członków CTP
- ↳ Pożegnania
- ↳ Tablica Ogłoszeń
- ↳ Kupię/Poszukuję
- ↳ Sprzedam/Zamienię
Kto jest online
Użytkownicy przeglądający to forum: Obecnie na forum nie ma żadnego zarejestrowanego użytkownika i 1 gość