Jak wyłączyć stałe swiatla.?

Nie świeci, nie kręci i inne tematy związane z elektryką i elektroniką
Grzesiek399@
Świeżak
Posty: 42
Rejestracja: 19 paź 2015, o 19:33
Reputacja: 0
Imię: Grzegorz
Samochód: Lacetti 1.6 16v sw
Silnik:
Lokalizacja: Warszawa
Kontakt:

Jak wyłączyć stałe swiatla.?

Post autor: Grzesiek399@ » 19 paź 2015, o 19:49

Witam, jestem od niedawna posiadaczem Chevroleta Lacetti \ Nubiry. 2007 rok w sedanie. Chcialbym wyłączyć światła które włączają się zaraz z uruchomieniem samochodu, strasznie mnie to irytuje ponieważ nawet nie mogę włączyć świateł pozycyjnych bo na każdej pozycji mam światła mijania. Jestem ogarnięty w elektryce/ elektronice , ale nie chce dlubac jak się niedowiem czy da się to wyłączyć tylko testerem, jak tak to jakim , bo chętnie sobie ogarne program do Chevroleta :) a jak jest to jakiś błąd i ktoś się już z tym spotkał to proszę bardzo o pomoc co może być powodem :)
Pozdrawiam i dziękuje za pomoc
Grzegorz
"Nie moc lecz chec szczera zrobi z ciebie mechaniora":)

Awatar użytkownika
etac
Prezes
Posty: 24968
Rejestracja: 4 sie 2013, o 00:31
Reputacja: 300
Imię: Krzysztof
Samochód: Opel Astra L ST
Silnik: 1.2T Pure Tech
LPG: NIE
Inny samochód: Yamaha X-MAX Tech Max
Lokalizacja: SBE
Kontakt:

Re: Jak wyłączyć stałe swiatla.?

Post autor: etac » 19 paź 2015, o 20:01

Hej, światła w Lacetti, są sterowane w sposób mechaniczny, cos podobnego jest w Spark, czyli nie da się ich wyłączyć poprzez przeprogramowanie.

Z pomocą przyjdzie ten temat: viewtopic.php?f=136&t=633&view=unread#unread
Lekcje prywatne są odpłatne, pytania na forum są darmowe

Grzesiek399@
Świeżak
Posty: 42
Rejestracja: 19 paź 2015, o 19:33
Reputacja: 0
Imię: Grzegorz
Samochód: Lacetti 1.6 16v sw
Silnik:
Lokalizacja: Warszawa
Kontakt:

Re: Jak wyłączyć stałe swiatla.?

Post autor: Grzesiek399@ » 20 paź 2015, o 00:01

Ten schemat jest taki sam do Lacetti?
"Nie moc lecz chec szczera zrobi z ciebie mechaniora":)

Grzesiek399@
Świeżak
Posty: 42
Rejestracja: 19 paź 2015, o 19:33
Reputacja: 0
Imię: Grzegorz
Samochód: Lacetti 1.6 16v sw
Silnik:
Lokalizacja: Warszawa
Kontakt:

Re: Jak wyłączyć stałe swiatla.?

Post autor: Grzesiek399@ » 20 paź 2015, o 00:02

Ten schemat jest taki sam do Lacetti?
"Nie moc lecz chec szczera zrobi z ciebie mechaniora":)

Awatar użytkownika
etac
Prezes
Posty: 24968
Rejestracja: 4 sie 2013, o 00:31
Reputacja: 300
Imię: Krzysztof
Samochód: Opel Astra L ST
Silnik: 1.2T Pure Tech
LPG: NIE
Inny samochód: Yamaha X-MAX Tech Max
Lokalizacja: SBE
Kontakt:

Re: Jak wyłączyć stałe swiatla.?

Post autor: etac » 20 paź 2015, o 08:29

Bardzo podobny. Wieczorem postaram się wstawić odpowiedni schemat.

Patrze tez teraz na rocznik twojego Laczka i pamiętam ze mój był podobny, ale nie miałem problemów z wyłączeniem świateł. Czy na pewno masz sprawna instalacje?

Jesteś pierwszym właścicielem? Znasz pochodzenie auta?
Lekcje prywatne są odpłatne, pytania na forum są darmowe

Awatar użytkownika
Sebastian
Moderator
Posty: 4008
Rejestracja: 12 sie 2013, o 22:45
Reputacja: 51
Imię: Sebastian
Samochód: 2x Lacetti 1.4&1.6
Silnik:
Lokalizacja: Ruda Śląska
Kontakt:

Re: Jak wyłączyć stałe swiatla.?

Post autor: Sebastian » 20 paź 2015, o 17:00

W lacetti są przecież 3 pozycje na manetce - (od góry): AUTO - pozycyjne - OFF. W pozycji auto, postojowe zapalaja sie po wlozeniu kluczyka, mijania swiecą po odpaleniu silnika, postojówki gasną gdy wyjmiemy kluczyk i otworzymy drzwi kierowcy, pozycja postoje to wiadomo, OFF - możesz zgasić wszystko podczas jazdy/podczas postoju.
Serwisowanie, naprawa, montaż: klimatyzacji, wentylacji, systemów ogrzewania - kontakt PW.

Awatar użytkownika
etac
Prezes
Posty: 24968
Rejestracja: 4 sie 2013, o 00:31
Reputacja: 300
Imię: Krzysztof
Samochód: Opel Astra L ST
Silnik: 1.2T Pure Tech
LPG: NIE
Inny samochód: Yamaha X-MAX Tech Max
Lokalizacja: SBE
Kontakt:

Re: Jak wyłączyć stałe swiatla.?

Post autor: etac » 20 paź 2015, o 17:01

wlasnie mi się tez tak wydawalo, chyba ze to wersja jakas skandynawska
Lekcje prywatne są odpłatne, pytania na forum są darmowe

Grzesiek399@
Świeżak
Posty: 42
Rejestracja: 19 paź 2015, o 19:33
Reputacja: 0
Imię: Grzegorz
Samochód: Lacetti 1.6 16v sw
Silnik:
Lokalizacja: Warszawa
Kontakt:

Re: Jak wyłączyć stałe swiatla.?

Post autor: Grzesiek399@ » 20 paź 2015, o 21:23

To jest samochod z Austrii. Jezeli mam wlaczony zaplon i samochod unieruchomiony to moge ze swiatlami zrobic wszystko. Jezel juz go uruchomie to po uruchomieniu slychac klik przekaznika i zapalaja sie swiatla na stale. Dodam ze jak juz jest odpalony i jest ustawiona manetka na 0 badz na pozycje to swiatla swieca minimalnie slabiej. Jezeli ruszam szybko mijania-0 to widac ze jest delijatna zmiana. Moze ktos cos sam zalozyl ze po rozruchu ma swiecic albo cos sie zepsulo. Ktory przekaznik jest od swiatel?
"Nie moc lecz chec szczera zrobi z ciebie mechaniora":)

Grzesiek399@
Świeżak
Posty: 42
Rejestracja: 19 paź 2015, o 19:33
Reputacja: 0
Imię: Grzegorz
Samochód: Lacetti 1.6 16v sw
Silnik:
Lokalizacja: Warszawa
Kontakt:

Re: Jak wyłączyć stałe swiatla.?

Post autor: Grzesiek399@ » 20 paź 2015, o 21:32

Przepraszam cykniecia nie slychac po uruchomieniu i nawet na zero na zaplonie mam pozycje. Nie mam przelacznika auto. Wydaje mi sie ze to jest ubozsza wersja.
"Nie moc lecz chec szczera zrobi z ciebie mechaniora":)

Awatar użytkownika
etac
Prezes
Posty: 24968
Rejestracja: 4 sie 2013, o 00:31
Reputacja: 300
Imię: Krzysztof
Samochód: Opel Astra L ST
Silnik: 1.2T Pure Tech
LPG: NIE
Inny samochód: Yamaha X-MAX Tech Max
Lokalizacja: SBE
Kontakt:

Re: Jak wyłączyć stałe swiatla.?

Post autor: etac » 20 paź 2015, o 21:33

Moze ktos ci moduł dołozył, taki czesto obserwowany w innych samochodach i taki jak mozna kupic na allegro.

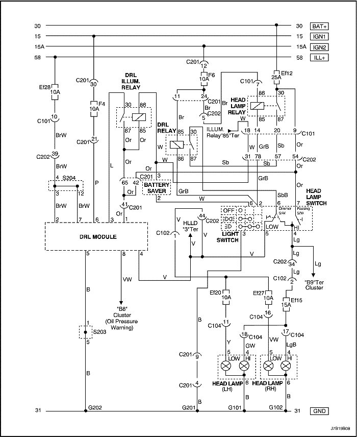
Tutaj masz schemat z ukladem DRL
j7b19b08.png
j7b19b08.png (23.84 KiB) Przejrzano 4211 razy
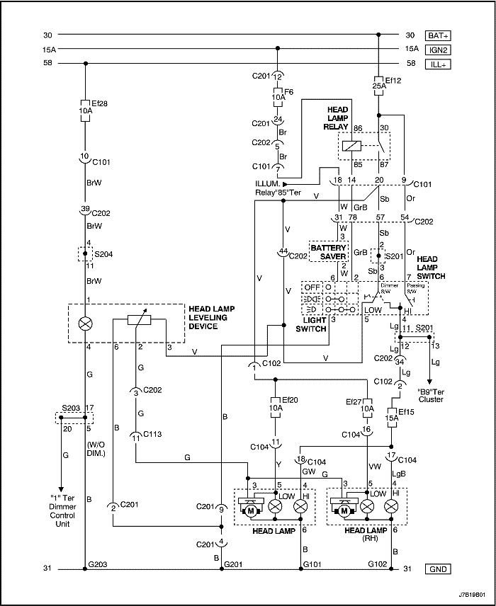
Tutaj standardowy
j7b19b01.png
j7b19b01.png (22.18 KiB) Przejrzano 4211 razy
oczywiscie losowo wybrany typ nadwozia, w kazdym modelu moga roznic się kolory w wiazkach, ale schematy bedą podobne.
Lekcje prywatne są odpłatne, pytania na forum są darmowe

Awatar użytkownika
Sebastian
Moderator
Posty: 4008
Rejestracja: 12 sie 2013, o 22:45
Reputacja: 51
Imię: Sebastian
Samochód: 2x Lacetti 1.4&1.6
Silnik:
Lokalizacja: Ruda Śląska
Kontakt:

Re: Jak wyłączyć stałe swiatla.?

Post autor: Sebastian » 20 paź 2015, o 21:38

Otwórz skrzynkę bezpieczników(Zarówno w środku jak i pod maską), zerknij pod kierownicę - poszukaj jakiegoś modułu. Może ktoś zakładał DRL'e, które miały zapalać się pod odpaleniu silnika, ale coś namieszał, i masz problem.

Ale jeśli kolega rzeczywiście interesuje/zna się na elektryce/elektronice to nie będę "uczył ojca dzieci robić" :P Bo wiesz jak szukać :)
Serwisowanie, naprawa, montaż: klimatyzacji, wentylacji, systemów ogrzewania - kontakt PW.

Grzesiek399@
Świeżak
Posty: 42
Rejestracja: 19 paź 2015, o 19:33
Reputacja: 0
Imię: Grzegorz
Samochód: Lacetti 1.6 16v sw
Silnik:
Lokalizacja: Warszawa
Kontakt:

Re: Jak wyłączyć stałe swiatla.?

Post autor: Grzesiek399@ » 20 paź 2015, o 22:41

Żadnego modułu nie widzę :\ może głębiej pasie przednim coś jest chjoc nie widziałem żeby instalacja do lamp była odcięta albo coś z nią robione. To nie na dzisiaj :p ale zastanawia się co to jest za modulik, nie grzebalem dalej bo już późno a ją jak już się wezme to by mnie ranek zastał bo coś bym sobie zawsze wymyślił :p to ten modulik. Żadnych oznaczeń nie ma ani nic. Nie odlaczalem bo nie chciałbym żeby mi się coś roskodowalo :p
"Nie moc lecz chec szczera zrobi z ciebie mechaniora":)

Grzesiek399@
Świeżak
Posty: 42
Rejestracja: 19 paź 2015, o 19:33
Reputacja: 0
Imię: Grzegorz
Samochód: Lacetti 1.6 16v sw
Silnik:
Lokalizacja: Warszawa
Kontakt:

Re: Jak wyłączyć stałe swiatla.?

Post autor: Grzesiek399@ » 20 paź 2015, o 23:13

To jedyne co znalazlem. Ake nie wien czy to nie oryginalne z auta. Zadnych oznacEn nie ma, moze Wy wiecie co to jesy? Najgorsze jest to ze jak wyjalem przekaznik to na zaplonie pozycje swiecily sie na stale ale w pozycji mijania juz sie nie chcialy zapalic ale jak odpalilem to swiatla sie zapaliky na stale. :/ jak zaczalen ruszac pokretlem to juz nie bylo sciemniania swiatel. Nie bylo nic co sie dalo odlaczyc w lacetti ?
Załączniki
1445375584171.jpg
1445375584171.jpg (173.61 KiB) Przejrzano 4204 razy
1445375519429.jpg
1445375519429.jpg (240.43 KiB) Przejrzano 4204 razy
"Nie moc lecz chec szczera zrobi z ciebie mechaniora":)

Awatar użytkownika
etac
Prezes
Posty: 24968
Rejestracja: 4 sie 2013, o 00:31
Reputacja: 300
Imię: Krzysztof
Samochód: Opel Astra L ST
Silnik: 1.2T Pure Tech
LPG: NIE
Inny samochód: Yamaha X-MAX Tech Max
Lokalizacja: SBE
Kontakt:

Re: Jak wyłączyć stałe swiatla.?

Post autor: etac » 21 paź 2015, o 08:57

Po tym tescie widac jak nic ze jest jakis moduł dołozony.

Wydrukuj wiec sobie oba schematy i szukaj gdzieś jest ten moduł. Nie ma innego wyjscia. W normalnym stanie Lacetti światła są wyłączalne poprzez przełącznik.

Na zdjeciu pierwszym nie wiem co to jest.
Drugie zdjęcie to prawdopodobnie punkt zbiorczy dla masy.
Lekcje prywatne są odpłatne, pytania na forum są darmowe

Awatar użytkownika
XaRaDaS
Zasłużony dla forum
Posty: 7705
Rejestracja: 20 sie 2013, o 11:17
Reputacja: 9
Imię: Andrzej
Samochód: Orlando LTZ
Silnik: 1.8 2H0, 141 KM, benz.
Lokalizacja: WX
Kontakt:

Re: Jak wyłączyć stałe swiatla.?

Post autor: XaRaDaS » 21 paź 2015, o 09:42

Dziwne te masz światła. Ja mam ustawione na auto i niezależnie czy mam zapalony silnik czy zgaszony to mogę sobie pokrętłem włączać i wyłączać światła, a też nie mam wersji na wypasie. Tak więc, gdzieś coś masz dołożone. To coś na pierwszym zdjęciu to gdzieś znalazł ? Mogę zerknąć u siebie czy mam coś takiego, tylko muszę wiedzieć gdzie szukać.

Tak mi jeszcze przyszło do głowy, sprawdź manetkę, bo może w niej masz zwarcie jakieś.
Nie dyskutuj z debilem. Najpierw sprowadzi Cię do swojego poziomu, a potem pokona doświadczeniem...

Grzesiek399@
Świeżak
Posty: 42
Rejestracja: 19 paź 2015, o 19:33
Reputacja: 0
Imię: Grzegorz
Samochód: Lacetti 1.6 16v sw
Silnik:
Lokalizacja: Warszawa
Kontakt:

Re: Jak wyłączyć stałe swiatla.?

Post autor: Grzesiek399@ » 21 paź 2015, o 18:14

Pierwsze i drugie zdjecie to to samo urzadenie i nie jest to punkt zbiorczy masy ;) XaRdAs zwarcie na manetce raczej byc nie moze. Nawet jak odepne manetke to i tak swiatla sie zapalaja same xD nie pozostalo mi nic innego jak szukanie Dokladanego DRL-a ; p zajrze jeszcze w lacetti mamy ; p mam pod nosem to ogarne cos. Ale jak macir jakies pomysly to piszcie. Dzieku :)
"Nie moc lecz chec szczera zrobi z ciebie mechaniora":)

Grzesiek399@
Świeżak
Posty: 42
Rejestracja: 19 paź 2015, o 19:33
Reputacja: 0
Imię: Grzegorz
Samochód: Lacetti 1.6 16v sw
Silnik:
Lokalizacja: Warszawa
Kontakt:

Re: Jak wyłączyć stałe swiatla.?

Post autor: Grzesiek399@ » 21 paź 2015, o 23:41

Dobra Pany, pogrzebalen w aucie i znalazlem doposazenie typu DRL oryginalne GM ; p dlatefo pytalem czy jest takie doposazenie ;) najchetniej zalozyl bym zwykly modul oryginalny ;) ale chyba skonczy sie obcieciem przewodu ; p jakby byl ktos zainteresowany to modul ma numer 90 414 786 . Takze zagadka rozwiazana ;) dzieki za pomoc wszystkim :) teraz musze kupic sobie opalarke i wziac sie za rozklejanie i malowanie lamp ; p boje sie ze skrzywdze lampe :( ze popeka przy rozklejaniu. Moze ma ktos uzywane lampy z rozbitym szklem albo jakie kolwiek z calym chromem zebym mógł pomalowac juz i po prostu podmienic :) tak napisalen przy okazji :) pozdrawiam
"Nie moc lecz chec szczera zrobi z ciebie mechaniora":)

iskat1973
Stały bywalec
Posty: 228
Rejestracja: 23 paź 2013, o 10:01
Reputacja: 0
Imię: Jacek
Samochód: Nubira vel Lacetti
Silnik:
Lokalizacja: Wawa
Kontakt:

Re: Jak wyłączyć stałe swiatla.?

Post autor: iskat1973 » 22 paź 2015, o 06:34

A ja jezdze nubirą III na taxi i z chęcią bym cos takiego zamontował. Podczas pracy wielokrotnie odpalam/ gaszę auto i ciagle zapominam o światłach , juz raz zapłaciłem za niemanie :-) świateł :cry: . Moze cos wiecej- gdzie to sie wpina, czy trzeba cos przerabiać ,jaki koszt ??
KL1NF35BJ6K260134

strowger
Bywalec
Posty: 142
Rejestracja: 25 mar 2014, o 23:36
Reputacja: 1
Imię: Robert
Samochód: Nubira
Silnik: F18D3
LPG: BRC SQ24
Lokalizacja: Świebodzin
Kontakt:

Re: Jak wyłączyć stałe swiatla.?

Post autor: strowger » 22 paź 2015, o 23:46

Grzesiek399@ pisze:Dobra Pany, pogrzebalen w aucie i znalazlem doposazenie typu DRL oryginalne GM ; p dlatefo pytalem czy jest takie doposazenie ;) najchetniej zalozyl bym zwykly modul oryginalny ;) ale chyba skonczy sie obcieciem przewodu ; p jakby byl ktos zainteresowany to modul ma numer 90 414 786 . Takze zagadka rozwiazana ;) dzieki za pomoc wszystkim :) teraz musze kupic sobie opalarke i wziac sie za rozklejanie i malowanie lamp ; p boje sie ze skrzywdze lampe :( ze popeka przy rozklejaniu. Moze ma ktos uzywane lampy z rozbitym szklem albo jakie kolwiek z calym chromem zebym mógł pomalowac juz i po prostu podmienic :) tak napisalen przy okazji :) pozdrawiam
Gdzie jest ten moduł? Mam Nubire z rynku skandynawskiego i chętnie pozbylbym się tego wynalazku włączającego światła. Chce zamontować DRL.

Grzesiek399@
Świeżak
Posty: 42
Rejestracja: 19 paź 2015, o 19:33
Reputacja: 0
Imię: Grzegorz
Samochód: Lacetti 1.6 16v sw
Silnik:
Lokalizacja: Warszawa
Kontakt:

Re: Jak wyłączyć stałe swiatla.?

Post autor: Grzesiek399@ » 23 paź 2015, o 22:00

Iskat widze ze z Warszawy jestes :) jak chcesz mozemy sie wymienic :) ja Ci dam moj a Ty mi dasz swoh modul
Strowger jakby Ci to wytlumaczyc, jak dostaniesz sie do bezpiecznikow w kabinie i odkrecisz ten caly box z nimi to zobaczysz ten modul na dole blizej nog. Odkrecasz go od strony nog tylko ze sruby sa po stronie slupka na bit krzyzaczkowy. Tylko pamietaj ze musis wsadzic inny modul ;) ewentualnie odciac ktorys kabel. Na razie Ci nie powien ktory bo u siebie nie mialen czasy sie tak zaglebic jeszcze.
"Nie moc lecz chec szczera zrobi z ciebie mechaniora":)

Grzesiek399@
Świeżak
Posty: 42
Rejestracja: 19 paź 2015, o 19:33
Reputacja: 0
Imię: Grzegorz
Samochód: Lacetti 1.6 16v sw
Silnik:
Lokalizacja: Warszawa
Kontakt:

Re: Jak wyłączyć stałe swiatla.?

Post autor: Grzesiek399@ » 23 paź 2015, o 22:03

A wyglada to tak
Załączniki
20151021_221900.jpg
20151021_221900.jpg (220.92 KiB) Przejrzano 4148 razy
20151021_221853.jpg
20151021_221853.jpg (272.46 KiB) Przejrzano 4148 razy
"Nie moc lecz chec szczera zrobi z ciebie mechaniora":)

strowger
Bywalec
Posty: 142
Rejestracja: 25 mar 2014, o 23:36
Reputacja: 1
Imię: Robert
Samochód: Nubira
Silnik: F18D3
LPG: BRC SQ24
Lokalizacja: Świebodzin
Kontakt:

Re: Jak wyłączyć stałe swiatla.?

Post autor: strowger » 23 paź 2015, o 22:13

Dzięki, sprawdzimy jutro. Wole DRL LED, bo mam dość wymian żarówek świateł mijania:).

pawelwaw84
Wymiatacz
Posty: 1002
Rejestracja: 24 mar 2014, o 10:23
Reputacja: 13
Imię: Paweł
Samochód: Captiva lift 2013
Silnik: 2.0d 163KM
Lokalizacja: Ząbki k.Warszawy
Kontakt:

Re: Jak wyłączyć stałe swiatla.?

Post autor: pawelwaw84 » 24 paź 2015, o 12:16

Musieli to dokładać na życzenie, bo w moim MY2010 światła same się nie zapalają, ale za to same gasną po otwarciu drzwi jeśli zostawi się światła włączone po wyłączeniu silnika.

strowger
Bywalec
Posty: 142
Rejestracja: 25 mar 2014, o 23:36
Reputacja: 1
Imię: Robert
Samochód: Nubira
Silnik: F18D3
LPG: BRC SQ24
Lokalizacja: Świebodzin
Kontakt:

Re: Jak wyłączyć stałe swiatla.?

Post autor: strowger » 24 paź 2015, o 16:58

Nie. W krajach skandynawskich Nubira musiała mieć takie coś. Takie przepisy. Miałem kiedyś Mondeo ze Szwecji i światła działały w niej tak samo.

strowger
Bywalec
Posty: 142
Rejestracja: 25 mar 2014, o 23:36
Reputacja: 1
Imię: Robert
Samochód: Nubira
Silnik: F18D3
LPG: BRC SQ24
Lokalizacja: Świebodzin
Kontakt:

Re: Jak wyłączyć stałe swiatla.?

Post autor: strowger » 26 paź 2015, o 12:39

Jeszcze jedno, czy ten moduł skandynawski i nazwijmy to "europejski" są zamienne? Takie plug&play - bez zabawy kabelkami.

ODPOWIEDZ

Wróć do „Lacetti/Nubira Elektryka / Elektronika”

Kto jest online

Użytkownicy przeglądający to forum: Obecnie na forum nie ma żadnego zarejestrowanego użytkownika i 1 gość