spark m300 centralny zamek

Nie świeci, nie kręci i inne tematy związane z elektryką i elektroniką
ODPOWIEDZ
chevi122
Świeżak
Posty: 5
Rejestracja: 11 sty 2025, o 18:39
Reputacja: 0
Imię: Adam
Samochód: Spark M300
Silnik: 1.2
Lokalizacja: Ostrów Wielkopolski
Kontakt:

spark m300 centralny zamek

Post autor: chevi122 » 11 sty 2025, o 19:29

Serdecznie witam! na samym początku informuję że jestem tu całkiem nowy i do tego zielony. Dlatego proszę raczej o pomoc a nie głupie docinki. Pisząc '' zielony'' mam na myśli poruszanie się po forum.Więc jeśli robię coś nie tak to proszę o pomoc. Problem dotyczy Sparka M300. Od jakiegoś czasu pojawił się problem z centralnym zamkiem. Podczas zamykania oryginalnym pilotem w kluczyku autko zamyka się za 6-7 razem. Po prostu odbija z powrotem na pozycję ''otwarte'' Zamykając auto mechanicznie kluczykiem, zamykają się tylko drzwi kierowcy. Ale z kolei otwierając mechanicznie otwierają się wszystkie. Przy każdej próbie zamknięcia z pilota słychać że wszystkie drzwi ładnie się zamykają i dookoła migacze migają. Miał może ktoś podobny problem?

Awatar użytkownika
bubu1769
Administrator
Posty: 6869
Rejestracja: 5 wrz 2018, o 16:40
Reputacja: 457
Imię: Bartłomiej
Samochód: Aveo T250
Silnik: 1.4 101KM
Inny samochód: Orlando 1.4T, Meriva A 1.8
Lokalizacja: Kalisz
Kontakt:

Re: spark m300 centralny zamek

Post autor: bubu1769 » 11 sty 2025, o 19:57

Podejrzewam szwankujące krańcówki w zamku kierowcy.
Podobne przypadki były opisywane w Aveo, między innymi w moim.

chevi122
Świeżak
Posty: 5
Rejestracja: 11 sty 2025, o 18:39
Reputacja: 0
Imię: Adam
Samochód: Spark M300
Silnik: 1.2
Lokalizacja: Ostrów Wielkopolski
Kontakt:

Re: spark m300 centralny zamek

Post autor: chevi122 » 11 sty 2025, o 20:55

No kurcze może i masz rację...Nie mam za bardzo czasu aby wgryść się w temat.Tym bardziej że to śmieszne autko codziennie jest potrzebne.Objawy typowe dla krańcówek...ale chyba nie tak do końca.Przed chwilą sprawdziłem...mechanicznie zamykając kluczykiem drzwi przednie prawe również zamykają się tylko te przednie prawe.Ale otwierając mechanicznie kluczykiem otwierają się wszystkie.Ja ten temat zgryze! Ale pytam na forum bo może ktoś ułatwi mi życie

danielj8
Bywalec
Posty: 159
Rejestracja: 19 lut 2015, o 21:10
Reputacja: 1
Imię: Daniel
Samochód: Spark
Silnik:
Lokalizacja: Będzin
Kontakt:

Re: spark m300 centralny zamek

Post autor: danielj8 » 14 sty 2025, o 13:30

Siłownik sterujący w M300 poliftowym znajduje się TYLKO w drzwiach kierowcy, przynajmniej w moim egzemplarzu drzwi pasażera nie sterują pozostałymi drzwiami. krańcówki znajdują się na słupku więc dojście jest banalne. Niestety mój pojazd nie posiada fabrycznego sterowania z pilota więc nie mam jak sprawdzić jak się zachowa po odpięciu krańcówki.

Awatar użytkownika
bubu1769
Administrator
Posty: 6869
Rejestracja: 5 wrz 2018, o 16:40
Reputacja: 457
Imię: Bartłomiej
Samochód: Aveo T250
Silnik: 1.4 101KM
Inny samochód: Orlando 1.4T, Meriva A 1.8
Lokalizacja: Kalisz
Kontakt:

Re: spark m300 centralny zamek

Post autor: bubu1769 » 14 sty 2025, o 13:59

W dużej części samochodów siłownik Master znajduje się tylko po stronie kierowcy.
Krańcówki na słupku służą do sterowania oświetlenia wnętrza i alarmu, nie mają za bardzo nic wspólnego z centralnym zamkiem.

chevi122
Świeżak
Posty: 5
Rejestracja: 11 sty 2025, o 18:39
Reputacja: 0
Imię: Adam
Samochód: Spark M300
Silnik: 1.2
Lokalizacja: Ostrów Wielkopolski
Kontakt:

Re: spark m300 centralny zamek

Post autor: chevi122 » 14 sty 2025, o 18:53

bubu dobrze mówi....na słupku są krańcówki od oświetlenia.Czekam aż się trochę ociepli żeby plastiki nie pękały przy rozbieraniu tapicerki. Może ktoś posiada opis pinów lewego zamka do SPARKA 2010r ??

Awatar użytkownika
bubu1769
Administrator
Posty: 6869
Rejestracja: 5 wrz 2018, o 16:40
Reputacja: 457
Imię: Bartłomiej
Samochód: Aveo T250
Silnik: 1.4 101KM
Inny samochód: Orlando 1.4T, Meriva A 1.8
Lokalizacja: Kalisz
Kontakt:

Re: spark m300 centralny zamek

Post autor: bubu1769 » 14 sty 2025, o 19:28

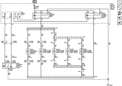
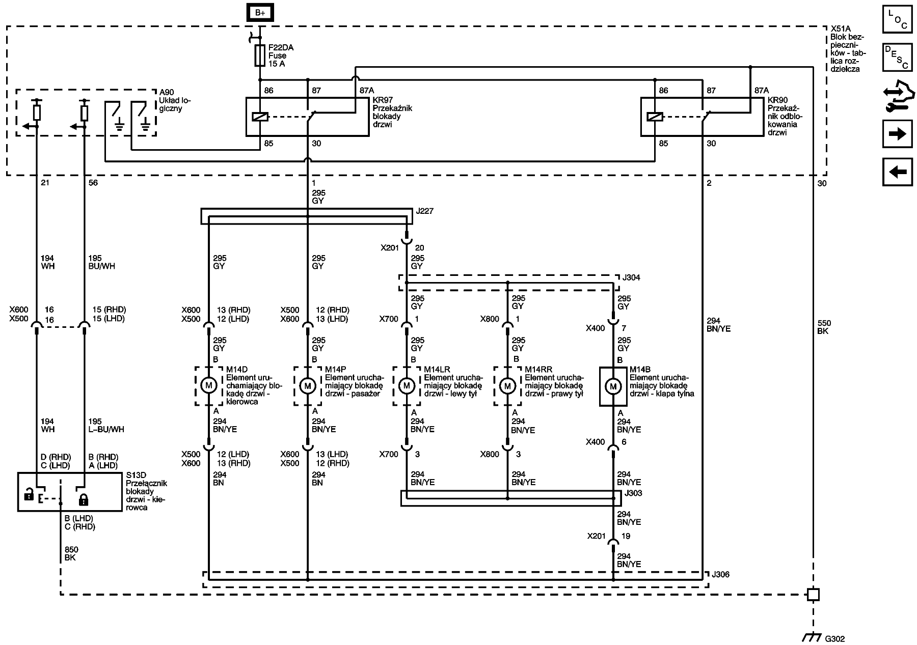
2389492PL.png
Spark M300 zamek kierowcy .pdf
(26.52 KiB) Pobrany 42 razy

chevi122
Świeżak
Posty: 5
Rejestracja: 11 sty 2025, o 18:39
Reputacja: 0
Imię: Adam
Samochód: Spark M300
Silnik: 1.2
Lokalizacja: Ostrów Wielkopolski
Kontakt:

Re: spark m300 centralny zamek

Post autor: chevi122 » 14 sty 2025, o 20:48

Dzięki bardzo. W wolnej chwili przestudiuję. Jestem trochę ograniczony czasowo ale jestem wdzięczny za każdą sugestię.Jak już przyjdzie czas na zabawę z kabelkami w sparku to będę już troszkę mądrzejszy.Kupiłem już nawet zamek.Ale nie jestem pewien czy to od sparka.HAHAHA

Awatar użytkownika
bubu1769
Administrator
Posty: 6869
Rejestracja: 5 wrz 2018, o 16:40
Reputacja: 457
Imię: Bartłomiej
Samochód: Aveo T250
Silnik: 1.4 101KM
Inny samochód: Orlando 1.4T, Meriva A 1.8
Lokalizacja: Kalisz
Kontakt:

Re: spark m300 centralny zamek

Post autor: bubu1769 » 14 sty 2025, o 20:55

Daj zdjęcie.
Jak używasz tylko pilota do otwierania to zawsze możesz po prostu wypiąć wtyczkę od krańcówek i z zostawić sam siłownik w formie SLAVE.

chevi122
Świeżak
Posty: 5
Rejestracja: 11 sty 2025, o 18:39
Reputacja: 0
Imię: Adam
Samochód: Spark M300
Silnik: 1.2
Lokalizacja: Ostrów Wielkopolski
Kontakt:

Re: spark m300 centralny zamek

Post autor: chevi122 » 23 mar 2025, o 11:55

Witam wszystkich po długiej nieobecności .Nagle musiałem odwiedzić szpital. Centralny zamek już działa! Winowajca to zamek. Kiedyś kupiłem na allegro i jakimś cudem pasował. Nie oglądałem jeszcze tego starego, ale zrobię to w wolnej chwili. Zna może ktoś jakiś sklep online w którym można zakupić części typowo do Sparka? Jeżdżę osobiście fordami i z nowymi częściami nie ma żadnego problemu. A ten Spark to jakiś dziwny model. Chociaż żona sobie chwali tego bolida. Dziękuję wszystkim którzy starali się pomóc w tej mojej przypadłości.

Awatar użytkownika
bubu1769
Administrator
Posty: 6869
Rejestracja: 5 wrz 2018, o 16:40
Reputacja: 457
Imię: Bartłomiej
Samochód: Aveo T250
Silnik: 1.4 101KM
Inny samochód: Orlando 1.4T, Meriva A 1.8
Lokalizacja: Kalisz
Kontakt:

Re: spark m300 centralny zamek

Post autor: bubu1769 » 23 mar 2025, o 13:26

Częściami do auta koreańskich, między innymi Chevroleta, zajmuje się firma POTAK.

ODPOWIEDZ

Wróć do „Spark Elektryka / Elektronika”

Kto jest online

Użytkownicy przeglądający to forum: Obecnie na forum nie ma żadnego zarejestrowanego użytkownika i 1 gość