Kamera cofania w spark m300
-
- Świeżak
- Posty: 27
- Rejestracja: 27 maja 2021, o 17:34
- Reputacja: 0
- Imię: Piotr
- Samochód: Spark
- Silnik: 1.0
- LPG: Nie
- Lokalizacja: Warszawa
- Kontakt:
Kamera cofania w spark m300
Zakupiłem od chińczyka radio z android i dostałem kamerkę cofania. Podłączyłem zgodnie z instrukcją. Zasilanie dostaje do diody się zapalają ale nie mam obrazu. Nie wiem czy to winda radia czy trzeba dokupić jakiś filtr do zasilania jak piszą na niektórych forach. Ma ktoś z was doświadczenie w podłączaniu kamerki cofania ? Mam też drugą montowaną zamiast podświetleni tablicy rejestracyjnej i z niej wystają dwa przewody biały i zielony w instrukcji jest coś że można je przeciąć ale dotyczy chyba tylko lini cofania.
Wysłane z iPhone za pomocą Tapatalk
Wysłane z iPhone za pomocą Tapatalk
- bubu1769
- Administrator
- Posty: 6869
- Rejestracja: 5 wrz 2018, o 16:40
- Reputacja: 457
- Imię: Bartłomiej
- Samochód: Aveo T250
- Silnik: 1.4 101KM
- Inny samochód: Orlando 1.4T, Meriva A 1.8
- Lokalizacja: Kalisz
- Kontakt:
Re: Kamera cofania w spark m300
Jak zasilasz kamerę bezpośrednio z żarówki cofania to tak może być.
Zazwyczaj trzeba dołożyć przekaźnik który jest załączany że światłem cofania i on dopiero podaje zasilanie na kamerę ze stałego plusa.
Te dwie pętle z przewodów przy kamerze służą do ustawienia linii pomocniczych i odbicia lustrzanego.
Zazwyczaj trzeba dołożyć przekaźnik który jest załączany że światłem cofania i on dopiero podaje zasilanie na kamerę ze stałego plusa.
Te dwie pętle z przewodów przy kamerze służą do ustawienia linii pomocniczych i odbicia lustrzanego.
-
- Świeżak
- Posty: 27
- Rejestracja: 27 maja 2021, o 17:34
- Reputacja: 0
- Imię: Piotr
- Samochód: Spark
- Silnik: 1.0
- LPG: Nie
- Lokalizacja: Warszawa
- Kontakt:
Re: Kamera cofania w spark m300
Ok. Bo jak grzebałem w ustawieniach radia to przez chwilę coś miałem tylko obraz skakał. Mam w opcjach do włączenia camera idle sleep i camera power test i jak to miałem włączone to obraz skakał potem zmieniłem ponownie że było wyłączone a teraz jak włączam to nic się nie dzieje nawet skaczącego ekranu nie mam
Wysłane z iPhone za pomocą Tapatalk
Wysłane z iPhone za pomocą Tapatalk
- adammalecki
- Specjalista
- Posty: 495
- Rejestracja: 6 wrz 2018, o 17:33
- Reputacja: 11
- Imię: Adam
- Samochód: Cruze LS+MR,Spark LT
- Silnik: 1.6 124KM, 1.2 84KM
- Lokalizacja: CCH
- Kontakt:
Re: Kamera cofania w spark m300
W moim Sparku mam kamerkę podłączoną bezpośrednio do plusa z żarówki cofania i wszystko działa idealnie. Masa jest podłączona kabelkiem z radia.
Nic nie jest szczególnie trudne, jeżeli podzielisz to na małe zadania.
- Henry Ford
- Henry Ford
-
- Świeżak
- Posty: 27
- Rejestracja: 27 maja 2021, o 17:34
- Reputacja: 0
- Imię: Piotr
- Samochód: Spark
- Silnik: 1.0
- LPG: Nie
- Lokalizacja: Warszawa
- Kontakt:
Kamera cofania w spark m300
Zasilanie wziąłem z żarówki wstecznego a masa idzie do klapy tam gdzie masa od wycieraczki
Wysłane z iPhone za pomocą Tapatalk
Wysłane z iPhone za pomocą Tapatalk
- etac
- Prezes
- Posty: 24968
- Rejestracja: 4 sie 2013, o 00:31
- Reputacja: 300
- Imię: Krzysztof
- Samochód: Opel Astra L ST
- Silnik: 1.2T Pure Tech
- LPG: NIE
- Inny samochód: Yamaha X-MAX Tech Max
- Lokalizacja: SBE
- Kontakt:
Re: Kamera cofania w spark m300
odepnij masę z kamery, po sygnale video z ekranu kabla idzie masa w tych radiach.
Lekcje prywatne są odpłatne, pytania na forum są darmowe
-
- Świeżak
- Posty: 27
- Rejestracja: 27 maja 2021, o 17:34
- Reputacja: 0
- Imię: Piotr
- Samochód: Spark
- Silnik: 1.0
- LPG: Nie
- Lokalizacja: Warszawa
- Kontakt:
Re: Kamera cofania w spark m300
Nic to nie dało a do tego mam wrażenie że coś dziwnie zapachniało spalenizną 
Wysłane z iPhone za pomocą Tapatalk

Wysłane z iPhone za pomocą Tapatalk
- adammalecki
- Specjalista
- Posty: 495
- Rejestracja: 6 wrz 2018, o 17:33
- Reputacja: 11
- Imię: Adam
- Samochód: Cruze LS+MR,Spark LT
- Silnik: 1.6 124KM, 1.2 84KM
- Lokalizacja: CCH
- Kontakt:
Re: Kamera cofania w spark m300
Moim zdaniem masz coś namieszane instalacyjnie.
Wymontuj radio podłącz i przetestuj wszystko na stole i będziesz wiedział wszystko.
Wymontuj radio podłącz i przetestuj wszystko na stole i będziesz wiedział wszystko.
Nic nie jest szczególnie trudne, jeżeli podzielisz to na małe zadania.
- Henry Ford
- Henry Ford
-
- Świeżak
- Posty: 27
- Rejestracja: 27 maja 2021, o 17:34
- Reputacja: 0
- Imię: Piotr
- Samochód: Spark
- Silnik: 1.0
- LPG: Nie
- Lokalizacja: Warszawa
- Kontakt:
Re: Kamera cofania w spark m300
Po rozmowie z Chińczykiem od którego kupiłem radio wyszło że brakuje jednego kabla CAM IN muszę poszukać czy gdzieś się nie zapodział ale tak czy inaczej zamówiłem u niego i przyjdzie za miesiąc:( zobaczymy wtedy co będzie
Wysłane z iPhone za pomocą Tapatalk
Wysłane z iPhone za pomocą Tapatalk
- dokia
- fachowa i pyskata diablica
- Posty: 4590
- Rejestracja: 22 lip 2019, o 14:58
- Reputacja: 126
- Imię: Dorota
- Samochód: Jaguar E-Pace 2020
- Silnik: PB Jaguar Ingenium 2.0t 250KM
- Lokalizacja: Mazury
- Kontakt:
Re: Kamera cofania w spark m300
Jeśli celnicy tam zaglądali to być może to ich sprawka, że kabla brakuje.
Każdy, kogo spotykasz, toczy bitwę, o której nic nie wiesz. Bądź życzliwy. Zawsze.
-
- Świeżak
- Posty: 27
- Rejestracja: 27 maja 2021, o 17:34
- Reputacja: 0
- Imię: Piotr
- Samochód: Spark
- Silnik: 1.0
- LPG: Nie
- Lokalizacja: Warszawa
- Kontakt:
Re: Kamera cofania w spark m300
Mam takie kable w radiu teraz wpiąłem w cvbs-in—2 i różowy back do kabelka przy cichu od kamery po wrzuceniu wstecznego przełącza na obraz z kamery ale brak obrazu






Wysłane z iPhone za pomocą Tapatalk






Wysłane z iPhone za pomocą Tapatalk
- bubu1769
- Administrator
- Posty: 6869
- Rejestracja: 5 wrz 2018, o 16:40
- Reputacja: 457
- Imię: Bartłomiej
- Samochód: Aveo T250
- Silnik: 1.4 101KM
- Inny samochód: Orlando 1.4T, Meriva A 1.8
- Lokalizacja: Kalisz
- Kontakt:
Re: Kamera cofania w spark m300
Moim zdaniem brakuje ci jeszcze jednej 10-cio pinowej wtyczki w której powinno być wejście do kamery cofania.
Złącze F
Złącze F
- huri_khan
- Zasłużony dla forum
- Posty: 5236
- Rejestracja: 9 sie 2013, o 09:29
- Reputacja: 90
- Imię: Robert
- Samochód: Kia Proceed
- Silnik: 1,4 T
- Inny samochód: Ford Mondeo
- Lokalizacja: Bytom
- Kontakt:
Re: Kamera cofania w spark m300
Nie wiem co to za wynalazek ale u mnie w Teyes wszystkie gniazda miały wtyczki tutaj mam wrażenie że jeszcze brakują 3
240 000 km z Chevroletem w zupełności wystarczyło 

-
- Świeżak
- Posty: 27
- Rejestracja: 27 maja 2021, o 17:34
- Reputacja: 0
- Imię: Piotr
- Samochód: Spark
- Silnik: 1.0
- LPG: Nie
- Lokalizacja: Warszawa
- Kontakt:
Re: Kamera cofania w spark m300
Chińczyk potwierdził że brakuje wysyła brakującą
miesiąc czekania
radio kupowałem na Ali w justnavi
Wysłane z iPhone za pomocą Tapatalk


Wysłane z iPhone za pomocą Tapatalk
- bubu1769
- Administrator
- Posty: 6869
- Rejestracja: 5 wrz 2018, o 16:40
- Reputacja: 457
- Imię: Bartłomiej
- Samochód: Aveo T250
- Silnik: 1.4 101KM
- Inny samochód: Orlando 1.4T, Meriva A 1.8
- Lokalizacja: Kalisz
- Kontakt:
Re: Kamera cofania w spark m300
cvbs-in—1 i cvbs-in—2 powinno dać się podejrzeć w którymś odtwarzaczu w radiu.
-
- Świeżak
- Posty: 27
- Rejestracja: 27 maja 2021, o 17:34
- Reputacja: 0
- Imię: Piotr
- Samochód: Spark
- Silnik: 1.0
- LPG: Nie
- Lokalizacja: Warszawa
- Kontakt:
Re: Kamera cofania w spark m300
Sprawdzę przyszedł dzisiaj filtr do zasilania więc podepnę i zobaczę co będzie.
Wysłane z iPhone za pomocą Tapatalk
Wysłane z iPhone za pomocą Tapatalk
-
- Świeżak
- Posty: 27
- Rejestracja: 27 maja 2021, o 17:34
- Reputacja: 0
- Imię: Piotr
- Samochód: Spark
- Silnik: 1.0
- LPG: Nie
- Lokalizacja: Warszawa
- Kontakt:
Kamera cofania w spark m300
Jeszcze pytanko skąd najlepiej zasilić kamerę przednią do rejestracji ? Kabel mam wyciągnięty przy bezpiecznikach w środku.
Takie coś zakupiłem

Wysłane z iPhone za pomocą Tapatalk
Takie coś zakupiłem

Wysłane z iPhone za pomocą Tapatalk

- huri_khan
- Zasłużony dla forum
- Posty: 5236
- Rejestracja: 9 sie 2013, o 09:29
- Reputacja: 90
- Imię: Robert
- Samochód: Kia Proceed
- Silnik: 1,4 T
- Inny samochód: Ford Mondeo
- Lokalizacja: Bytom
- Kontakt:
Re: Kamera cofania w spark m300
Kamera przednia w zderzaku , jak wyobrażasz sobie to czyścić ?
Zamontuj ją za szybą.
Zamontuj ją za szybą.
240 000 km z Chevroletem w zupełności wystarczyło 

-
- Świeżak
- Posty: 27
- Rejestracja: 27 maja 2021, o 17:34
- Reputacja: 0
- Imię: Piotr
- Samochód: Spark
- Silnik: 1.0
- LPG: Nie
- Lokalizacja: Warszawa
- Kontakt:
Re: Kamera cofania w spark m300


Wysłane z iPhone za pomocą Tapatalk
Dodano po 55 sekundach:
No i przecież z drugiej strony kamera cofania też się brudzi bo jest na zewnątrz
Wysłane z iPhone za pomocą Tapatalk
- etac
- Prezes
- Posty: 24968
- Rejestracja: 4 sie 2013, o 00:31
- Reputacja: 300
- Imię: Krzysztof
- Samochód: Opel Astra L ST
- Silnik: 1.2T Pure Tech
- LPG: NIE
- Inny samochód: Yamaha X-MAX Tech Max
- Lokalizacja: SBE
- Kontakt:
Re: Kamera cofania w spark m300
A kamery 360 są na zewnątrz.
Lekcje prywatne są odpłatne, pytania na forum są darmowe
-
- Świeżak
- Posty: 27
- Rejestracja: 27 maja 2021, o 17:34
- Reputacja: 0
- Imię: Piotr
- Samochód: Spark
- Silnik: 1.0
- LPG: Nie
- Lokalizacja: Warszawa
- Kontakt:
Re: Kamera cofania w spark m300
Wracając do pytania lepiej pod zasilanie radia czy światła hamowania jak w instrukcji ?
Wysłane z iPhone za pomocą Tapatalk
Wysłane z iPhone za pomocą Tapatalk
- etac
- Prezes
- Posty: 24968
- Rejestracja: 4 sie 2013, o 00:31
- Reputacja: 300
- Imię: Krzysztof
- Samochód: Opel Astra L ST
- Silnik: 1.2T Pure Tech
- LPG: NIE
- Inny samochód: Yamaha X-MAX Tech Max
- Lokalizacja: SBE
- Kontakt:
Re: Kamera cofania w spark m300
Do świateł hamowania?
Lekcje prywatne są odpłatne, pytania na forum są darmowe
-
- Świeżak
- Posty: 27
- Rejestracja: 27 maja 2021, o 17:34
- Reputacja: 0
- Imię: Piotr
- Samochód: Spark
- Silnik: 1.0
- LPG: Nie
- Lokalizacja: Warszawa
- Kontakt:
Re: Kamera cofania w spark m300
W instrukcji jest break lights a w opisie skrzynki bezpieczników która jest w środku auta jest pozycja „światła hamowania”
Wysłane z iPhone za pomocą Tapatalk
Wysłane z iPhone za pomocą Tapatalk
- bubu1769
- Administrator
- Posty: 6869
- Rejestracja: 5 wrz 2018, o 16:40
- Reputacja: 457
- Imię: Bartłomiej
- Samochód: Aveo T250
- Silnik: 1.4 101KM
- Inny samochód: Orlando 1.4T, Meriva A 1.8
- Lokalizacja: Kalisz
- Kontakt:
Re: Kamera cofania w spark m300
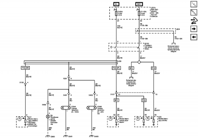
Tylko na tym bezpieczniku F4DA napięcie jest cały czas.
Bardziej bym proponował pod F11DA który odpowiada za podawanie sygnału do sterownika a napięcie na nim jest dopiero po stacyjce.
Bardziej bym proponował pod F11DA który odpowiada za podawanie sygnału do sterownika a napięcie na nim jest dopiero po stacyjce.
- etac
- Prezes
- Posty: 24968
- Rejestracja: 4 sie 2013, o 00:31
- Reputacja: 300
- Imię: Krzysztof
- Samochód: Opel Astra L ST
- Silnik: 1.2T Pure Tech
- LPG: NIE
- Inny samochód: Yamaha X-MAX Tech Max
- Lokalizacja: SBE
- Kontakt:
Re: Kamera cofania w spark m300
pokaż tą instrukcję, bo kto podpina plus pod światła hamowania, skoro po paru sekundach napięcie znika
Lekcje prywatne są odpłatne, pytania na forum są darmowe
Kto jest online
Użytkownicy przeglądający to forum: Obecnie na forum nie ma żadnego zarejestrowanego użytkownika i 1 gość