Kierunkowskazy Chevrolet Cruze

Nie świeci, nie kręci i inne tematy związane z elektryką i elektroniką
ODPOWIEDZ
laki789
Świeżak
Posty: 5
Rejestracja: 7 lip 2020, o 16:05
Reputacja: 0
Imię: Tomasz
Samochód: Cruze
Silnik: 1.6 113KM
LPG: Prins VSI
Lokalizacja: Łódź
Kontakt:

Kierunkowskazy Chevrolet Cruze

Post autor: laki789 » 24 kwie 2023, o 19:27

Witam!
Ostatnio mam problem z kierunkowskazami tylnymi w Cruzie. Od czasu do czasu przestawały mi one działać, lecz wyjęcie lampy ,, pomerdania " przewodem od żarówki, kierunkowskaz znów zaczynał działać. Pare dni temu byłem zmuszony do wymiany światła mijania i po wymianie przestał mi działać po tej samej stronie kierunkowskaz, więc zrobiłem to co zazwyczaj robiłem lecz nic to nie dało. I teraz pytanie czy winy szukać gdzieś przy przedniej lampie czy z tyłu i jak są połączone kierunki między sobą ( czy idzie to ze sterownika świateł do lampy przedniej, później do kierunku w błotniku a pózniej do tylnej lampy ? )

Bunioopl
Fachman
Posty: 5139
Rejestracja: 13 lis 2016, o 20:57
Reputacja: 45
Imię: Mariusz
Samochód: Orlando 1.8 LPG LT+
Silnik: 1.8 2HO, 141KM Pb
LPG: BRC SQ24 Genius 1500
Lokalizacja: Opole
Kontakt:

Re: Kierunkowskazy Chevrolet Cruze

Post autor: Bunioopl » 24 kwie 2023, o 19:47

Przednie i tylnie to oddzielne obwody.
Kierunkowskazy jak i inne.światła sterowane są z BCM (moduł komfortu).
Znam przypadek, że uszkodzeniu uległy prawie wszystkie światła tylnie. Powodem był uszkodzony BCM.

Awatar użytkownika
etac
Prezes
Posty: 24970
Rejestracja: 4 sie 2013, o 00:31
Reputacja: 301
Imię: Krzysztof
Samochód: Opel Astra L ST
Silnik: 1.2T Pure Tech
LPG: NIE
Inny samochód: Yamaha X-MAX Tech Max
Lokalizacja: SBE
Kontakt:

Re: Kierunkowskazy Chevrolet Cruze

Post autor: etac » 24 kwie 2023, o 19:55

Odepnij aku na 10 minut i zobaczymy czy to zwiecha sytemu czy problem z kablami.
Lekcje prywatne są odpłatne, pytania na forum są darmowe

laki789
Świeżak
Posty: 5
Rejestracja: 7 lip 2020, o 16:05
Reputacja: 0
Imię: Tomasz
Samochód: Cruze
Silnik: 1.6 113KM
LPG: Prins VSI
Lokalizacja: Łódź
Kontakt:

Re: Kierunkowskazy Chevrolet Cruze

Post autor: laki789 » 24 kwie 2023, o 20:43

No okey, a macie może schemat pinów na tym BCM ? bo tak to sprawdzę czy jest problem w przewodzie czy w samym module

Awatar użytkownika
bubu1769
Administrator
Posty: 6870
Rejestracja: 5 wrz 2018, o 16:40
Reputacja: 457
Imię: Bartłomiej
Samochód: Aveo T250
Silnik: 1.4 101KM
Inny samochód: Orlando 1.4T, Meriva A 1.8
Lokalizacja: Kalisz
Kontakt:

Re: Kierunkowskazy Chevrolet Cruze

Post autor: bubu1769 » 24 kwie 2023, o 21:04

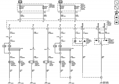
Schemat kierunkowskazów
2443432PL.png
X1 Modułu elektronicznego nadwozia K9_.pdf
(35.84 KiB) Pobrany 49 razy
X2 Modułu elektronicznego nadwozia K9_.pdf
(36.76 KiB) Pobrany 49 razy
X3 Modułu elektronicznego nadwozia K9_.pdf
(36.51 KiB) Pobrany 49 razy
X4 Modułu elektronicznego nadwozia K9_.pdf
(37.31 KiB) Pobrany 47 razy
X5 Modułu elektronicznego nadwozia K9_.pdf
(33.32 KiB) Pobrany 53 razy

Awatar użytkownika
etac
Prezes
Posty: 24970
Rejestracja: 4 sie 2013, o 00:31
Reputacja: 301
Imię: Krzysztof
Samochód: Opel Astra L ST
Silnik: 1.2T Pure Tech
LPG: NIE
Inny samochód: Yamaha X-MAX Tech Max
Lokalizacja: SBE
Kontakt:

Re: Kierunkowskazy Chevrolet Cruze

Post autor: etac » 24 kwie 2023, o 21:35

laki789 pisze:
24 kwie 2023, o 20:43
No okey, a macie może schemat pinów na tym BCM ? bo tak to sprawdzę czy jest problem w przewodzie czy w samym module
dlatego mówię, zrób reset pojazdu w pierwszej kolejności.
Lekcje prywatne są odpłatne, pytania na forum są darmowe

ODPOWIEDZ

Wróć do „Spark Elektryka / Elektronika”

Kto jest online

Użytkownicy przeglądający to forum: Obecnie na forum nie ma żadnego zarejestrowanego użytkownika i 1 gość