Wyłączenie automatycznej klimy podczas nawiewu na szybę

Nie świeci, nie kręci i inne tematy związane z elektryką i elektroniką
Bunioopl
Fachman
Posty: 5139
Rejestracja: 13 lis 2016, o 20:57
Reputacja: 45
Imię: Mariusz
Samochód: Orlando 1.8 LPG LT+
Silnik: 1.8 2HO, 141KM Pb
LPG: BRC SQ24 Genius 1500
Lokalizacja: Opole
Kontakt:

Re: Wyłączenie automatycznej klimy podczas nawiewu na szybę

Post autor: Bunioopl » 8 maja 2023, o 10:24

Mateusz89_89 pisze:Ja uważam że jeśli nie mam ochoty aby klimatyzacja działała bo jest na zewnątrz 21°C i nie trzeba nadmiernie osuszać powietrza wewnatrz to mam do tego prawo aby o tym decydować. Wszyscy producenci są zmuszani do zmniejszania spalania samochodu ale my musimy jeździć na klimie czy trzeba czy nie trzeba. Zresztą czytając różne posty to nie tylko ja staram się rozwiązać ten problem.
To do tego oszczędzania.....
Musisz jeszcze wyłączyć radio. Ogrzewanie wewnątrz, oświetlenie.
Światła też włączają się automatycznie.

Klimę zawsze można wyłączyć ręcznie. Albo zmienić nawiew na inny niż szyba. Za to świateł nie wyłączysz tak łatwo.


No ale, każdy może robić ze swoim autem co zechce. Dziwi mnie tylko dziwne tłumaczenie tego co chcesz.uzyskać

Mateusz89_89
Świeżak
Posty: 22
Rejestracja: 14 sty 2019, o 22:12
Reputacja: 1
Imię: Mateusz
Samochód: Cruze 1.6 LS
Silnik:
Lokalizacja: Gdańsk
Kontakt:

Re: Wyłączenie automatycznej klimy podczas nawiewu na szybę

Post autor: Mateusz89_89 » 8 maja 2023, o 10:58

Nie jesteście od wczoraj na forum i chyba znacie osoby które od kilku lat próbują znaleźć rozwiązanie.
Dobrze że producent klimatyzacji w domu nie uważa że wie lepiej niż ja i klima nie musi działać cały czas "dla mojego dobra" dodatkowo ukrywając ten fakt.

Awatar użytkownika
huri_khan
Zasłużony dla forum
Posty: 5236
Rejestracja: 9 sie 2013, o 09:29
Reputacja: 90
Imię: Robert
Samochód: Kia Proceed
Silnik: 1,4 T
Inny samochód: Ford Mondeo
Lokalizacja: Bytom
Kontakt:

Re: Wyłączenie automatycznej klimy podczas nawiewu na szybę

Post autor: huri_khan » 8 maja 2023, o 11:13

Co innego próbować znaleźć rozwiązanie a co innego głosić teorie o szybszym nagrzewaniu silnika.
240 000 km z Chevroletem w zupełności wystarczyło :)

Bunioopl
Fachman
Posty: 5139
Rejestracja: 13 lis 2016, o 20:57
Reputacja: 45
Imię: Mariusz
Samochód: Orlando 1.8 LPG LT+
Silnik: 1.8 2HO, 141KM Pb
LPG: BRC SQ24 Genius 1500
Lokalizacja: Opole
Kontakt:

Re: Wyłączenie automatycznej klimy podczas nawiewu na szybę

Post autor: Bunioopl » 8 maja 2023, o 12:04

Ale faktycznie. Z włączoną klimą auto się szybciej nagrzewa. Więcej pali bo większe obciążenie i więcej ciepła się wydziela.

Awatar użytkownika
huri_khan
Zasłużony dla forum
Posty: 5236
Rejestracja: 9 sie 2013, o 09:29
Reputacja: 90
Imię: Robert
Samochód: Kia Proceed
Silnik: 1,4 T
Inny samochód: Ford Mondeo
Lokalizacja: Bytom
Kontakt:

Re: Wyłączenie automatycznej klimy podczas nawiewu na szybę

Post autor: huri_khan » 8 maja 2023, o 14:21

Ale autor doświadczenia doszedł do zgoła innych wniosków.

Pytanie czy włączenie klimy na postoju wygeneruje takie obciążenie, że silnik szybciej się zagrzeje i czy do dowymi metodami jest to w stanie ktoś zmierzyć.
Pomijam fakt że temperatura każdego dnia jest inna. Jestem ciekaw czy autor dokonał pomiaru temperatury zimnego bloku. Ciekawe czy ten pomiar był wykonywany podczas jazdy bo tutaj to już wchodzi za dużo zmiennych.
240 000 km z Chevroletem w zupełności wystarczyło :)

Awatar użytkownika
Kraviec
Profesjonalista
Posty: 860
Rejestracja: 23 lis 2014, o 23:46
Reputacja: 13
Imię: Michał
Samochód: Epica V250
Silnik: 2.0, X20D1, 144KM
LPG: KME Nevo
Lokalizacja: Grodzisk Mazowiecki
Kontakt:

Re: Wyłączenie automatycznej klimy podczas nawiewu na szybę

Post autor: Kraviec » 8 maja 2023, o 15:27

Trzeba wziąć pod uwagę, że włączona klima to również włączone wentylatory na chłodnicy co powoduje obniżenie temp. płynu chłodzącego.

Mateusz89_89
Świeżak
Posty: 22
Rejestracja: 14 sty 2019, o 22:12
Reputacja: 1
Imię: Mateusz
Samochód: Cruze 1.6 LS
Silnik:
Lokalizacja: Gdańsk
Kontakt:

Re: Wyłączenie automatycznej klimy podczas nawiewu na szybę

Post autor: Mateusz89_89 » 8 maja 2023, o 17:03

Zrobiłem dwa testy na postoju i dwa testy na tej samej trasie mierząc czas do 90°C przez obd przy tej samej temperaturze zewnętrznej. Blok silnika sprawdzony kamerą termowizyjna żeby wykluczyć jego nagrzanie. Wniosek miałem taki że włączona klimatyzacja powoduje załączenie wentylatora na chłodnicy co powoduje wolniejsze nagrzanie silnika.
Może też być że mój nowy termostat ma jakąś wadę i zaczyna otwierać się przy niższej temp niż powinien.

Bunioopl
Fachman
Posty: 5139
Rejestracja: 13 lis 2016, o 20:57
Reputacja: 45
Imię: Mariusz
Samochód: Orlando 1.8 LPG LT+
Silnik: 1.8 2HO, 141KM Pb
LPG: BRC SQ24 Genius 1500
Lokalizacja: Opole
Kontakt:

Re: Wyłączenie automatycznej klimy podczas nawiewu na szybę

Post autor: Bunioopl » 8 maja 2023, o 18:17

Kraviec pisze:Trzeba wziąć pod uwagę, że włączona klima to również włączone wentylatory na chłodnicy co powoduje obniżenie temp. płynu chłodzącego.
Tak ale dopiero po otwarciu się termostatu ma to wpływ, dopiero jak auto osiągnie minimum 90° w lecie wiosną i jesienią. A zimą 105°.
Ten sam wentylator obciąża silnik pośrednio. Zużywa przecież prąd. Co powoduje większe zużycie paliwa i większe wydzielanie się ciepła.

Mateusz89_89 pisze:Zrobiłem dwa testy na postoju i dwa testy na tej samej trasie mierząc czas do 90°C przez obd przy tej samej temperaturze zewnętrznej. Blok silnika sprawdzony kamerą termowizyjna żeby wykluczyć jego nagrzanie. Wniosek miałem taki że włączona klimatyzacja powoduje załączenie wentylatora na chłodnicy co powoduje wolniejsze nagrzanie silnika.
Może też być że mój nowy termostat ma jakąś wadę i zaczyna otwierać się przy niższej temp niż powinien.

To co odpisujesz, to jakieś herezje.
Albo faktycznie to uszkodzony termostat.

Z twojego opisu wynika mniej więcej to:

Czym bardziej daję po garach, tym bardziej mam zimny silnik.

Moim zdaniem różnice są raczej nie zauważalne.
Jedyną zauważalną różnicą może być tylko zużycie paliwa.

Awatar użytkownika
Kraviec
Profesjonalista
Posty: 860
Rejestracja: 23 lis 2014, o 23:46
Reputacja: 13
Imię: Michał
Samochód: Epica V250
Silnik: 2.0, X20D1, 144KM
LPG: KME Nevo
Lokalizacja: Grodzisk Mazowiecki
Kontakt:

Re: Wyłączenie automatycznej klimy podczas nawiewu na szybę

Post autor: Kraviec » 9 maja 2023, o 15:25

Bunioopl pisze:
8 maja 2023, o 18:17
Kraviec pisze:Trzeba wziąć pod uwagę, że włączona klima to również włączone wentylatory na chłodnicy co powoduje obniżenie temp. płynu chłodzącego.
Tak ale dopiero po otwarciu się termostatu ma to wpływ, dopiero jak auto osiągnie minimum 90° w lecie wiosną i jesienią. A zimą 105°.
Ten sam wentylator obciąża silnik pośrednio. Zużywa przecież prąd. Co powoduje większe zużycie paliwa i większe wydzielanie się ciepła.
Ale termostat nie działa zero/jedynkowo, on się otwiera stopniowo od chyba 65 stopni, bo wtedy płyn zaczyna dużo wolniej zwiększać temperaturę.
Skoro płyn zaczyna już krążyć dużym obiegiem, a wentylatory pracują to nie ma siły, musi się wolniej nagrzewać silnik. Pytanie tylko o ile wolniej. Można to bardzo łatwo zmierzyć tylko po co, szkoda prądu.
Ja osobiście uwielbiam klimatyzację tylko wtedy kiedy jej potrzebuję, a jak nie potrzebuję to na szczęście w Epice przy nawiewie na szybę mogę ją wyłączyć. Szwagier miał kiedyś audi a4 B5 z wiskozą, bo silnik wzdłużnie i jeździł cały rok na klimie, jeeeeezu jak to wyło od razu od odpalenia.

Bunioopl
Fachman
Posty: 5139
Rejestracja: 13 lis 2016, o 20:57
Reputacja: 45
Imię: Mariusz
Samochód: Orlando 1.8 LPG LT+
Silnik: 1.8 2HO, 141KM Pb
LPG: BRC SQ24 Genius 1500
Lokalizacja: Opole
Kontakt:

Re: Wyłączenie automatycznej klimy podczas nawiewu na szybę

Post autor: Bunioopl » 9 maja 2023, o 19:03

Mój przy 90° jest jeszcze całkiem zamknięty. Można to łatwo sprawdzić. Włożyć termostat do gara i grzać. Do tego dobry termometr i będziesz wiedział od jakie temperatury się uchyla.


A ja klimę używam codziennie i w domu i w samochodzie. I jestem z tego zadowolony.

Nawiew na szybę włączam może trzy razy w roku.
Cały czas mam na auto. Więc dla tych trzech razy nie warto się bawić w jakieś przeróbki.

W moim maluchu też ogrzewanie wyło.
A klima była włączona w lecie i zimie. .
No ale to stare czasy były.


Awatar użytkownika
wszim
Zasłużony dla forum
Posty: 15495
Rejestracja: 10 paź 2013, o 22:04
Reputacja: 146
Imię: Wojtek
Samochód: był orlando
Silnik: 1.8 2H0 141KM (KL7)
LPG: BRC SQ24
Inny samochód: toyota RAV4 2.5 hybrid 4x4 222KM
Lokalizacja: Nowy Sącz
Kontakt:

Re: Wyłączenie automatycznej klimy podczas nawiewu na szybę

Post autor: wszim » 9 maja 2023, o 23:56

Ja tam Mateusza rozumiem. Też mnie irytowała praca klimy incognito, nie lubię uszczęśliwiania na siłę. Ja w końcu najczęściej używałem nadmuchu szyba+nogi, wtedy w manualu klima nie uruchamiała się bez mojej woli.
Obrazek Nie bądź obojętny na wojnę w Ukrainie.

Bunioopl
Fachman
Posty: 5139
Rejestracja: 13 lis 2016, o 20:57
Reputacja: 45
Imię: Mariusz
Samochód: Orlando 1.8 LPG LT+
Silnik: 1.8 2HO, 141KM Pb
LPG: BRC SQ24 Genius 1500
Lokalizacja: Opole
Kontakt:

Re: Wyłączenie automatycznej klimy podczas nawiewu na szybę

Post autor: Bunioopl » 10 maja 2023, o 06:22

Rozumiem, że może irytować.
Ale dobór teorii nie taki.

taugusto
Świeżak
Posty: 4
Rejestracja: 22 mar 2022, o 08:17
Reputacja: 0
Imię: Tomek
Samochód: Cruze
Silnik: 1.8 2H0
LPG: BRC SQ24
Lokalizacja: Wrocław
Kontakt:

Re: Wyłączenie automatycznej klimy podczas nawiewu na szybę

Post autor: taugusto » 11 paź 2025, o 11:59

Mateusz89_89 pisze:
7 maja 2023, o 15:44
Ja dziś postanowiłem wyciągnąć bezpiecznik sprężarki i jeżdżę bez klimy z nawiewem na szybę. W planie mam zamontowanie wyłącznika sprężarki w małym schowku.

Hej, Mateusz, który to bezpiecznik, mógłbyś wskazać, nie było problemów ubocznych z innymi systemami ? Mam klimę manualną.
Też mnie wkurza brak możliwości nawiewu powietrza o temp. otoczenia tylko na szybę.

Pozdrawiam,
Tomek

Awatar użytkownika
etac
Prezes
Posty: 24968
Rejestracja: 4 sie 2013, o 00:31
Reputacja: 300
Imię: Krzysztof
Samochód: Opel Astra L ST
Silnik: 1.2T Pure Tech
LPG: NIE
Inny samochód: Yamaha X-MAX Tech Max
Lokalizacja: SBE
Kontakt:

Re: Wyłączenie automatycznej klimy podczas nawiewu na szybę

Post autor: etac » 11 paź 2025, o 21:56

W Cruze nie ma żadnej sensownej opcji wyłączenia cichej klimy. Niestety opcji sterowana jest przez BCM
Lekcje prywatne są odpłatne, pytania na forum są darmowe

Awatar użytkownika
bubu1769
Administrator
Posty: 6869
Rejestracja: 5 wrz 2018, o 16:40
Reputacja: 457
Imię: Bartłomiej
Samochód: Aveo T250
Silnik: 1.4 101KM
Inny samochód: Orlando 1.4T, Meriva A 1.8
Lokalizacja: Kalisz
Kontakt:

Re: Wyłączenie automatycznej klimy podczas nawiewu na szybę

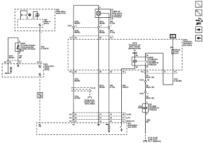
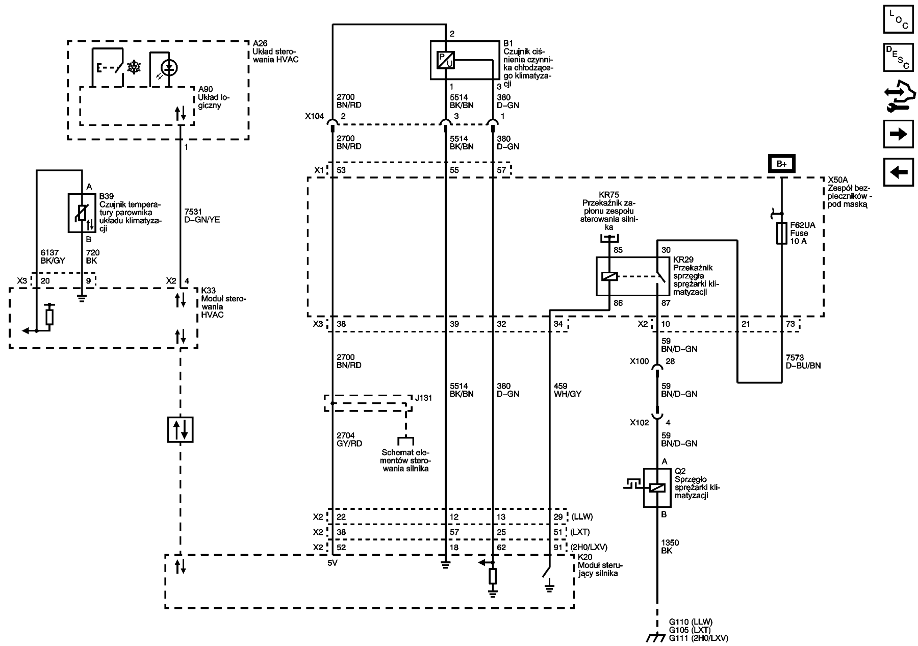
Post autor: bubu1769 » 12 paź 2025, o 08:50

Jak się wyciągnie bezpiecznik od sprzęgła sprężarki to przestanie się ona po prostu załączać.
Bezpiecznik F62UA.
2555056PL.png

kjas9
Profesjonalista
Posty: 910
Rejestracja: 26 sty 2015, o 22:31
Reputacja: 32
Imię: Krzysztof
Samochód: Cruze1,4 Sw LTZ+2012
Silnik: 1,4 T +chip 163 km
LPG: KME Skay Max
Lokalizacja: SO
Kontakt:

Re: Wyłączenie automatycznej klimy podczas nawiewu na szybę

Post autor: kjas9 » 12 paź 2025, o 14:55

Wszyscy skupiają się na problemie włącza się czy nie a nikt nie na tym że ogólnie słabo działa nawiew na przednią szybę,czy jest klima załączona czy tylko dmuchawa, przy dużym deszczu,nie radzi sobie z zaparowanymi szybami.Dla mnie niech chodzi jak chce byle była skuteczna
Lacetti 1,6 sx zmienione w cdx 2011-2019

ODPOWIEDZ

Wróć do „Cruze Elektryka/Elektronika”

Kto jest online

Użytkownicy przeglądający to forum: Obecnie na forum nie ma żadnego zarejestrowanego użytkownika i 3 gości