Problem z radiem J300 / nie działa / czarny ekran

Nie świeci, nie kręci i inne tematy związane z elektryką i elektroniką
andrzejo4
Bywalec
Posty: 165
Rejestracja: 23 lis 2023, o 09:16
Reputacja: 1
Imię: andrzej
Samochód: CRUZE
Silnik: 1.8
Lokalizacja: TARNOBRZEG
Kontakt:

Re: Problem z radiem J300 / nie działa / czarny ekran

Post autor: andrzejo4 » 15 gru 2023, o 08:27

Witam kupiłem cruza 1.8 z 2011. Po paru dniach wysiało radio (J300 radio z cd I wyświetlaczem jedno liniowym )podświetlanie sygnały dźwiękowe chciałbym spróbować je naprawić i mam parę pytań do was

1 Który bezpiecznik -ki odpowiadają za zasilanie radia
1 Na których pinach jest zasilanie w tej dużej czarnej kosce
3 Czy to włączenia radia jest potrzebne tylko zasilanie czy dodatkowy jakiś sygnał jeśli jest to jaki i skąd i gdzie idzie
4 Jeśli problem będzie w samym radiu to czy jak bym kupił drugie to po skopiowaniu eepromu i wgraniu do nowego radia to zadziała mi to radio( gdzie jest zapisywany vin w epromie czy w procesorze radia?), ale coś czuję że będzie problem i będę musiał kupić jakiego chińczyka :(

andrzejo4
Bywalec
Posty: 165
Rejestracja: 23 lis 2023, o 09:16
Reputacja: 1
Imię: andrzej
Samochód: CRUZE
Silnik: 1.8
Lokalizacja: TARNOBRZEG
Kontakt:

Re: Problem z radiem J300 / nie działa / czarny ekran

Post autor: andrzejo4 » 23 lut 2024, o 18:41

powiedzcie jak podłączą radio z np z astry j to czy nic się nie będzie świeciło będzie martwe czy coś będzie pisało na wyświetlaczu ?

Awatar użytkownika
etac
Prezes
Posty: 24968
Rejestracja: 4 sie 2013, o 00:31
Reputacja: 300
Imię: Krzysztof
Samochód: Opel Astra L ST
Silnik: 1.2T Pure Tech
LPG: NIE
Inny samochód: Yamaha X-MAX Tech Max
Lokalizacja: SBE
Kontakt:

Re: Problem z radiem J300 / nie działa / czarny ekran

Post autor: etac » 23 lut 2024, o 19:15

może nie zadziałać, bo inny ma soft, ale w najlepszym przypadku będzie zablokowane.

Pisz do kolegi Crazy, on się bawi w takie klocki
Lekcje prywatne są odpłatne, pytania na forum są darmowe

andrzejo4
Bywalec
Posty: 165
Rejestracja: 23 lis 2023, o 09:16
Reputacja: 1
Imię: andrzej
Samochód: CRUZE
Silnik: 1.8
Lokalizacja: TARNOBRZEG
Kontakt:

Re: Problem z radiem J300 / nie działa / czarny ekran

Post autor: andrzejo4 » 28 lut 2024, o 09:45

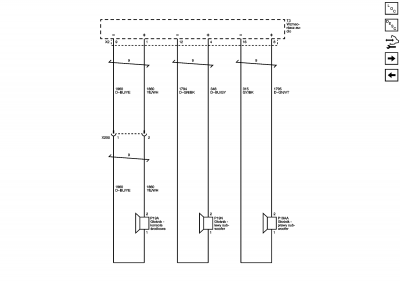
problem chyba rozwiązany, sprawdziłem kondensatory i jeden nie miał swojej pojemności wymieniłem i radio działa, ale nie jestem do końca pewny czy tylko kondzior był problemem no, ale działa i to jest najważniejsze. Po skręceniu wszystkiego do kupy zauważyłem że czasem tak jakby jeden kable od głośnika jest luźny lub nie łączy bo teraz często wyłącza mi się głośnik po prawej stronie z przodu. Jeśli macie jakieś schemat kostki to powiedzcie na których pniach są głośniki

Awatar użytkownika
bubu1769
Administrator
Posty: 6869
Rejestracja: 5 wrz 2018, o 16:40
Reputacja: 457
Imię: Bartłomiej
Samochód: Aveo T250
Silnik: 1.4 101KM
Inny samochód: Orlando 1.4T, Meriva A 1.8
Lokalizacja: Kalisz
Kontakt:

Re: Problem z radiem J300 / nie działa / czarny ekran

Post autor: bubu1769 » 28 lut 2024, o 13:22

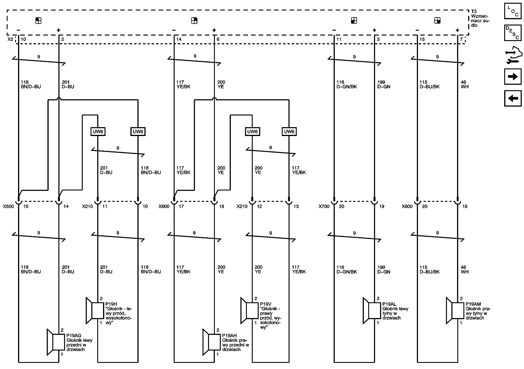
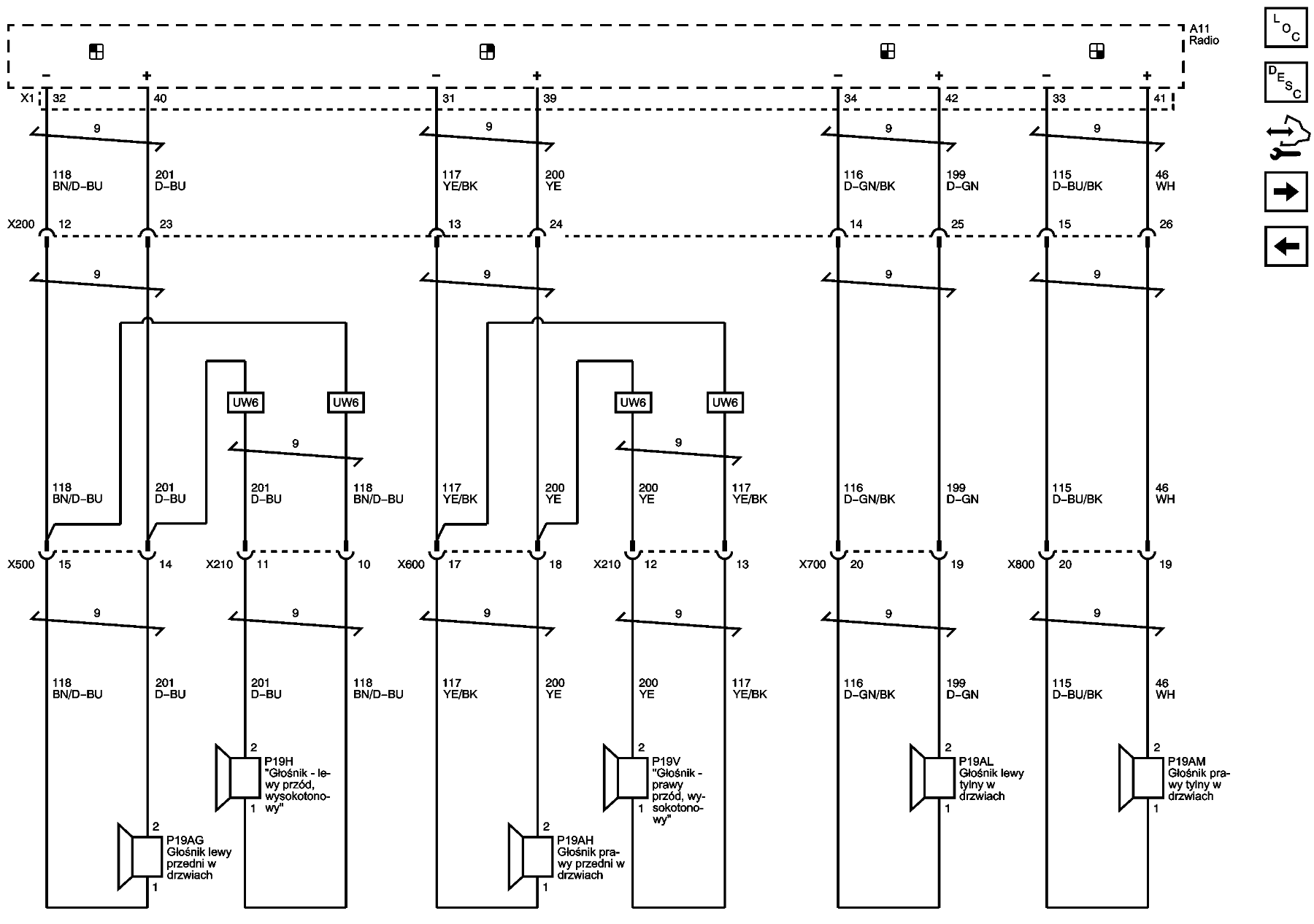
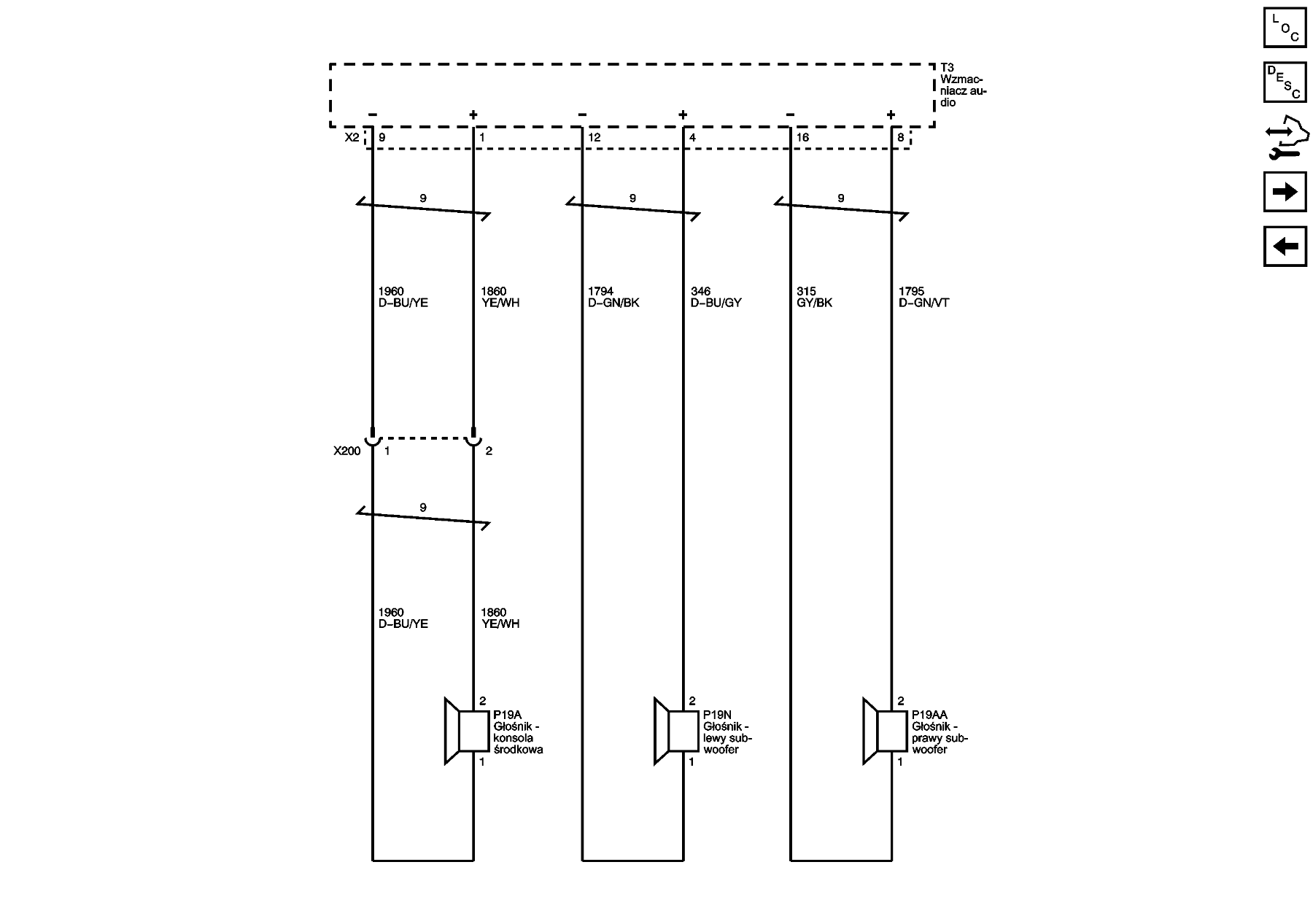
Wersja z dodatkowym wzmacniaczem:
Głośniki w drzwiach
2554818PL.png
Głośniki środkowe i SW
2554820PL.png
Wzmacniacz
2554817PL.png
Wersja bez dodatkowego wzmacniacza:
Głośniki w drzwiach
2554815PL.png

andrzejo4
Bywalec
Posty: 165
Rejestracja: 23 lis 2023, o 09:16
Reputacja: 1
Imię: andrzej
Samochód: CRUZE
Silnik: 1.8
Lokalizacja: TARNOBRZEG
Kontakt:

Re: Problem z radiem J300 / nie działa / czarny ekran

Post autor: andrzejo4 » 28 lut 2024, o 13:41

a powiedz mi gdzie się znajduje ten wzmacniacz

Awatar użytkownika
bubu1769
Administrator
Posty: 6869
Rejestracja: 5 wrz 2018, o 16:40
Reputacja: 457
Imię: Bartłomiej
Samochód: Aveo T250
Silnik: 1.4 101KM
Inny samochód: Orlando 1.4T, Meriva A 1.8
Lokalizacja: Kalisz
Kontakt:

Re: Problem z radiem J300 / nie działa / czarny ekran

Post autor: bubu1769 » 28 lut 2024, o 13:49

W przestrzeni bagażowej, zamocowany do prawej tylnej wnęki koła
T3 Wzmacniacz audio X2 (UQG)_.pdf
(29.05 KiB) Pobrany 19 razy
T3 Wzmacniacz audio X3 (UQG)_.pdf
(32 KiB) Pobrany 19 razy

Awatar użytkownika
etac
Prezes
Posty: 24968
Rejestracja: 4 sie 2013, o 00:31
Reputacja: 300
Imię: Krzysztof
Samochód: Opel Astra L ST
Silnik: 1.2T Pure Tech
LPG: NIE
Inny samochód: Yamaha X-MAX Tech Max
Lokalizacja: SBE
Kontakt:

Re: Problem z radiem J300 / nie działa / czarny ekran

Post autor: etac » 28 lut 2024, o 16:15

andrzejo4 pisze:
28 lut 2024, o 13:41
a powiedz mi gdzie się znajduje ten wzmacniacz
Ale ty nie masz tego wzmacniacza, a na pewno masz problem z głośnikiem prawym.
Lekcje prywatne są odpłatne, pytania na forum są darmowe

andrzejo4
Bywalec
Posty: 165
Rejestracja: 23 lis 2023, o 09:16
Reputacja: 1
Imię: andrzej
Samochód: CRUZE
Silnik: 1.8
Lokalizacja: TARNOBRZEG
Kontakt:

Re: Problem z radiem J300 / nie działa / czarny ekran

Post autor: andrzejo4 » 28 lut 2024, o 21:55

dzisiaj jak wracałem z pracy do słychać było dźwięk z przodu i właśnie wydaje mi się że nie słyszałem tym razem lewego
etac pisze:
28 lut 2024, o 16:15
andrzejo4 pisze:
28 lut 2024, o 13:41
a powiedz mi gdzie się znajduje ten wzmacniacz
Ale ty nie masz tego wzmacniacza, a na pewno masz problem z głośnikiem prawym.
Ja nie wiem czy mam czy nie bo jeszcze nie sprawdzałem, powiedzcie mi taką rzecze.Na schemacie widać że są dwa miejsca łączenia tych głośników tylko gdzie?. domyślam się że jedno pewnie jest gdzieś drzwiach a drugie ?

Awatar użytkownika
etac
Prezes
Posty: 24968
Rejestracja: 4 sie 2013, o 00:31
Reputacja: 300
Imię: Krzysztof
Samochód: Opel Astra L ST
Silnik: 1.2T Pure Tech
LPG: NIE
Inny samochód: Yamaha X-MAX Tech Max
Lokalizacja: SBE
Kontakt:

Re: Problem z radiem J300 / nie działa / czarny ekran

Post autor: etac » 29 lut 2024, o 17:23

na 100% nie masz, bo w EU nie były sprzedawane takie auta z wzmacniaczem BOSE.

Łącze na głośnik wysokotonowy jest na złączu na słupku A z lewej strony przy rączce otwierania klapy. A może właśnie słyszysz wysokotonowe, bo spalone są głośniki niskotonowe w drzwiach
Lekcje prywatne są odpłatne, pytania na forum są darmowe

andrzejo4
Bywalec
Posty: 165
Rejestracja: 23 lis 2023, o 09:16
Reputacja: 1
Imię: andrzej
Samochód: CRUZE
Silnik: 1.8
Lokalizacja: TARNOBRZEG
Kontakt:

Re: Problem z radiem J300 / nie działa / czarny ekran

Post autor: andrzejo4 » 1 mar 2024, o 07:02

etac pisze:
29 lut 2024, o 17:23
na 100% nie masz, bo w EU nie były sprzedawane takie auta z wzmacniaczem BOSE.
Skoro tak mówisz to ci wierzę. W sumie to dobrze że go nie mam o jeden mniej problem :P. Jeszcze raz muszę dostać się do gniazda tego radia i myślałem podpiąć telefon żeby sprawdzić głośniki, ale coś czuję że i tak nie będę słyszał (za słaby wzmacniacz w telefonie ). Podepnę bateryjkę 9v i tak sprawdzą czy głośniki są dobre

ODPOWIEDZ

Wróć do „Cruze Elektryka/Elektronika”

Kto jest online

Użytkownicy przeglądający to forum: Obecnie na forum nie ma żadnego zarejestrowanego użytkownika i 2 gości