Wyłączenie automatycznej klimy podczas nawiewu na szybę
-
- Świeżak
- Posty: 7
- Rejestracja: 23 wrz 2022, o 13:09
- Reputacja: 0
- Imię: waldemar
- Samochód: aveo
- Silnik: 1,2
- LPG: nie
- Lokalizacja: Namysłów
- Kontakt:
Re: Wyłączenie automatycznej klimy podczas nawiewu na szybę
Witam. Sprawa jest prosta jak budowa cepa. Osobiście wyłączyłem tę opcje w chevrolecie aveo w ciągu 30 minut.jak ktoś nie wie jak to zrobić proszę dzwonić pomogę 662612025
Waldek
Waldek
Ostatnio zmieniony 23 wrz 2022, o 18:37 przez bubu1769, łącznie zmieniany 1 raz.
Powód: Iterpunkcja, ortografia, literówki.
Powód: Iterpunkcja, ortografia, literówki.
- bubu1769
- Administrator
- Posty: 6869
- Rejestracja: 5 wrz 2018, o 16:40
- Reputacja: 457
- Imię: Bartłomiej
- Samochód: Aveo T250
- Silnik: 1.4 101KM
- Inny samochód: Orlando 1.4T, Meriva A 1.8
- Lokalizacja: Kalisz
- Kontakt:
Re: Wyłączenie automatycznej klimy podczas nawiewu na szybę
Pytanie w jakim Aveo?
W T250/255 z manualną klimatyzacją jest to banalnie proste, przy automatycznej jest już problem.
W T250/255 z manualną klimatyzacją jest to banalnie proste, przy automatycznej jest już problem.
- etac
- Prezes
- Posty: 24968
- Rejestracja: 4 sie 2013, o 00:31
- Reputacja: 300
- Imię: Krzysztof
- Samochód: Opel Astra L ST
- Silnik: 1.2T Pure Tech
- LPG: NIE
- Inny samochód: Yamaha X-MAX Tech Max
- Lokalizacja: SBE
- Kontakt:
Re: Wyłączenie automatycznej klimy podczas nawiewu na szybę
Sorki, ale takie posty my tu nie lubimy.waldemar19 pisze: ↑23 wrz 2022, o 13:16Witam.Sprawa jest prosta jak budowa cepa.Osobiście wyłaczyłem tę opcje w chevrolecie aveo w ciagu 30 minut.jak ktoś nie wie jak to zrobić prosze dzwonic pomoge 662612025
Waldek
Dzielisz się tutaj wiedzą albo siedzisz cicho.
Lekcje prywatne są odpłatne, pytania na forum są darmowe
-
- Świeżak
- Posty: 7
- Rejestracja: 23 wrz 2022, o 13:09
- Reputacja: 0
- Imię: waldemar
- Samochód: aveo
- Silnik: 1,2
- LPG: nie
- Lokalizacja: Namysłów
- Kontakt:
Re: Wyłączenie automatycznej klimy podczas nawiewu na szybę
Ktoś mi zwrócił uwagę, że nie lubi takich postów odnośnie faktu ,że sprawa wyłączenia klimy przy nawiewie na szybę jest prosta w chevrolecie aveo. Bo jest.Płaskoszczypami ściągamy gałkę kierunku nawiewu i widać mikrowłącznik który jest załączany gdy nawiew jest skierowany na szybę lub na szybę i nogi. Wystarczy lekko podważyć ten mikrowłacznik i wysunąć go z zaczepów. Wtedy gałka kierunku nawiewu nie będzie go załączała -i po problemie. Jeśli ktoś tego nie zrozumiał telefon do mnie 662612025
Waldek
Waldek
Ostatnio zmieniony 23 wrz 2022, o 18:39 przez bubu1769, łącznie zmieniany 1 raz.
Powód: Iterpunkcja, ortografia, literówki.
Powód: Iterpunkcja, ortografia, literówki.
- bubu1769
- Administrator
- Posty: 6869
- Rejestracja: 5 wrz 2018, o 16:40
- Reputacja: 457
- Imię: Bartłomiej
- Samochód: Aveo T250
- Silnik: 1.4 101KM
- Inny samochód: Orlando 1.4T, Meriva A 1.8
- Lokalizacja: Kalisz
- Kontakt:
Re: Wyłączenie automatycznej klimy podczas nawiewu na szybę
Tak, ale tyczy się to jedynie sytuacji jeśli w samochodzie jest klimatyzacja manualna.
Ten sposób był już u nas opisywany.
viewtopic.php?p=12339#p12339
A nie lubimy jak ktoś od razu oferuje prywatną pomoc bez wcześniejszego opisania rozwiązania.
Ten sposób był już u nas opisywany.
viewtopic.php?p=12339#p12339
A nie lubimy jak ktoś od razu oferuje prywatną pomoc bez wcześniejszego opisania rozwiązania.
-
- Świeżak
- Posty: 7
- Rejestracja: 23 wrz 2022, o 13:09
- Reputacja: 0
- Imię: waldemar
- Samochód: aveo
- Silnik: 1,2
- LPG: nie
- Lokalizacja: Namysłów
- Kontakt:
Re: Wyłączenie automatycznej klimy podczas nawiewu na szybę
Ok ale co włacza klimatyzacje automatyczną jeśłi skierujemy gałkę strumienia na szybę .Trzeba sobie odpowiedzieć na to pytanie i to wyeliminować -coś musie przecież właczać klimę?
Ostatnio zmieniony 23 wrz 2022, o 19:01 przez bubu1769, łącznie zmieniany 1 raz.
Powód: Usunięto cytat.
Powód: Usunięto cytat.
- bubu1769
- Administrator
- Posty: 6869
- Rejestracja: 5 wrz 2018, o 16:40
- Reputacja: 457
- Imię: Bartłomiej
- Samochód: Aveo T250
- Silnik: 1.4 101KM
- Inny samochód: Orlando 1.4T, Meriva A 1.8
- Lokalizacja: Kalisz
- Kontakt:
Re: Wyłączenie automatycznej klimy podczas nawiewu na szybę
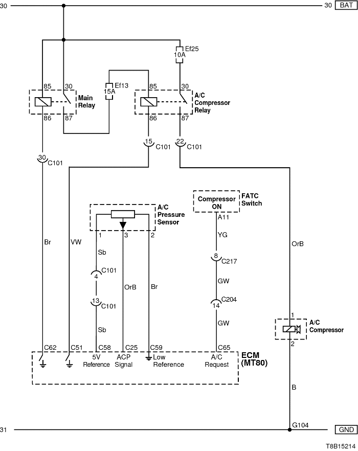
Tak wygląda panel automatycznej klimatyzacji w Aveo T250/T255, jest w pełni elektroniczny, łącznie z pokrętłami.
Przykład mojego MT80 Jakby był prosty sposób na wyłączenie tego to już bym u siebie dawno to zrobił.
A tak to wygląda na schemacie
Sprężarka jest oczywiście sterowana z ECM
Przykład mojego MT80 Jakby był prosty sposób na wyłączenie tego to już bym u siebie dawno to zrobił.
- etac
- Prezes
- Posty: 24968
- Rejestracja: 4 sie 2013, o 00:31
- Reputacja: 300
- Imię: Krzysztof
- Samochód: Opel Astra L ST
- Silnik: 1.2T Pure Tech
- LPG: NIE
- Inny samochód: Yamaha X-MAX Tech Max
- Lokalizacja: SBE
- Kontakt:
Re: Wyłączenie automatycznej klimy podczas nawiewu na szybę
elektronika, w którą nie zaingerujeszwaldemar19 pisze: ↑23 wrz 2022, o 18:55Ok ale co włacza klimatyzacje automatyczną jeśłi skierujemy gałkę strumienia na szybę .Trzeba sobie odpowiedzieć na to pytanie i to wyeliminować -coś musie przecież właczać klimę?
Lekcje prywatne są odpłatne, pytania na forum są darmowe
-
- Świeżak
- Posty: 7
- Rejestracja: 23 wrz 2022, o 13:09
- Reputacja: 0
- Imię: waldemar
- Samochód: aveo
- Silnik: 1,2
- LPG: nie
- Lokalizacja: Namysłów
- Kontakt:
Wyłączenie automatycznej klimy podczas nawiewu na szybę
Ok.Jedno zasadnicze pytanie-co włacza klimatyzację-jeśli robi to przekaznik to można dołożyc przełacznik i przez styki tego przełacznika puścić zasilanie cewki przekażnika(styk 85 przekaznika)
- bubu1769
- Administrator
- Posty: 6869
- Rejestracja: 5 wrz 2018, o 16:40
- Reputacja: 457
- Imię: Bartłomiej
- Samochód: Aveo T250
- Silnik: 1.4 101KM
- Inny samochód: Orlando 1.4T, Meriva A 1.8
- Lokalizacja: Kalisz
- Kontakt:
Re: Wyłączenie automatycznej klimy podczas nawiewu na szybę
I za każdym razem gdy będę chciał używać klimatyzacji będę musiał ją ręcznie załączyć bądź dołożyć jakiś układu czasowy który rozłączy sprężarkę tylko na określony czas po odpaleniu?
Pozostaje jeszcze kwestia automatycznego załączania nawiewu a szybę.
Dla tego twierdzę że w automacie nie jest to takie proste a uciążliwość tego nie jest na tyle duża żebym musiał kombinować z wyłączeniem.
Pozostaje jeszcze kwestia automatycznego załączania nawiewu a szybę.
Dla tego twierdzę że w automacie nie jest to takie proste a uciążliwość tego nie jest na tyle duża żebym musiał kombinować z wyłączeniem.
- tdon
- Zasłużony dla forum
- Posty: 2687
- Rejestracja: 2 sty 2014, o 11:56
- Reputacja: 57
- Imię: Tomek
- Samochód: Hyundai i20 BC3
- Silnik: 1,2 16V 84KM
- LPG: BRC SQ32 DualJet
- Inny samochód: Był Aveo T300 LT+
- Lokalizacja: Kozienice
- Kontakt:
Re: Wyłączenie automatycznej klimy podczas nawiewu na szybę
Waldek, ty się nie obawiasz, że jak będziesz miał jakiś problem, wtedy koledzy znający rozwiązanie każą ci dzwonić do siebie ?
Forum jest po to, aby dzielić się zdobytą wiedzą z użytkownikami a nie uprawiać jakąś partyzantkę.
Masz jakieś profity od ilości odebranych połączeń ???
Etac ma 100% racji w tym co napisał.
Może wreszcie łaskawie napiszesz w którym konkretnie modelu usunąłeś krańcówkę ?
Forum jest po to, aby dzielić się zdobytą wiedzą z użytkownikami a nie uprawiać jakąś partyzantkę.
Masz jakieś profity od ilości odebranych połączeń ???
Etac ma 100% racji w tym co napisał.
Może wreszcie łaskawie napiszesz w którym konkretnie modelu usunąłeś krańcówkę ?
- bubu1769
- Administrator
- Posty: 6869
- Rejestracja: 5 wrz 2018, o 16:40
- Reputacja: 457
- Imię: Bartłomiej
- Samochód: Aveo T250
- Silnik: 1.4 101KM
- Inny samochód: Orlando 1.4T, Meriva A 1.8
- Lokalizacja: Kalisz
- Kontakt:
Re: Wyłączenie automatycznej klimy podczas nawiewu na szybę
W Aveo T250/255 z manualną klimą.
-
- Świeżak
- Posty: 7
- Rejestracja: 23 wrz 2022, o 13:09
- Reputacja: 0
- Imię: waldemar
- Samochód: aveo
- Silnik: 1,2
- LPG: nie
- Lokalizacja: Namysłów
- Kontakt:
Re: Wyłączenie automatycznej klimy podczas nawiewu na szybę
Witam.Mikrowłącznik wysunąłem z zaczepów w manualnej klimie.A co do automatu to zasada jest taka sama czyli wciśnięcie przycisku z nawiewiem na szybe badz przycisku z nawiewem na szybe i nogi włacza nam klimatyzację.Trzeba ten panel rozebrać i sprawdzić na którym kablu jest 12V które nam załącza klime bo musi iść jakiś rozkaz do sterownika klimy żeby sie uruchomiła.Ten kabel puściłbym przez przełacznik aby móc te opcje wyłaczyć
- bubu1769
- Administrator
- Posty: 6869
- Rejestracja: 5 wrz 2018, o 16:40
- Reputacja: 457
- Imię: Bartłomiej
- Samochód: Aveo T250
- Silnik: 1.4 101KM
- Inny samochód: Orlando 1.4T, Meriva A 1.8
- Lokalizacja: Kalisz
- Kontakt:
Re: Wyłączenie automatycznej klimy podczas nawiewu na szybę
W automacie wszystko jest sterowane elektronicznie.
Wszystkie przyciski są monostabilne a pokrętła to enkodery.
Nie jestem pewien czy podczas manualnego wybrania nawiewu na szybę sprężarka też się załącza, bym musiał to u siebie sprawdzić, ale w ustawieniu automatycznym to w określonych warunkach po każdym odpaleniu samochodu załącza się nawiew na szybę łącznie z klimatyzacją i dopiero po pewnym czasie przechodzi w normalny tryb utrzymywania temperatury wewnątrz samochodu.
Wyłączeniem tego wiązało by się z koniecznością każdorazowego wyłączania i włączania automatu bądź przerywania sygnału idące ze sterownika klimatyzacji do ECM.
Odłączenie samego sprzęgła klimatyzacji raczej nie było by dobrym rozwiązaniem ponieważ ECM po dostaniu sygnału o potrzebie załączenia sprężarki zmienia także prace silnika pod to dodatkowe obciążenie.
Ciekawi mnie natomiast jedna rzecz, w poprzednim jak i aktualnym Aveo klimatyzacja czasami samoczynnie wyłącza tryb automatyczny.
Nie mogę dojść czemu się tak dzieje.
Podejrzewam że może to być związanie z kilkukrotną niemożnością utrzymania zadanej temperatury przez co stewonik przechodzi w tryb manualny.
Wszystkie przyciski są monostabilne a pokrętła to enkodery.
Nie jestem pewien czy podczas manualnego wybrania nawiewu na szybę sprężarka też się załącza, bym musiał to u siebie sprawdzić, ale w ustawieniu automatycznym to w określonych warunkach po każdym odpaleniu samochodu załącza się nawiew na szybę łącznie z klimatyzacją i dopiero po pewnym czasie przechodzi w normalny tryb utrzymywania temperatury wewnątrz samochodu.
Wyłączeniem tego wiązało by się z koniecznością każdorazowego wyłączania i włączania automatu bądź przerywania sygnału idące ze sterownika klimatyzacji do ECM.
Odłączenie samego sprzęgła klimatyzacji raczej nie było by dobrym rozwiązaniem ponieważ ECM po dostaniu sygnału o potrzebie załączenia sprężarki zmienia także prace silnika pod to dodatkowe obciążenie.
Ciekawi mnie natomiast jedna rzecz, w poprzednim jak i aktualnym Aveo klimatyzacja czasami samoczynnie wyłącza tryb automatyczny.
Nie mogę dojść czemu się tak dzieje.
Podejrzewam że może to być związanie z kilkukrotną niemożnością utrzymania zadanej temperatury przez co stewonik przechodzi w tryb manualny.
- papieju
- Fachman
- Posty: 2040
- Rejestracja: 28 sty 2018, o 15:18
- Reputacja: 68
- Imię: Marcin
- Samochód: Nubira kombi 1.8 LPG
- Silnik:
- Lokalizacja: Włoszczowa
- Kontakt:
Re: Wyłączenie automatycznej klimy podczas nawiewu na szybę
Czy ktoś mi wyjaśni po co w ogóle to robić?
- etac
- Prezes
- Posty: 24968
- Rejestracja: 4 sie 2013, o 00:31
- Reputacja: 300
- Imię: Krzysztof
- Samochód: Opel Astra L ST
- Silnik: 1.2T Pure Tech
- LPG: NIE
- Inny samochód: Yamaha X-MAX Tech Max
- Lokalizacja: SBE
- Kontakt:
Re: Wyłączenie automatycznej klimy podczas nawiewu na szybę
Ale co robić?
Lekcje prywatne są odpłatne, pytania na forum są darmowe
- bubu1769
- Administrator
- Posty: 6869
- Rejestracja: 5 wrz 2018, o 16:40
- Reputacja: 457
- Imię: Bartłomiej
- Samochód: Aveo T250
- Silnik: 1.4 101KM
- Inny samochód: Orlando 1.4T, Meriva A 1.8
- Lokalizacja: Kalisz
- Kontakt:
Re: Wyłączenie automatycznej klimy podczas nawiewu na szybę
Bo w dużej części przypadków automatynczne załączanie się klimatyzacji podczas nawiewu na szybę jest niepotrzebne.
- papieju
- Fachman
- Posty: 2040
- Rejestracja: 28 sty 2018, o 15:18
- Reputacja: 68
- Imię: Marcin
- Samochód: Nubira kombi 1.8 LPG
- Silnik:
- Lokalizacja: Włoszczowa
- Kontakt:
Re: Wyłączenie automatycznej klimy podczas nawiewu na szybę
Ok, ale nawet jeśli to co? W Nubirze przy włączeniu na panelu nawiewu na przednią szybę włącza klimatyzację ale można ją od razu wyłączyć przez wciśnięcie AC, śnieżynka znika i kompresor faktycznie się wyłącza co słychać. W Aveo tak to nie działa?
- bubu1769
- Administrator
- Posty: 6869
- Rejestracja: 5 wrz 2018, o 16:40
- Reputacja: 457
- Imię: Bartłomiej
- Samochód: Aveo T250
- Silnik: 1.4 101KM
- Inny samochód: Orlando 1.4T, Meriva A 1.8
- Lokalizacja: Kalisz
- Kontakt:
Re: Wyłączenie automatycznej klimy podczas nawiewu na szybę
W Aveo z automatyczna klimatyzacją przy ręcznym wybraniu nawiewu na szybę, czy to dedykowanym przyciskiem czy też poprzez zmianę trybu, załącza się też klimatyzacja ale tak jak u Ciebie można ja wyłączyć przyciskiem A/C.
Natomiast w automacie jeśli są spełnione warunki to po załączeniu uruchamia się nawiew na szybę z klimatyzacją a naciśniecie przycisku A/C bądź zmiana trybu wyłącza nam automat.
Dla mnie irytujące jest właśnie to że nie mogę w prosty sposób wybrać samego nawiewu na szybę bez klimatyzacji i nie mam też możliwości wyłączenia tego automatycznego nawiewu na szybę po odpaleniu.
W Kia Soul rodziców też jest tak zrobiony nawiew ale jest właśnie możliwość dezaktywacji tej funkcji.
Natomiast w automacie jeśli są spełnione warunki to po załączeniu uruchamia się nawiew na szybę z klimatyzacją a naciśniecie przycisku A/C bądź zmiana trybu wyłącza nam automat.
Dla mnie irytujące jest właśnie to że nie mogę w prosty sposób wybrać samego nawiewu na szybę bez klimatyzacji i nie mam też możliwości wyłączenia tego automatycznego nawiewu na szybę po odpaleniu.
W Kia Soul rodziców też jest tak zrobiony nawiew ale jest właśnie możliwość dezaktywacji tej funkcji.
- wszim
- Zasłużony dla forum
- Posty: 15495
- Rejestracja: 10 paź 2013, o 22:04
- Reputacja: 146
- Imię: Wojtek
- Samochód: był orlando
- Silnik: 1.8 2H0 141KM (KL7)
- LPG: BRC SQ24
- Inny samochód: toyota RAV4 2.5 hybrid 4x4 222KM
- Lokalizacja: Nowy Sącz
- Kontakt:
Re: Wyłączenie automatycznej klimy podczas nawiewu na szybę
W orlando i cruze nawet w manualu nie można wyłączyć klimatyzacji nawiewu na szybę, nawet przyciskiem klimy, bo i tak się nie świeci a działa.

-
- Świeżak
- Posty: 1
- Rejestracja: 13 paź 2022, o 14:13
- Reputacja: 0
- Imię: Zbyszek
- Samochód: Aveo
- Silnik: 1.2 16V
- Lokalizacja: Bydgoszcz
- Kontakt:
Re: Wyłączenie automatycznej klimy podczas nawiewu na szybę
Witam, zarejestrowałem się na forum ponieważ żona ma teraz Aveo (chyba T255) i to co najbardziej mnie wkurza to niemożliwość wyłączenia klimy(manualnej) przy nawiewie na szybę. Ten mikrowłącznik można normalnie wypiąć czy tak jak w cytowanym wątku ciąć kable?
- bubu1769
- Administrator
- Posty: 6869
- Rejestracja: 5 wrz 2018, o 16:40
- Reputacja: 457
- Imię: Bartłomiej
- Samochód: Aveo T250
- Silnik: 1.4 101KM
- Inny samochód: Orlando 1.4T, Meriva A 1.8
- Lokalizacja: Kalisz
- Kontakt:
Re: Wyłączenie automatycznej klimy podczas nawiewu na szybę
Mikrowyłacznik ma przylutowane przewody wiec trzeba je albo odlutować albo uciąć.
-
- Świeżak
- Posty: 7
- Rejestracja: 23 wrz 2022, o 13:09
- Reputacja: 0
- Imię: waldemar
- Samochód: aveo
- Silnik: 1,2
- LPG: nie
- Lokalizacja: Namysłów
- Kontakt:
Re: Wyłączenie automatycznej klimy podczas nawiewu na szybę
Witam.W Aveo z manualna klima nie trzeba ciąć żadnych kabli aby wyłaczyć klime przy nawiewie na szybę.Trzeba sciagnac gałke kierunku nawiewu i mikrowyłacznik wysunąć z zaczepów tak aby pokretło kierunku nawiewu go nie załaczało.Ja w swoim Aveo tak zrobiłem i jest ok
Kto jest online
Użytkownicy przeglądający to forum: Obecnie na forum nie ma żadnego zarejestrowanego użytkownika i 1 gość