T300 sedan - brak grzania tylnej szyby
- MIDO
- Wymiatacz
- Posty: 1314
- Rejestracja: 5 sty 2014, o 14:38
- Reputacja: 32
- Imię: Miłosz
- Samochód: Aveo T300 LTZ
- Silnik: 1,4 74kW
- LPG: BRC SQ32 Alba
- Inny samochód: Hyundai i20 Cool
- Lokalizacja: Wrocław
- Kontakt:
T300 sedan - brak grzania tylnej szyby
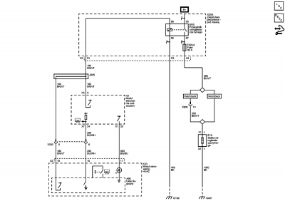
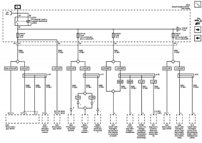
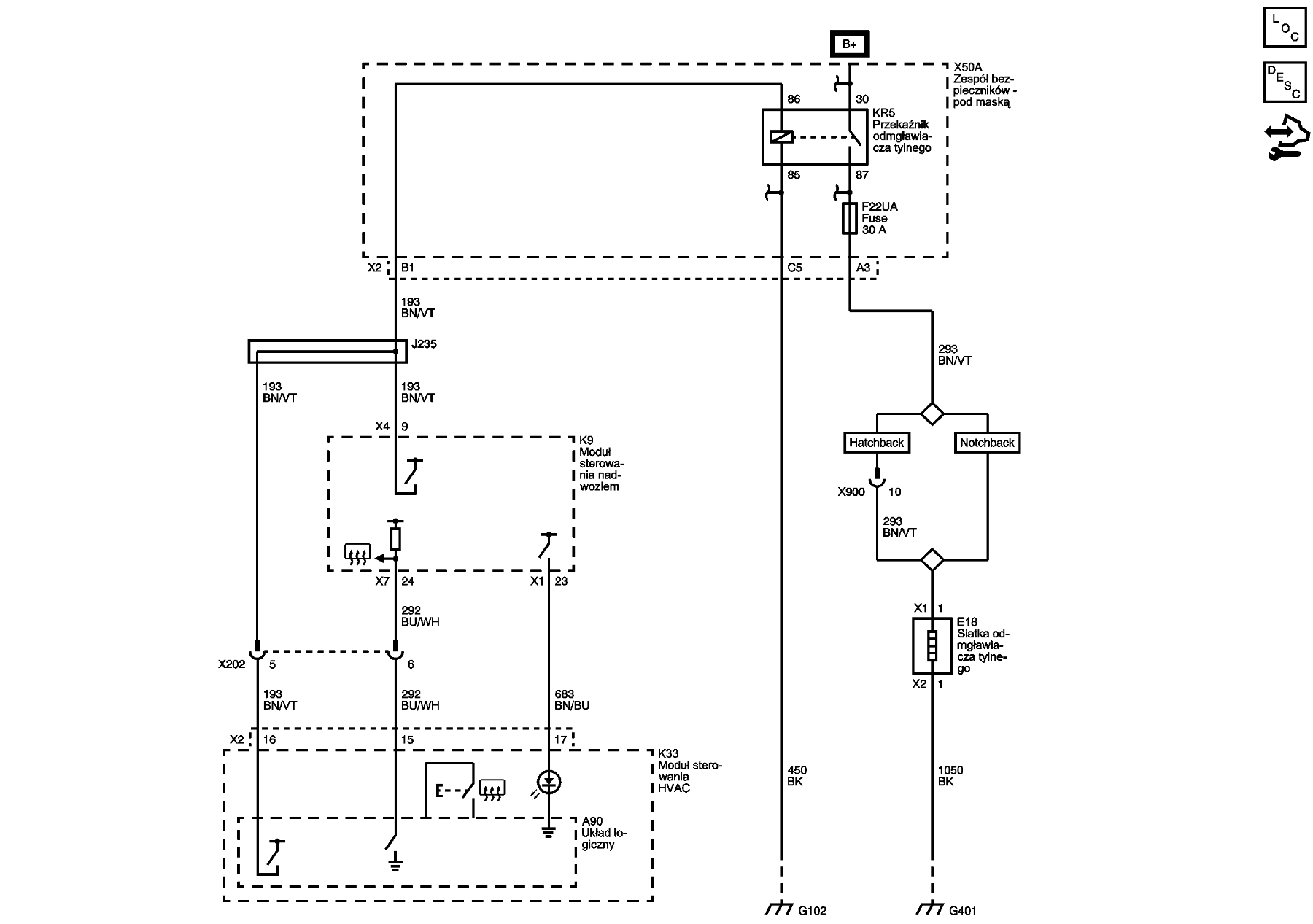
Pacjent Aveo T300 benzyna, sedan. Objaw - brak grzania tylnej szyby. Przekaźnik 14 oraz bezpiecznik 15 w komorze silnika sprawdzone - sprawne. Napięcia na zaciskach szyby brak. Rezystancja między pinami szyby 0,6ohm, między lewym pinem a masą 0ohm, między prawym pinem a masą 0,4ohm. Gdzie dalej szukać?
Nowa odma dobra na wszystko!!!
- bubu1769
- Administrator
- Posty: 6869
- Rejestracja: 5 wrz 2018, o 16:40
- Reputacja: 457
- Imię: Bartłomiej
- Samochód: Aveo T250
- Silnik: 1.4 101KM
- Inny samochód: Orlando 1.4T, Meriva A 1.8
- Lokalizacja: Kalisz
- Kontakt:
Re: T300 sedan - brak grzania tylnej szyby
Ja bym sprawdził czy z samej skrzynki wychodzi napięcie.
- etac
- Prezes
- Posty: 24968
- Rejestracja: 4 sie 2013, o 00:31
- Reputacja: 300
- Imię: Krzysztof
- Samochód: Opel Astra L ST
- Silnik: 1.2T Pure Tech
- LPG: NIE
- Inny samochód: Yamaha X-MAX Tech Max
- Lokalizacja: SBE
- Kontakt:
Re: T300 sedan - brak grzania tylnej szyby
Dokładnie, masz schemat i sprawdzać na bcm czy dostaję sygnał i czy wypuszcza sygnał do załączenia, a potem czy sam przekaźnik dostaje i wypuszcza napięcie. Itd. Bez miernika można tu pisać pracę doktorską
Lekcje prywatne są odpłatne, pytania na forum są darmowe
- MIDO
- Wymiatacz
- Posty: 1314
- Rejestracja: 5 sty 2014, o 14:38
- Reputacja: 32
- Imię: Miłosz
- Samochód: Aveo T300 LTZ
- Silnik: 1,4 74kW
- LPG: BRC SQ32 Alba
- Inny samochód: Hyundai i20 Cool
- Lokalizacja: Wrocław
- Kontakt:
Re: T300 sedan - brak grzania tylnej szyby
Qźwa dzisiaj działa... Być może pomogło wyciągnięcie przekaźnika/poruszanie stykami przy szybie.
Nie lubię usterek typu "pojawiam się i znikam"
Nie lubię usterek typu "pojawiam się i znikam"

Nowa odma dobra na wszystko!!!
- MIDO
- Wymiatacz
- Posty: 1314
- Rejestracja: 5 sty 2014, o 14:38
- Reputacja: 32
- Imię: Miłosz
- Samochód: Aveo T300 LTZ
- Silnik: 1,4 74kW
- LPG: BRC SQ32 Alba
- Inny samochód: Hyundai i20 Cool
- Lokalizacja: Wrocław
- Kontakt:
Re: T300 sedan - brak grzania tylnej szyby
No i zabawa zaczyna się od nowa - dziś znowu brak grzania...
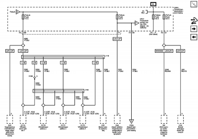
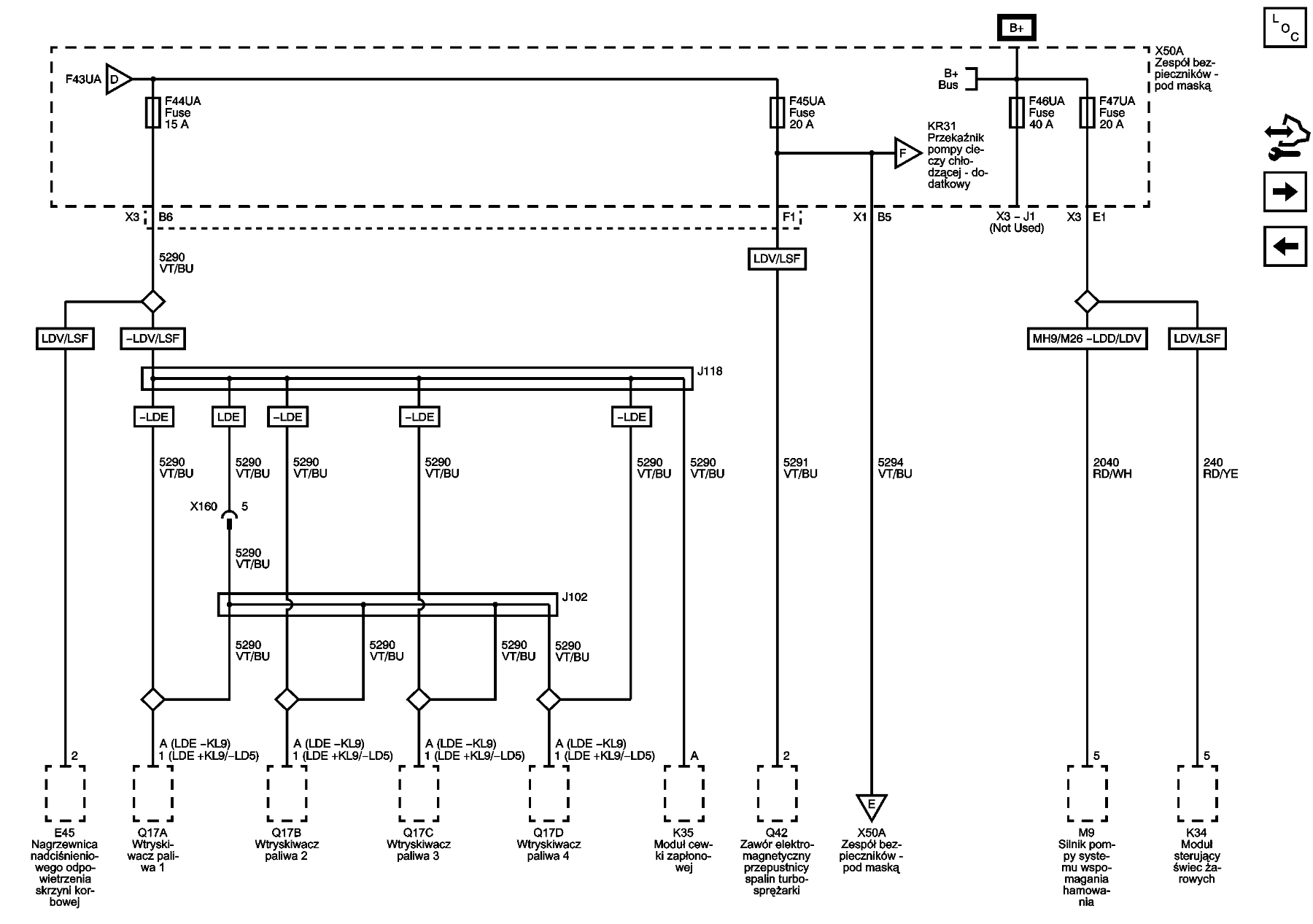
Na razie zacznę od podmiany przekaźnika na inny. Za co odpowiada przekaźnik 51 - opisany jako "przekaźnik P/T" ??
Na razie zacznę od podmiany przekaźnika na inny. Za co odpowiada przekaźnik 51 - opisany jako "przekaźnik P/T" ??
Nowa odma dobra na wszystko!!!
- bubu1769
- Administrator
- Posty: 6869
- Rejestracja: 5 wrz 2018, o 16:40
- Reputacja: 457
- Imię: Bartłomiej
- Samochód: Aveo T250
- Silnik: 1.4 101KM
- Inny samochód: Orlando 1.4T, Meriva A 1.8
- Lokalizacja: Kalisz
- Kontakt:
Re: T300 sedan - brak grzania tylnej szyby
Jeśli dobrze odczytuje to
Przekaźnik zespołu napędowego KR75
F40UA, ECM_3/F41UA, ECM_4/F42UA, ECM_1/F43UA, WTRYSKIWACZ/F44UA, CEWKA/F45UA
- MIDO
- Wymiatacz
- Posty: 1314
- Rejestracja: 5 sty 2014, o 14:38
- Reputacja: 32
- Imię: Miłosz
- Samochód: Aveo T300 LTZ
- Silnik: 1,4 74kW
- LPG: BRC SQ32 Alba
- Inny samochód: Hyundai i20 Cool
- Lokalizacja: Wrocław
- Kontakt:
Re: T300 sedan - brak grzania tylnej szyby
Diagnostyka w trakcie. W celu określenia kierunku poszukiwania problemu wpiąłem się z LEDami na przekaźnik. Pierwszy na cewkę przekaźnika, drugi na styk "przed" przekaźnikiem i trzeci na styk "za" przekaźnikiem. Czwarty dziś podepnę na piny szyby. Zakładam że da mi to możliwość ukierunkowania działań. Wygląda na to że na chwilę obecną sterowanie przekaźnikiem i sama praca przekaźnika jest OK. Niestety dziś jest również ten dzień kiedy grzanie szyby działa.
Pytanie dodatkowe. Zauważyłem, że wczoraj i dzisiaj przy uruchamianiu samochodu rano SAMOCZYNNIE załączyło się grzanie szyby. Być może wcześniej nie zwracałem na to uwagi a teraz zauważyłem walące diody które zamontowałem w celach diagnostycznych. Czy takie załączanie jest normalnie w T300? Czy poniżej jakieś temperatury grzanie włącza się "profilaktycznie" ??
Pytanie dodatkowe. Zauważyłem, że wczoraj i dzisiaj przy uruchamianiu samochodu rano SAMOCZYNNIE załączyło się grzanie szyby. Być może wcześniej nie zwracałem na to uwagi a teraz zauważyłem walące diody które zamontowałem w celach diagnostycznych. Czy takie załączanie jest normalnie w T300? Czy poniżej jakieś temperatury grzanie włącza się "profilaktycznie" ??
Nowa odma dobra na wszystko!!!
- MIDO
- Wymiatacz
- Posty: 1314
- Rejestracja: 5 sty 2014, o 14:38
- Reputacja: 32
- Imię: Miłosz
- Samochód: Aveo T300 LTZ
- Silnik: 1,4 74kW
- LPG: BRC SQ32 Alba
- Inny samochód: Hyundai i20 Cool
- Lokalizacja: Wrocław
- Kontakt:
Re: T300 sedan - brak grzania tylnej szyby
Edit: powrotna druga do domu rzuciła nowe światło na problem. Znowu po zapaleniu silnika włączyło się ogrzewanie szyby (świeci dioda na wyłączniku) ale nie pojawiło się napięcie na cewce przekaźnika - a co za tym idzie napięcie na "wyjściu" przekaźnika. Wielokrotne próby załączenia ogrzewania spełzły na niczym...
Nowa odma dobra na wszystko!!!
- etac
- Prezes
- Posty: 24968
- Rejestracja: 4 sie 2013, o 00:31
- Reputacja: 300
- Imię: Krzysztof
- Samochód: Opel Astra L ST
- Silnik: 1.2T Pure Tech
- LPG: NIE
- Inny samochód: Yamaha X-MAX Tech Max
- Lokalizacja: SBE
- Kontakt:
Re: T300 sedan - brak grzania tylnej szyby
zobacz jakie masz ustawienia komfortu w radiu, odszraniane automatyczneMIDO pisze: ↑10 paź 2022, o 12:37
Pytanie dodatkowe. Zauważyłem, że wczoraj i dzisiaj przy uruchamianiu samochodu rano SAMOCZYNNIE załączyło się grzanie szyby. Być może wcześniej nie zwracałem na to uwagi a teraz zauważyłem walące diody które zamontowałem w celach diagnostycznych. Czy takie załączanie jest normalnie w T300? Czy poniżej jakieś temperatury grzanie włącza się "profilaktycznie" ??
Screenshot_2022-10-10-12-19-19-06_99c04817c0de5652397fc8b56c3b3817.jpg
Lekcje prywatne są odpłatne, pytania na forum są darmowe
Kto jest online
Użytkownicy przeglądający to forum: Obecnie na forum nie ma żadnego zarejestrowanego użytkownika i 2 gości