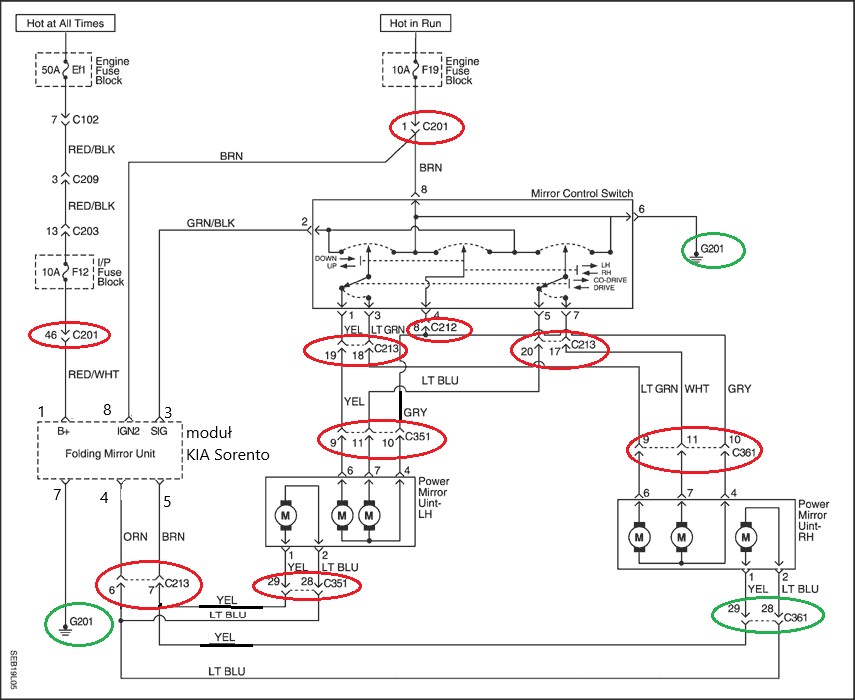
niedawono udało mi się zakupić na allegro w okazyjnej cenie komplet lusterek elektrycznych + elektryczne składanie wraz z przełącznikiem (wer. koreańska) za 300zł. Do tego zakupiłam moduł składania od Captiva (na próbe za grosze).
Mam pytanko czy ma ktoś dostęp może do schematu elektrycznego podłączenia elektrycznych lusterek z Aveo. Chciałabym podłączyć moduł składania lusterek od Captiva i zobaczyć czy zadziała ten zestaw, bo jakoś ciężko dostać moduł od Aveo, no chyba że uniwersalny moduł folding mirrors z aliexpress, jest jeszcze opcja kupić moduł od Kia Sorento do sterowania składania luterek może również by zadziałał?

Czekam również na odpowiedź od gościa a allegro (od którego kupiłam lusterka) czy będzie posiadał modół sprowadzony z Korei do Aveo, ale to dopiero w listopadzie

Schemat podłaczenia od Captiva posiadam ze strony online http://www.autocats.ws
Dziękuje za odpowiedź
