Bezpiecznik świateł pozycyjnych

Nie świeci, nie kręci i inne tematy związane z elektryką i elektroniką
ODPOWIEDZ
Neuron78
Świeżak
Posty: 30
Rejestracja: 11 lut 2020, o 15:30
Reputacja: 0
Imię: Tomek
Samochód: Aveo
Silnik: 1.2 LPG
LPG: BRC
Lokalizacja: Dolnyslask
Kontakt:

Bezpiecznik świateł pozycyjnych

Post autor: Neuron78 » 17 lis 2020, o 17:58

Witam,
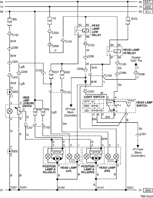
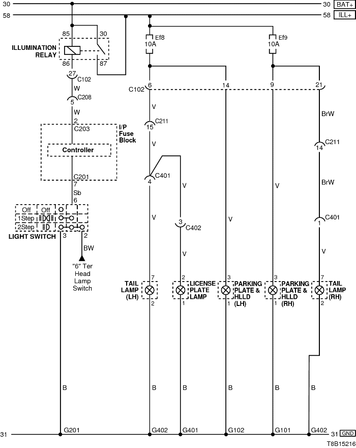
Z ktorego bezpiecznika zasilane są światła pozycyjne w Aveo T250? Na którym bezpieczniku pojawia się napięcie po przekręceniu przełącznika świateł na pierwszą pozycje ?

Pozdrawiam...

Awatar użytkownika
bubu1769
Administrator
Posty: 6869
Rejestracja: 5 wrz 2018, o 16:40
Reputacja: 457
Imię: Bartłomiej
Samochód: Aveo T250
Silnik: 1.4 101KM
Inny samochód: Orlando 1.4T, Meriva A 1.8
Lokalizacja: Kalisz
Kontakt:

Re: Bezpiecznik świateł pozycyjnych

Post autor: bubu1769 » 17 lis 2020, o 18:20

T8B15023.png
T8B15216.png

Neuron78
Świeżak
Posty: 30
Rejestracja: 11 lut 2020, o 15:30
Reputacja: 0
Imię: Tomek
Samochód: Aveo
Silnik: 1.2 LPG
LPG: BRC
Lokalizacja: Dolnyslask
Kontakt:

Re: Bezpiecznik świateł pozycyjnych

Post autor: Neuron78 » 21 lis 2020, o 11:52

O to chodziło , dziękuje

ODPOWIEDZ

Wróć do „Aveo/Kalos Elektryka Elektronika”

Kto jest online

Użytkownicy przeglądający to forum: Obecnie na forum nie ma żadnego zarejestrowanego użytkownika i 2 gości